Fórum témák
» Több friss téma |
Fórum » Ki mit épített?
Ez a téma ha úgy tetszik a mi "kiállítótermünk", nem pedig a ki mit csinált volna másképpen, mások helyett, és legfőképpen nem javítós téma.
Minden készüléknek van saját témája, ott kell kitárgyalni a részleteket!
FONTOS! A kapcsolási rajzok keresésére is van saját téma, ott keressetek rajzokat!
Pontosan jól tudod, és a legautentikusabb forrás A magyar helyesírás szabályai, 12. kiadás 279.c pontja. A °(fok) kivételével mindent szünettel kell írni.
Most kérdeztem meg a feleségemtől, aki tanító. Kell szóköz. Valamikor régen nem kellett.
Szia Zoli!
Sajnos nem tudok négyszögjellel mérni, mert a hanggenerátorom csak színuszt tud. Egy régi Tel-Mes készülékem van. Tudom Te négyszögjellel vizsgálod a kimenőidet, jó is volna egy olyan profi generátor mint Papus51-nek van. Majd megpróbálom a cégemtől elkérni kölcsön az ottani generátort, az tud mindent. Idézet: Igen, így emlékszem, én még így tanultam. De jobb is a szóközös írás. Köszi. „Valamikor régen nem kellett.”
Hello! A szóköznél talán fontosabb, hogy a kHz-nél a kilót kis "k" val írjuk. Mint ahogy a Mega pedig nagybetű "MHz". Mert számtalanszor látom, hogy mHz mhz stb..
Ez érdekes, hogy a kiló miért kisbetű. A Mega, Giga, Tera nagybetűk. Vagy talán milliós szorzótól nagybetűk? A Mega mellett ott a milli, ezt még megkülönböztetésük miatt értem.
Köszönöm.
A "legaranyosabb" feliratozást a vterán láttam - aztán másutt is - Khz
Még jó, hogy nem nagy Z-vel.
Üdv mindenkinek.
Nem igazán elektronika téma, igaz van benne egy "kicsi" ebből is. Kb.2 hónapja kezdtem, és most már van olyan állapotban hogy megosszam veletek. Ez nem más mint egy 3 tengelyes kamera (dslr, milc) gépekhez tervezett kézi (nem dronra) gimbal, stabilizátor. Teljesen a nulláról kezdtem, pár youtubos, netes info alapján. Mivel ezeknél a szerkezeteknél nagyon fontos a merevség, egyensúly, és balanszolás, igy egy gyors prototipus gyártással kellett kezdenem. Ezután jött a végleges tervezés, minden tengelyre. A anyag amiből le lett gyártva, npf lap. Magasnyomáson ,magas hőfokon préselik, kül és beltéri burkolásra használják. Nagyon könnyű és merev. 5.5mm vastag, de van ahol duplán kellett használni. Ragasztva és csavarozva. Majd feketére festve. 3 egyorrma motorból 2db van egyenlőre, a 3. még úton van. Db.ja 9500ft ebay ről. 14 pólusú 180T, kb.2kg a teherbirása. Igy kicsit inkább túlméreteztem. Igaz a fotósgépem csak 80deka obival. Ehhez a tipusú motorhoz adnak egy ugynevezett slip ringet, egy csúszógyűrűs kis kapszula. 12 eres. Ezt a motor közép tengelybe kell tenni igy a gimbal tengelyek folyamatos 360fokban foroghatnak. Nem kell félni hogy feltekeri a vezetékeket. A vezérlő egy storm42 bgc NT verzió (9500ft). Ez egy újabb jözkedvelt fejlesztés, és már csak ezt fejlesztik. Új giro szenzort kapott, ami NT buson kommunkiál a régi i2c helyett. Ez már gyakorlatilag minden elektromos zavart (a slip ring et is beleértve) javit a helyzeten, megszüntek a ferrit gyűrűk stb. Kap még egy joystick et is, igy manuálisan is lehet mozgatni a kamerát. Usb n pc vel összedugva lehet pontosan beállitani. A tápot egy 3s 2200mah lipo biztositja. A 3. tengely még gyártás alatt van, igy gyakorlatilag már csak az és a 3. motor hiányzik. Egy ilyen,hasonló vásárlása min.100ezer ft tól indul. Ez ahogy számoltam kijön 50ezerből. Persze az anyag és munka saját, igy nekem ez ingyen volt. Minden elem cnc n lett legyártva, sprintlayoutban tervezve. És a link a fotókkal. Gimbal A hozzászólás módosítva: Júl 3, 2017
Nem kell messzire menni: Bővebben: Link
Ha köznévként használjuk, kiírva, nem rövidítve: herzes, frekvenciás helyett; voltos, feszültségű helyett, stb., akkor nem kell nagybetűvel írni. Magyarul egyébként helytelenül, de nem kizárva; más nyelvekben viszont így használják. Pl. 230 voltos hálózat; de 230 V-os akármi.
Gratulálok! Nagyon szép munka! A kalibrálással majd jól el fogsz szórakozni!
Gondolom, csak elgépelted. Helyesen: hertzes
Nem elgépelés, volt benne némi szándékosság, a kiejtés (főleg az idézett oldal) miatt; persze így (lett volna) helyes.
A hozzászólás módosítva: Júl 3, 2017
Jaja. Attól "félek" legjobban. De van pár ismerős akiknek storm vezérlő van hasonló mocival.
Nos, a linkelt keresési eredményben nem a nagybetű lett volna a lényeg, hanem a hiányzó betű. A kiejtés pedig nem mentség, attól még helytelenül van írva.
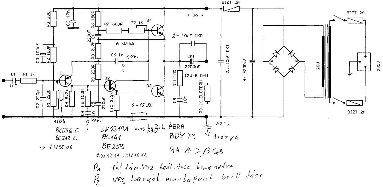
Eredetileg valami STK hibrid IC-s végfoknak feszültem neki, de csak utángyártottakról kaptam infót. Aztán erősen gondolkodtam egy Texas végfokon, de azt már építettem 30 éve. Végül itt véletlen botlottam bele a sokat dícsért J.L.Hood féle végfokra. Először egy Reloop féle NYÁK kivitelezés készült el, BDY73 végfokokkal. Röccre indult, semmi gond, de mire kipróbáltam volna igazán, a lányom elkönyörögte. Másodjára egy S.K. tervezésű NYÁK ra készítettem el, egy brutál bordára, TIP35 végfokkal. Kicsit köhögve iindult, a nyugalmi áram nem akart beállni, de egy drasztikus ellenállás csökkentés meghozta a sikert. Most 8 ohmos hangfalakat hajt, 1,4Amper nyugalmi árammal, a borda 60 C fokos, tápfesz 30V. Miután elindítottam, két hétig ment megállás nélkül. Ez alatt a kondik beformázódtak, az ellenállások, vezetékek is irányultak lettek, a félvezetők is bejáródtak. Bűgásnak nyoma sincs, a hangfalak néma csendben vannak, ha nincsen jel a bemeneten.
A hangja, na az egy csoda. De van egy rossz tulajdonsága: Ha a felvétel jó, akkor csodásan szól. Ha azonban a hangmérnök valamit elkefélt, ez a kapcsolás kíméletlenül az orrod alá dörgöli. Eddig egy nagy Oriont hallgattam, aminek a hangját szépnek hallottam eddig. De vannak dolgok, amiket elfed. A régi analóg felvételek szalagzaja pl. az Orionon nem hallatszik, a J:L:H azonban hallhatóvá teszi. Ez nem zavaró, csak jelzi, ott van. Egészen finom nüanszok bukkannak fel egy egy felvételnél, ami az elődnél nem hallatszik. Már csak be kell dobozolnom, de egy ekkora borda nem éppen könnyen szerelhető.
Csinos.
Már ami látszik, mert szinte az összes fotón azonos az információ tartalom, csak egy kicsit a látószög változik. Nem látni a bordát, a tranzisztorokat, azok felfogását, és szinte semmi mást se a panel egyik nézetén kívül.
Üdv Mindenkinek!
Ma sikerült elindítanom az egy minitron kijelzős órám.
Szia,a meghajtást közvetlenül a processzor végzi?
Igen.
Nekem meg be lettek ültetve az NNJI (NagyonNemJátékIzé
) nyákjai...
Igaza van Alkotónak. Akkor próbálom jobban bemutatni a művemet. A 01.jpg magát a kapcsolást mutatja, amiből végülis az erősítő lett. Ehhez max annyit tudnék hozzáfűzni, hogy a P1 el párhuzamos ellenállás felesleges. Ha 24 V trafód van, üresjáraton, akkor a P2 es előtti ellenállás 100Ohmos vagy kisebb is lehet. Amikor 30 év szünet után nekiálltam megépíteni ezt a végfokot, mindössze a kíváncsiság hajtott. Eredetileg olyan megoldásban gondolkodtam, ami tápostól, trafóstol egy NYÁK on kifér. Mindössze azért, mert herótom van a kábelerdőből. Anno 30 éve úgy építettem egy komplett Quad405 ös erősítőt, Quad33 előfokkal, phonoáramkörrel, be-kimeneti választóval, táppal trafóval ami mellesleg 1Kw os volt, hogy minden egyetlen hatalmas alaplapon volt, a dobozban drót szó szerint nem volt. Nem búgott, zúgott. Elsőre jó lett.
De mikor megláttam mennyibe kerül egy ekkora NYÁK, letettem róla, így született az 1.jpg általi elrendezés. Törekedtem arra, hogy rövidke kábelek legyenek, mert az építési tapasztalatokból azt vontam le, hogy sok baj forrása lett a hosszú vezetékek sokasága. A trafó a táp NYÁK ra került, ide fut be a 220V AC is, itt kapott helyet a hálózati biztosíték. A trafó azért ilyen kurta kábelezésű, mert Vaterás beszerzés, így adták 2500 Ft-ért. Paraméterei: 160W teljesítmény, 24V szekunder, a drót kb. 6 A terhelhető. A 2.jpg kép. Ja, mindenhol oldható kötést használok, ami szerelésnél, javításnál nem elhanyagolandó előny. Amikor az erősítőt terveztem, figyelembe vettem, hány tápcsatlakozóra is lesz szükségem, csillagpontos kialakítást feltételezve. Amint látható, a táp kimeneti oldalán már csak a bekapcsolást jelző LED számára van hely. A kék a 30V DC a végfokokra, minden végfok itt kapja meg a 2A olvadóbiztijét, kivéve a LED et. A barna vezetékek a GND, mellette a két hangfal GND-je. Annyira kompakt akartam lenni, hogy a 25A es egyenirányítót is a táppanelre terveztem, ami nagy hiba volt. A Graetz nagyon melegedett, és fűtötte a szerencsétlen pufferkondit, ami ugye nem szerencsés. Ezért száműztem forrófejűsége végett a panel alá, a hűtőbordára. Fel kellett csiszolni, szilikonpasztázni, és egy M5 ős inbuszcsavarral lebikázni. Jó helyen van az ott, csak nem szép a helye. Ha belesünk a táppanel szoknyája alá, ott látjátok azokat a kis kék kapacokat? Nos a fórumon számtalanszor elmondták, hogy a puffer lábaira hidegítő kapacokat kell felvacakolni. Mégis sok erősítő búg. Ez nem, de ott is vannak a tanácsolt kapacok. Na a 6.jpg megnézhető ahogy le lett csavarozva az alagsorba. Jó neki ott, de nem szép, nem elegáns, mi a fenét csináljak vele? Ha kissé balra sasoltok, akkor a végfokptranyókat is megláthatjátok, ahogy együtt fől a felyük minden tápok atyjával. Ha már a végfoktranyóknál tartok. TIP35 félék lettek beszerelve, Alkotó Ottala erősítője volt az ötletadó, alulról forrasztottam, és egy felismerés tette könnyűvé a kivitelezést. Tudjátok, hogy a PC alappanelt hordozó távtartók magassága pont akkora, mint egy TIP35 tranyó vastagsága? Tán 1mm a differencia. Simán alulról beforrasztottam a meghajlított lábakat, és amikor a NYÁK ot a távtartókra csavaroztam, a tranyók pont felfeküdtek a hűtőbordán. Csak csavarozni kellett őket némi csillám, meg szilikonpaszta társaságában. Hogy azért ne legyen egyszerű az élet, ezt is elszabtam, mert M3 as csavarhoz 3 as fűróval fűrtam elő. Ezért minden tranyót 4 es fűróval kellett felfúrnom. Persze a gránitkeménységű plasztik tokot csak titánkarbid fúró lőtte keresztül, de a szomszéd némi szilvaléért adott kölcsönbe egyet. Neki ez a táp.
Folyt. Ugye hogy pont megfelelő a PC távtartó 8.jpg. Ha már ennél a képnél tartunk, szintén Alkotótól ollóztam a késes csati ötletet, meg rá a műanyag fedősapkát. Kár hogy csak piros volt.
De randa az a Graetz ott alul. Látható, a kimeneti kondi 4700µF 63 Voltos, 9.jpg. A T1 es tranyó BC212 és ott hátrébb egy kisszéken üldögélve egy megfáradt BC211. Kissé melegszik a lelkem, de simán bírja. Valaki azt mondta, hogy A osztályú erősítőnél nincs kicsi hűtőborda. Ez a böhönc egy 15Kw os toroid lágyindítolyának elhalálozásából visszamaradt relikvia. Mellette egy 4dl es ásványvizes flakon, a méret végett. A borda képes 60C fokon tartani a négy forrófejű tranyót, és az őket etető egyenirányítót. A végfok 1,4 A nyugalmi áramra van beállítva 8 ohmon. A bordák 12 cm magasak. A borda alp 20 mm vastag. 10.jpg. A borda, és tartozékai felülről 11.jpg A kész, működő J.L.Hood 10W os végfoka, a panelre szerelt kimenőkondival. A kábelek kötegelőkkel lettek összefogva, a zárlatok elkerülése végett a késes csatlakozók védősapkával lettek ellátva. Felteszem a sprintlayout os állományt is, ha esetleg valaki meg szeretné építeni. A fotókon talán látni, a BC212 es tranyót fordítva kellett bekötni, mert benéztem a kapcsolást. A feltett .lay6 fileban már ez javítva lett. A megépíteni szándékozóknak azt tanácsolom, hogy a fórumon nagyon sok okosság található, nagyszerű szakemberektől. Ha ezeket megszívelitek, ez az erősítő gond nélkül fog indulni, ezt garantálom. Még egy megjegyzés: sokan javasolják, a kimenő kondival párhuzamba kötni egy 4-10 µF os MKT kapacot. Kipróbáltam én is, de kivettem, mert a magas hangok nagyon tolakodóak lettek. Viszont mivel a kapcsolás hangját a felhasznált félvezetők határozzák meg, kipróbálásuk mindenképpen indokolt. TIP35 esetén nekem nem jött be, ezért ki is vettem.
Jót derültem ezen a leíráson!
Üdv Mindenki!
Hosszas bütykölés, gondolkodás és rengeteg segítség után végre teljesen kész a nixie órám
Nem is Neked írtam.
|
Bejelentkezés
Hirdetés |





Majd megpróbálom a cégemtől elkérni kölcsön az ottani generátort, az tud mindent.











Ezért minden tranyót 4 es fűróval kellett felfúrnom. Persze a gránitkeménységű plasztik tokot csak titánkarbid fúró lőtte keresztül, de a szomszéd némi szilvaléért adott kölcsönbe egyet. Neki ez a táp. 







De randa az a Graetz ott alul. Látható, a kimeneti kondi 4700µF 63 Voltos, 9.jpg. A T1 es tranyó 










