Fórum témák
» Több friss téma |
Fórum » Labortápegység készítése
Hali!!
Nagyon királyul néz ki ez a berendezés kérem!! ![]() Én a keretes változatra szavaztam! Már nagyon várom az áramkör elkészülését!
A tranzisztor és a két fet beültetését ellenőrizted a dokumentáció alapján? Azt csináld meg inkább mert sokat nem lehet megmondani a képekből.
Szia!
A bekeretezett részeknél nincs átvezetés,vagy zárlat?
Ó! Nem hiszem el, de igen. A körbemenő keretre ért le a két ónozott vezetősáv. Most úgy látom üzemszerűen működik minden. Nagyon szépen köszönöm a megoldást, és ezúton szeretném megköszönni a többiek kitartását is. És bocsánat a figyelmetlenségért.
Üdv.:Jocó!
Van 1 GANZ szevíz asztalom amiben van 1 dupla labortáp. Ha van valakinek rajza róla jol jönne mert szeretném megoldani hogy ne csak 1 Amperes legyen hanem átkapcsolással 5 Amperos is . Hely az van benne bőven akár 500VA-as toroid trafónak is. Tipusa ES 2050 Teszek fel róla képeket is .
Hello!
Úgy emlékszem ezt már kérdezted (vagy más). A belseje olyan kusza hogy nem érdemes vele foglalkozni. Építs bele másik tápot, a trafót, kondikat, tranyókat úgy is cserélni fogod. Akkor meg minek alkalmazkodni az eredeti áramkörhöz? üdv! proli007
Szia ! kösz atippet nekem is ez az út látszik járhatóvá csak szeretném át nézni az eredeti rajzot hátha lehet kilopni valamijen megoldást mert mindig lehet tanulni mások kivitelezéséből. Egyébként a fotón látszik az új panel befogva a sjátkészítésű szerelvényben csak a kíváncsiság hajt hogy a profik milyen megoldást alkalmaztak.
Sziasztok!
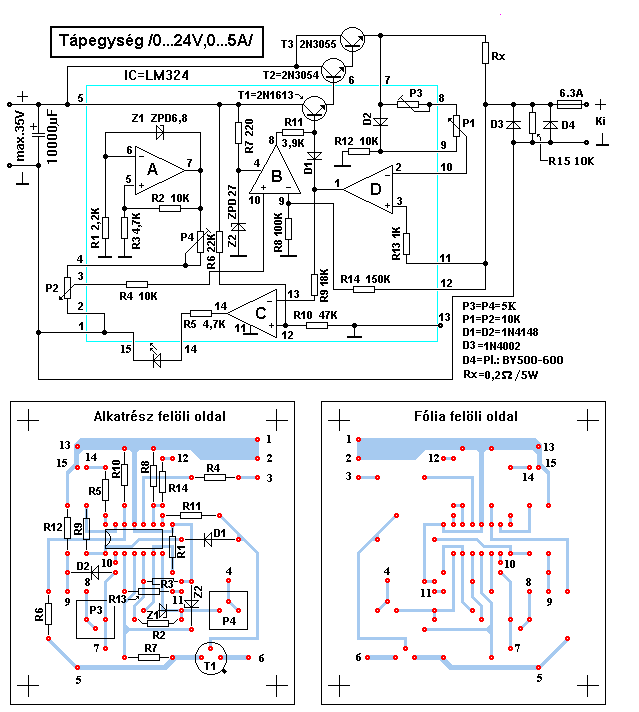
A labortápomban nem működik az áramkorlát és nem tudom miért. Ha összecsukom a kimenetet akkor durván elmegy az áram...pl 10A. Semmi tekerésre nem reagál az áramkorlát része. Átnéztem, de nem találtam semmit, pedig elég durva hiba lehet, gondolom én. Nem lehet, hogy az IC csinálja ? Ha valakinek van ötlete azt megköszönném! ![]() üdv. : m.gyula3
Én szoktam tenni a diódahíd elé (magyarul a trafóra). Nem szeretném a tüzet a tápomban. Mivel láttunk már diódát, zárlatosat, és akkor hiába rövidzár-védett az IC.
Van különbség a között, hogy a trafó elé teszem (a 230V-ra), vagy a trafó és a diódahíd közé? Valamelyik jobban véd?
Csak azért kérdezem, mert a 2x12Vx2,5A-es trafó elé gondoltam, hogy 2,5A-eset kell rakni, de azt nem tudom, hogy a trafó után mennyit kellene (mert ott ugye két ág van és az áram megoszlik)? Vagy mindkét ágba 2,5A-eset (de akkor az összesen már 5A-t engedne meg a trafónak, ami 2,5A után leég akkor, ha mindkét kimeneten 12V esik)?
Szia!
Több hiba is lehet. D1 vagy D2 fordítva lett beültetve, Rx ellenállás nem jó értékű. Hirtelen ezek jutnak az eszembe. Az áramkorlátért felelős alkatrészek: D jelű OPA, R12, R13, Rx, P3, P1, D1, D2. Üdv: Pioneer
Idézet: „.....2x12Vx2,5A-es .......” Az a 2.5A-s biztositek a trafod szekunder korebe kell, es akkor valoban 2x 2.5A ertekut epits be. A trafo primer korebe eleg a 300mA-s is [0.272A].
A trafó elé is kell természetesen, és a 300 mA jó lehet, amit Ghoost kolléga javasolt. Azért kell elé is, mert nem szeretjük a tüzet a falban sem. Ha két szekundered van és mindkettő 2,5A-es, akkor mindkét ágba tegyél 2,5 - 3A es biztit.
Egy 2,5A-es trafó nem éghet le 2,5A-tól !! Egy picivel nagyobb biztit szokás tenni, mint a névleges áram, hogy azon még elműködjön, hiszen arra lett kitalálva, baja nem lehet! Egy biztosíték, még foglalattal együtt sem olyan nagy összeg, hogy spórolj rajta, viszont, ha nincs és gáz van, tényleg leéghet akár az egész lakás miatta !
Idézet: „...jobban véd?” Ez a fogalom nem is létezik. A biztosíték (a sok ellenvélemény ellenére is) egyértelműen az "előtte" lévő részt védi. Tehát a primer biztosíték a hálózatot védi (az értékétől nagyobb áram esetén leválasztja a fogyasztót), a szekunder biztosíték meg a trafót. Akkora értéket kell választani minden terhelt tekercshez (tehát esetedben a szekunder oldalra kettő kell), ami az adott tekercsben megengedett áramtól 0-10%-al enged meg többet.
Üdv uraim.
Lenne valakinek ötlete,hogy miként tudnék ebbe a kapcsolásba beilleszteni egy ledet ami jelezné az áramkorlát működésbe lépését?
Na ez engem is érdekelne.
Van egy ehhez hasonló tápom (723-al), amit 20 éve építettem. Van benne led. Nekem 1.5A nál épphogy elkezd világítani, és ahogy megy föl az áram, erősödik a fénye. Annó úgy építettem meg, hogy a leddel párhuzamosan betettem egy sípolót, hogy hangja is legyen, ha rövidzár van. Na és ez tud állandóan sípolászni ha kell, ha nem. Végülis már meg szoktam így, de lehet ápgrédelném, ha ne bonyolult a dolog.
Köszönöm szépen a válaszokat!
Akkor teszek mindenhová...
Szia!
Megjavult valamennyire az IC cserére, de még csak éledezik szerintem. A p3 trimmer mintha semmire sem lenne jó, max 180mA-t változtat. 2.3A-nél többet nem enged most ki terhelés alatt. pl, auto halogén izzo, 100W/12V. (nyáron 4,5A-rel terheltem le kb erősítővel) Az IC D-részébe menő alkatrészeket megmértem és szerintem jók. Ötlet? üdv.: Gyula
Szia!
A táp teljesen jól működik. A D2 dióda nyitófeszültsége korlátozza be a max kivehető áramot. A D2 diódát két sorba kötött diódára cseréld, a P3 trimmert pedig 10kohm-ra. Így nagyobb lesz a kivető áram és több lesz a finom szabályzási lehetőség. Üdv: Pioneer
Sziasztok!
Megépítettem ezt a labortápegységet, tökéletesen működik, csak nagyobb áramra is fel lehet húzni mint amennyit a biztosíték bír, amit viszont a trafóhoz méreteztem(100 VA toroid, 500mA lomha bizti), így nem lenne illendő nagyobbat tenni bele. Hogyan lehet szabályozni az áramkorlát maximális értékét? A legjobban annak örülnék ha valaki meg tuná írni hogyan működik az áramkorlát, tanuljak is valamit Előre is köszi: Koleee
Szevasztok Hozzáértők.
Kaptam 1 kapcsoló üzemű tápot ami tud max-14V-ot és 3,5A. Kérdeném, hogy a táp átalakítása nélkül megoldható lenne-e, hogy a kimenő feszejt és a leadott áramerősséget tudjam külön, külön szabályozni. Az érthetősség kedvéért: néha szoktam horganyozni apró dolgokat aminél sajna korlátoznom kell az áramot, eddig megoldottam kis égő sorbakötésével de szeretném ha állítható lenne a dolog. Kapcsolási rajz sajnos nincs hozzá, de ha valaki kéri teszek fel fotókat. Előre is köszönöm a nagyvonalú segítségeteket.
Hello!
A működése egyszerű. - Az IC3 összehasonlítja az áramszabályzó potméterrel leosztott feszültséget az R7||R23 Shunt ellenálláson eső feszültséggel, ami arányos a táp kimenetét terhelő árammal.. - Ha a söntön eső feszültséget nagyobbnak látja, akkor D9 diódán keresztül lehúzza a feszültség szabályzó bementi feszültségét. Ettől a kimeneti feszültség csökken, tehát a kimenti áram értéke is. (közben persze kinyitja a Q3 tranzisztort, ami bekapcsolja a Led1-et, jelezve ezzel, hogy áramkorlátos üzem van. - Tehát a maximális áramkorlát számításához, a potméteren akkora beállítható maximális feszültséget kell előállítani, amekkora a kívánt áramnál esik a Shunt-ellenálláson. - Pld. Ha az R7 1,2ohm, és 0,5A maximális áramot szeretnénk, akkor ezen a Shunt ellenálláson a maximális feszültségesés 0,6V. Ezt a feszültséget kell beállítani az áramszabályzó potméter tetején. Ha az IC1 kimenetén lévő referencia feszültséget osztja le a soros R18-P1-R17 alkatrészek. Ha a D8 5,6V, akkor a referencia feszültség ennek kétszerese, azaz 11,2V. Ha a 10kohm-os potméteren kell a 0,6V feszültséget beállítani (R10 csak 33ohm így elhanyagolható értékű) akkor a potin átfolyó áram IP=UP/RP0,06mA. Ugyan ez az áram folyik át, az R18 ellenálláson is. De az R18-on a feszültség UR18=Uref-UP=11,2V-0,6V=10,6V. Most már ismert R18-on a feszültség és áram is. Így R18=UR18/IP=10,6V/0,06mA=176,6kohm. Tehát R18 értékének ehhez közeli szabványos értéket kell választani.. Másik lehetőség, hogy az eredeti potméter által szolgáltatott feszültséghez akkora Shunt ellenállást választunk, hogy azon a maximális kimeneti áram esetén ugyan ekkora feszültség essen. A potméter értéke 10kohm. R18-é 27kohm, és a referencia feszültség értéke11,2V. Akkor UP=(Rp/(RP+R18))*Uref=(10k/(10k+27k))*11,2V=3V. Ha a maximális kimenő áram 0,5A, akkor a Shunt értéke R7=3V/0,5A=6ohm. üdv! proli007
Hello!
"Kérdeném, hogy a táp átalakítása nélkül megoldható lenne-e, hogy a kimenő feszejt és a leadott áramerősséget tudjam külön, külön szabályozni." Te tudsz a biciklizni, bicikli nélkül? Tehát vagy át kell alakítani a tápot, vagy ki kell egészíteni egy tápegységgel, aminek kimeneti árama és feszültsége beállítható. A feszültséget és az áramot együtt nem lehet szabályozni. Maximum a feszültséget állítani és az áram maximumát korlátozni, vagy az áramot szabályozni, és a feszültség maximumát korlátozni. A kettő ugyan az, csak az a különbség, hogy a tápegység feszültség generátoros üzemmódban vagy áramgenerátoros üzemmódban dolgozik éppen. Ami alapvetően a beállításoktól és a kimenet terhelésétől függ. Tehát ez alapján gondold át, mit is szeretnél állítani és mekkora tartományban, és milyen módon.. Ha az analóg szabályozást választod a táp átalakítása nélkül, akkor itt a topikod, ha a táp megválasztását választod, akkor a kapcsolóüzemű táp átalakításánál. üdv! proli007
Szia!
Az ötlet jó volt, előbukkant az 5.3A, de akkor se értem, hogy enélkül miért volt jó régen. Holnap a trimmert kicserélem, mert az pont nincs itthon. Köszi a segítséget! ![]() üdv.: Gyula
Szia!
Köszönöm (huh) Na szóval, ahogy írtad, a feszültséget szeretném szabályozni és az áramerősséget korlátozni (ugyeugye aki ért hozzá) és ezt az egész herce hurcát úgy megoldani, hogy a tápot ne keljen megbontani hanem csak hozzáépíteni (valamit) na ez a valami érdekelne engem. Ha tudsz esetleg kapcs.rajzot az csodás lenne. Ja a tartomány, ugye nem túl nagy teljesítményű a ketyere de azért amennyire lehet egészen a minimumtól kéne, hogy szabályozható legyen. üdv.Karesz
Hello!
Ha a táphoz "csak hozzáépíteni szeretnél, akkor magáról a tápról beszélni nem érdemes. - Kiegészítés képen, meg vagy egy analóg disszipatív tápot lehet a kimenetre akasztani, vagy egy kapcsolóüzeműt. Az analóg, az fűteni fog, ha a maximális értékeket vesszük figyelembe, akkor 14V*3,5A 49W, az ugyan még az "értelmes határon belül" van. De fűteni fog rendesen, és hűtőborda kell hozzá. Kapcsolóüzemben meg kicsit komplikáltabb a tápegység. (általában nagyobb felkészültséget kíván) - De szabályozni a minimumtól-a maximumig, azt nem lehet. Legalább is a feszültség vonzatában nem. Hiszen a szabályzókörön is van veszteség. Tehát a szabályzó tranzisztoron is van feszültség esés, és az áramfigyelő ellenálláson is van. Ez a kettő, minimálisan 1..2V-ot fog jelenteni. - Egyszerű "háromlábú szabályzót" nem igazán lehet alkalmazni, mert annak fix az áramkorlátja, és a kimenő feszültséget sem lehet nullára szabályozni. Plusz ereket kiegészíteni áramkorláttal olyan macerás, mint ha új tápot építenél. - Javaslatom, hogy ha analóg tápot szeretnél építeni, akkor készítsd el ezt a tápegységet aminek meglehetősen kicsi a vesztesége. (Az LM7912 stabi és egyenirányító nem is szükséges, ki-bemeneti pontja átköthető. Puffer kondi sem kell ekkora. A shunt ellenállást két párhuzamoos 0,33ohmból kell kialakítani) Ha meg meguntad, akkor ráteszel egy trafót, és kész a labortápegységed )Vagy ha a háromlábúval kísérletezni szeretnél akkor ezt a kapcsolást, de ennek vesztesége 2..3V körül lesz. Vagy ha kapcsoló üzeműt szeretnél, nézz körül Skori weblapján.. üdv! proli007
Szia!
Nagyon szépen köszönöm a segítséget, azt hiszem megfogadom a tanácsod és amit javasoltál az "analóg" lessz megépítve. üdv.Karesz
Hello!
Van számodra egy megoldásom. Ezzel a kis áramkörrel kiegészíted a kapcsolásod. - A 723-as 3. lábát ami a negatív tápra megy megbontod, és a tranyó bázisára kötöd. - Az áramkörnek a pufferkondiról adsz feszültséget. - A Shunt ellenállás értékét a kétszeresére kell növelni. - Az áramszabályzó poti melletti (talán D5) dióda helyett, két sors diódát kell alkalmazni. A feszültség szabályzó belső munkaellenállása, egy kb. 200uA-es áramgenerátor. Ennek áramát kell a 2-3-13-as lábon lévő belső áramkorlátozó tranyónak lehúznia, hogy az áramkorlátozás létrejöjjön. Ha a belső tranyó elkezd nyitni, annak emitterárama átfolyik a Led tranyó bázisába, és kinyitja a tranyót erre a Led jelez. Tekintve, hogy a korlátozás kb.200uA-nál lép életbe, és a tranyónk már kb. 120uA-nál vezetni fog, az áramkorlátozás jelzése, már kicsit korábban megjelenik, mint ahogy a kimenti feszültség csökkenni kezd. Bár a Led nyitása itt is "folymatosan" megy végbe, tehát lassan fog a dióda árama nőni, de amikor már tényleges korlátozás van, akkor már teljes fénnyel ég. Egyéb változtatásra azért van szükség, mert eredetileg a belső tranyó bázis-emitter b. 600mV feszültsége az áramhatárolás küszöbértéke. Most két tranzisztor bázisfeszültségét kell produkálni. a Shunt ellenálláson és az előfeszítő feszültségnél egyaránt. üdv! proli007 |
Bejelentkezés
Hirdetés |










Csak azért kérdezem, mert a
Akkor teszek mindenhová... 







