Fórum témák
» Több friss téma |
Fórum » Labortápegység készítése
Máris köszönöm a reagálásokat!
Nekem most szándékosan (most nem részletezendő okok miatt már eldöntve) olyan táp kell, ami lekapcsolódik és nem tartja tovább, vagy lecsökkenti a beállított áram limitet. Ráadásul nem a tápot, hanem a rákapcsolt bemérendő, beállítandó áramköröket akarom megvédeni. Az IC saját magát megvédi az integrált túláram és hő védelmével. Ezért szeretném a kapcsoló ON-OFF (5) lábat használni és ezért gondoltam komparátoros letiltásra. Az áram limit efféle durva szabályozhatósága is elég, mert most nekem csak ilyenre van szükségem. Igazából ennek a komparátornak a biztos működésében nem vagyok még biztos, főleg a "lebegő" Uref, Ube miatt. Bár együtt "lebegnek". Ez lenne a fő kérdés.
Semmi baj, de ezt nem nevezzük labortápnak.
A komparátoros lekapcsolásnál arra vigyázzál, hogy kell valami latch funkció is, mert különben ki-be fog kapcsolgatni (hiszen a lekapcsolás hatására megszűnik a túlterhelés, tehát rögtön vissza is kapcsol). Nyilván úgy gondoltad, hogy valami gombbal lehet oldani a lekapcsolást. Idézet: „Igazából ennek a komparátornak a biztos működésében nem vagyok még biztos, főleg a "lebegő" Uref, Ube miatt. Bár együtt "lebegnek". Ez lenne a fő kérdés.” Az úgy nem fog menni. A tápjain kívülre nem mehetnek a bemenetek feszültségei, különben tönkremegy az IC (szinte az összes IC-re igaz ez). Sőt, az LM358 nem is működik jól, ha a felső oldali tápot 1-2V-nál jobban megközelítik a bemenetei (nem megy tönkre, csak hülyeséget csinál). Vagy adsz neki egy másik trafóról független tápot, vagy nagyon macerás lesz ezt megcsinálni.
A közös módusú feszültség mérésére is van megoldás, de talán egyszerűbb a söntöt a visszatérő ágba rakni.
A pozitív visszacsatolás miatt szerintem magától nem tud visszabillenni. Az oldást a Res(et) gomb biztosítaná.
Lehet, hogy a külön táp lesz a megoldás. Lehetőség van rá a közös dobozban már bent levő 5 V-s tápról, no meg 5-10 V-s töltőkből van egy szatyorral, sőt az erre szánt trafón is van egyenlőre felesleges szekunder tekercs. No meg a digit fesz. mérő modulnak is kell külön táp. Ekkor viszont a test (nulla) sem köthető össze, ha jól gondolom - enélkül meg nem tudom közvetlenül kapcsolni a 2576-s 5-s lábát. A 2576-s áramkör kimenetét meg csak a lekapcsolásával lehet garantáltan nullára tenni. Tegyek be egy opto csatolót az úgyis a közös tokban levő másik műv. erősítővel. Talán ez lenne a legegyszerűbb stabil működtetés?
Ezen is érdemes agyalnom. "Ugyanott", csak a nulla ágban az Rsc és akkor csak max. pl.0,3 V jut a 358 bemeneteire. Így lenne egy rögzített Uref=0 is egy invertáló komparátornak. Kifele a tőle jobbra levő test a test.
Azt hiszem, hogy ennél maradok, mert sürget az idő. Egyenlőre lenyelem a negatív ágba tett Rsc okozta kimeneti terhelő áram változásból adódó fesz. hibát. Ez max. -0,3 V 3 A változásnál. Kialakítom a panelen az Rsc pozitív ágba átforrasztásának lehetőségét és később megcsinálom a fesz. hibát nem okozó védelmet LTC6101-HV hibaáram figyelővel, opto-csatolóval - komparátorral.
Ha az söntöt az LM2576 GND lába elé teszed, akkor ilyen hiba sem lesz.
Csak éppen a kimeneti kondi feltöltésekor tuti letilt...
Igazad van, ez DC/DC a bemeneten más áram van. Ez így nekem mégsem tetszik (hogy a terhelő áram beleszól a visszacsatolásba), de annyira nem ismerem az adott feladatot, hogy bármit is mondjak, majd a gyakorlat eldönti. (Csak próbáltam végiggondolni, hogyha pl. egy motort vagy LED-et hajtanék vele 26kHz-es PWM szabályozással, mi történne.)
Mi a baj azzal amit feljebb linkeltem? Teljesen kész van, feszültség és áram kijelzéssel, csak a helitrimmereket kell forgópotira cserélni, mindez kb. 2000Ft-ból.
Semmi, csak én megépíteni akarom és nem 1 db 2000 Ft-s áramkört külföldről behozatni. Mellesleg a terhelés túláram védelme abban még nincs megoldva. Az LM IC belső áramvédelme 5-6 A-nél tilt - célja saját maga megvédése.
Jobb helyet nem találtam a negatív ágban. Az egyszerűségnek és gyorsaságnak ára van (fesz. hiba).
A komparátor rész mindenképp külön gyufás doboznyi panelre készül - saját számolás, ellenőrizni kell, no meg később cserélve lesz. "Labor táppá" átminősítéshez majd az LTC... és rokonai beépítését tervezem.
A mellékelt kapcsolást megépítettem, jól működik.
(Elektor 2010 áprilisi számából)
Ha megépítve jól vizsgázott - nincs mit kételkedni. Bár az én olvasatomban ez már szinte túlbonyolítás, de lehet, hogy a pontosság megéri, megköveteli.
A nullpont eltoláson én is agyaltam és ez egy újabb verziót vetett fel. Még csak hirtelen felindulásból: Mi van, ha a pirossal rajzolt GND átkötést csinálom? A belső Ref fesz. sajnos nincs kivezetve, de így talán átverhető. A belső működésben nem okozhat hibát, mert a belső áramköröket áramgenerátorokkal szokás meghajtani, épp a tápfesz. függetlenítés miatt.
Mellékelem a cikket is.
Kapcsolóüzemű labortáp 0-30 V, 3 A
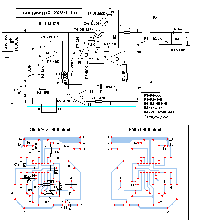
Sziasztok! Egy kiss segítséget szeretnék kérni, megépítettem a lent látható labortápot. A 2N3055 nagyon melegszik 5A-nál nagy hűtőborda ellenére is+venti. Szeretnék párhuzamba kötni még egy 2N3055, hogy nem melegedjen annyira. A rajzon én ezt már hozzá is tettem, és ezt szeretném ha megnéznétek, hogy jó lesz e így. Felraktam az eredeti képet is.
Előre is köszi.
A megoldásod jó, de én rögtön 2 tranyóval toldanám meg!
Azt viszont elárulhatnád hogy miért ezt retket építetted meg? Első ránézésre jó kis táp, de boncolgatva találunk benne hibát.
Én még nem vagyok profi ebben a szakmában, kezdetnek ez egyszerűnek tűnt.
Esetleg ha Te tudsz egy jobbat azt is szivesen megépiteném.
Alkotó-Pioneer 2.7 keress rá.
Majdnem ugyanaz amit megépítettél, csak jobb.
Igen a jelző erősen túlzás mert nálam is megy egy ilyen táp már nagyon sok éve és még nem volt gond vele soha.
A hozzászólás módosítva: Dec 4, 2013
Hello, tegyük helyre a kérdést: milyen hibákat találtatok benne?
Szerinted Pioneer miért tuningolta?
Én most nem kezdem el ennek a kitárgyalását (sokadszorra), ha nem haragszol. A Trabant is egy retek, mégis évtizedekig használták, akár meghibásodás nélkül is. Megjegyzem még én is használtam Trabantot, "megelégedettséggel". Nekem az a véleményem, hogy az alapötlet zseniális, de kapcsolás úgy ahogy van retek. Ami nem a működésében hanem a műszaki paramétereiben jelentkezik.
Nem értelmezhető műszaki paraméterként a "retek" nevű konyhanövény....
A "működik minden hiba nélkül" gyakorlati és filozófia boncolgatása helyett egy konkrét kérdést válaszolj meg nekem légyszives.
Miként állítod be az áramkorlátot? (Erre első perctől nem találtam a számomra kielégítően precíz módszert.)
Nekem is ez a próblémám, gyakorlatlag a P3 jelölt trimmer semmire nem jó. Sajnos még nem sikerült rájönnöm, hogy mi van a kapcsolásban elrontva.
Ellnézést rosszúl fogalmaztam, magával a kapcsolással nincs gondom, csak a P3 trimerrel, mert maximum 200-300mA szabályoz. Már töbször áttnéztem de elkötve nincs.
És hogyan állítsz be egy meghatározott értéket? Elmondanád nekem?
Egy labortápegység attól lesz jó ha hiba nélkül működik?
Bocsi, hogy eltérek a témátòl, de amit közzé tettél labortáp kapcsolást 2.7 verziòra gondolok, azt lehetne 5A-ig használni vagy változtatni kell rajta?
Írtam hozzá egy számítási összefoglalót (megtalálod itt a fórumban), amiben ezt (is) részletesen tárgyalom.
Elvileg lehet, de akkor már a feszültséget ajánlott erősen csökkenteni, mert nem tudsz a rengeteg hővel mit kezdeni. 3 áteresztő tranzisztorral, és jó hűtéssel, kb. 100-120W-ot javaslok Uki*Iki szorzatnak. (Sokféle szempont létezik, de nálam általában a feszültség a fontosabb, tehát javaslom inkább azt egy kicsit feljebb engedni, és az áramból lejjebb venni. Vagy ha mindent akrasz egyszerre, akkor Attila86 előszabályzós tápja erre is megoldás lehet.) |
Bejelentkezés
Hirdetés |




















