Fórum témák
» Több friss téma |
Fórum » Labortápegység készítése
Igen. FREDDI-nek teljesen igaza van,ezeket a változtatásokat meg kell ejtened.
Ennél már csak az lenne a jobb,ha közvetlenül a bordára rögzitenéd a tranyókat. Ezt is megteheted,ha a 3mm alulemezt kivágod téglalap formában olyan méreben ,hogy az összes tranyó beleférjen a kivágott részbe,és igy közvetlen a bordához tudod rögziteni.Igy már viszont valószinű ki kell vezetékelned a lábakat,ami kicsit macerás,de meglehet oldani esztétikusan is (ez Neked nem jelent különösebb gondot). Tehetnél egy képet a hűtőbordáról is profilban,paintban ráfirkálva a méreteket,hátha megtalálom ennek alapján a C°/W értékét.
A Bordára rögzítés sem akadály, direkt úgy terveztem a panelt, csak le kell vágni a nyákot a tranyó lábáig, és fel lehet fúrni közvetlen a bordára is állítva, én speciel a merevség miatt csináltam L profillal illetve nekem bőven elfűti a 3A-t
Üdv.
Ejeejjjj Hapro mester, mellesleg nagyon szép munka hadd jegyezzem meg!! Annyira jó látni, hogy más megépítette azt amit te terveztél. Egyébként, tudod egyszer kértél tőlem egy szkóp-ábrát erről a tápról, hogy nekem milyen csak nem tudtam normális eredményt produkálni szkópkábel híjján, na akkor volt egy kis zavar a tápba, biztos emlékszel, na én azt megszüntettem egy 100nF os fóliakondival.
Üdv.
Nem is néztem tegnap az összes képet, csak az elsőket. Azt az L profilt egyszerűen ki kell venni, mechanika szempontjából nem számít, és a amúgy sem kell a hővezetéshez. Ahonnan az L szára indul a bordán, kb oda befúrod a csavarokat, hogy még a szigetelő kényelmesen elférjen, és így messze van a borda szélétől, tehát félgömb irányban tud terjedni az a hő az anyagban. Mex, rendes tőled hogy megnézed neki a bordát, de szerintem felesleges. Az a fekete gondolom alu lemez meg jó helyen van, ha szilikonoztad, mert attől vastagabb a borda husa így. Viszont felcsavarozásnál nem lenne az igazi, ha a feketébe és a bordába is menetet vágsz, a feketére átmenő lyukat kéne csinálni, nehogy a menet elemelje a bordától egy kicsit, tehát a tranyók felfogatása húzza össze, így biztosan nem lesz rés közte. A felfogatásra használhatsz u profilt is, és a tranyók között huzatod le az egészet, így egyel több csavar kell, viszont egy csíkban lehet alattuk a szigetelő. Most olvasom, hogy Doncso úgy tervezte, hátra is viheted a komlett panelt. Akkor csak egy láb egyenesítés elég lesz a tranyőknak.
Igen lehet, vettem a fáradtságot és bescanneltem a doksit, nem nagy szám lett de a lényeg látszik.
Üdv.
Egyszer, majd ha lesz kedvem még mechanikázni vele, akkor mindenképpen megcsinálom, addig meg kerülöm a rövidzárat vele.
Eddigi pályafutásom során, talán pár pillanatra ha csináltam rövidzárat a tápjaimmal, azok azt tolerálták eddig, szóval itt sincs kilátásban ilyesmi normál használat során, és mivel nem a részecskegyorsítóhoz, vagy a nasa-nak készítettem, így asszem jó lesz ez nekem. Óvatosan és vigyázva kezelem majd addig és utánna is. Minden esetre tanulságnak és tanulásnak jó volt.
Azért egy dolgot ne felejtsünk el, amiket betettél, az ON semi.-s MJW-k egy "KICSIT" erősebbek a BD-k nél :yes: azt már nehezebben lövöd el, ha a BD-k ennyit is kibirtak, ezek többet fognak, csak legyen felület ahol leadják az izzadtságot!!! Egyébként szkóp ábrát nézted? Az MJW-kkel is van zavar ?
Üdv.
Ezzel csak egy probléma van. Még pedig az, hogy nem kell rövidzár. Elég a bika trafód kihasználása, mondjuk a maximumhoz közeli kimenőáram, mert valamit gyártassz, javítassz, vagy akármi. Egyszer csak pukk :eek2: , mielőtt a hőfokvéádelmed lekapcsolna, mert azt a borda közepére telepítetted, gondolom a dupla táp miatt, ezért nem fogok visszaolvasni, ezt is csak következtetem, csak a problémára kezdtem írni neked. Nos van egy tápod, amit nem tudsz teljesen használni, bármikor olyan helyzetbe hozhatod, amikor felszáll!
Csak a "kézi vezérlés"védi meg, ha nem téved a saccolással. Mind ez pár tranyó vagy a panel arrébb helyezése, meg pár lyuk fúrása miatt. Bölcs dolog. Tehát előbb meggyártod az egészet, hogy így maradjon. Ja, elfelejtettem, hogy lejjebb tekerheted a hőfokvédelmet, de azzal a tápod fényes nagy teljesítménye a ködbe vész, max egy-egy percre használhatod ki, ha csak nem akarsz egy rövidzárat és egy teljesítménybombát a kimeneten, ami épp legyalul egy rálötött brájzlit....... Nem gondolkodom tovább, szerintem ennyi is elég tanulságnak másoknak, akik később olvassák. Az én tesztelésem anno a tápommal: 2 nap (48 óra!!!) folyamatos rövidzár 2,5A-el, teljesen összerakva. Kibírta, azóta is megy. A puding próbája az evés. Ja, a rövidzár , azt nem kell csinálni, jön az magától is néha
Őszintén szólva teljes mértékben egyetértek veled!!!
Ennyire messzemenő következtetésekre nem gondoltam...
Csupán egy dolgot állítottam: "Egyszer, majd ha lesz kedvem még mechanikázni vele, akkor mindenképpen megcsinálom,..." Igazából már labortápnak sem merem itt nevezni, és talán lehet hogy engedélyt kellene kérnem hogy meghunyászkodjak. Asszem, ez hobbi nem? Tudod ott legfölül az van írva, hogy hobbielektronika. Mivel hobbi, így kérdezek, asszem azért van ez a fórum. Őszintén szólva eddig egy oylan tápom volt, amiből kijött 2 X 32V váltó, 1 X 15V váltó, 2 X 45V egyen és 1-1 5-19Voltig szabályozható 7812-es ICvel megáldott stab feszültség. Ezzel vígan elvoltam és bármit megcsináltam. Végfokokat építettem, hobbiból és mindig megoldottam a hiányosságokat. Nem használtam tesla tekercshez, vagy 24órás rövidzárhoz, mert ezek nem a hobbijaim. Mivel írtad, hogy nem olvastál vissza, így elmondom, hogy mindent elfogadtam, és egyet értettem, sőt megértettem amiket tanácsoltatok, és javasoltatok változtatásoknak. Az igazság az, hogy nem vagyok superman aki ahogy elolvasta az instrukciókat amik vagy helyesek az ő esetében vagy nem, utánna azonnal mérlegelni is tudja hobbiból, és pár pillanat múlva már el is készült mindennel tökéletes minőségben. Majd csinálom, ha van rá időm és leginkább kedvem, azt csinálom épp amihez van kedvem... Itt visszautalok a második mondatomhoz, azt még kérlek olvasd el. Cinikusság nélkül nem voltam képes válaszolni a hozzászólásodra, mert valami hasonlót éreztem ki a tiedből is, és csupán ez jött rá válaszként belőlem. üdv.: Zoli
Freddi!
Úgy kell méretezni a teljesítmény-alkatrészeket, hogy a gyári specifikációban adott maximumot (feszültség, áram, teljesítmény) soha sem érhesse el a táp, bármennyire is 'szadizzuk'. Utána vígan rövidrezárogathatjuk a tápot, nem fog elszállni csak akkor, hogyha folyamatosan rövidre van zárva és a borda nem képes elvezetni a hőt. Ekkor az áteresztő tranyók addig bírják, amíg belül a maghőmérséklet nem lesz kritikus (szintén adatlap). A hővédelmet pedig úgy kell beállítani, hogy azelőtt a hőmérséklet előtt kapcsoljon le, amikor a borda ennek a hőmérsékletnek a közelébe ér. Ez kicsit olyan mint a gyors és a lomha olvadóbiztosító esete; Ha egy készülék üzemszerűen mondjuk max 5A-t vesz fel, akkor oda berakunk egy 5A-es biztit. Na de a bekapcsolás pillanatában lehet hogy a készülék 80A-t vesz fel, ezért tegyünk be 80A-os biztit? A fenéket! Csupán lassú kioldású biztit kell használni! A táp esetén a tranyó bírja a disszipációt mint a katonatiszt mindaddig, amíg annyira forró nem lesz hogy megadja magát. A hővédelem arra való, hogy ezt védjük ki. Ettől még kivehető a táp teljes teljesítménye, legfeljebb addig amíg le nem old a hővédelem. Te is ezt írtad ugyebár. Na de kérem szépen, ha nincs hővédelem akkor is csak egy kis ideig használható a táp a maximális teljesítményen! A különbség annyi, hogy hővédelem nélkül a "kis idő" elérése után tranyókat kell cserélni, ha hővédelem van, akkor pedig csak ki kell várni amíg kihűl a borda! Üdv.!
Csináltál egy jó labortápot, nem vitatja el senki. Csupán ezt kéne módosítani, hogy stabil is legyen. Te tudod, a te tápod. Ez valóban hobbyelektronika, viszont egy labortápot azért szoktak készíteni, hogy fejlesztéshez, javításhoz legyen. Egy labortáp egyik tulajdonsága, hogy áramkorlátos, és meghibásodás nélkül bírja a rövidzárat is. Kár lenne így hagyni, és erre nem bíztatok mást sem. A másik, hogy így ezeket leírtam, lehet, hogy sokan tanulnak belőle, míg ha nem szólok, elsiklanak felette. Ez egy fórum, egymásból is tanulunk, amit leírunk nem csak magunknak szól, később is olvasni fogják, és esetleg tanulnak is belőle. Ezért írtam így, mert figyelemfelkeltő, hogy hogyan lehet olyan hibát elkövetni, ami később lehet hogy nagyon tud fájni (pld tönkretesz valamit, amivel nagy kár ér, és még a tápot is szét kell szedni). A hangulatjelek nem gúnyos kacaj, hanem vigyorgás, arra vannak másikak, nem sértegetésnek szántam. Lehet "szárazon" is írni, de néha egy kis vigyorgás nélkül kutya az élet.
Tehát nem csak neked szól, hanem mindazoknak, akik időzitett bombát rejtenek a labortápjukba, amit később esetleg el is felejtenek, és ebből lesz a baj aztán. Sajnálom ha megsértődtél, én nem ócsároltam a tápodat.
Ja hogy Freddi a termikus kapcsolat hiányosságaira utalt (hőhíd). Ez esetben Freddivel értek egyet.
Én is csak az első pár képet néztem meg tegnap.
Nincs szó semmilyen sértődésről!
De úgy látszik nem írtam elég hangsúlyosan, hogy megértettem mindent, és majd megcsinálom olyanra, ha lesz időm és kedvem hozzá. De szerintem hanyagoljuk ezt a témát, mert egy helyben forgunk a hülyeségben.
Sziaszok! Van egy 24V-os 100VA-es trafóm (4,16A). Szeretném megépíteni Attila86, az oldalon bemutatott tápját. Azt szeretném kérdezni, hogy mit kell megváltoztatnom, hogy 3A-es legyen?
Köszönöm!
Semmit! Örülj neki, hogy egy kicsit nagyobb, jobban birja majd a strapát
![]() 3A-es táphoz én is pont ekkora trafót használok.
Üdv.!
Gyakorlatilag semmit. Az a konstrukció eleve 3A-t tud, én szándékosan csak 2A-re korlátoztam mert a panelmérő 2A felett túlcsordul. Maga az áramkör 3A-t ettől függetlenül képes leadni. (A készülő "Labortápegység II" már 'hivatalosan' is 3A-os lesz...) Üdv.: Attila
Proci 85: azt hiszem félreérthetően fogalmaztam, nem a trafón szeretnék változtatni,hanem a kapcsoláson.
Attila86: tehát a kapcsolás maradhat, de mit kellene módosítani a panelmérőn, hogy 3A-ig mérjen? Csak az áram kijelzése érdekel, mert készítek hozzá külön voltmérőt. Az áramot mivel tudom beállítani, hogy max. 2 helyett 3A jöjjön ki? A BD245 fogja bírni ezt az áramot, és esetleg az R1-es ellenállást nem kell-e nagyobb teljesítményűre cserélni? Tudom sok a kérdés, de nem szertnék vele utólag bajlódni. Amúgy nagyon tetszetős kis labortáp. Köszi! Idézet: „tehát a kapcsolás maradhat, de mit kellene módosítani a panelmérőn, hogy 3A-ig mérjen?” R26-ot cseréld ki 4,7k-ra. Idézet: „Az áramot mivel tudom beállítani, hogy max. 2 helyett 3A jöjjön ki?” Ezt leírtam a cikkben. (P1) Idézet: „A BD245 fogja bírni ezt az áramot, és esetleg az R1-es ellenállást nem kell-e nagyobb teljesítményűre cserélni?” Ha ezekkel gond lenne, akkor írtam volna! A BD245 rövidre zárás esetén izzadni fog cefetül, de a gyakorlatban bírja. Ha netán mégis elfüstöl, akkor majd mutogatok az "okleveles villamosmérnök" Urbán Pityura, hogy azt oda ő találta így ki. :yes: R1-en 3A kimenő áram esetén 1,35W disszipálódik, de a tokozása 2W-ot bír el.
Csjoska!
Csak úgy kíváncsiságból kérdezem; külön feszültség-mérőt azért szeretnél, hogy egyszerre láthasd a feszültséget és az áramot is? (Ezt sokan mondták már, azért a táp továbbfejlesztett verziójában már két panelmérő lesz, úgymond közkívánatra.)
A füstről olvastam egy bölcseletet:
"Az IC-k füsttel működnek. Ha kijön belőlük a füst, nem működnek tovább." - ismeretlen szerző
Pontosan, jobb látni egyszerre a dolgokat, nem pedig átkapcsolgatni. Ha a tranyó nem fogja bírni a kiképzést, akkor lehet beteszek egyet mellé párhuzamosan (ha lehet). A két kijelzővel hasonlítani fog erre a labortápra, csak átszámítva forintra nem 36000-be kerül, mint a belinkelt, hanem csak 7000 Ft-ba.
A labortáp II pedig ilyesmi módon fog kinézni:
Bővebben: Kép Az "SMPS Labortápegység III" pedig sokkal jobb lesz mint EZ, ráadásul 140.000Ft helyett csak 45.000Ft lesz.
Sziasztok!
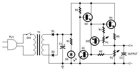
Szeretném megépíteni a csatolt képen látható labortáp kapcsolást. A kimenetét 0.7 - 24V, 50mA - 2A lehet álítani. Nos a kérdésem az lenne, hogy milyen potméter szükséges a P2 helyére? A kapcsolásból ítélve el kell bírnia 24V-ot és 2 A-t. Nem tudom de szerintem egy sima mezei potméter nem bír el ekkora feszültséget és áramerősséget. A leírást is csatoltam! Válaszotokat előre is köszönöm!
Normál 1W-os poti jó lesz.
A kapcsolással valami más gond van,ha jól emléxem ez ki is lett tárgyalva a ebben a topicban,de azt ne kérdezd mikor. Talán egy fél éve.
Igen, nekem is rémlik hogy erről a kapcsolásról már volt szó itt korábban.
Hehe... Megtaláltam. A helyedben elvégezném a proli007 által javasolt módositásokat.Bővebben: Link
Köszönöm Szépen a segítséget
elolvasom az erre a kapcsolásra vonatkozó hozzászólásokat.Üdv!
Hello! Újabb probléma: a szaküzletben már nincs, és nem is lesz BC182 típusú tranzisztor. A helyettesítésére ezt a 2 típust néztem ki: BC546 és BC547. Valamelyik megfelel a célra? A hfe érték számít?
Köszi! |
Bejelentkezés
Hirdetés |




Csak a "kézi vezérlés"védi meg, ha nem téved a saccolással. 
elolvasom az erre a kapcsolásra vonatkozó hozzászólásokat.




