Fórum témák
» Több friss téma |
Sziasztok!
Egy projektben vagyok, és egy kicsit elakadtam. Egy gázégőt kéne szikráztatóval beindítani, amit a szikráztató kábelén keresztül figyelnem kéne, hogy létrejött-e a láng. Egy kábelen a nagyfeszültség, és a lángőr, hogyan oldható meg, hogy a PIC kontroller ne fügyüljön ki a helyéről. Konkrét kapcsolás jól jönne. Mivel vezérlés, mikrokontroller, ezért nyitottam ezt a fórumot, mert máshol még a nyomában se volt téma. Köszi a segítséget
Szia!
A legtöbb Vaillant, Wiessmann, stb. gázkészülék vezérlője így működik. Nincs egy szerelő ismerős a környékeden, aki cseréli ezeket a beázott, villámkáros, paneleket? Arról vissza lehetne rajzolni ezt a részt.
Szia
Sajnos nincs, és ez az én bajom.
Én vennék valami kész gyújtásvezérlőt. Honeywellnek, Brahmanak, Sit-nek vannak ilyenjei kompletten. Ezek valószínűleg nem állanak szóba halandókkal, így én valami OEM-et vennék. Nem tudom a gázszelepet mivel vezérlitek de van olyan ami a modulációs szelepet is tudja. Igaz nem olcsók, de cserébe a safety kritikus részét is elviszik a bulinak.
Például Sanuier Duval F24 gyújtásvezérlő: https://www.fokabt.hu/saunier-duval-Gyujtopanel-Renova-F-0020027631UGY Ez pld. két opto a digitális panel felől. Mondjuk ez pont turbósé de a C24-hez is ugyanez a panel van csak másik cikkszámmal meg kicsit más BoM-al. Nem tudom mennyi ilyet akartok eladni, de ha csak ilyen pár darabos a terv akkor simán megéri. Régen a nagy kazángyártók is elkülönítették a gyújtásvezérlőt az elektronika többi részétől, de aztán ez elmúlt: integráltak mindent egy panelre (gondolom a költséghatékonyság jegyében). A hozzászólás módosítva: Márc 24, 2025
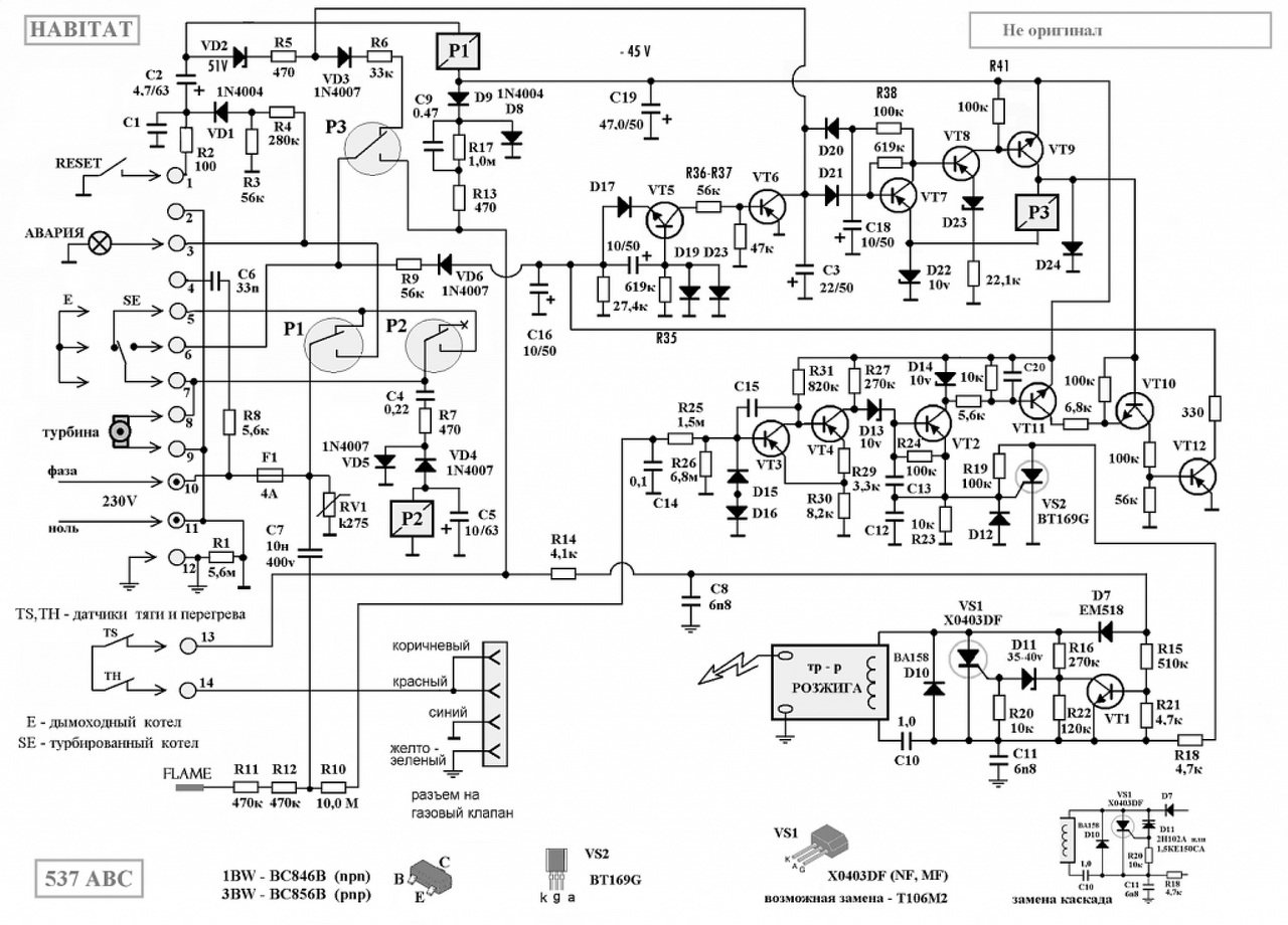
Nem sok lángőrös kazán rajz kering a neten. Átnéztem a gyűjteményem, elvileg 2db-ot találtam eddig összesen, de abból az egyiknél az Aristol felirat a rajzon és az, hogy +5V van a lángőrön arra mutatott, hogy hanyagoljam.
A másik ígéretesebb, hasonlít arra, amit eddig láttam ilyen paneleken, ezt felrakom.
Ha jól látom, ez is "láng egyenirányítós", de szerintem nem "egy vezetékes".
Amúgy hihető a rajz.
Csak ötlet esetleg.
![]() Ha gyújtás tényét pl. egy induktívan becsatolt tekerccsel figyelnéd? Illetve a lángot lehetne termoelemmel figyelni, ami néhány mV állít elő a láng hatására. Ahogy a kazánokban is van.
Köszönöm, de a kész panel nem opció a projektben.
Szia!
A termoelem által leadott néhány 10 mV-os feszültség figyelése lehetséges, mint ahogyan egyes konvektoroknál is használják tájékoztató jelleggel a felhasználónak műszerrel, vagy LED-del jelezve. Viszont a termoelemet csak olyan kazánoknál alkalmazzák, amikben van őrláng. Begyújtáskor is lassabb, mint az ionizációs lángőr, ami viszont sokkal lényegesebb, hogy a láng megszűnése után akár 15-20 másodperc is eltelik a lekapcsolásig. Az ionizációs rendszernél ez a retesz idő 1-2 másodperc, utána kiáll hibára, vagy teljesítménytől, kialakítástól függően a szellőztetési idő után próbál újra gyújtani.
Én megpróbálnék egy autó "ceruza" gyújtótrafóval operálni. Fix tápot igényelnek, legtöbbször TTL jelre tudnak gyújtani és egy részük tud valamiféle ionáram detektálást.
Egy gáztűzhelynél sincs őrláng. Jó tudom a késleltetés. Csak ötlet volt.
De az ionizációs rendszerekhez, akkor nem jó.
Szia!
Ez az UV fényre működő -nem lehet opció? .Ennek csak rálátás kell a lángra. Amúgy meg hanyagolnám az egyedi megoldást.Ha este 11 kor megáll (esetleg hétvégén ) ki fogja tudni elinditani? A hozzászólás módosítva: Márc 25, 2025
Hogy sikerül egy JPG képet jfif kiterjesztéssel menteni? Ahha...
A hozzászólás módosítva: Márc 26, 2025
Idézet: „Ha este 11 kor megáll (esetleg hétvégén ) ki fogja tudni elinditani?” Szerintem ez egy elhanyagolható probléma a "mi van ha a kialszik a láng, de nem zár el a gázszelep" témakörhöz képest.
Szia!
Valóban sok szempont van ......... |
Bejelentkezés
Hirdetés |







