Fórum témák
» Több friss téma |
Ha a soros diódákat felerősíted egy kapuval, akkor a feszültségosztó hatást el lehet kerülni... :hamm:
A kiemelt alkatrészekből kell a szülséges lépésszámot kialakítaki. Egy próbát mindenesetre megér!? :dumcsi: Jó kisérletezést! _jani_ :yes:
Köszi, hogy ilyen sokat fáradoztál értem! Kicsit bonyolultnak tűnik már az egész, kicsit jobban bele kellene ásnom magam, hogy jól megértsem, és össze tudjunk hozni egy egyszerő, működő kapcsolást!
köszi szépen!
ezeket csak ki kell egészíteni még, a piros részből kell még pár darab, hogy 9legyen, és úgy jó is lesz? Még annyit kéne megoldani, hogy az astabil multivibrátor ütemére váltson. Nem lenne egyszerűbb megoldani az egészet egy mikrokontrollerrel? Van feleslegben egy 16F877-em! Ha meg lehetne, akkor még külön astabil multivibrátor sem kellene. Csak azt is jó lenne valahogy megcsinálni, hogy az ütemeg gyorsítani-lassítani lehessen.
Szerintem IGEN! Csak ki kell egészíteni 9 kimenetre.
. A 16F877 egy másik téma tárgya (Lásd: Mikrokontroller). Azzal is meg lehetne oldani ezt az egyszerű feladatot. Mivel van A/D egység a 16F877-ben, a potis állítás is biztosan megoldható... . Akár egy egész számitógépet is betudnak intedrálni egy CHIP-be /Lásd: Microcontroller /. Ezután mi fog következni???
hello!
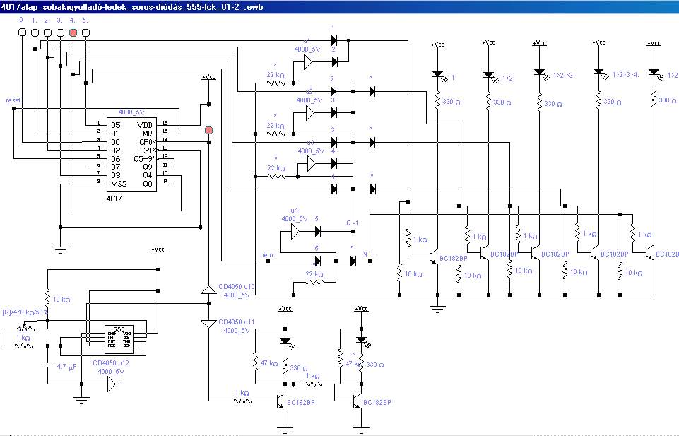
elkezdtem megtervezni a vezérlő panelét! ha van időd, átnéznéd nekem, hogy jól csináltam-e?
Csatolom a vezérlő panel rajzát GIF-ben! Még nincsen teljesen kész, még sokminent be kell rajzolni.
Az utolsó lépést a Reset lábra kell mindig kötni? Mert akkor gond van! Mert ha az utolsó lábra kell kötni a resetet, akkor viszont a 0-ás lábra kell kötnöm az első LED-et, és akkor nem lesz olyan állapotom, hogy nem világít egy sem! Vagy meg lehet oldani a resetet máshogy is? Vagy az jó, hogy a 0ára kötöm a resetet, és akkor a sor elején resetel? Vagy ha végigért mind a 10 lábon, utána újraindul magától is?
Ha a 4017-nek mind a 10 lépése kell, akkor e RESET-et csak simán testre kell kötni a CE engedélyező bemenettel egyűtt.
köszi, akkor így jó lesz! átnézted az eddigi tervet, hogy jól Beszászoztam a diódákat, hogy hányas bemenetre kell kötni a 4017-re!
Egy kicsit még lehet rajta csiszolni de Alakul a rajz! :yes:
A CD4050-esnek a tápfeszültségét majd huzallal kötöd be?
Lehetőleg nem akarok huzalozni. Még rengeteg munka van a panellel, mire jól kialakul! Egy-egy tranyó el fog bírni 15 LED-et?
Ha univerzális ledet használsz, azt rendszerint 20mA-val lehet meghajtani. 15*0.02A = 0.3A. Tehát ha mingen led világít az egy tranyóra jutó áram 300mA. A BC182-es MAX 200mA-t tud átengedni magán. Ha csak 60%-a világit a ledeknek talán elég is lehetne. De nemérdemes kísérteni a jószerencsé.... Ezért érdemes inkább BC 337 vagy BC 338-ast beültetni! Ez a típus MAX 800mA-t tud átcsorgatni...
rendben, 0.8A elég lesz betünként bőven! És hány V kell a LED-ekre, vagyis az e,gész körre? Szóval az áramkört hány Vra tervezted?
A VCC = 5Volt-tal. Tehát 5Voltos a kapcsolás...
[off]De a CMOS IC-k akár 15V-is mehetnének! Csak a ledek áramkorlátozó-ellenállásait kellene újraszámolni. / 680 - 1K / [/off)
Ok, 5V tökéltes! Csak az a gond, hogy az ha stabilan kell, és 2.4Are stabilizálni kicsit nehézkes!
Egyszerűsíthető valamejest a kapcsolás, és igy talán nem kell a nagyáramú stabilizátorral bajlódni!?
Elég csak a vezérlést stabillá tenni! A ledeket a stabkocka "nyers" egyenfeszültségérő is táplálhatod (Ez kb. 7V DC) . Persze a trafót és az egyenirányitórészt igy is a nagy áramra kell méretezni, és a nyers buffer feszültséghez kell méretezni a ledek áramkorlátozó ellenállásait!... Egy próbát mindenesetre megér!
Sziasztok.
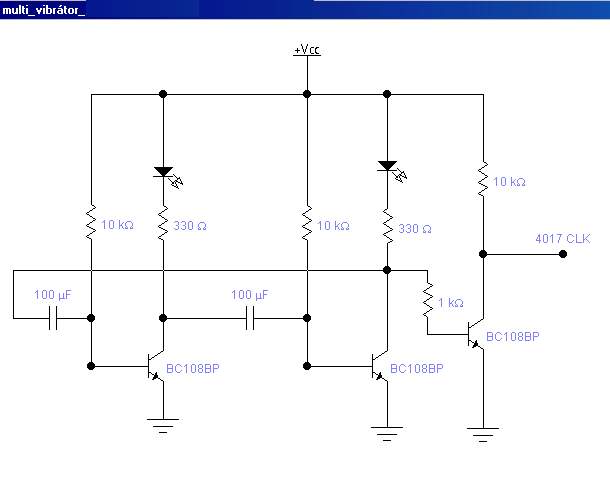
Egy kis őtletadás a "LED-ek sorban történő léptetése" fórumtémába. Ez a kapcsolás a 74154 re lett elsősorban kialakítva, és annak a paramértereit vettem figyelembe, de egyéb számláló 6 dekódoló áramkörökhöz is használtató... A kijelző egy 16Szegmenses Közös Anódú LED-kijelző. A kiírni kívánt kerektert jumperekkel lehet deállítani, és ezeket lehet egymás után léptetni... A kapcsolást értelemszerüen kell kibővíteni.... Ajánlom robbbb nak! Üdv.: jani_
Mivel ekkora az érdeklődés
és pont most jutott a kezem közé egy jó könyv, ezért had idézzek belőle néhány sort:Idézet: :yes: „ Részlet „Lambert Miklós, optoelektronikai hobby” C. könyvéből! /24 oldal: … Közismert az egyenáramú körökben való alkalmazás. Itt szükséges előtétellenállást a tápfeszültségnek a LED nyitófeszültségével csökkentett értékéből és az átbocsátandó áramból Ohm törvényével határozhatjuk meg (Re = (Ut –Uf ) / I) Lényegében egyenáramú alkalmazás, ha a LED-et a jól ismert TTL digitális integrált áramkörök logikai állapotainak üzem közbeni kijelzésére akarjuk felhasználni. Ebben az esetben nem mindegy, hogy mekkora áramot vonunk el a LED meghajtására, hiszen ez a további áramkörök működését teszi lehetetlenné. Ezt úgy is megfogalmazhatjuk, hogy csökkenti az áramkör terhelhetőségét („fan-out”-ját).A TTL áramkörök „totempole” kimenetére illeszthető LED jelzőlámpa bekapcsolását mutatja a 17a ábra. … Mint látható, a dióda logikai L szintnél világít, amelynek szintjét megemeli, csökkentve ezzel a kimenetre kapcsolt – negatív terhelést képviselő – demenetek lehetséges számát. A 3. táblázat a normál-, a 4. táblázat pedig a teljesítménykimenetű kapuáramkörökhöz illesztett jelző-LED munkaponti áramát, előtétellenállását és a lecsökkent terhelhetőségét (F) tartalmazza. Amennyiben ellenkező értelmű, tehát H logikai szintnél kívánjuk, hogy a dióda világítson, a negatív pont felé kell a jelző LED-et kacsolni, a 17b ábra szerint. Ekkor az áramkör terhelhetősége nem csökken, hiszen a diódás áramkör inkább növeli a terhelhetőséget. Arra viszont vigyázni kell, hogy túlzottan ne csökkenjen le a kimenő feszültség H szint esetében. Az erre vonatkozó adatokat az 5. táblázat tartalmazza. / s további érdekességeket lehet a könyvből megtudni / … ”
Hello
Szeretnék olyan kapcsolást készíteni amellyel egy nyomógombbal lehet vezérelni ledeket. Egy sor ledről van szó mlyek külömböző színűek és két féle áramot kaphatnak. Az eggyik normál 3v-t a másik külső körülménytől függően válltozhat 0 és 3v között. 8 funkciót szeretnék neki adni és azt ezzel az egy gombbal vezérelni. Ugy képzeltem el hogy ha bekapcsolom, Pl a kék led világítson 3v-ról ha megnyomom már a fehér és igy tovább malyd a vátozó árammal is szépen sorba. Paróbáltam egy ilyet építeni csak nagyon nagy lett volna és sok áramot vett volna fel a sok nagy alkatrész miatt. minnél kisseb helyre kell hogy elférjen ezért gondoltam IC-s megoldásra de nem értek az IC-hez. Keresgettem de nem tudom a rendszer nevét ugyhogy ha már van ilyen téma légyszi irányítsatok át. Viszont rátaláltam a "nyomógombos átkapcsoló"-ban leírtakra de a demultiplexer erre nem jó. Vagy csak én nem találtam olyat Ha segítenétek egy ic nével vagy egy áramkör leírással azt nagyon megköszönném.
Huhhh... kaptam egy nagy pofont a moderátortól mikor áttette ide a témámat
de nagyon jól tette hisz erre kértem nem Szinte mindent tudok már csak az a nagy gondom hogy nekem csak 3v-om van és azis csak egy 1300mAh akkuról ugyhogy valami kis fogyasztású IC kéne. Nem tudtok ilyet? THX előre is
Igy látatlanban, szerintem egy alacsonytápfeszültségű PIC felelne meg neked erre a célra a legjobban. Mert van olyan tipus ami 3V-ról is kényelmesen üzemel. PL: PIC16LF627; PIC16LF628. De mivel a PIC-ekkel még én is csak ismerkedek, ezért a program megírásában nem tudok neked segíteni. De hátha lesz valaki aki aki tud és akar...
A CD 4017 alkalmas volna az üzemállapotok közötti váltásra de sajna 3V nál kezd működni ,mint a legtöbb cmos ic.
Ez a CD 4017 nagyon jó lenne. 3.6v-ról elmegy?
A pic-es megoldás mégjobb lenne de semilyen eszközöm nincs hozzá amivel bele tudnám égetni. Viszont ha valaki megírná hozzá a programot nagyon meghálálnám. 3D modellező és animátor vagyok lehet megtudnánk eggyezni. Mégegyszer THX! :worship:
Nem igazán fog menni a 4017 3.6V-ról
.Viszont egy CD-CD konverterrel akár 1.5V-ból is elő tudod varázsolni a megfelelő 5V-os feszültséget. Erre " Step-Up DC-DC konverterek (MAX856) " ad útmutatást. S hamár van kellő energiád akkor, akár ezt a kapcsolást is megépíthetnéd: RGB LED-es futófény PIC-kel. Esetleg az LF típust kilehetne próbálni ezzel a kapcsolással. Szeritem érdemes lenne a szerzővel felhenned a kapcsolatot! :yes:
S drasztikus méretcsökkentésre alkalmazhatsz SMD alkatrészeket.
Viszont kicsit több kézügyességet igényel a velük való munka...
Jaja én is SMD alkatrészekre gondoltam, szinte már nem is használok mást, de télleg nagyon össze kell zsúfolni és lehetetlen olyan kicsi helyen dolgozni, lpáne hogy 20 darabot kell csinálnom belőle
ezért gondoltam IC-re hogy egyszerű legyen. Jó lenne ez a DC-DC converter de akkor szinte ugyanott vagyok, mert akkor azt még plusszban meg kell építeni. Nemhiszem el hogy nincs egy kissebb feszültségű IC ami ezt tudja. Vagy egyáltalán nem létezik? Ha van akkor csak mondjátok meg hol keressem. Csak hogy a méretben tiszában legyünk egy 18mm x 56mm es nyák lapra kell hogy elférjen és nem lehet vastagabb helyenként 2mm-nél helyenként pedig 5mm-fér el, a képen naggyából lerajzoltam a szitut. Ezért a sok beültetés mellett még elég speciális megoldásokat is be kell vetnem mint pl IC besüllyesztése és társai Ezért szeretnék minnél egyszerűbb és minnél kevesebb alkatrészből álló kapcsolást készíteni. Nekem csak az a fránya IC kéne a többit megoldom.THX :worship:
Nézegettem az IC ket hátha találok valami kissebb feszről meghajthatót és itt találtam egy érdekes dolgot ahol azt látom hogy a 4017 3-voltról megy. Félre ne értsetek nem akarom kétsébe vonni tudásotokat miszerint ennek az IC-nek 5v kell, ezért kérdezlek titeket hogy ez most akkor hogy is van?
THX
Ilyenek ezek a MOS IC-k, hogy 3V-tól mennek...! Ha megnézed adatlapját: DC Supply Voltage (VDD) +3 VDC to +15 VDC
Viszont az NE555-ös 4,5V-ról indul, igy nem tudom hogy működhetett ez "3V körüli" tápfeszről...
|
Bejelentkezés
Hirdetés |








és pont most jutott a kezem közé egy jó könyv, ezért had idézzek belőle néhány sort:


Keresgettem de nem tudom a rendszer nevét ugyhogy ha már van ilyen téma légyszi irányítsatok át. Viszont rátaláltam a
de nagyon jól tette
.
ezért gondoltam IC-re hogy egyszerű legyen. Jó lenne ez a DC-DC converter de akkor szinte ugyanott vagyok, mert akkor azt még plusszban meg kell építeni. Nemhiszem el hogy nincs egy kissebb feszültségű IC ami ezt tudja. Vagy egyáltalán nem létezik? Ha van akkor csak mondjátok meg hol keressem. Csak hogy a méretben tiszában legyünk
egy 18mm x 56mm es nyák lapra kell hogy elférjen és nem lehet vastagabb helyenként 2mm-nél helyenként pedig 5mm-fér el, a képen naggyából lerajzoltam a szitut. Ezért a sok beültetés mellett még elég speciális megoldásokat is be kell vetnem mint pl IC besüllyesztése és társai 





