Fórum témák
» Több friss téma |
Ezt szerintem nem fogod máshogy megoldani, csak ha veszel egy megfelelő (44, 64, 80?) lábszámú, TQFP tokozású mikrovezérlőt és megírod a programot rá. A normál vastagságú NYÁK eleve 1.6mm-es, erre ha ráteszel egy névlegesen 1mm-es TQFP tokot, az már 2.5mm felett van (de még egy QFN is 0.9mm, viszont azt aztán még gányolással sem tudod besüllyeszteni. A TQFP alatt esetleg lehet ablahot vágni és kiegyenesíteni a lábakat, azzal pár tized milliméter nyerhető vastagságban - bár iszonyú gányolás.
Én egyébként 0.8mm-es, félvastagságú NYÁK lemezeket használok ilyen kisebb cuccokhoz, azzal lenne esély 2mm alatt maradni, ráadásul mehetne fóliamintázat is a chip alatt, mert nem kellene ablakot vágni alá. Minden esetre bárhogy állsz neki, szerintem elég nagy kínlódás lesz.
Kínlódásnak kínlódás lesz, viszont gyányolni nem fogok mert az rühellem a legjobban. Nem adok ki a kezemből olyan munkát amivel nem vagyok a legjobban megelégedve. Ezértis a lyukakat nem kézzel csinálom hanem egy CNC-haverom fogja kimarni mint ahogy a rézfelületet is. Nekem ez így könnyebb és egyszerűbben is kivitelezhető mert ugye 3d tervezéssel foglalkozom. Holnap feltöltöm hogy hogyan is képzeltem el a 2mm alatti vastagságot. Megnéznétek ezt az IC-t? Ha jól tudom ez is a 4017 egyik fajtája (ha nem javítsatok ki
) A 13ezt. oldalon lévő elég kicsi és vékony viszont még úgyahogy be tudom ültetni. Szerintetek jó lenne? Vagy nagyon eltévedtem Akkor 3v-ról elmegy. Köszönöm az eddigi segítséget, holnap jelentkezem
Szia!
Az az IC: MM74HC165 Parallel-in/Serial-out 8-Bit Shift Register. Azaz, párhuzamos beírású soros kimenetű léptetőtároló. Ez nem az igaz. :no: A 4017-es 3.6V-os alkalmazásával a gond, hogy a led árama nagyon lecsökken! 1-2mA-ra!!! (Most mértem ki!) Ez a normál ledeknek már nemnagyon elég. Viszont az extrafényes, vagy szuper nagy fényerejű ledekkel még talán adna elég fényerőt. Azt a BSS-esses futófényt össze kellene dobnod egy próbapanelon és mehetne a tesztelés. Kis szerencsével elég fényt fog adni az RGB-led minden szine.
Igen, az 4017-nek tűnik, de a sima CMOS IC-kkel történő felépítés elég sok buktatót rejteget, párat már meg is említettek itt a kollegák.
Viszont ahogy nézem, itt is 1mm feletti vastagságok szerepelnek, ez még a 0.8mm-es panelvastagsággal is épp határeset. Arról nem is beszélve, hogy ha nem gyártatod a panelt, hanem házilag csinálod, akkor mi lesz a furatgalvánnal? Azt csak kézi átkötésekkel lehet megvalósítani, ami tuti nem fog beleférni a kívánt vastagságba (vékonyságba). Nem tudom, milyen finoman tudtok CNC-zni, de azért itt pártized mm-ekre vannak a lábak egymásról, kis pontatlanság nagy szívásokat eredményezhet. A LED-ek is SMD-sek lesznek, vagy azok rendes, furatszereltek? Végül néhány minta, hogy házilagos technikákkal mit lehet elérni (nem egy csúcs, de ez megvalósítható): TQFP44 10x10mm TQFP64 10x10mm
Nagyon nagyok azok a képek
Milyen módszerrel csináltad meg a panelt? A ledek is SMD-k de nem ezen a panelon foglalnak helyet. A CNC ezred mm pontoságú viszont csak egy 1 mm-es fej van hozzá. Lehet venni 0.2mm fejet is de nem tom az mennyire tartós. Max marad a savas maratás bár az szerintem ehhez már durva. A beültetéssel nem lesz gond mert van egy kis kemencém erre a célra, csak ráragasztom a helyére azt mehet be Az a 1-2 mAh télleg nem túl sok. Szerintem ezzel az SMD tranzisztorral fogom megoldani. Szerintetek jó? Úgyis minden a tesztek során fog kiderülni
Ezek mind lézernyomtatós, vasalós technikával készültek itthon, vaskloridos maratóval és hidegónozóval (wolf-os lötyik). Ha ilyet az én gagyi nyomtatómmal lehet, akkor egy jobbal, vagy gyártatva ennél sokkal finomabbat is. A gond az lesz, hogy ha sok apró alkatrészből akarod megcsinálni, akkor az áramköri rajzolat nem fog összejönni sehogy, kétoldalasra kell a panelt csinálni, az meg furatgalvanizálással jár, amit otthon lehetetlenség kivitelezni. Azt sem tudom, 0.8mm-es panelra gyártanak-e kétoldalast...
Szóval ebből vagy NYÁK-gyártatás lesz, vagy ha házilag akarod megoldani, akkor egyoldalasban kell gondolkodni (esetleg a hátoldalon pár átkötéssel), amihez meg az kell, hogy maga a huzalozás ne legyen bonyolult. Ezt szerintem csak valami programozható cuccal tudod elérni, úgy, hogy a rajzolat szempontjából legjobb helyen lévő lábakat kötöd be, és ezeket bizgeréled a programból.
Van egy két egyszerű kapcsolás az "RGB led villogtatása egyszerűen"-ben.
Talán azokat is meglehetne 3.6V-ról éleszteni. ( rgb.zip, és a pack.zip-ben az RGB2.jpg ) Az ocillátor helyett lenne egy nyomógomb a megefelelő prellmentesítéssel.
De akár maradhatna az 555-ös egy gyomógomb inditású MMV-ként is.
Esetleg átapcsolható is lehetne AMV-módba. Ekkor a szineket önállóan váltogathatná... Bár az alapkoncepció nem ez...
Na itt vagyok újra
Feltöltöttem az elképzelésem ide. Egy kétoldalas nyák helyett kettő lesz egymásra fektetve, úgy fognak érintkezni és nem kell semmilyen fúrást csinálni rá csak egymásra fektetem és kész. Úgy kell megycsinálni a marást hogy minden passzoljon. Úgy tervezem hogy a lyukak pont akkorák lesznek mint a bele való alkatrész így nem kell félni attól hogy rossz helyre kerülnek a lábak vagy elcsúszik amíg forrasztom. Igy szerintem a lehető legkissebbre toltam le a kézzel megcsinálandó munkákat ezért sokkal pontosabb, gyorsabb és egyszerűbb lesz a dolog. Viszont egy dolognál elakadtam. A pergésmentesítőnél! Kb 8 kapcsolást találtam a neten és mind szinte ugyanaz volt. Az a kondi nem fog sokat fogyasztani? Mert ugye ere is egy kicsit figyelnem kell. Nincs valami ic vagy valami kissebb dolog ami bevethető erre a célra? THX
Az 555-nek van CMOS változata is, és az felhasználható Smith-triggernek. Ha jól tudom.
Hello.
Egy leden 20mA nek kellene folyni én úgy tudom. a táblázatban pedig 1,5mA a legnagyobb érték. Akkor a led csak nagyon halványan fog világítani nem? Kérlek villanyozzatok fel. Köszi
Up (tudom nem szokás itt upolni, de érdekel a téma)
Ledje válogatja. Vannak kisáramú ledek 2-3 mA üzemi árammal, aztán a "hagyományos" darabok 10-20 mA közti értékekkel, de létezik pl. 100 mA-es is (10 mm-es, 5 chip-es fehér led néven fut a netes piacokon). A lézer meg már külön történet, mint ahogy az impulzusüzemű túlhajtás is.
Szeretnék egy ledes terelőfényt építeni.
Superflux modulokat Bővebben: Linkakarok a kimenetekre kötni, max 5 darabot. (nagy áram, 12 V-os táp) A ledek egymás után felvillannak, majd a villanássor előlről kezdődik. Ehez keresek valami egyszerű kapcsolást.
Az alap áramkör akár >>> EZ <<< is lehetne!
Csak a kimeneteket kell kellőképpen megerősíteni, annyi NPN tranzisztorall ahány LED-et (LED csoportot) akarsz vezérelni.
Hat lépésesre tervezem.
egy modul áramfelvétele 40 mA teljesítménye 0,5 W
Az lenne a kérdésem, hogy a tranzisztoros kimenetűre hogyan építsem át a kapcsolást?
PL:Ezzel a tranzisztoros kapcsolással. Amit itt a PIC kezdőknek cikk is ajánl... Csak a relé helyére a kívánt fogyasztót kell beültetni. S olyan tranzisztort kell választani ami kényelmesen elbírja a terhelést.
Idézet: „... egy modul áramfelvétele 40 mA teljesítménye 0,5 W” A hány modult kapcsolsz egy kimenetre?
Közben az oldal címet váltott :S
Ennek kivédésére inkább feltöltöm a képeket. Remélem nem probléma... [OFF]( Igaz én gyorsan rá találtam. De hátha mást meg tudok kímélni a hosszas keresgéléstől. )
1 modult akarok egy kimenetre kapcsolni. (max 2-öt)
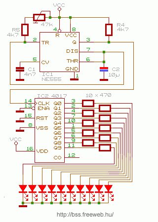
Elkészült a ledes futófény
A kimeneteken egy-egy 3 ledből álló ledmodul van kapcsolva. A 4017 Ic minden probléma nélkül elviseli a modulokat.
Én azért nyugodtabb lennék ha a LED-eket tranzisztorokon keresztül hajtanád meg. Gond esetén mégiscsak olcsóbb egy 10Ft-s tranzisztort kicserélni mint az IC-t.
De tetudod ...
1 napi folyamatos üzem után semmilyen probléma nem merült fel.
Az ic nem melegedett. |
Bejelentkezés
Hirdetés |




) A 13



...