Fórum témák
» Több friss téma |
Fórum » LED-es kivezérlésjelzők
Témaindító: KeserűCukor, idő: Márc 27, 2006
Témakörök:
Szia! Gyártattam a nyákot, itthon csak rajzoltam.
Itt egyáltalán nem a "rondaság" a lényeg. Az erősítő -véleményem szerint- egy nagyon jól átgondolt dizájnt képvisel. Ezt az egységet bűnös dolog lenne megtörni.
De ízlésbéli kérdésekben csak óvatosan szabad sarkosan állást foglalni, így azt teszel amit jónak látsz. Mégis arra intelek, gondold meg jól, mielőtt elrontod.
Nincs ezzel baj. Miért gondolod, hogy elrontom? Ez olyan lesz, mintha gyári lenne. Ha raknék bele hangszóróvédelmet (ha nem lenne benne) , azt se kívülre tenném. Ez inkább modding. Pofásabb lesz, ha már lespórolták.
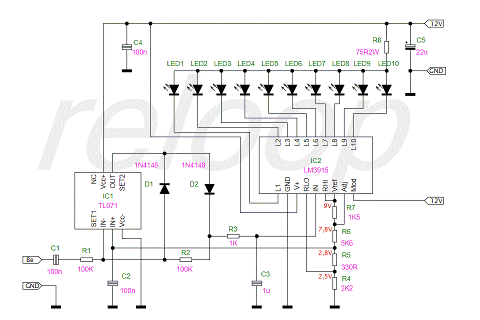
Üdv! Az alábbi kijelző átfogása 47 dB. A részletes leírásra időmből, erőmből sajnos nem futja, de az ötletet megosztom.
Sziasztok!
Szükségem lenne 2db ledes kivezérlésjelzőre amit végfokra lehet kötni, vagyis a végfok kimenetére! Létezik ilyen?
Bármelyik alkalmas lehet erre, ha elé teszel két ellenállásból egy osztót.
Ez pl. nagyon látnványos.
Szia Alkotó!
Köszönöm a segítséget! 2x50 W-os a kimenete a végfoknak. Mekkora ellenállásokra van szükségem? Vagy esetleg ha küldenél egy kapcsolásirajzot azt megköszönöm!
Erre nem tudok értékszerűen válaszolni. Az 50 W itt csak áttételesen számít, a kimeneti feszültség értékére van szükség. Ha 8R-os hangsugárzót tételezünk fel akkor az 50 W-hoz 20 V-os effektív érték kell (4R-os hangszórónál ez 14 V).
Illetve fontos részlet a kijelzőegység bemeneti érzékenysége, mert ezt a két adatot kell egymáshoz illeszteni. Ha találgatunk, azt mondjuk a kimeneti feszültség csúcsértéke legyen 25 V, a kijelző egység bemeneti érzékenysége 500 mV, akkor ez 1:50-hez osztásarányt jelent. Nem kell törekedni a hajszálpontos értékekre, hiszen csupa találgatás az egész, de pl. egy 1k+47k osztó az kb. ezt a leosztást fogja adni, és ezt a 48 k-t már észre se fogja venni a végfokozat kimenete.
Sziasztok!
Tudna valaki feltenni olyan kivezèrlèsjelző lay rajzot ahol 2db uaa170 vagy uaa180 íc hajt 24 ledet monóba? Köszönöm.
Szia, A277-tel is jó? (Mikroelektronika amatőröknek, elektronika sorozat, 101. oldal)
Igen jó .
Fel tudnád tenni ide a kèpet?
Sem a LED-ek számában, sem a megjelölt típusban nem illik a képbe, de az eredmény egy látványos és jól használható (remek a karakterisztikája) kijelző. Nem mellékesen van hozzá többlet panelem.
Nekem, mióta elkészült ez a kedvencem. A hozzászólás módosítva: Dec 12, 2021
Tudnánk!
Nem tudom hogy .lay készült e hozzá, de kapcsrajz van. De az nem tudom hol...mondjuk újból lerajzolni sem nagy kunszt... Bár én telibe elengedném az UAA-t és az ehhez hasonló kihalt jószágokat!
Ez egy kicsivel több led, mint 24, és egy kicsivel több is mint egy kivezérlés jelző, de lefele butítható.
Most még nem jó a karakterisztikája, állítani kellene az erősítésen, és a zaj levágás szintjén, bár kivezérlésjelzőként nem lenne zaj se.. (MSGEQ7, és a BT modul is zajos) ws2812led_spektrum A hozzászólás módosítva: Dec 12, 2021
Sziasztok!
A277D IC-n (ledsor meghajtó) inicializáláskor az összes led egy pillanatra felparázslik, de túl gyors. Hogyan lehetne a felvillanás idejét növelni, pl. egy másodpercre? Látom, a nyugati megfelelője: UAA180, az arwill.hu -n a terméknél ott az adatlap, de erre az inicializálási felvillanásra, úgy látom, nem tér ki. Köszi előre is a segítséget
SZia, ha jól értem a problémát, akkor a bemenetére tett kapacitással lehetne lassítani a kijelzőt.
Hello! Kiegészíted az áramkört így ahogy látod. (Nem írtad meg melyik áramkört készítetted el..)
Idézet: „inicializáláskor az összes led egy pillanatra felparázslik” Ez nem az UAA sajátossága, hanem a körülötte lévő áramkör "hibája" !!
Szia!
Ez, hogy tetszik?
HA EZT VALAKI ÍGY ÖSSZERAKJA, KI IS NYÍRJA AZ ÖSSZES LEDMEGHAJTÓ IC-T, AMIT CSAK BELERAK!!
A 3, 16, és 17 lábon SOHA nem lehet 6 voltnál több!! Itt meg rögtön lesz a 3-as lábon legalább 10 volt!
Szia!
Pedig ez egy rádiótechnika újságban volt, és működik.
Sziasztok. Segítségre volna szükségem.
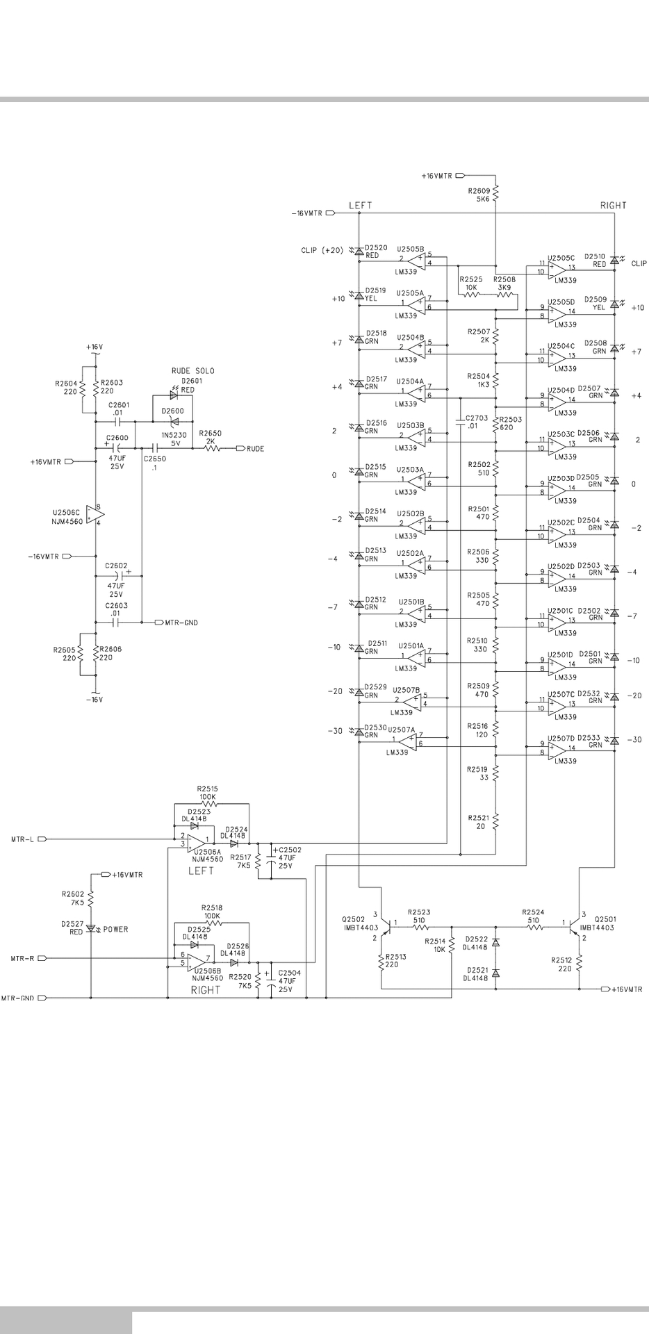
Megépítettem a Mackie 1604 keverő kivzérlésmérőjét, de csak az első 6 led villog egyszerre, magyobb hangerő esetében pedig mind sötét. Mely részen követhettem el hibát?
Szia! Milyen jelre kötötted a MTR-L/R bemeneteket és használtál-e soros ellenállást?
Mérd a feszültséget a C2502/4 47 µF kondenzátorokon! Ha ez a feszültség a hangerővel arányosan változik akkor a komparátor részben van a hiba, ha nem, a csúcsegyenirányítóban.
A fesz szépen változik, zene és hangerő függvényében.
A komparátoroknál lesz akkor valami, de nem jövök rá... milliószor átnéztem, átmértem, nincs szakadás, minden jó, jó helyen van. Ráadásul minden alkatrész új. Komparátor bemeneteit sem cseréltem fel.
Megnézted jol azt a rajzot? Föleg a bal felsö sarokban, hogyan alakitották ki a MTR-GND potenciált?
Nem tudom mi az RUDE jel, de anélkül az MTR-GND a levegöben van. A hozzászólás módosítva: Jún 20, 2022
Az gnd. Itt a tápja, ebből nekem legalábbis az jön le.
Viszont, ha a bemenettel sorosan rakok 100kohmotm mint ahogy a készülékben is van, sőt a behringer xenyx1204-ben is, úgy semmit nem csinál. Biztos valami apró dolgon csúszom el. |
Bejelentkezés
Hirdetés |






















