Fórum témák
» Több friss téma |
Fórum » LED-es kivezérlésjelzők
Témaindító: KeserűCukor, idő: Márc 27, 2006
Témakörök:
Itt nem két külön ic volt hajdanán?
Az egyik led soros, a másik pont kijelzéses volt. A277D(NDK gyártmányú)=UAA180(nyugati gyártmányú) UAA181 volt a pont vezérlős,nem? Már homályos kissé. Ha érdekel valakit, felteszem a BA6137 kapcsolást, pokoli egyszerű és 5 LED.Én régen egy Sharp deck-ben bukkantam rá és megszerettem. Lehet duplázni a LED-eket és akkor lehet 2x10-eset csinálni is belőle.
Szia!
Persze hogy rakd fel, kíváncsian várom! Köszi! szerk: adatlap alapján kísértetiesen hasonlít az AN6884-re!
Ja, és valami rémlik hogy a két ic (180-181) bekötése ugyanaz, csak másképpen működik belül.
Utánanézek.... :lama:
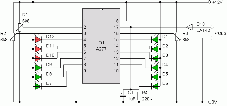
UAA 170 - pont vezérléses
UAA 180 - ledsor vezérléses (=A277) Viszont itt a BA 6137 (Az Eagle sajna nem ismeri, azért lett ilyen a rajz)
Az UAA 180 is megy pont vezérlésbe és sorba is mind a kettőt tudja
mind a kétféleképen meglehet csinálni itt van róla kép
Sziasztok
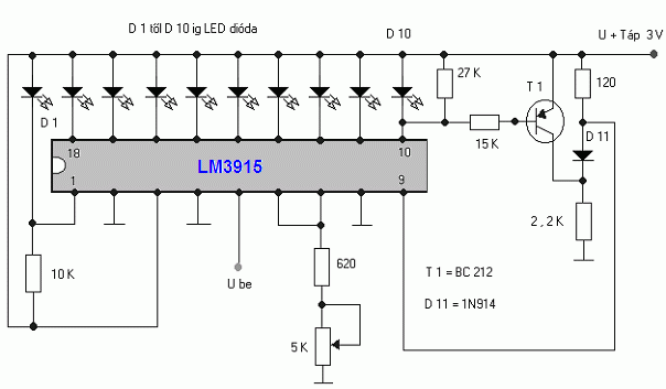
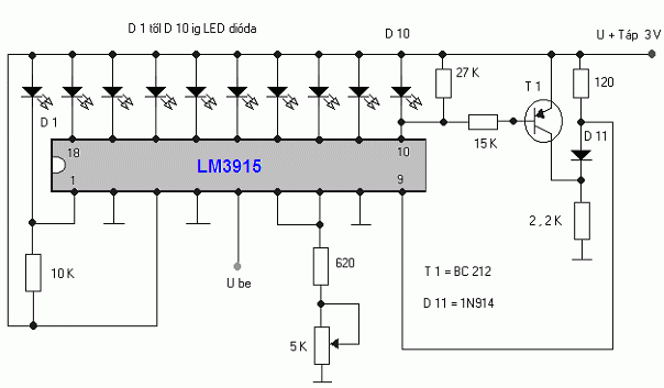
Van egy TA7666P típusú kivezérlésjelzô IC-m, de sehol nem találok rajzot hozzá. Annyit tudok róla hogy 2x5 LEDet tud meghajtani. Ha találtok rajzot jelezzétek megkérlek. Köszi elôre is!
TA7666P
Gúglival találtam elég kevés alkatrész kell köré!jah és az adatlapján is megvan ugyanez! sőt még az is hogy hogyan kell sorba kötni őket! Skip
Na ez lesz az
én nem találtam azóta se semmit Köszönet, Skip és Szilva !
Sziasztok!
Ebben a kapcsolásban, ha nincs a bemenetre kötve semmi, akkor az első lednek kell világítania? (ha a bemenetet rövidre zárom akkor is világít) Mi lehet a gond, hogy világít?
Hello !
Van 1 audio spektrum analizátor kapcsolásom, 2x8 frekvencia erejét jelenít meg frekvenciánként 12 led-el. normál ledekkel ugy működik ahogy kell, de kék ledekkel az a gond hogy mikor az 5.led kigyullad az előzőek elhalványodnak. Tudna vki erre megoldást? Köszi : Norbi audio
Sajnos kevés az áram, amit a lED-ek kapnak. Két megoldás van:
- licseréled a led-eket kisebb fényerejű led-ekre. A 30Cd-es kék led neked bőven elég (gondolom most legalább kb. 120-as van,nem ide tervezték) - ha kell ekkora fényerő, akkor sajna minden led-hez kellene beépítened egy kapcsoló tranzisztor. Ez utóbbi ennyi led-nél bonyolult és szinte felesleges is. Marad az első!
Sziasztok!
Mennyibe kerül kb. a TA7666 meg a KA2281? Sehol sem találom az árát.
Hali!
A kapcsolásban az 51Ohm nem 51KOhm akar lenni? Csak mert az IC adatlapján lévő kapcsolásban nincs ekkora különbség a fesz.osztó ellenállásai között. Vagy jó így is? / TDA2030-as erősítőhöz menne/Bővebben: Link
tuti, hogy nem kéne világítania...
meglehet, hogy a nyákon van vmi rövidzár??? vagy előfordulhat hogy az a tranzisztor nem zár le rendessen.. Skip
Szerintem a Cikkben lévő kapcsolásban másképp illeszkedik a bemenet mint az IC adatlapjában lévőben.
Próbáld ki nyugodtan az 51 ohm-al aztán ha nemjó akkor az 51kohm-mal
Vagy egyszerűen kérdezd meg a cikk írójától, hogy mi az igazság. Emberi dolog tévedni, mindenkivel megeshet, és ha ez történt, a cikk is ki lesz javítva!
Helló mindenkinek szeretnék építeni 1 sztereó 2X6 ledes kivezérlés jelzőt valakinek nincs 1 nyákterve vagy valamie???? előre is köszi
Köszönöm szépen mindenki nevében a felajánlásodat. jól jön a háznál egy kivezérlésjelző. Nekem bármelyik típus megfelel amit ebben a fórumban találsz.
Sziasztok
Még mindig gondom van a csatolt kivezérlésjelző kapcsolás érzékenységének szabályzásával! A rajzon lévő poti csak a ledek fényerejét szabályozza... Én a bementi audiójelet szeretném szabályozni,h ne úgy jelezzen a kapcsolás,ahogy tekerem fel a hangerőt,mert ha pl. hangosabban szeretném hallgatni a zenét,akkor túlcsordulnak a "ledek",és ilyenkor lenne célszerű az érzékenységet lentebb állítani UI:ez sem segít (nem reagál,ugyanúgy müködik,mintha nem lett volna semmi változtatás)Vmi megoldás a problémára? ![]() igy nem fogok nyákot készíteni,ha nem tökéletes ,pedig jó lenne Köszi Tomi
Igen ebben a kapcsolásban ez a szerepe a potinak, szabályozni a fényerőt. Nincs benne az említett 5-ös (input) lábra kötött bemeneti feszültségosztó. ha azt bekötöd és állítgatod akkor teljes hanerőn is elérheted, hogy egy LED sem villan fel. A DOT/BAR átkapcsoló áramkört először hagyd ki. Az csak megzavar
Hi
Mégiscsak jó az ötlet Lehet az ic in-t és az audió in-t én értettem félre akkoriban Azért a kapcsoláson(csatolva) látható potit elhagytam,és áthidaltam,igy az ellenállást a testre kötöttem Az audio in-t a poti eggyik lábára,az ic bemenet lábat a poti középső,még a poti másik lábát a testre kötöttem igy szabályozható is az érzékenység! a fényerőszabályzásnak pedig nem látom értelmét... UI:a kapcsolást azért csatolom mindig,hogy a kedves olvasó tudja miről van szó Tomi
Sziasztok
Csatolom az átalakított rajzot,hogy hogy oldottam meg a érzékenység szabályzását! (a fényerőszabályzásáért felelős potit kihagytam) Köszönöt:ethcbi-nek,és kagkk-nak(#203116) Bocsánat,ha valakit kifelejtettem,most hirtelen ők jutottak az eszembe... Tomi
Sziasztok! Tudnátok segíteni, megépítettem ezt a kivezérlésjelzőt és egy 386-os Fejhallgatóerősítőhöz szeretném használni. Hogy tudom hozzá kalibrálni?
Köszönöm Szabolcs[img]Bővebben: Link
Köss a Kiv.jelző bemenetére egy 10Kohmos trimmert úgy hogy az egyik láb a test, másik a hangbemenet, a csuszka pedig a kiv.jelző bemenet.
Sziasztok!
Lehet még kapni TA7666-ot vagy KA2281-et? Most csinálok egy VU meter kapcsolást ami a kettő közül bármelyik jó, de nekem gyanús a dolog. Üdv.
valójában lehet még kapni de egy kecskeméti üzletben ahol én vásárolni szoktam nem volt és azt mondta hogy külföldön még árulják(gyártják) de HEStoren tuti lehet kapni mert már láttam ott
|
Bejelentkezés
Hirdetés |







elég kevés alkatrész kell köré!
,pedig jó lenne 








