Fórum témák
» Több friss téma |
Mikor beköltöztünk - lassan másfél éve - működött, használtam is (porszívó, masszázsfotel... elég elcseszett egy helyen van a konnektor, a szoba sarkában) aztán egyszer csak mondja a párom, hogy nem működik az aljzat, mert nem megy a porszívó. Sokáig lustaságból nem foglalkoztam vele, mert úgy véltem, kontakthiba. Aztán egyszer szétkaptam, de minden a helyén volt. Nem is értettem, de rádugtam a porszívót, s semmi. Akor összeraktam, s úgy hagytam, de izgatott, ezért rámértem... 1000 éves batár műszerem van, nem nagyon lehet vele mit elmérni... de megnézem újfent.
Akkor valahol tönkrement a vezeték. Keresd meg a konnektor előtti utolsó elágazást, és nézd meg, hogy ott rendben van-e a feszültség.
De most őszintén. Hogy a túróba keressem meg az utolsó elágazást?
Elképzelésem sincs, hogy honnan mehet oda a vezeték. A másik két szobában a fal és a talaj találkozásánál, a fal tövében van körbevezetve (valami szociopata találhatta ki), de sem az előszobában, sem máshol nem látom semmi jelét, hogy lenne valahol vezeték. A hozzá legközelebb eső elektromos egység a fürdőszobai lámpa kapcsolója... Szóval megfogtál, de köszönöm, valahogy megpróbálom. Az a röhej, hogy az egész lakásban csak a konyhában van két helyen süllyesztett aljzat, sehol máshol. Ma szereltem 220-at, a ledek trafójának kellett áram, s a bejárati ajtó feletti biztosíték-táblában láttam, hogy a földelés és a nulla össze van kötve... szóval egy nagy gány az egész.
Keress elosztódobozt a közelben. Valahol a kötéseket meg kellett csinálni.
Az nem okvetlenül szabálytalan, hogy alul a sarokban van vezetve!
hi
asszem tudom a választ, bár szerintem nem nagyon fogsz örülni neki ha jó látom egy felújított panelben lax. és a folyosón járólap lett letéve (valszeg előző tulaj) a nagyszoba ajtótól kb 15-20 cm re megy a fali konektorokhoz az áram a padlóból, nálam ugyanez volt a gond. a kőmíves, ahogy egyengette a padló felületét elnyeste a vezetéket flexel, aztán én azt csokival összekötöttem, de ez már sose lesz olyan mint az eredeti, elképzelhető, hogy nálad is ilyen gond van üdv
Ezt megérteném, ha a beköltözést követően azonnal rossz lett volna a konnektor, de nem. Használtuk, majd egyszer csak annyi. Vagy elképzelhető, hogy csak idő kérdése volt, mikor adja be a kulcsot?
Mindenesetre köszi, még az is lehet - ha nem jutok nevezőre - hogy kihívok egy szakit, hogy hozza rendbe, ha megoldható.
most eszembe jutott, hogy erről a vezetékről nemcsak 1 konektor ment, hanem az egész nagyszoba és még a konyha egyik dugasza is, bár ez nem mostanába volt, leht, hogy mégsincs akkora vész nálad
Sziasztok
A következő dologhoz szeretnék segítséget kérni, egy 500wattos reflektor belébe raknék 112db 8mm-es fehér ledet, 220 voltról üzemelne. hogyan kössem őket? sorba, párhuzamba, vegyesen? előre köszi
Szia !
Annyit mindenképpen sorbekell kötni, hogy a nyitófeszekkel a 230V -ot elérd. Ezeket aztán már kötheted párhuzamossan is. Üdv!
Szia!
tehát, a 230-at egyenírányítom, és 70 db -ort sorba kötök a többit párhuzamosan? üdv
Szia !
Egyenirányitva + 10µF kondival 300V-ra számold a ledek darabszámát. Amúgy segítségnek itt van ez. Link 300V -ra 3.2V -os nyitófesznél 94db LED sorba, és ezek párhuzamossan. R1-el állítod be az áramot amit a ledeken folyatni akarsz. Üdv!
Szia!
Köszönöm a segítséget, az R1 az 68 ohm vagy kohm? üdv
Szia !
Ott 68 ohm, de neked nem ennyi kell. Üdv!
Ugyanez a problémám, kb.100 óra és már nem működik az izzó. Sikerült szétszednem és szeretném leellenőrizni. A felépítés szinte ugyanaz. Én már nagyon régen tanultam elektronikát és nem sok mindenre emlékszem. Az egész szerkezetben van 3 ellenállás, két kondenzátor és egy tranzisztorszerű valami, amelynek négy lába van. Szerintem valamiféle dióda (egyenírányító - jele MB6S). Ennek az egyenáramú részére párhuzamosan van az egyik kondenzátor kötve). Mit ellenőrizzek le és hogyan? A LED-eket hogyan célszerű ellenőrizni? Ha egy rossz, ki kell cserélni vagy át lehet hidalni?
Sziasztok!
Még régebben csináltam egy Led-es lámpát ami teljesen megadta magát. 24V os kis teljesítményű trafóról üzemeltettem, olyan formába, hogy 20mA-esből 7-et kötöttem sorba (ebből volt 3, tehát 3X7) és 100mA-esből 8 db volt sorbakötve, előtétellenállásként egy 10ohm-os 10W-ost használtam, ampermérővel leellenőriztem, mindegyik Led a terhelési tartományon belül volt. Akkor miért van az, hogy mégis ilyen gyorsan tönkrementek? Mégse lenne jó megoldás a Ledek sorba kapcsolása? Ha párhuzamosan kötnék mindegyik Ledhez egy-egy ellenállást akkor meg a trafó se nagyon bírná, annyi áramot elfűtene, az úgy nem lenne gazdaságos. Elképzelhető, hogy a trafó ki-be kapcsoláskor képződik egy feszültséglökés amivel nem számoltam? ha igen, hogy tudom kiküszöbölni? pl egy 24V os stab Ic-vel? Jó volna elméletben megoldani ezt a problémát mielőtt megint ezreket adok ki Ledekre amik pár hét alatt tönkremennek. ha valakinek van ötlete, kérem segítsen , köszönöm
senkinek nincs ötlete?
Nem teljesen világos, hogy hogyan voltak bekötve. Volt a trafón graetz, és utána voltak a ledek? A ledekkel sorba volt valami ellenállás? Mert ha nem volt ellenállás, akkor a hálózati feszültség megemelkedésekor simán jutott nagyobb áram a ledekre, és attól tönkremehettek. Ha a lökéstől akarod megvédeni őket, akkor a ledekkel párhuzamosan kell egy kondenzátort kötni. Valami 220-470µF-os példányt.
Hali
A graetz után van egy 1000µF elko. 7db 20mA es led volt sorbakötve (ebből volt 3 garnitúra) és 8db 100mA es és az egész elé raktam egy 10ohm 10wattos ellenállást. Először a 20mA-es ledek haltakbe. (elkezdett villogni, majd kampec) tehát nem egyszerre. legutoljára a 100mA-esek égtek ki. nyilván nem az összes szállt el, hanem csak 1 (a leggyengébb láncszem) minden garnitúrában. A lényeg az, hogy nem akarok így járni mégegyszer + párhuzamosan se akarom kötni a Ledeket, ezért kéne valami egzakt megoldás. köszi üdv
Külön illett volna ellenállást tenni minden csoport elé. Ahogy a led melegszik, változik a nyitófeszültsége, emiatt lehet, hogy hideg állapotban jók voltak az áramok, de fél óra múlva már nem biztos. A 100mA-os ledek meg szerintem hűtést igényelnek. Ha az nem volt, akkor csak simán a túlmelegedéstől is tönkremehettek. A soros kapcsolástól nincs jobb módszer, esetleg lehet áramgenerátort használni az áram beállítására. Akkor nem fognak az áramok függni a hálózati feszültségtől.
Ehhez a fajta ledhez nem tudok hűtőbordát tenni, hagyományos kivitelű, csak nagyobb méretű, enyibe külömbözik.
Ez az áramgenerátoros megoldás érdekel, az már elég biztonságos lenne. Tudnál esetleg egy kapcsolást ajánlani ami 200-250mA tud produkálni, hálás lennék. üdv
Az olyant a lábain keresztül kell hűteni. Megfelelő méretű fémszigetre kell forrasztani rövid lábakkal, ami el tudja vezetni a hőt.
Az áramgenerátort is mindegy egyes soros kapcsoláshoz külön kell építeni. Nem lehet megúszni egyetlen 250mA-es áramgenerátorral a dolgot.
Értem! de melyiket válasszam? mert több félét is láttam a weben.
Valami szuperpe féle áramgencsit is találtam, azt lézerdiódához készítik, kicsit egyszerűbb kellene, meg szerintem azért egy led messze nem olyan kényes mint egy lézerdióda
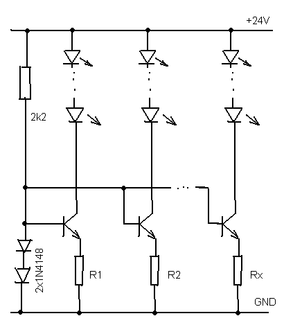
Na valami ilyesmi kellene neked. Az R1, R2,...,Rx értékét úgy kapod meg, hogy a 0,7V-ot elosztod a szükséges árammal. Ha 100mA kell a tranzisztor kollektoránál, akkor 7 ohmot teszel az emitterébe. Ha 20mA kell, akkor 35 ohmot. Illetve előtte mérd le egy valamekkora ellenálláson, hogy pontosan mekkora feszültség jut oda az emitterre, hogy pontos áramértéket lehessen beállítani. A 0,7V az egy körülbelüli érték.
Húúú... ez egész kivitelezhetőnek tűnik! Köszönöm!
Milyen tranzisztort használjak? van egy rakás BD901 esem. az jó oda? mégegyszer köszi üdv
ok kipróbálom, természetesen,
viszont azt néztem, hogy ez darlington tranyó, ... na mindegy majd látjuk, hogy jó lesz-e üdv
heló lenne 1-olyan kérdésem hogy 14 3v- voltos led sorba van kötve mekkora áram kell neki hogy ne égjen ki elöre is köszi ????
Potosan akkora, mint amekkora egy LED névleges áramerőssége.
Hali
összeraktam egy próba kapcsolást és azon kísérletezgetek, Tapasztalataim: nekem 1N4007-es diódából van egy csomó, úgyhogy azt használok (3db kell) meg BD901-es tranyót, 100mA-nál már igényel egy hűtőbordát, de nem azért mert nem bírná, csak mert megfigyeltem, hogy ha melegszik akkor az áram is megy felfelé. a 2k2 ellenállás helyére meg betettem egy 10k-s potit, azzal meg lehet csinálni a finombeállítást, mivel nekem 7 ohmos ellenállásom nincs, de nagyonjól tartja az áramot. Amin meglepődtem: a tranyón sincs nagy veszteség, kb 20-25 % disszipál el, így 100mA nál az egész 120mA fogyaszt. Ha lesz időm megcsinálok neki egy panelt ami 5 Led csoportot ki tud szolgálni. mégegyszer köszi. üdv
Hűtőborda nélkül is jó lesz az, csak úgy kell beállítani, hogy meleg állapotban legyen az áram a normális. Akkor hideg állapotban az áram csak kisebb lehet. Az a 120mA nekem kicsit soknak tűnik. Ha a tranzisztor kollektorára 100mA megy be, akkor a 2k2 ellenállással sem lenne szabad kb. 110mA-nél többnek folynia.
|
Bejelentkezés
Hirdetés |










