| Fórum témák 
 
 » Több friss téma | 
 
				Segítséget szeretnék kérni. Csatolok egy videót, hogy mit is szeretnék megvalósítani. Ha valaki tudna benne segíteni. Videó Tehát egy kapcsolás kellene nekem. Arra gondoltam hogy led szalag darabokból csinálnám meg ezt. A hozzászólás módosítva: Okt 12, 2014 
 
				Hello! Megrajzoltam, remélem ezt szeretnéd. De a Simpi által ajánlott témába raktam le.						 
				Kedves Fórumozók! Az alábbi problémával kapcsolatban szeretnék segítséget kérni: Van egy csodás törökök által gyártott LED lámpám. Belül 40db 0,5W-os SMD LED sorba kötve. A Driver 24W-os, 300mA kimeneti árammal 24-90V kimeneti feszültséggel. A lámpa fényereje minden különösebb ok nélkül ca. A felére csökkent és csak a kapcsolás utáni pillanatban világít teljes fényerővel. A végpontok között 50V körüli feszt. mértem. Van esetleg valakinek ötlete arra, hogy mi a hiba okozója? Előre is köszi a segítséget! 
				Itthon szerencsére minden alkatrész megvan hozzá, kivéve a BD140 típ. tranzisztort. A neten keresgélve is csak BD típusúakkal találtam a helyettesítést. Nem lehetne másmilyennel is helyettesíteni?						 
				Üdv! Megépítettem a Skori féle 100 ledes lámpát. Egy ideig rendben működött, de mostanában a kikapcsolás után a ledek folyamatosan világítanak. Ez a jelenség egész éjszakán ( több órán át) át fennáll, míg régebben max 1-2 perc után folyamatos fénycsökkenéssel kialudtak a ledek. Mi okozza ezt? A kondit kisütő ellenállásnál lehet valami gond? Köszönet. 
				Hello! Lehet, csak PNP legyen, és elbírja azt a teljesítményt amit a Led-ek felvesznek. (De remélem nem faszegeket találtál otthon..)   
				Sziasztok! Van egy 50w-os refim 3percig világít utána meg pislog és halványan világít, kis idő múlva újra világít megint pislog. Mi lehet a baja? Válaszokat előre is köszönöm. 
				Nem kielégítő a LED, vagy a meghajtó hűtése. Hibás a LED, vagy a meghajtó. Kontakthiba a a belső összekötéseknél. A meghajtó tápfeszültsége rendben van? Mekkora áram folyik, és mekkora feszültség esik a LEDen? Hány fokos a hűtőborda? Van elég szellőzése, hogy leadjon 50W hőt? 
				Már hidegen is csinálja úgyhogy nincs túl melegedve. Az elektronika kattog mikor elhalványul. Szétszedtem átforrasztottam de ugyan az. Az elektronika üresen 42 volt.				 A hozzászólás módosítva: Nov 7, 2014 Idézet: „Már hidegen is csinálja úgyhogy nincs túl melegedve.” 50W azért elég hamar felmelegíti a félvezető réteget. LED helyet ohm-os terhelést próbáltál? 
				Bele néztem mind világít. fél percig utána diszkózik. Szerinted?						 
 
				Sziasztok Vettem ezt a Bővebben: Link lidibe 5 wattos kis lámpionkát. A problémám az, hogy jelentősen melegszik (kezem nem állja) Nincs beépítve, stabil 12Voltról megy. Szerintetek ez normális? (nem hiszem) Ha mondjuk ráépítek valami hűtőt akkor az élettartamát megnövelem? Üdv 
 
				Szia! Erre nehezen tudsz ráépíteni extra hűtést, úgyhogy használd így. 
 
				5W azt öt Watt. Ennyi hő melegíti az az alumíniumdarabot. Az, hogy a kezed nem állja, nem jelent semmit. Mindenkinek más a hőtűrő képessége, lásd Mucius Scaevola. El kell dönteni, hogy eléri-e a 60-70 fokot. Ha nem, akkor semmi baj. Ha eléri, akkor kérdés, hogy eléggé tud-e szellőzni a körtéd. Ha nem, akkor a szellőzés javítása a megoldás. Ha igen, akkor forszírozott hűtés, vagy nagyobb hűtőborda kell. 
 
				Köszönöm a megnyugtató válaszokat. Lemértem, 0,45 A az áramfölvétel 11,7 V mellett és nem is változik, az pedig 5 W a teljes áramfölvétel. Lehet, hogy hülyeség amit gondolok, de szerintem nem fűtődik el az az 5 watt, mivel, hogy a teljesítmény egy része fény formájában távozik. Üdv 
 
				A félreértések tisztázása végett: Teljesítmény LED esetén a megadott Watt érték csak egy hasonlító, nagyon durván kerekített érték, inkább kategóriát jelöl. 1W LED árama legfeljebb 350mA, függetlenül attól, hogy mekkora feszültség esik rajta. Ez ugye színtől függően 1,8 és 4,2 között van valahol, az infra LEDekről nem is beszélve. A hozzászólás módosítva: Nov 9, 2014 
 
				Hello! "stabil 12 Volt"...az DC vagy AC ? ...mert normál esetben 50 Hz-es 12 V-ról üzemelnek a halogén izzók... 
				A "stabil" kitételt ebben a kontextusban úgy kell érteni, hogy a műszer mutatója áll, mint a cövek reggelenként. Fórumtársnak LED körtéje van, amiben egy meghajtó áramkör van, amiből ritka az egyenáramú GUxx foglalatban.						 
				Helló! Bocsi, ha nem teljesen témába vágó a dolog. Ezt a kapcsolást építettem meg, de elég gyenge a LED fénye, gondolom nem kap kakaót. Hogy turbózhatnám fel kicsit? Az ellenállás kisebbre cserélése nem segít. Annyi a változás, hogy nem kettő pislákoló LED, hanem egy erőseb fényű fehéret kellene meghajtani minimális változtatással, ha lehet. Cseréljek tranyót? 
 
				Szia 12 V DC, PC -tápról megy, és műhely asztal világítás gyanánt vettem. Üdv 
				Hello! Két aksival nem fog rendesen világítani a Led, mert az 2,4V a Led-nek meg 3,2V kell. Ha tényleg 6V-os a fényelem, akkor inkább három aksit használjál és először úgy próbáld.						 
 
				Ez a fajta csatlakozót használom, pont passzol hozzá : Bővebben: Link						 
				A fényelem 5V-os, mert sokalltam a 6V-ot töltésre, de szerintem így is jó lehet 3 akkuhoz.  Tehát az akku kevés, ezek szerint a kapcsolás jó. Kipróbálom, köszönöm! 
				Az 5V fényelem a Szahara közepén és Polinéziában délben tényleg leadja az 5V-t. Nálunk, november közepén nem.				 A hozzászólás módosítva: Nov 10, 2014 
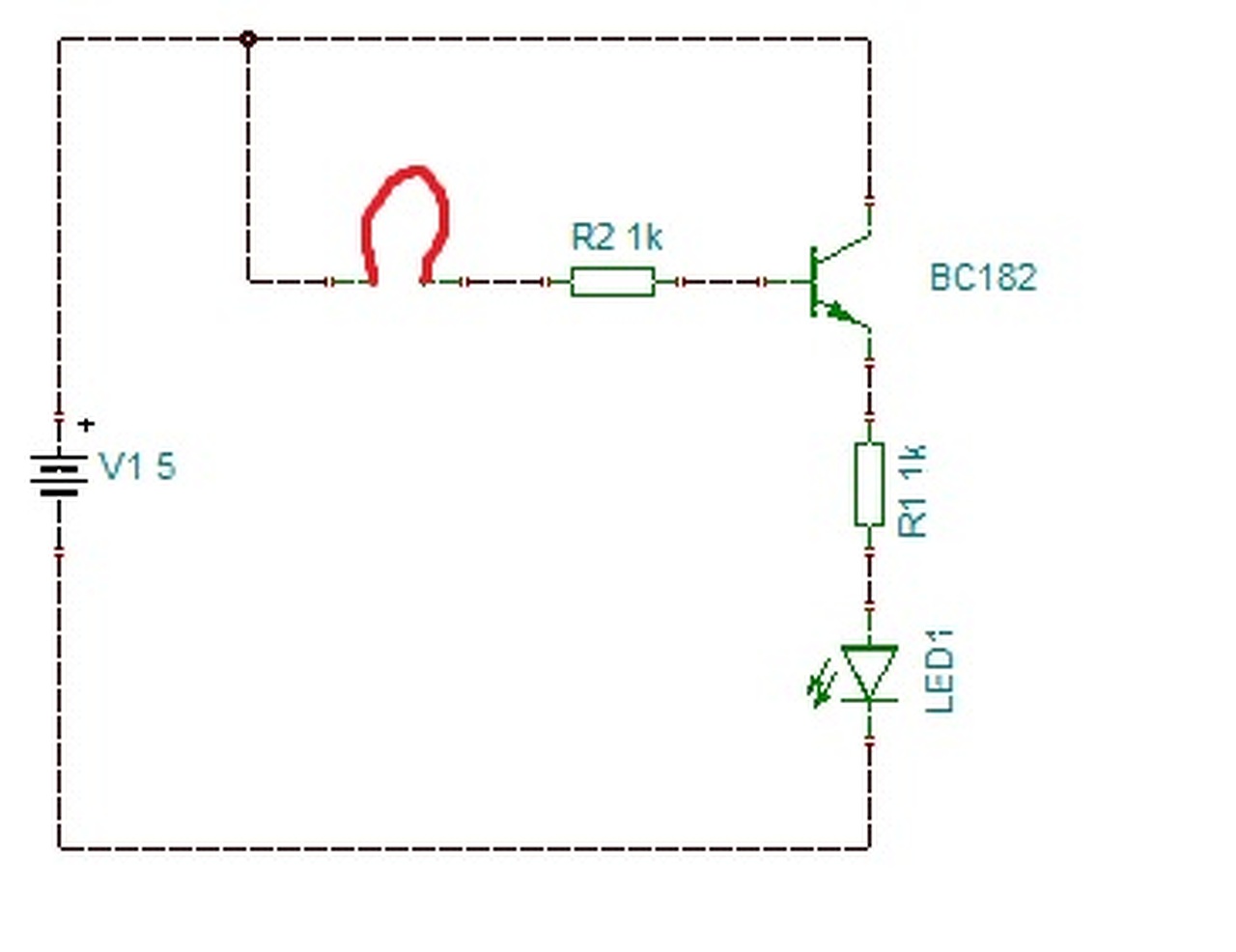
				Sziasztok! Kábeltesztelőt szeretnék építeni, van is egy elképzelésem, mellékelem a kapcsolást. A piros vonal a mérendő vezetéket jelöli. Számításaim szerint 5V-os tápfeszültség mellett a feltüntetett ellenállás értékekkel működne a dolog. Szerintetek is? 
				A LED és az azzal sorba kötött ellenállás ne az emitter és a nulla, hanem a +5 V és a kollektor között legyen. Plusz, a LED-del sorbakötött ellenállás sok, 330 Ohm kell (normál LED esetén) 5 V-os tápfeszültséghez.				 A hozzászólás módosítva: Nov 14, 2014 
				Hello! Nekem egy egyszerűbb kérdésem lenne.. Mit szeretnél tesztelni? Mert ha azt, hogy melyik vezeték vége melyik-hez tartozik, (vagy is a vezetést), akkor miért kell ide egyáltalán tranzisztor?						 
				Vezeték ér folytonosságot szeretnék vizsgálni, szalagkábeleket, LED-es visszajelzéssel. Úgy gondoltam, hogy valamivel igényesebb a dolog, hogyha tranzisztorokkal kapcsolom a LED-eket, mintha egyből azon az ágon lenne a vizsgált vezeték is, tehát tranzisztorok nélkül.						 
				Kábelteszter, folytonosságmérő esetén az alacsonyabb mérőáram nem feltétlenül előny. Nem mutatható ki az oxidálódott csatlakozás, megnövekedett (átmeneti) ellenállás. A vezeték névleges áramával összemérhető jel több információt adhat. Más kérdés, ha áramkörben, kényesebb alkatrészek közelében mérünk.						 | Bejelentkezés Hirdetés | 











