Fórum témák
» Több friss téma |
Az 5V ág könnyedén elbír akár 300 LEDdel, de sorba nem lehet kötni csak a piros/sárga/zöld/infra színűeket, (abból is csak kettőt), mert nem elég 5V a többi színűhöz.
Hello!
Táp teljesítményével akkor jársz jól, ha kicsit magasabbra választod, mint a terhelés lesz. Feszültségét, pedig kicsivel magasabbra, mint a sorba kötött Led-ek feszültsége, de kisebb feszültségűt, mint az érintésvédelmi feszültség határa. Ha kicsi a feszültség (5V) nem, vagy csak keveset lehet sorba kötni, ekkor előtét ellenállás kell, és stabil feszültség. De veszteség biztos hogy összességében nagyobb lesz. Számolgasd ki. üdv! proli007
Ez azért nem ennyire egyszerű. Mi fogja a LED-ek áramát korlátozni? Az oldalon ahol nézelődtél nézz szét alaposabban az áramgenerátor címszó alatt. Ha nem akarod a bejövő teljesítmény nagy részét elfűteni, akkor azok közül is a kapcsolóüzeműeket nézegesd.
Úgy van: ehhez képest elég bonyolult lesz... A bekapcsolás jelzése nem gond, de a "kivezérlés" jelzéséhez legalább annyi tranyó és dióda kell, ahány LED-del akarsz jelezni. Mindezeket a 230V-ról kellene táplálni. Feltehetőleg van egy doboz, amiben elhelyezést nyer a szabályzó, abban elférhet még egy másfél VA-es kistrafó, ami tápfeszt adhatna pl. egy LM3914-es LED-meghajtó IC-nek, amivel a feszt, vagy az áramot kijelezhetnéd.
Ez utóbbit javaslom, ha mindenáron ilyenre vágysz...
ha a kimenetet graetz hídra kötnéd dupla áramot kapnál .
ha zener nélküli kapcsolást csinálnál , ahol a zener helyett fet rövidre zárná a dc kört , (ami után dióda kell sorosan + puffer kondi) és ezt kapcsolóüzemben , (elég hiszterézises nand kapu) vezérled akkor nem fog melegedni se .
Az itt látható kapcsolást hogyan kellene átalakítani, ha a ledeken folyó áram cca 100mA, a fesz 160V DC, ill. ha az áram 700mA, fesz 32V DC?
Segítsen valaki legyenszíves...
Hello!
Ezt nem lehet így méretezni. Lévén, hogy csak váltakozóáramra jó. 160Vdc-re, és 32Vdc-re egyszerű áramgenerátor kell, de figyelni kell arra, hogy a Led-ek összegzett nyitófeszültsége közel legyen a tápfeszültséghez. Ha ez nem lehetséges, akkor/vagy kapcsolóüzemű tápegységet kell alkalmazni. (De 100mA/700mA-re a a kondis megoldás sem lenne jó, még ha váltófeszültség lenne is, mert hatalmas méretű és (fázistolású) kondira lenne szükség.) Amúgy nem írtad, hány Led lenne, mert gondolom nem 25db. 700mA-es. A topik, meg 230V váltóról szól.. üdv! proli007 A hozzászólás módosítva: Nov 2, 2012
Sziasztok!
Érdeklődnék, hogy az alábbi kapcsolás(saját kreálmány) működhet-e, illetve milyen jellegű módosítás szükséges (esetleg). A ledekről annyit, hogy 2,1V nyitófesszel rendelkeznek, és 53 db van belőlük. Szerk: természetesen 230V-ról üzemeltetve-rajzról lemaradt. A hozzászólás módosítva: Nov 8, 2012
Hello!
- Az 53*2,1V=111V. Plusz a 2kohm-on eső feszültség, mondjuk 10mA esetén (mert nem sokkal lesz több) 20V, az 131V, a 63V-os kondin. Nem sok az neki egy kicsit? - A 10-20mA áramhoz szükség van 470µF-os kondira? - A C1 kondit nem 230V-ra, hanem a 230V és a C2 feszültség különbségére kell méretezni. üdv! proli007
Szia! Rajzodból áramkör-szimulátorra következtetek. Ha egy generátort berajzolnál, válasz kapnál a kérdésre.
Ha az ohmképlet emlékeim nem csaptak be elvileg kb 18 mA-re méreteztem.
De, sok neki.... hiba 1. A 470 µF-en gondolkoztam énis hogy akár 100 alá is mehetne, csak beraktam "biztos jó lesz" felkiáltással. Az utolsó részt nem értem. @reloop: Eagle 6.2 A hozzászólás módosítva: Nov 8, 2012
Hello!
- Az első esetben még azt nem is vettük figyelembe, hogy mi van, ha megszakad a Led-sor árama. Mert 53 Led-nél ez már nem elképzelhetetlen. Mert vannak amik zárlatba mennek, vannak amiken ugyan folyik áram, de nem világít, és van amelyik megszakad. Nos, ekkor bizony a kondin, majd 350V lesz. Láttál már 400V-os 470uf-os kondit? Akkora lesz, mint egy pohár. Ide egy 10µF-os/400V-os kondi is nagyon elegáns. - A C1 kondi a soros áramkorlátozó "ellenállás" a kapcsolásban, csak a reaktanciájával kell számolni. De működés közben a rájutó feszültség, a hálózati feszültség és az 53db. Led nyitófeszültségének különbsége. Ez és a szükséges áram alapján kell meghatározni a váltakozóáramú ellenállás értékét, majd az alapján a kapacitását számolni. Természetesen ettől még a kondinak X2 típusú 275V váltósnak illik lenni. üdv! proli007 A hozzászólás módosítva: Nov 11, 2012
Visszafele számoltam. A 111 V-ot ismertem, majd kb 30 V-ot hozzáraktam. Ebből visszafele kiszámoltam az értékeket, és a számolthoz képest megnéztem a szabványos értékeket, majd újra számoltam, és közel megfelelő értékek jöttek ki.
A kondira pedig nincs valami "védelem" ami ha szakad a led-sor, akkor nem pukkantja el a kondit? Skori oldalán láttam hasonlót, de a működését annyira nem értettem. A hozzászólás módosítva: Nov 8, 2012
Hello!
Védelemnek csak egy bazi zéner lenne jó, vagy egy zéner, meg egy tranyó és néhány ellenállás. De attól még elkészítheted a Skori áramkörét, hogy nem érted. Majd kitalálod, hogy működik.. ![]() üdv! proli007
Ez a zéner+tranyó+pár ellenállás érdekelne(tudsz valami "mórickarajzot" küldeni?).
Hogy készítsem el, ha méretezni nem tudom ? ![]() Találtam itthon egy 400 V 330 µF kondit átmérő 30 x 41-es + lábak [mm] Ebben csak az a baki, hogy ez az egy van itthon és legalább 2 ilyen áramkör kéne...
Hello!
Ha a feszültség védelemre gondolsz, Shunt szabályozással, valahogy így lehet védekezni. Írtam, hogy ilyen egyenfeszültségű kondi nem jó erre a célra. De miért nem használsz egy kis adaptert inkább. Biztonságosabb, mint 230V-on szenvedni. 2,1V*20mA=42mW. 53db esetén, ez 2,3W. Ha fel veszteség lenne, akkor sem érné el az 5W-ot. (Gondolom a kondi nF és nem mikro.) üdv! proli007 A hozzászólás módosítva: Nov 8, 2012
Köszönöm. Igen, arra gondoltam, ezt szerintem holnap össze is dobom, utána meg pepecselek majd a ledekkel.
Milyen adapterre gondolsz? Egyébként, ebből szerintem többet tanulok, ha más nem számolgatni, és építgetni mint, egy adaptertől. És egyébként is hobbi ezért meg nem az ár az első. A koncepció(amiért 2-ő db lesz belőle az, hogy világítson(mily meglepő) és a 2-őt lehessen külön-külön meg egyszerre is kapcsolgatni, és még tanuljak is valamit.Többek közt forrasztani, és nyákot gyártani. A kondira µF van írva.(régi ATX tápban leltem)
Üdv! Amit építesz áramkört, az akár halálos áramütést is okozhat. Vedd úgy, hogy ezt pirossal írtam!
Proli007 tanácsa megszívlelendő, ha még kezdő vagy főleg, de akkor is ha gyakorlott.
Hello!
"A kondira µF van írva.(régi ATX tápban leltem)" Most hogy mondod, én meg a váltós kondira asszociáltam. Azt hittem 400V-os 330nF-ot találtál. Akkor tárgytalan. Bármely kis adapterre gondolok, töltő, táp egyebek, ami biztonságosabban használható, mint a közvetlen 230V. A jobbak, minek feszültsége minél magasabb, 12..24V mert ott több Led-et tudsz sorba kötni, előtétezni, és ezeket így párhuzamosan kötni. Led-ek szempontjából is jobb ha nem egy sorba 53db van sorban. Kísérletezni is nem a 230V a legjobb választás. De Te tudod.. Amúgy ez a "kondis előtét" sem probléma mentes megoldás. A kondi váltóáramú ellenállása akkor annyi amennyi, ha a frekvencia 50Hz. De elég egy rossz kapcsoló, hálózati tranziens, és arra már nem lehet elmondani, hogy 50Hz-es szinusz. Ekkor olyan tranziens áram folyik át a kondin, ami bármit legyilkol. Legfőképpen a kondival soros ellenállást, ami pont ilyen okból van az áramkörben. Úgy hogy oda pld. impulzustűrő meglehetősen testes ellenállás, kondinak pedig "öngyógyuló, tűzálló" kell. Mostanság gyártott váltós kondik, meg olyan gyatra minőségűek, hogy akár egy-két év alatt kapacitás vesztessé válik. (Olvass bele a gázkazán topikba, és látni fogod.) üdv! proli007
Sziasztok!
Vettem pár ledes égőt, az egyik rossz volt (gazdaságos 990forintért) gondoltam szétszedem mert kíváncsi voltam a belsejére. Egyenként megnéztem a ledeket, egy nem jó a 29-ből, gondolom ezért nem világít. Méricskéltem a körítést is benne, az első ellenállás 380 Ωos, egy másik 280k Ωos és ezzel párhuzamosan van egy kondi. Van még ugye a négy egyenirányító, ezeken egyformán 577-et mértem. Két madzaggal adtam neki áramot, hogy megmérjem hány Volt megy a ledekre. Na itt akadtam meg, igazából nem is nagyon erőltettem a méricskélést mert már volt szexuális kapcsolatom az árammal és félek tőle, de nem sikerült megmérni a feszültséget mert az érték -10- és -túl sok- között ingadozott. Lehetséges hogy ezért ment ki az a led mert túl nagy feszt kapott? Hány voltnak kellene lennie a tápnak egy ilyen 29 ledből álló égőnek? Utólag is elnézést ha valami sületlenséget írtam.
Ha nem cserélted ki a LEDet, akkor a teljes hálózati feszültség megjelenhet a lámpában.
A felsorolt alkatrészeken kívül még kellene lenni diódá(k)nak, és további kondenzátornak is. A kondenzátor kapacitása mekkora? Hol vetted ezt a lámpát? A 380 Ohm ellenállás azt sugallja, hogy eredetileg 110V feszültségre tervezett lámpád van. A hozzászólás módosítva: Nov 9, 2012
Akkor már sejtem miért nem akarta megmutatni a multiméter a feszültséget. Nem cseréltem ki, nem a megjavítása volt a cél, hanem inkább a megismerése. Ennyi alkatrész van benne, a két ellenállás, a négy egyenirányító, egy kondi, ja meg egy biztosíték. A kondira az van írva hogy 334K CL400V barna színű négyszögletű. Gazdaságos tacskós lámpa. Tehát ha jól értem akkor egy ledre jut olyan ~3,8 Volt. Lehet hogy gányolok belőle valamit, ha úgy rakom őket sorba hogy max. ez a 3,8 Volt essen ledenként, akkor még rakjak eléjük valami ellenállást? (12-14 Volt autóba vagy 4,2 Voltos Li-ion aksira)
Itt találsz segítséget a LEDek előtétellenállásának kiszámításához. A LED tápellátása áramgenerátorral, illetve közel fix feszültségen előtétellenállásal ajánlott. Ez a legelterjedtebb, 5mm átmérőjű LED esetén picivel kevesebb esetén 20mA körül legyen. A rá eső feszültség meg annyi, amennyi, azaz 3.2-3.6V körül lesz. Autóba 3 LEDdel 220 Ohm sorbakötve, esetlef 4 LED és 22 Ohm ellenállás elmegy.
Értem.Köszi!
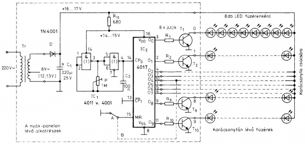
Űdv fórumozok.Egy kérésem van hozzátok.Az 1990novemberi Hobbielektronikában megjelent egy kapcsolási rajz,Karácsonyi futófény ledes fényfűzér cimen.Az lenne a kérésem,hogy ha valakinek megvan ez kapcsirajz,legyenszives tegye fel az oldalra.Nekem ez a szám sajnos nincs meg.Űdv:Gyati.
Ez kicsit komplikáltabban lesz megoldva, és hogyha párhuzamosan kötném akkor túl sokat kéne kábelezni. A kapcsolás egyébként máshol fog üzemelni, nálam csak teszt-üzem lesz. És elérhetetlen helyen, kb. 3 méter magasan lesz kábelezve, természetesen szigetelt kábelekkel.
A kondi tanácsodat pedig megfogadom(a 10 µF-el kapcsolatban bár lehet kicsit több lesz). A kapcsolást köszönöm, nemsokára be is építem az áramkörbe és ujra felrakom jó-e.
"Fénypontsoros karácsonyfa-villogóra" gondolsz?
A hozzászólás módosítva: Nov 9, 2012
Szia!
Innen meg az egész évfolyamot letöltheted.
Íme a kapcsolás, "javítva".
Sziasztok.Kőszőnőm nektek a segitséget.Azért kértem ezt a rajzot mert a 4017-es rész nincs rajta a92-esrajzon.Amit én szeretnék megoldani,az lenne hogy egy 5 méteres ledszalagot szeretnék villogtatni,vagy léptetni mint a futofény.A z 1992 novemberi számban van egy kapcsolás ami ennek a kapcsolásnak a kiegészitő rajza, ami hagyományos izzok villogtatását teszi lehetővé.Én ezt szeretném megoldani az 5 m-es ledsorral. Mi a véleményétek,megoldhato ez evvel a kiegészitő kapcsolással.Itt az égőket tirisztorok kapcsolgatják.Űdv:Gyati.
|
Bejelentkezés
Hirdetés |













