Fórum témák
» Több friss téma |
Hello
Lemezjátszóhoz szeretnék LED stroboszkópot készíteni a glimmlámpa helyett. Olvastam egy magyar megoldásról, csak sajnos nem elég részletes írás, valamint külföldi forumon is találtam ilyen témát mikrokontroller használatával. Link: Stroboszkóp LED vezérlés Ebben az illetőnek egy 1 kHz-es kvarc volt a polcon, amit egy osztó és segédelektronika segítségével 100 Hz-es villogást ért el. Ilyen oszcillátort nem találok csak sokkal nagyobb értékekkel, ezt hogy lehetne és milyen osztóval megoldani ? A lemezjátszó tápegységnek van egy 10 V AC és 18 V AC kimenete. Mikrokontrolleres programozásban nem vagyok jártas. A hozzászólás módosítva: Ápr 25, 2023
Szia!
Microkontrollerrel a 100Hz-t a legprimitívebb programmal 0,2%-os pontossággal be lehet lőni, ráadásul úgy, hogy egy potival még a led felvillanási ideje is állítható legyen. Ehhez mindössze 5 alkatrész kell. Egy PWM-et tudó PIC (pl: 10F320, vagy 10F322) 1 fehér led, egy 220ohmos ellenállás, egy 100nF-os kondi, meg egy trimmer poti. Ja meg valamijen fesz szabályzás, mert ennek az áramkörnek 5V kell. Ha esetleg közel laksz hozzám, vagy jársz felém, tudok benne segíteni.
Szia!
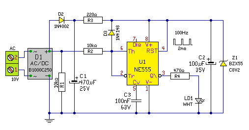
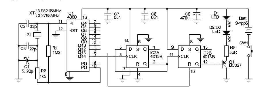
Lehet hogy ezt is tudnád hasznosítani.
Egyébként a hálózati 50 Hz-is eléggé pontos mostanság (audiofil lemezjátszót meg nem aggregátorról szokás használni), tehát az alkatrészek száma 3 (legfeljebb 4
)...
Nem biztos, hogy egy dióda+ ellenállás+ LED a kívánt hatást hozza.
A glimm villan, mert csak egy adott fesz fölött gyújt be. A LED felfénylik. Akkor már kellene legalább 1 kondi meg egy UJT vagy tirisztor a körbe. Persze lehet, hogy tévedek. Ellenben amit Dempsey belinkelt, szinte biztos, hogy jó lenne. Vígan elbír a kimenete egy LED-et.
Ennyiért billegő lábú hokedli alá sem kapsz faéket.
Egy Androidos telefonnal és egy Applikációval is megtudod mérni a lemezjàtszò fordulatàt.
Applikáció Rövid videò A hozzászólás módosítva: Ápr 26, 2023
Köszönöm a válaszokat! A linkelt eszköz lehet a legegyszerűbb lenne. Ehhez akkor DC-t kellene csinálnom, a kimenetre pedig még ellenállás a LED-nek ?
Sztroboszkopnak müködhet, söt egy zenerrel akár a glimmlámpát is lehet immitálni. Ha van mondjuk 10 V váltoáramod, annak a csucsfeszültsége kb 14 Volt. Azaz ha sorbakötsz a LEDdel egy 10 Vos zenert, akkor a váltoáram csak a csúcsán ad elég feszültséget, hogy a LED bevillanjon.
Ha még egyszerübben akarod, akkor 2, ha lehet egyforma LEDet köss antiparallel párhuzamosan és egy ellenállással állitsd be a fényeröt ( feszültségtöl függöen. Gyönyötüen fognak villogni a LEDek ( 100Hz).
Esetleg próbáld meg ezeket a kapcsolásokat.
Hello!
Vagy ahogyan Massawa is javasolja: ZPD18, Piros LED és 47 Ohm a diódahíd után...
Paks az pontos
Csak hogy hozzászóljak én is: ha nem árra és alkatrésszámra, hanem munkaidőre akarsz optimalizálni, akkor egy Arduino (vagy bármi más MCU proto board) is megoldás lehet: a villogtató programot összerakni pár perc és ennek az óráját is kvarc adja. Ha 5V 20mA elegendő a fényforrásnak, akkor kiegészítő áramkör sem kell hozzá, csak az egyik IO-ra rákötjük a LED-et és kész. Tápot sajnos kell csinálni ehhez is, de ha 220-ról megy a lemezjátszó, akkor arra be lehet építeni egy kis kapcsoüzemű tápot és akkor készén véve van az is.
Itt kaptam ötletet, kerestem egy alkaimazást mobilra.
Marha jó! Én ugyan nem lemezjátszóhoz, hanem kazettás decknek mértem a lendkerék fordulatszámát, és némi számolás után megvan a szalagsebesség. |
Bejelentkezés
Hirdetés |




)... 











