Fórum témák
» Több friss téma |
Sziasztok,
a gondom az, hogy van egy hifim (DVD,CD) lejátszó ami külső (AUX IN) audiojelet jelet is tud erősíteni...még nem próbáltam meg de szerintem a lemezlejátszóból túl kicsi jel jön ki amit nem tudok erősíteni a hifivel. Hogy tudom ezt megoldani ?előre is kösz
Hello!
Azért van az AUX IN odaírva, mert az direkt a lemezjátszónak készített bemenet! Általában ez egy kis előerősítőbe megy bele (benne van a hifiben), és utána kész a normál jelszint! Tehát nem kell semmit csinálnod, csak rákötnöd a lemezjátszót a bemenetre!
Üdvi
Az AUX IN vonalszintü (200mv) jel fogadására van. A CD, DVD, Magnó ezt adják ki magukból, de ha hagyományos tűs lemezjátszód van akkor abban hacsak nincs erősítője és AUX OUT csatija csak néhány milivolt a kimenő jelszint. Ráadásul még korrekcióra is szorul, erre van a RIAA korrektor. Ez korrigálja a frekvencia menetet és erősíti a jelet is, nem mellékesen inpedanciát is illeszt. Hali Laci
Hello!
Nekem van itthon hagyományos lemezjátszóm, és nem tudok arról, hogy bármiféle erősítő lenne benne. Egy db kimenet van rajta, és az rögtön megy a hifibe. Nekem működik. Régebben volt egy másik hifim+lemezjátszóm, ahol ugyanez volt a felépítés, de ott biztosan tudom, hogy volt egy kis előerősítő az AUX bemenet után ,benn a hifiben. Lehet, hogy ez nem mindenhol van így. Ja és semmiféle korrektorom nincs és nem is volt, még is tökéletesen megy minden
kösz mindenkinek,
még nem néztem meg... ,de ha mégis szükségem lesz RIAA-ra, akkor ki tudom szerelni valamiből? :vigyor5: vagy muszály megépítenem...?
Ha tisztességes hangzást akarsz, akkor kell RIAA korrektor. Minden MG-PU bemenetű erősítőben van ilyen
S itt tennék egy kérdést az okosokhoz: Mintha hallottam volna olyat, hogy bizonyos hangszedőkhöz nem kell RIAA korrekció mert "bele van építve" a karakterisztika a fejbe. A piezo nem ilyen? Az biztos, hogy ezek sokkal nagyob feszültséget adnak le, nagyobb impedancia mellett, igy ezekhez más bemeneti fokozat kell, illetve érdemes.
Helló,
mi úgy tanultuk, hogy a RIAA korektor a dinamikus hanszedőkhöz szükségeltetik. Szükség esetén a piezokhoz is lehet egy aluláterestő tagot beilleszteni.
A tisztánlátás kedvéért. Alapvetően a lemezjátszóban alkalmazott hangszedő fajtájától függ, hogy milyen bemenetre köthető. Alapvetően kétféle hangszedő típus van jellemzően. A kristály (piezo) és a dinamikus. A kristályhangszedő magában a piezo kristályban lévő karakterisztika szerint végzi a szükséges frekvencia korrekciót. A kimenő jele 100mV nagyságrendű, függ a kristály állapotától. Jellemzően nem Hi-Fi kivitel, és általában nem önálló lemezjátszóként kerültek forgalmazásra, hanem valamilyen rádiós készülékbe, vagy önálló erősítővel ellátott lemezjátszókban alkalmazták. Ha a lemezjátszód ilyen hangszedővel van felszerelve, akkor minden további nélkül rákötheted az AUX IN (vonal bemenet) csatira, ennek az érzékenysége 200mV.
A másik fajta hangszedő, jellemzően a Hi-Fi kategória, a dinamikus hangszedő. Jelszintje 1-2 mV, és semmilyen korrekciót nem hajt végre. Ezért ez után a hangszedő után a RIAA korrektor elhagyhatatlan. Azokon a készülékeken, amin van ilyen bemenet, jellemzően "Phones" feliratú DIN aljzatos bemenettel van feltüntetve. A korrektor nélkül, gyakorlatilag nincs mélyhang, és a jelszint olyan alacsony, hogy az erősítő vonalbemenetét nem tudja meghajtani. Hogyan tudod meg, hogy milyen a lemezjátszód? Talán legegyszerűbben a tűnyomásból lehet következtetni. A kristályhangszedőnél jellemzően nem is alkalmaztak a kar végén ellensúlyt, mivel jóval nagyobb tűnyomásra van szükség a használatuknál. Tehát ha nincs ellensúlyod a lemezjátszó kar végén, akkor tuti, hogy kristályhangszedős. Ha van állítható ellensúly, akkor valószínűleg dinamikus hangszedőd van.
Talán a legbiztosabban úgy lehet kideríteni a hangszedő fajtáját, hogy lemérjük az ellenállását.
- Kerámia/piezó: majdnem végtelen. - Mozgó mágneses (jele: MM): kohm nagyságrend. - Mozgó tekercses (jele: MC, de akinek ilyene van, az úgyis tud róla): pár ohm. Ez utóbbi csak 100-200 uV-ot ad le, ezért többnyire trafóval illesztik. Egyébként bár a piezó hangszedő képes meghajtani egy vonalszintű bemenetet, azért nem az való hozzá, hanem nagyobb, 100 kohm fölötti ellenállású bemenet.
Egy kis kiegészítés, a tisztánlátáshoz.
A "kristály pickup" - Kimeneti ellenállása igen magas, ezért az erősítőnek, 1Mohm feletti bemeneti ellenállással illett azt fogadni, és akár 1V-is volt a forrásfeszültség. - Vonali bemeneten (100kohm) is megszólal, csak a frekvencia átvitele sérül (nem mintha ez különösebb törést okozott volna az életünkben) - Ritkábban (a vége felé) volt, un. "kerámia pickup" is, ennek jelszintje és impedanciája alacsonyabb volt, így jobban illeszkedett a vonal bemenethez. - Néha a dinamikus bemenetre is rákötöttük,(ha csak ilyen volt az erősítőn) akkor 1..2kohm-os ellenállással a kimenetét lezárva, egész jól illeszkedet a RIAA-hoz. - Tekintve, hogy a pickup, hozzávetőlegesen a mozgás sebességgel arányos jelet szolgáltatott, közel automatikusan kiegyenlítette, a mindenképpen RIAA vágási karakterisztikával készült lemezt. - A fej tűnyomása 5..7g. A dinamikus hangszedő - Alapvetően két fajtát gyártottak, mozgó mágneses (MM) és mozgó tekercses (MC) kivitelben. - A mozgó mágnesesnek a tűje cserélhető volt, és egyebekben igaz, amit Greatman írt. (mV-RIAA) Általában 47kohm és párszáz pikós kondi párhuzamos eredőjével illett fogadni a jelet. - A mozgó tekercsesnek általában nem volt cserélhető a tűje. (rá volt ragasztva a tekercsre) Ez volt a drágábbik játék. Mivel a kimenőjel szintje még az MM-nél is kisebb volt (1/10-része), Ezért ehhez kezdetben méregdrága illesztő hiperszil trafót árultak, ami a RIAA bemenetére csatlakozott. Később, ahogy a félvezetők zaja javult, már közvetlen a RIAA erősítőre csatlakozott. - Voltak kivételek is, "nagyjelű és cserélhető tűs" MC betét (Pioneer PL6), de ezek az öszvér megoldások nem voltak szerencsések. - Ellentétben a kristály hangszedőkkel, a dinamikusakat, már szabványos mérettel készítették (kivét perverz gyártők) Ezek felrögzítésében két db. csavart használtak, melynek távolsága 1/2 col. (Innen is jól felismerhető) - A fej tűnyomása, 1..2g, így általában "lifttel" lehetett a lemezre engedni, mert kézzel már nehézkes volt a kis súly kezelése. Mind két esetben az erősítő és a hangszedő közötti kábel beleszólt az átvitelbe, tehát annak kapacitását is bele számították. A mikrobarázdás lemezek korában, teszt lemezt is lehetett kapni, ahol a szabványos frekvenciamenet, a tűnyomási és követési tesztek is megtalálhatók voltak rajta. Kedves Bave00! Idézet: „Ja és semmiféle korrektorom nincs és nem is volt, még is tökéletesen megy minden” Arról, hogy melyik készülékedben mi volt és mi nem, arról természetesen nem fogunk vitát indítani, de ... Amiről nincs műszaki tudásod, arról ha lehet, ne tégy határozott kijelentést, mert a kezdőket és Önmagadat ezzel feleslegesen megtéveszted. üdv! proli007
Sziasztok,
Köszönöm mindenkinek a gyors választ...sajnos elég sok baj van: ''A másik fajta hangszedő, jellemzően a Hi-Fi kategória, a dinamikus hangszedő. Jelszintje 1-2 mV, és semmilyen korrekciót nem hajt végre. Ezért ez után a hangszedő után a RIAA korrektor elhagyhatatlan. Azokon a készülékeken, amin van ilyen bemenet, jellemzően "Phones" feliratú DIN aljzatos bemenettel van feltüntetve.''-ez tökéletesen illik a lemezjátszómra...még ellensúlya is van, tehát mindenf. képpen kell RIAA Még kezdő vagyok ezen a téren és nem hiszem, hogy meg tudnám építeni a híres RIAA-át (persze ha jól összeszedném magam talán...).Valamiből estleg ki tudom szerelni ,bár itt hallottam pár cuccról amiben benne van :yes: előre is kösz Gulwerkli
Szia !
Van egy szereld magad lehetőség. Szerintem pont jó ez neked, szerelsz egy kicsit, és még jó is lesz RIAA szered magad Üdv!
Sziasztok,
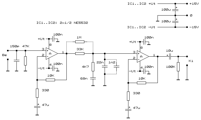
Még egy kis gondom van , kaptam egy általam is érthető, RIAA rajzot (a képen a felső),de nem tudom, hogy a problémámat megoldja-e....Ha van még könnyen megépithető RIAA kapcsolási rajzotok, akkor kérlek küldjétek el.... :vigyor5: Itt ay enyém:
Megoldja a problémádat, amennyiben a kimenet 2-300mV (régen 400mV volt a 0dB) és dinamikus a hangszedőd.
Én inkább IC-vel csinálnám, csak az egyszerűség kedvéért...
Erről már beszéltem emberekkel
.....de nem t udom, hogy konkrétan ez a RIAA (lásd rajz) megoldja-e a bajomat
Hát a három, estleg négy, szálé amit előerősíteni akarok (ez a három vagy négy a lemezjátszóé) :pardon1: ... vagy estleg másképp kell rákötnöm
Huhhh, ez már magánügy, lényeg, hogy a rajzon csak egy csatorna van, igy egy lemezjátszóhoz ami nyilván sztereó, kettő dukál.
A választott kapcsolást két példányban kell megépítened, hogy a bal és a jobb csatornát függetlenül erősítse. Vagyis egy sztereó erősítő kell neked.
Hogyan tudnám a lemezjátszot összekötni a számitogépemmel hogy használjam kierösitésre.Szerintem a számitogép bemenetére rátehetem a lemezjátszot nem terheli le nagyon bisztos,csak aszt nem tudom honnan vehetek kimenetett a lemezjátszotol.
Lacihobby, koszonom az ötlteket elöre is sziasztok!!
Van kimenet a lemezjátszón?
Nem valami találó a cím. Ha van vonalszintü kimenet a lemezjátszón, akkor simán rákötheted. Ha nincs, akkor előerősítőre lehet szükség. Ha a lemezjátszód saját végfokkal rendelkezik, és nincs rajta más kimenet, csak a hangszóróké, akkor fesz.osztóval onnan le tudod venni. Egyébként ennyi infóból nehéz kitalálnunk.
Szia!
A mikrofon bemenetre rákötheted a lemezjátszód kimenetét :yes: "csak aszt nem tudom honnan vehetek kimenetett a lemezjátszotol"??? A lemezjátszó kimenete egy csatlakozó, az csak meg tudod találni, nem? Ja és kérlek jobban ügyelj a helyesírásra! Köszi! Üdv |
Bejelentkezés
Hirdetés |




?

,bár itt hallottam pár cuccról amiben benne van :yes: 

koszonom az ötlteket elöre is sziasztok!!
