Fórum témák
» Több friss téma |
Fórum » Léptetőmotorok (vezérlése)
Valahol találtam de nem tudom hol 555 ic vel csináltak változtatható négyszögjelet talán ez a megoldás nekem is jó lene a te általad említett kapcsoláshoz rákötni a lépésre és mehet neki a jel.
Sziasztok!
Fecskendős adagolót szeretnék építeni, sima orvosi injekciós fecskendőt szeretnék léptetőmotorral nyomni. Sajnos számszerűen nem tudom megmondani, hogy milyen nyomatékú motor kell ehhez, de gondolom azért nem túl nagy. Tud esetleg ajánlani valaki kisebb, erre a célra használható léptetőmotort, ami itthon is beszerezhető és 3...9V közötti feszültséggel megy? Előre is köszönöm.
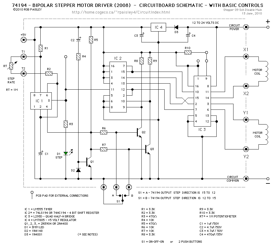
O nézzenek oda mit találtam ez talán jó lene nekem de valaki mondja el a működését mert nem nagyon értem csak táp kel neki és ennyi vagy valami van amit én nem vetem észre:
Hello!
Egyszerű ez.. - Az IC1 állítja elő a léptető jelet, melynek sebességét az RT potival lehet beállítani. - Ez vezérli az IC2-őt, mely egy léptető regiszter. Ennek négy kimenetén jelenik meg a motorvezérlő jel. A léptetés irányát 9 és 10-es lábon lehet vezérelni. Ezt végzi az S1-es kapcsoló. (középállásban áll a motor) - A tényleges motor áramot, az IC3 vezérli, mely egy speciális motor meghajtó IC. - Q1 C2 segítségével megoldja, hogy a tápfeszültség bekapcsoláskor a motor stop állapotból induljon el. Közben alaphelyzetbe állítja az ütemadót is. üdv! proli007
Szóval elég neki a tápfez a többi már a kapcsolás végzi de akor az S1-es kapcsolóval mit álitok mi az a két állapot válaszodat előre is köszönöm.
Azt állítod hogy merre forogjon a motor.
Ha valakit érdekelne akor felteszem a nyákterveket a már általam közölt vázlathoz.
Hello!
"A léptetés irányát 9 és 10-es lábon lehet vezérelni. Ezt végzi az S1-es kapcsoló. (középállásban áll a motor)" Olvasni nem szoktál, csak írni? :no: Ha lehetne kérni használnád a Válasz gombot is a fejlécből? üdv! proli007
Heló rendben máskor jóban oda figyelek de légy-szíves nézd meg a nyáktervet hogy jó lesz e vagy változtassak e rajta valamit.
Hello!
Őszintén szólva, nem szívesen nézek át olyan áramkört, amiben nincsenek pozíciószámok, panelen (legalább a ki-bemeneteken) azonosító feliratok.. Úgy kell kitalálni mindent, mi volt a szándékod.. De néhány hibát felfedeztem.. - Ha egy Led Led, akkor legyen az a rajzon is. - Az elkók szinte rendere fordított polaritással vannak bekötve.. - A Q1 tranyó bekötése nem megfelelő a feliratnak. - A C4 és D3 nem megfelelően van bekötve. (Bár az említett elemek áramköri bekötésével sem értek egyet, C4 mellett, még a D3 után is illett volna egy elkót tenni, és két 100nF-os kondit a stabi ki és bemenetére.) - Ha az IC2 és IC3 külön panelen van, akkor az IC2 mellé, illett volna tenni egy 100nF-os szűrőkondit, és a C4 helye ebben az esetben az IC3 panelján a helye. - Az IC2 3-4 lába között indokolatlanul vitted át a vezetéket. Ha a 7. lábat, az IC-belül kötöd be, akkor az 5-6-8 átkötés kívülre kerülhet. - Q2 és Q3 tranyók felirata is helytelen. - A GND és tápvezetékeket, nem illik ilyen pilincka vékony vezetősávokon vezetni. A motorvezérlő tápfeszültség becsatlakozásáról és motortekercs vezetőiről nem is beszélve.. üdv! proli007
Heló megpróbáltam kijavítani az említett hibákat amiket felsoroltál, fölteszem a javítót változatot.
Hello!
A C1 és C4 még mindig fordítva van.. üdv! proli007
Heló most már azt is kijavitotam köszi a segítséget egyébként megnéztem az egészhez kB:1000Ft be kerül az alkatrészek leszámítva a nyákot de az úgy is házilag maratót meg a motort de azt meg lehet bárhonnan szerezni egyébként mi a műnyomó másik neve mert az egyik papírboltban nem tudták mi az.
Hello!
Rossztól kérdezed.. De kérdezted már a keresőtől is, hogy "műnyomó"? :yes: üdv! proli007
Hali. Lenne egy unipoláris léptetőmotorom. viszont nem tudom a lábkiosztásait. Lehet ezt mérni,vagy valahogy máshogy megállapítani? Bővebben: Link
Persze! A tekercseket gondolatban helyettesítsd egy ellenállással. Innen már könnyedén ki tudod mérni elenállásméréssel hogy melyik vezeték melyik.
odáig már eljutottam hogy egyik odlal és másik oldal. egyik oldal egyik ellenállása 4,2, másiké 2,2. Ebből mit kellene tudnom?
Mint látható van 2db "ellenállás" amihez 3 kivezetés tartozik. Két vezeték között Xohm lesz az ellenállás, másiknál meg 2Xohm. Innen már csak leszűröd a továbbiakat, nem?
6 kábelból kettő csikos volt, gondoltam ezek lesznek a közös pontok. úgy be is kötöttem, csak a tekercsek sorrendjét nem tudtam. Most mérem az ,,állítólag,, középsőhöz képest az egyik oldalt, 2,2ohm, a másik oldal 4,4ohm... Ezért nem passzolt akkor, mert nem az a közös pont.
Lenne ez a program. Kipróbáltam, de a motor, csak ide oda ugrál, viszont ha finoman az ujjammal forgatom, akkor megyen. MI a gond?
Fekete és fehér szokott a közös lenni.
Ha ugrál, akkor cserélj fel két tekercsvéget az egyik oldali tekercseknél.
Próbáltam labortáppal. Van 4 kivezetés egy bizonyos sorba. Ha 1-2-3-4re sorba kötök feszültséget, a motor ,,forog,, . Csakhogy a program nem úgy adja ki a jeleket, mutatja is. Ott 4 kivezetésből, mindig kettő log1, és log0 értékű.
Ugyanaz, csak két tekercs van gerjesztve. Ugyanúgy 4 állapot lehetséges.
De ha beleolvasol a google-éba, akkor kb 10 perc alatt megtudhatsz mindent a léptetőmotorokról.
Értem. Csináltam 4017-es ic-ből egy iylen ,,vezérlőt,,. Működik is, csak ahhoz képest elég lassú. 200 jel kell egy 360fokos szöghöz. kb 2másodperc alatt tett meg egy teljes kört. Ez volt a max fordulat. És alig miért menni. Kézzel simán lefogtam, az miért van?
1.8 fokos lépésű a motor. 200 lépés: 360 fok. Ez általában rá is van írva... Ha gyorsabbat szeretnél, akkor használj kefés avagy szervó motort.
Kézzel megfogható: mert gyenge a motor, vagy nem elég az áram neki, vagy ennyire erős vagy. Ezek ilyenek. De áttétellel, csigahajtással durva erőt ki lehet szedni belőlük.
Én ezeket nem akarom használni, csak ismerkedek velük. ..
Elég nagy motor, szerintem bírnia kellene valamit. 3V van ráírva, 1,8A. A tápom simán elbírja, szint fel se veszi, és nem kell nagy erő a megállításához, 2 ujjacskámmal fogtam le. Bc141 tranyóval kapcsolgatom, 1K bázisellenállással, amit a 4017-es IC kapcsol. Lehet a tranyók keveset kapcsolnak neki?
4 Van belőlük természetesen. Akkor használjak más fajtát?
Mondjuk szerintem az most mindegy, vagy nem? Ahhoz hogy megismerkedjek a működésével, elég az így is, csak akkor gyenge lesz.
Sziasztok!
Segítségeteket szeretném kérni 12-36V 3A 3 Axis CNC Léptető Motor vezérlő TB6560-as nyák rajzot vagy kapcsolási rajzot ha tudnátok küldeni nagyon megköszönném.Sajna 2 db-ot elfüstöltem.Közös hűtő bordát használtam nem volt szigetelve.Még esetleg a meghajtáshoz pc tápot használtam esetleg ő-e a ludas.Segítségeteket előre köszönöm.
Én árulok ilyet de kapcsrajzot nem tudok. Az ic-k darabja itthon 2500Ft körül van én motort raktam rosszul össze és azzal füstöltem el, de simán kicseréltem, azóta megy.
|
Bejelentkezés
Hirdetés |










