Fórum témák
» Több friss téma |
Az adapter azert kell, mert nem PC-vel, hanem routerrel működne a kontroller. A router feszültsége 3.3V, a kontrolleré pedig 5V, ezert kell az adapter.
Most forrasztgatom az IC masodik RX/TX párosát, teszek azzal is egy kisérletet.
Na de a MAX233 egy RS232 (COM-port)-TTL átalakító és nem 3,3V-5V átalakítására való.
ITT a srac ezt az IC-t hasznalja. Ugyanaz a router, az a controller es az IC is amit en hasznalok.
Neki megy a 6 servo igy, nekem egysem xD
Áruld már el, hogy miért kell ez a wireless router. Ha többet elárulnál a kütyüdről, akkor jobban lehetne segíteni, A router hogyan van a rákötve erre a rendszerre és mi célt szolgál? Hagy tanuljunk egy kicsit!
Önjáró robot készűlne ezzel a megoldással.
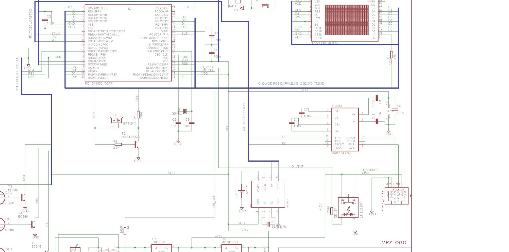
Mellékeltem a kapcsolási rajzot, abból egyértelműen kiderűl, hogy miként is van. Az SSC-32-ön van egy LED, ami villog, ha adatokat kap a kontroller. És bizony kap, mert villog, mégsem működnek a szervók. Ellenben ha rákötöm a kontrollert közvetlenül a PC-re, és a mellélelt programmal azt mondom a szervóknak, hogy indúlj, akkor pörögnek is. A routerről kiadva a parancsot, elmegy az adat, látszik (LED), de nem forognak a motorok.
Itt megint felmerül az adatátviteli sebesség problémája. Lehet, hogy a router nem olyan bit-rátával küldi az adatokat, mint kellene.
Szia!
Nekem nem jött le a hozzászólásaidból, hogy a MAX233 hány voltról működik. Mert ha csak 3.3V-ról megy, akkor a kimenetek kisebb feszültséget vesznek fel(-6..6V) mint a szabvány, ezt lehet, hogy a te SSC-32-nek kevés.
A bitrata: 115.2K (PC Communication, Firmware Update)
Ez van a kontroller doksijaban, es a routeren is ezt allitottam be. Ha más érték van beállítva, akkor nem is villog az adatátvitelt jelző LED. Az adapter leírasa ezt mondja:With a 3.3v supply the AD233 provides an RS232 voltage swing form -6v to +6v which is sufficient for most RS232 applications. At 5v it provides -10v to +10v. A router 3.3V-ot ad le, igy elvileg ez is okés. A kontroller egy ATMega168 IC-vel működik, amiről pedig ezt irják: The ATmega168 provides UART TTL (5V) serial communication, which is available on digital pins 0 (RX) and 1 (TX). Elvileg akkor ez is stimm.
Próbáld meg átalakító nélkül, közvetlenül TTL-szintű jelekkel vezérelni a kontrollert. A vezérlő leírásában utalnak erre: "Serial input = True RS-232 or TTL, 2400, 9600, 38.4k, 115.2k, N81".
Igen, csak a kontroller 5V-al operál, még a router 3V-al. Elsűl a router ha közvetlenűl összekötöm.
Sziasztok!
Régebben csináltam már MAX232N IC-vel adaptert. PIC-cel használtam, és ha azt nézzük működött, a megfelelő jelszinteket produkálja, és volt adatátvitel. Viszont egyszer beállítottam folyamatos működésre, amikor fél másodpercenként küldtem el-vissza adatokat a PIC és PC között. Pár másodpercig működött így és meghalt a PC soros portja. Azóta új alaplapom van, és jó lenne újból használva egy ilyen adaptert, de félek megint megölné a soros portomat. Mi lehet a baj szerintetek? Mire figyeljek? Olyan +/- 8V feszültséget kapott a sorosport. Ez normális nem?
Helló!
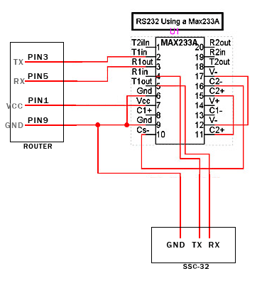
Segítség kéne! Soros porton keresztül szeretnék irányítani led-et számítógépről. Megcsináltam az Rs232 és a max232-es és ATMega8-as kapcsolást a mellékelt ábra szerint, majd még a AVR-Duino chip-et kiegészítettem fesz. -szabályzóval meg oszcillátorral (másik ábra). Fel lett programozva az ATMega8, és ha rákötöm a táp-ra villog is a LED, csak valahogy a MAX232-es rész nem működik, mert a PUTTY nem "látja". Ha tudna valaki segíteni azt nagyon megköszönném!
Igen, működik, de elegánsabb lenne a 10k-t kicserélni egy 2,7 V-os Zener-re, az már magas szint, és azt tuti nem lépi át.
Miért nem teszel inkább MAX3232-t? az direkt ehhez van. Én az szoktam használni.
SZiasztok!
Atmega 8 at illesztek USB-><-soros konverterhez, ehhez MAX232 est használok a gyári adatlap szerinti bekötés szerint, mindent kimértem jól működik. Sajnos a scopomon nem látni a +-12 12V tűimpulzusokat. A kapcsolást apukámmal ketten építettük, hogy ne legyen benne hiba, és nagyítóval mindent átnéztünk, a kivillanó szexi drótrészeket meg leszigeteltük. Van valakinek ötlete? Köszi a válaszokat!
Ja és nem jó az átalakító áramkör,
mert ha uC felőli TX RX et összekötöm, akkor nem jönnek vissza a terminálomra a karakterek.
Sziasztok!
Lenne egy problémám, amire nem találtam megoldást. Adott egy PIC18F4523, összekötve egy max232n-el, ez egy rs232-usb külső adapteren meg egy laptopra. Első körben megírtam egy olyan programot, ami folyamatosan ugyanazt a karaktert küldi ki (Mplabx-ben). A PIC ki is adja, oszcilloszkóppal ellenőriztem. Viszont a max232n után nem jók a feszültség értékek, +-6 voltig megy csak fel. Hyperterminal 3 karaktert lát jönni ismétlődve (Egyik sem a kiküldött). Néha még a három ismétlődő karakter közül az egyik is megváltozik. A baud rate szintén jó, oszcillószkópon azt is megnéztem. Van valakinek valami tippje?
Annak van oka, hogy miert nem PIC-USB kapcsolatot hasznalsz?
Ha mar egyszer te kezeled a vegpontot.
Ez egy mérőberendezés lesz, és elég hosszú kábelen kell kommunikálni, ezért gondoltam az rs-232-t
A ±6V az belefér az adatlapon megadott min ±5V-ba.
A baud rate csak egy paraméter a sok közül. Adatbitek száma, paritásbit, stopbitek száma, szünet, ezen kívül a terminál progi mit ért karakteren? Nálam az országbeállítás szerint UTF-8 at vagy valamely nemzeti nyelv karakterkészletét. Drasztikusan mást és mást. A max232 csak egy egyszerű szintillesztő és invertáló. Ne hidd hogy bármit átkódol.
Közben rájöttem, hogy a terminálprogramnál van a hiba. Tudtok valami jót ajánlani? Lehetőleg ingyenest.
Szia!
Én éppen egy GPS-PS1E modullal szerencsétlenkedek. A soros portra szeretném rákötni, de semmilyen, ehhez típushoz való kapcsrajzot nem találtam. Kérlek, ha van kéznél valami kapcsrajz/infó, segíts elindulni! ![]() Köszönöm szépen!
Sziasztok, kis segítséget kérnék.
Most próbálkozom először RS232 kommunikációval 2 PIC között. Egy kéziműszer és egy detektor egységről van szó. Csatoltam a kéziműszer kapcsolását, a detektor kapcsolása hasonló, csak nyilván a TX/RX vonalak bekötése fordított (Tx az ellenoldal RX-hez és viszont) Szintillesztőnek MAX232-t használok, amint a rajzon is látható. A programokat CCS C-ben írtam A gondom a következő: az adó oldalak szépen működnek, ez a szkópon is látszik és még PC-n SIOW programban is szépe és torzításmentesen jönnek a sztringek, de a másik PIC vevőoldalán már gondok vannak. Az RDA megszakítás érzékeli ugyan, ha beérkezik az első karakter, be is olvassa a megadott számú karaktert egy sztrig tömbbe, de amikor kiíratom a sztringet, mindenféle értelmetlen karaktersorozatot ír ki az LCD-re. Tehát úgy tűnik, hogy a bejövő jelek a MAX232 PIC felőli oldalán már torzultan lépnek ki. Próbálkoztam mindenféle trükkel szoftver oldalon, lassítottam az átvitelt 9600 baudról egészen 300-ig, próbáltam különféle beolvasási módokat, megszakítással és anélkül, de semmi sem segített. Ezért is gyanakszom hardware gondra. Szerintetek okozhatja ezt, hogy a MAX232-n nem 1 uF, vagy nagyobb kondikat használok, hanem csak 100 nF-osakat? Vagy van valami ötletetek, mitől lehet ez a jelenség? Előre is megköszönöm, ha valaki mondana valami megoldást...
De miert nem tudsz szkopot hasznalni a masik oldalon is, hogy a torzult jelek ne csupan feltetelezesek legyenek?
Eppesseggel lehet a 100nF vs 1µF az oka.
Azért, mert a szkópomon nincs logikai analizátor, amivel bitszinten meg tudnám vizsgálni a bejövő jeleket. Csak azt látom, hogy megfelelő időközönként beérkezik a PIC RX lábára egy megfelelő feszültségű jelcsoport, de nem látom a részleteit, mert nem tudom kitriggerelni az első jelre a szkópot. A SIOW még a MAX232-be beérkezés előtti részre csatlakozik, ott a jelek tökéletesek, stimmelnek a küldött jelsorozattal. Tehát én nem igazán a jeltorzulást feltételezem, mert az látszik a PIC vételi karaktersorozatból, hanem a torzulás okát kutatom.
Sziasztok!
Van egy max232N ic-m a kérdésem az lenne hogy ha 10µF kondikkat kötök rá akkor is működne valaki használta már így? Pic18f27j53-st akarom hogy a pc-vel kommunikáljon.
Sziasztok!
Kísérletezgetek most egy GSM modullal ami USB-RS232 kábellel terminálból vezérelve működik is kiválóan. Azonban a cél az, hogy μcu-val használjam. A gond az, hogy ha arról hajtom meg akkor nem reagál semmire pedig megnéztem és bájtra ugyanaz megy ki UART-on mint ami terminálból. Lehet gond, hogy gagyi sipex márkájú RS232 meghajtót használok? Eredeti MAX232-vel gyári ajánlás szerinti kapcsolásban megoldódna a probléma szerintetek? A PC-vel egyébként hibátlanul kommunikál a board-om csak a modullal nem akar valamiért. Baud rate beállítások is rendben vannak. A hozzászólás módosítva: Jan 22, 2015
Üdv!
Szintillesztést kell csinálnom max232-vel, a kérdésem a következő az adatlapja szerint összekötöttem próbanyákon, 1µF kondik helyett csak sajnos 2,2µF volt itthon, kommunikáció rendben van viszont csak 8.5 voltot mérek a kimenetén, mi lehet a gond a kondik? Sajnos nincs kisebb itthon jelenleg, bekötést a mellékelt kép szerint végeztem. |
Bejelentkezés
Hirdetés |















