Fórum témák
» Több friss téma |
Újdonságok
A közelmúltban további két új termék jent meg a piacon. Az egyik egy jelenlét-érzékelő, mely mozgás helyett az emberi hőt érzékeli. Így kiválóan alkalmas olyan helyiségekben, ahol a folyamatos jelenlét nem párosul mozgással, például irodákban.Például ez is mehetne! Nézz körül náluk!----->http://www.archiweb.hu/abb/busch.htm
Bla bla bla.
Sajnos ez a jelenlétérzékelő sem jól működik a jól a gyakorlatban (próbáltam). Évek óta kész a Merten Argus jelenlétérzékelője is. Amiatt, hogy nem mozgásérzékelőként definiálják többet lehet érte elkérni, de nem igazán jobb a gyakorlatban. Janus érzékelőfejjel dolgozik, de ennyi - a körítés ugyanaz. Én is kínlódtam saját Heimann fejjel, speciális elektronikával, de a gond az érzékelőfejjel van. Szinte mindegy milyen elektronikát raksz rá. Vagy lassú lesz (biztonságtech. érzékelők) vagy túl gyors (kínai reflektorok). Ha a kettő közül kell választanom a kínai reflektorok analóg érzékelője majdem jobb (világítástechnikára), mint a digitális mérlegelős verziók (orra esel ha nem kapcsol). Jó megoldást sosem ad. és még drága is.
Sziasztok!
Szeretném a következő témában a segitségeteket kérni. Régóta foglalkoztat már a mellékhelyiség világitás vezérlése, igazából sehol, itt a fórumon sem találtam még megfelelő megoldást az elképzelésemre. Sokáig az infrakapus megoldásban gondolkodtam, de több ellenjavallatot olvastam itt a fórumon. A BSS féle megoldás sem jó http://bsselektronika.hu/index.php?id=21# . Ami az elképzelésem, ajtó nyitásra van világitás- becsuás-kinyitás utánna becsukásra világitás lekapcsol. Azért ennek is van igy hibája, pl. ha csak beteszek wc papirt vagy vizóraállást irok ki, egy ajtónyitás ill becsukás végett nem fog lekapcsolni a lámpa. Ezért gondoltam hogy az ajtónyitást követően beindulna egy időzités pl. 10-15 mp és ha addig nincs becsukva az ajtó, akkor az időzités letelte után az ajtó becsukása a világitás kikapcsolását eredményezné. Érzékelőnek reed csövet gondoltam. Remélem nem voltam túl bonyolult, és nem nagyon extra a kérésem, PIC égetésben nem vagyok jártas ezért ha kérhetem zárjuki mint lehetőség. Előre is köszi mindenkinek!
Szia Ajtónyitásra időzités+ infra kapu mint "jelenlét ellenörző"? Ajtó nyilik, villany be 10-15mp infra kapu pedig reseteli az időzitőt mindaddig amig valaki ott van.
Én anno ezt egy egyszerű éjjelilámpa nyomókapcsolójával oldottam meg, amit az ajtófélfa szegletébe egy alulemezból készült felfogató közdarabra szereltem fel.
A wc papir cserénél is be majd ki és be kell ennél a megoldásnál zárni az ajtót, de ezért a kellemetlenségért egyszerűen és olcsón úszod meg a dolgot. Ha mindenképp ragaszkodsz az elképzelésedhez akkor létezik optokapus kapcsolás erre a cálra.
igazából infra kapuval nem bonyolitanám, de azért nagyon köszi a segitséged
Szerintem pár ic vel megvalósitható lenne az ötletem,de sajnos nem tudok áramkört tervezni.
Továbbra is várom a segitségeteket.
Kissé túlzás, de csak az elv miatt.
Köszönöm szépen! ez volt a régi elképzelésem, de irtam már nem optokapusat szeretnék
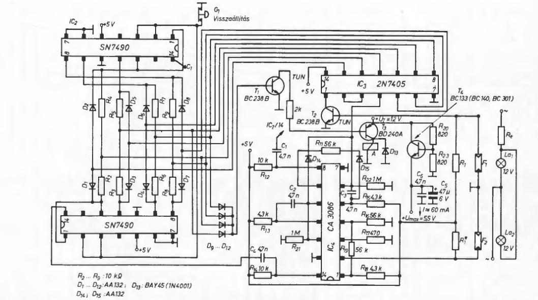
Én pont ezt a kapcsolást szeretném megépíteni csak nem találok hozzá alkatrészeket. Pl ca3086.Honnan tudod hogy csak 5 főig?
Van tökéletes jelenlét érzékelés. Az NI fejlesztőkörnyezete lehetőséget ad ipari kamera tartalmának bináris kimenetű igen-nem felhasználására. A rendszer tanítható - olyan szintig, hogy akár a WC-papír csere is beleférjen. Tehát ha ipari rendszerben meg lehet csinálni - meg lehet hobby szinten is . Mivel azonban az NI kicsit húzós a maga 6-800.000 Ft-os szoftverárával, javaslom az olcsó panelkamera+PIC felhasználását. Bár ez sem olcsó, hacsak nem ingyen jut hozzá az ember egy készülékből. Nálam is az ajtónyelvbe épített reed relé+mágnes lett a nyerő némi relével, hogy ne égjen be a reed (50mA max). Én nem a kilinccsel mozgatható nyelvbe, hanem a zárható nyelvbe építettem. Így ha magamra zárom világít, ha nem, sötét van
Egy db 16f628 as pic + 2db infra szenzor ,és 255 fő számlálását is meg lehet oldani .Gondolom 225 ember nem fér be a mellékhelyiségbe de nembaj ha van tartalék az elektronikában .
Én pl, ezt a "beléptető" megoldást most fejlesztem a lépcsővilágítás témában (kb két éve van kész programom erre a helyzetre)
Sziasztok!
Én egy visszajelzőt szeretnék csinálni, ami úgy működne hogy ha valaki van a helyiségben akkor azt kivűlről lehessen látni. Azon gondolkodtam hogy az ajtóba beépítenék egy olyan reed relét,ami nyitott helyzetben van mikor csukva az ajtó,majd mikor nyitják akkor zárna és felkapcsolna egy ledet,ami akkor is világítana mikor becsukják az ajtót.Majd ha ismét nyitják az ajtót,akkor a led lekapcsolna és sötét maradna akkor is mikor becsukják az ajtót. Szóval a led csak minden nyitásra kapcsolna fel és aludna el. Ezt pl. egy 4017-el meg lehetne oldani? Úgy gondoltam hogy a reed relé léptetné a számlálót,de az lenne a lényeg hogy ha az ajtót tovább tartják nyitva akkor is csak egyet léptessen.Esetleg nincs véletlenül valakinek ilyenhez egy kapcsolása,vagy ötlete?
Ha nincs rajta ablak, akkor egyszerűen fúrjál egy lyukat az ajtóra.
1. Ha sötét van, akkor szabad. 2. Ha világos, akkor foglalt. Kérdéses esetben akár az akusztikus megoldás is játszik, úgymint: "Kopp-kopp"
Nem rossz ötlet,de van ablak.A kopogásról meg ne is beszéljünk
Sziasztok!
Szeretnék készíteni egy olyan lámpát, amit az albérletben a fürdőszoba ajtajára raknék. A kinézete olyan lenne, mint az Egyesült Államokban a gyalogátkelők Walk/Don't walk lámpái. Úgy szeretném elkészíteni, hogy külön ki lehessen kapcsolni, mondjuk éjszakára, napközben meg a tolózáras lezáráskor átváltson zöldről pirosra. Tehát alapból bekapcsolt állapotban mindig zöld lenne, és ha zárva van az ajtó, átvált pirosra. Az lenne a kérdés, hogy ezt hogy oldjam meg? Van erre valami kapcsolási rajz? üdv, Dávid
Üdv!
A kérésed csupa passzív alkatrészekkel megvalósítható.A csatolt rajzon a kapcsoló legyen egy mikrokapcsoló amit az ajtó zárjára teszel. A ledekhez tegyél előtét ellenállást attól függően hány voltos relét használsz,és a tápod is annyi voltos legyen mint a relé.Bocs a rajz kinézetéért ne nem volt kéznél jobb rajzoló progi. Ajánlhatok mondjuk 6 voltos relét és akkor működtetheted 4 cerka elemről, ezesetben 200-300 ohmos előtét ellenállás jó lesz a ledeknek. Használhatsz két külön relét vagy egy duplát.A progiban nem volt dupla.
Az itt tárgyalt megoldások vagy túlbonyolítottak, vagy drágák.
Nálam a fürdőszobában egy sima, E27-es foglalatba csavart mozgásérzékelős lámpa van. Kb. 3000 ft az ára. A WC már bonyolultabb, mert ott van egy ventilátor is, amely a világítás bekapcsolásakor bekapcsol, majd a világítás lekapcsolása után még vagy 5 percig üzemel. Ott nem is tudtam ezt megoldani. A hozzászólás módosítva: Márc 30, 2014
Sziasztok!
Szeretnék egy kis segítséget kérni, egy másoknak talán bagatel egyszerűségű áramkörhöz. Eset: A WC-helységemben spec. a szellőző így számítógép ventilátorokkal oldottam meg. De szükségen lenne hozzá egy automatikus fényérzékelő kapcsolóra. Leírás: 12 V-be, és ebből szükségem lenne egy folyamatos 4-5-6 V-ra. Kivéve ha felkapcsolom a lámpát, akkor 12 és a lámpa lekapcsolása után 1 percig maradjon is. Elnézést, ha talán rosszul vagy h**yeséget írtam, de még HE szüz vagyok ![]() És köszönök minden segítséget! A hozzászólás módosítva: Júl 31, 2014
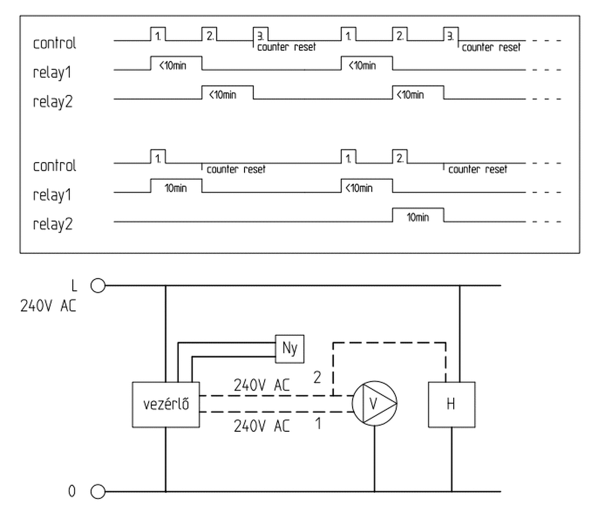
Gondoltam ám, hogy szétszedtek, mint Floki a lábtörlőt - de tudom, hogy jogos
![]() Komolyra fordítva a szót, lerajzoltam most már tényleg egzakt módon (bár lehet, hogy elektromos szempontból nem teljesen szakszerűen), hogy miről is van szó. Működés. 1. gombnyomásra a ventilátor elindul 1-es (alacsony) fordulatban: ilyenkor a WC-ben depressziót tart a szagok kiáramlását elkerülendő (kb. 20m3/h). 2. gombnyomásra 2-es fordulatra kapcsol (kb. 70m3/h), és ezzel egyidőben egy motoros pillangószelep nyit, egy 100mm-es csövön át beengedi a külső levegőt. A pillangószelep hajtóműnek szüksége van egy állandó fázisra a záráshoz, és egy kapcsoltra a nyitáshoz. Hajtómű adatlap itt: http://www.belimo.ch/pdf/e/LMC230A-F_2_0_en.pdf 3. kapcsolásra a rendszer leáll. Több megkérdezett szerint Arduino/PLC/egyéb "intelligens" kontroller nélkül megoldhatatlan a feladat :-I Bennem még él a remény, hogy mégiscsak van valami ésszerű költségekkel kihozható, viszonylag egyszerű emgoldás.
Üdv!
Segítséget kérnék. Ezt hogyan kell bekötni, hogy 2.5V-ot kapjak? A negatívot és a pozitívot hova kell kötni? 5V-ról üzemeltetném.
Helló!
Ez egy programozható referencia feszültség forrás. De amúgy ott van az adatlapjában hogy kell bekötni... Privát üzenetet küldtem olvasd...
Nem kell idegenkedni a mikrovezérlőktől, egy 8 lábú PIC elég a feladatra, ez kb. 160-200 Ft+ÁFA. De akár még egy 6 lábú is SOT23 tokban
. A hozzászólás módosítva: Dec 15, 2015
Felénk ezt úgy szokták megoldani, hogy a WC világitással együtt kapcsol be az elszivó, majd lekapcsolás után még megy egy darabig. A pillangó szelepet pedig a huzat nyitja/csukja.
Itt megtalálsz hozzá mindent, legalábbis ha nem magad akarod kifejleszteni a cuccot, vagy ha igen, akkor ötletet merithetsz... Az már bajosabb, ha nyilt égesterű (kéményes) bojlered, kazánod is van, mert akkor a kettő (elszivó és fűtúkészülék) nem működhet egyszerre...
Mit nevezel ésszerű költségeknek? És viszonylag egyszerű megoldásnak? Ez nézőpont kérdése. Erre valóban ésszerű megoldás a villanykapcsolós módszer, a CD4017 sorrend vezérlő, vagy egy filléres arduino. Ez kb 2000Ft összeg dugasztáppal együtt.
Tulajdonképpen milyen nyomógombról is beszélünk? Mindenki saját magának nyomogatja? Vagy egy ajtóra szerelt nyitó/záró kontaktus? Ha ez utóbbi, azt már nem biztos, hogy kimondottan nyomógombnak titulálnám a hosszú késleltetés miatt. Mellesleg ha IC-t vagy uC-t fogsz vele vezérelni, első lépés hogy pergésmentesítsd... A villanykapcsolós megoldáshoz lenne ötletem...
WC elszívás vezérlés ügyben köszi mindenkinek a hozzászólásokat:
csak két dolgot fűznék hozzá. Mint írtam, épületgépész vagyok, 18 évnyi gyakorlattal a hátam mögött. Nem érdekel a "villanykapcsolós" megoldás, mert ez számomra a totál standard, amin tovább szeretnék lépni. (Persze, tisztában vagyok vele, hogy itthon már ennek is nagyon "örülni kell". Nagyon kiábrándító, amikor egy nívós lakás WC-jében permanens hideg és/vagy büdös van - és a tulajnak mindez megfelel. Az biztos, hogy több embernek van luxusautója, mint normális WC-szellőzése... Szóval erről ennyit.) Amit én szeretnék, az csupán a kétsebességes ventilátorok kihasználása: és ez nem egy új dolog, csak nem használják. A mikrokontroller tényleg szuperjó lehet: de senki nem mondhatja komolyan, hogy tanuljak meg C-ben programozni 1db vezérlés kiépítése miatt? Emiatt üzleti alapon a filléres mikrokontrollerről pillanatok alatt kiderülhet, hogy messze nem rentábilis. Az ideális egy olyan megoldás lenne, amit egy villanyszerelő is meg tud szerelni (mert azt még én is). Mindenesetre, aki vállalná, hogy elkészít egy ilyen eszközt, azzal privátban szívesen felvenném a kapcsolatot.
Az igazság az, kaptál három ötletet. Ebből egy megment, akkor a másik két vonalon kell tovább menned úgy néz ki.
A programozástól nem kell beijedni, ehhez a művelethez neked elég annyit megtanulni, hogyan kell egy nyomógombot figyelni, és utánna időzíteni a kimeneteket. Ezt kb egy két óra alatt meg lehet csinálni. Nézz szét a környezetedben, és keress egy srácot aki arduinozott már, ő megcsinálja neked... Az ideális megoldáshoz csak annyit, hogy ha létezik ilyen két fordulatos ventillátor, akkor nem kéne létezni hozzá gyári vezérlésnek is? Lehet utána kéne járni. Ha nincs, az már nem ideális megoldás, ott már neked kell ügyködnöd valamit. A villanyszerelő meg csak akkor tudja megszerelni, ha kezébe adod a kapcsolási rajzot, hogy így kösse be ezt és ezt az eszközt... Lehet az időrelék serege, PLC, vagy gyári ventilátorvezérlés. Bár a PLC -hez is kell némi PLC programozási ismeret. Vagy ha kicsit fifikásabb, akkor meg próbálja megoldani a problémát úgy, hogy megtervezi a vezérlést időrelékkel, de nem kevés borsot fog törni az orra alá a feladat, úgyhogy ő is inkább a PLC-t fogja választani. Szóval ha abban reménykedtél, hogy itt majd kapsz a többiektől egy kész tervet kapcsolási rajzzal, alkatrészekkel együtt (ha csak nincs itt valaki más aki már elkészítette ezt mert ugyan ez volt a problémája), akkor azt kell mondjam, hogy csalódni fogsz. |
Bejelentkezés
Hirdetés |





Én pl, ezt a "beléptető" megoldást most fejlesztem a lépcsővilágítás témában (kb két éve van kész programom erre a helyzetre)








