Fórum témák
» Több friss téma |
Szia !
Igazad van, nem METCAL amire gondoltam, hanem JBC Üdv !
Ha csak 50% kitöltési tényező kell akkor T=(1/f)/2 miből 1.06383 μs adódik.
Az időzítés ha elhagyom a kimenetek lekezelését: Delay = 1.064e-006 seconds Clock frequency = 20 MHz Actual delay = 1e-006 seconds = 5 cycles Error = 6.01503759398 % ;5 cycles goto $+1 goto $+1 nop Vagyis ebből kifolyólag a kitöltési tényező változtatása olyan mintha porcelánboltba mennék elefántal. A 40MHz egy fokkal jobb, illetve a PROPELLER mégjobb de ha PWM-es IC kerül alkalmazásra, akkor nem kell stabilizálni annyira, mint PIC-nél nem kell kristály, nem kell a kimenetét illeszteni IC-n keresztül.... És az áram érzékelésről még nem is beszéltem. Ezen okokból kifolyólag nem csinálom mikrovezérlővel (pedig az elején úgy gondoltam, hogy belenyomok egy PIC-t de lebeszéltem magam róla). Ui.: ha pedig a 470kHz-re törekszem, akkor még a 20MHz-értékű kristály sem felel meg mivel teljesen más értékek adódnak így azt is el kell menni beszerezni.
Igaz. Ha figyelembevesszük a többi hátrányát, akkor nem lesz olyan jó mint spec.IC-vel.
Csókolom, szervusztok hölgyek-urak.
Véketlenül keveredtem ide de ha már itt vagyok akkor bocs! STSS-PS2E-02 230V~50Hz.1.0A /használt/ ha valakit érdekel áron meg szabadulok tőlle!Bocs ha rosz helyen kötögetem.
Tedd be az apróhirdetésekbe! Hamarabb rátalálnak, és nem a "fórumba vész"...
Köszönöm a jó tanácsot! Hogy jobban bele gondolok nagyon is igazad van. Naiv voltam, az áradozások utén azt gondoltam hogy kapva kapnak az urak a vissza nem térő lehetőségen. Jobban játok ha a VATERÁra teszem fel. Mégegyszer köszi a tippet!
Nem konkrétan a Vaterára gondoltam, itt a site-on is van egy apróhirdetési rovat. Aki venni/eladni akar valamit, azt böngészi inkább. Itt csak az talál rá, aki kimondottan ezt a témát olvassa. Bár, ha belegondolunk, logikus, hogy azok fogják keresni... De Te tudod.
Ahogyan vissza emlékszem csak a kapcsolási rajza és a fényképére volt igény. A kapcsolási rajzát nem adta ki a METCAL, a fényképét meg fel tudom rakni.
Felkeltettétek a kiváncsiságomat és bele néztem!
A hálózati trafón kivűl van benne legalább öt feritgyűrűs "izé", meg olyan vacak amire az van irva hogy "SN74HC04N" meg "TND903" és még van egy fényes dolog amire azt irták "13.560MHz". Ezen kivül van benne egy nagy marék fontos alkatrész a kondikon kivül! Nem tudom hogy segitettem-e? Jó épitést!
most a jobb vagy a baloldali tárgy a fototéma
Amugy a belsejéröl is készithetsz egy fotot a forumtársak örvendenének Idézet: „meg olyan vacak amire az van irva hogy "SN74HC04N" meg "TND903" és még van egy fényes dolog amire azt irták "13.560MHz".......” Eddig nem rossz Idézet: „Ezen kivül van benne egy nagy marék fontos alkatrész” Ezt milyen szempontok alapján állapítottad meg Üdv!
Szia !
Jobbra van a fotótéma, mert baloldalt a fényképezőgép van Üdv!
Onan gondolom hogy aszép szines alkatrész kélkül nem működne ha kivennénk.
Csak azt tudnám hogy az mijen távtartó vagy ilyesmi
ami a doboz és a panel között van!?
Sziasztok
Most tévedtem ide és akit esetleg érdekel az egyik ismerősömnek van egy metcal 200 as komplett álomása használtan de megkimélt üzemképpes állapotban amit elszeretne adni kinek mennyit érne meg amugy mennyi lehet az ujj ára? Akit nem érint attol elnézést kérek
Szevatok bütykölők.
Nekem is van néhány képem a egy METCAL SMARTHEAT MX-500P-21 állomásról. Közzéteszem ezeket bár "szerintem" csak mazohisták fogják ezen átrágni magukat. A lényeg az hogy szerintem ez házilag nehezen kivitelezhető és nem éri meg. Próbálkozni viszont lehet és az alkatrész típusok is jól jöhetnek! Csaba A képek több részletben kerülnek fel.
További képek!
És nincs több kép!
A képek zanzásítottak! Az eredetiket e-mail címre el tudom küldeni, speciális kérést is tudok teljesíteni (pl.: Ez az alkatrész nem látszik redesen, stb.) Csaba
Ha jól látom, ez 2 régetű NYÁK...ezt így kegyetlen visszafejteni...
Egyébként biztosan jól kitalált és kiforrott dologról van szó (mármint az állomás esetében).
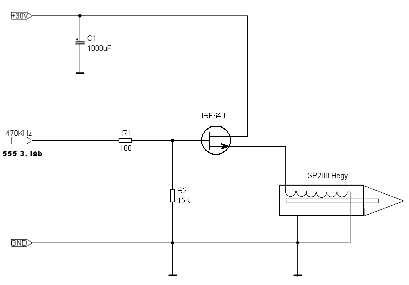
Üdv mindenkinek!Az 555-ből hogyan lesz 450mhz?STTC-144 hegyhez tud valaki kapcsolást?
Hello mindenkinek.
Lukinak a Páka.png képhez letudnád rajzolni az egész kapcsolási rajzot mert a leirából nem igazán értettem meg.
Szia László zs,
okt. 30-án azt írtad, hogy 9XXX Ftba került egy páka, két hegy, meg a szivacs. Úgy hallottam, hogy a ferruminoo a SSC-X45A hegyet kb. 5.000Ft-ért, a SP-HC1 pákarészt pedig 15.000Ft-ért vesztegeti. Te hol és milyen pákarészt és hegyet vettél 9XXX-ért?
A vaterán vettem. SP-200-as típushoz való páka (amit a kezedben fogol), szivacs, hegyeknek meg nem tudom a típusát fejből de SMD-hez OK /ja ólommentes/.
no akit esetleg feltüzel
![]() csatolmányban található az MX500 kimenőleje a "tápegység" panelján mérve a pákacsatlakozás pontjain
Ha esetleg valakit érdekel eladó ********* használtan (komplett) tudok eladót!
email: venk@freemail.hu Az apróhirdetésnek megvan a helye az aprók között, nem a fórumba írjuk!
Üdv. Mindenkinek! B.Ú.É.K 2008
Na én csatlakozom (#46782) László zs -hez! Nálam dettó ugyanez. Pákatörténet: pillfor; Weller; Metcal. Utóbbit szintén munkahelyen használtam (Bosch autóelektronika) Ez a cég is használt Wellert, de csak kiforrasztásra. javításra kizárólag Metcalt engedélyezett az előírás, de ez nem is csoda, hiszen a mi munkánkon emberi életek múltak, tehát egy agyonégetett chipkondi vagy ellenállás akár HALÁLLAL is végződhetett volna egy autóelektronikával kapcsolatban. Én ECU (motorvezérlő) egységeket javítottam és analizáltam. Szóval blablabla....METCAL AZ ISTEN!!!!
Sziasztok! Segítséget szeretnék kérni! Van egy METCAL MX-500-am és az egyik fet elpukkant benne. IRF530 az áldozat. A helyzet az, hogy már valaki ezt tette bele és nem vagyok biztos hogy ilyen frekin (kb.13,54Mhz) ez valóban jó e bele. Szóval ha valaki tudja az eredeti típust kérem írja meg nekem. Előre is köszönöm!
Szia
Ahogy elnézem a kapcsolási rajzot, van olyan FET benne! |
Bejelentkezés
Hirdetés |




áron meg szabadulok tőlle!






















