Fórum témák
» Több friss téma |
Fórum » MIG/MAG/Co2 hegesztő készülékek házilag
Témaindító: electorkalandor, idő: Feb 19, 2009
Témakörök:
Alfaweldem van, sima awi, de a beállításnál, és a hegesztésközben is írja az áramot.
Sziasztok!
Vissza olvastam a fórumban, és sok okosságot találtam barkács CO hegesztő "használhatóvá tételéről." Ezzel kapcsolatban szeretném kérdezni, hogy az eredetileg hegesztőárammal meghajtott előtoló motor működtetésére megfelelő lehetne egy ilyen tápegység? Vagy maradjak a segéd transzformátor + egyenirányítás beépítésénél helyette? Segítségeteket előre is köszönöm!
Tökéletesen megfelelhet, de előtte tesztelni kellene nehogy a motor indítóárama leültesse a táp áramkorlátját.
Tisztelt fórumozók!
Rengeteget olvastam a fórumot,ezúton szeretném mindenkinek megköszönni,hogy közzétette az építési tapasztalatait.Így sikerült a kínai csodából használható gépet összehozni.Az igazsághoz tartozik,hogy egy ismerős gépésztől aprópénzért jutottam 4 orosz diódához,valamint egy ismeretlen magyar gyári gép főtrafójához fokozatkapcsolóval együtt.(10 éve sufniban lapító,kacatként kezelt CO építési projekt maradvány ) Kérdésem annyi lenne,hogy a fotókon szereplő fojtóról van-e valakinek infója? MÉH telepi szökevény,háromfázisú gépben volt. Üdv: Bittó Nándor
Ez nem fojtó, hanem hajdani AWI gép HF trafója. Fojtónak kell 25-30cm2 ha egyenes(I-mag) Ha E-I akkor is ajánlott a 18-20cm2 egy 150-200A-es gépnél, kb. 3 mm légréssel.
Köszi a gyors választ.Az a fura benne,hogy kettő lapos profil réztekercs van rajta,és ez a kettő párhzamosan kötve 8-as csavarral,ráadásul szembefordított menetirányokkal.
Szerintem inkább az történhetett hogy a két kivezetést összefogatták hogy ne lazuljanak fel a tekercs külső menetei, mivel ez a vas szerintem nem több mint 9-10 cm2. Fojtónak lényegesen nagyobb kell. Ellenpárhuzamos tekercselésnek ilyen vason semmi értelme villamos szempontból.
Helló Joci!Segitséget kérnék .Megcsörgetnél visszahivlak!??
Sziasztok!
Valaki tudna segíteni fojtó vasmag, ill. huzal beszerzésében? Előre is köszönöm: B.N.
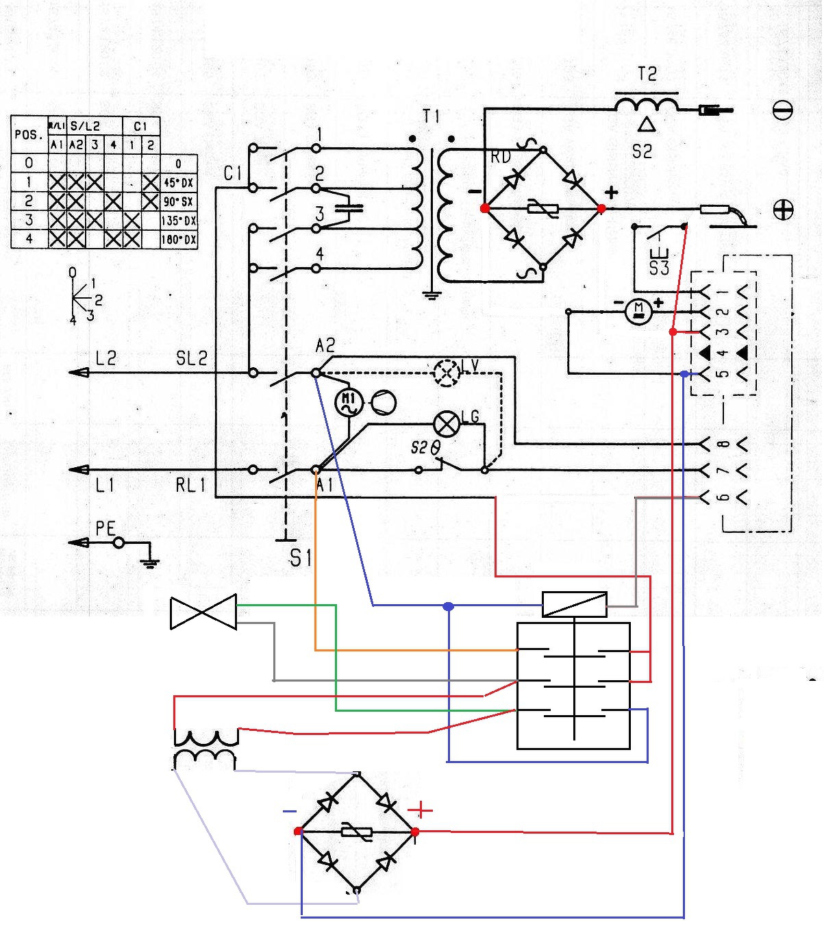
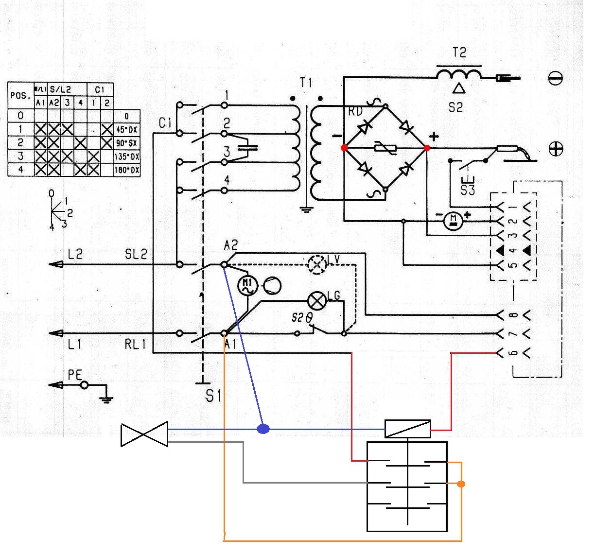
Köszönöm szépen a segítséged! A későbbi kondenzátor beépítés, illetve többetek tanácsát követve szeretnék mágneskapcsolót beépíteni a trafó, illetve a későbbiekben bekerülő elemek számára. Készítettem egy móricka rajzot, ha megtennéd, hogy ránézel helyesen gondolkodtam-e mielőtt füstjeleket gyártok, nagyon szépen megköszönném! A hegesztő egy Einhell Sga 170-es. Illetve még azt szeretném kérdezni, hogy a huzal előtolás meghajtására egy 24V 100VA toroid transzformátor alkalmas lenne-a múltkor kérdezett tápegység helyett? Segítséged előre is köszönöm! Szép napot mindenkinek!
A 100VA-es trafó több mint jó, elég lenne a 35-50VA-es is. A rajz elvileg jó, de rárajzolhattad volna a beépítendő trafót, mert aazl is lehet hibázni.
Köszönöm! A mágneskapcsolót bekötöttem, tökéletesen működik. Felrajzoltam az előtoló transzformátort is a rajzra, köszönöm ha ránézel, hogy jó lesz-e így! Illetve annyit szeretnék még kérdezni, hogy kondenzátorból 2 db 22000 µF 50V-os megfelelő lenne-e?
Szerintem Ok. Először csak egy kondival próbáld, és ha az nem ad kielégítő eredményt, akkor tegyél kettőt.
Helló! Segitséget kérnék !! Ha valaki kitudna SEGITENI EGY ILYEN ISKRAVAR 150 -ES IRÁNYITÓ PANEL RAJZZAL NAGYON SOKAT SEGITENE. kÖSZI.k
fongab! Tudnál az Iskravar panelrajrot küldeni,vagy hol találok róla? Üdv.K
Legalább azt nézd meg mi a típusa a kis kártyának. Lehet VAR-3 ; VAR-5 ; RE266 stb. Ha már van típus, akkor talán könnyebb lesz utánanézni. De lehet hogy egy fotó is lendíthetne a dolgon,-persze a típus azért fontos.
Helló mpisti! Köszönöm a segitséged igen VAR03C van benne ,és ha minden igaz meg is lessz ...
Köszönöm a segitséged .Üdv.K
Mi az a MIG>2A/5A/10A hegesztőpajzsnál, és melyik a jobb? DIN állíthatósnál melyik a jobb? 4-12 vagy 5-13?
Helló! Nem lehet biztos! Köszönöm szépen hasznát veszem! !Üdv.K
Helló! Vásárolnék egy TRAKIS 200 gépet ,nem tul sok jót olvastam itt róla amit találtam .... Mi a véleményetek róla mire kellene odafigyelni ?A fokozatkapcsoló és a kártya hiba (ha már van) mostanság mennyiből orvosolható !
Helló!Segitséget kérnék ismételten ! Ha megvenném ezt a gépet a hozzáadott fokozatváltóval , az használható hozzá?https://www.jofogas.hu/borsod_abauj_zemplen/Co2_hegeszto_elado_1072...87.htm
Szerintem nagyon drága! És sok jót sem nézek ki belőle!
A hozzászólás módosítva: Szept 27, 2020
Elég gyengécske. Gondolom, azért is adja el. A fokozatkapcsoló akár jó is lehet hozzá.
Nem írtál többet a Trakisról. Abban jobban bíznék.
Ez a gép a céljaidnak jó is lehetne, de a jelenlegi állapotában harmad részét éri mint amennyiért árulják. Cseréltesse ki a tulaj a fokozatkapcsolót és az eurocsatlakozót is, és akkor -ha működőképes lesz- talán megéri a 65e Ft-ot. A Trakis 200 gép -ha működőképes-jó választás. De fokozatkapcsoló és szabályzókártya hibával már nem biztos hogy jó üzlet. Egyébként egy fokozatkapcsoló 1 fázisú géphez(nem kínaihoz) 8-25 ezer között van, géptípustól függően, a tolókártya sok esetben javítható, ha cserélni kell akkor a legtöbb esetben reális áron csak kiváltó típus jöhet szóba.
Meg van!! Lett! Müködik,de rendbe kell szedni ,és az csak mühelyben jó,de hozni vinni nem igazán ,azért keresek olyat amit elbitok egyedül vinni betenni az autóba....
Köszönöm szépen MINDENKI válaszát! Ez szerintem is jó választás lenne a gép ,de igy !!? esetleg van még ilyen 380-as gép ami sokfokozatos és 15V munkaáramtól indul 2 v-ként?
|
Bejelentkezés
Hirdetés |




) 






