Fórum témák
» Több friss téma |
Szia!
Csináltam egy próbát, működik is szimulációban, de lefordítva meg sem mukkan. A proci 12F508. Az alapelgondolás működik, de programváltást is bele akartam tenni. A feladatot leítam proli007-hez írt válaszomban. Mellékletben az alap, majd a gyakorlatban nem működő verzió. Vajon miért nem megy? Üdv: Zsolt
Ja és a ZV2 helyett először sima számlálóval próbáltam (te példád), úgy sem ment.
Nem lehet hogy a beállításoknál van valami elkeverve? Próbáld meg egy másik piccel .
Túl vagyok rajta, már 3db-al próbáltam, és ha az első alapverziót visszaégetem bármelyikbe, az megy.
Más tipusra gondoltam, vagy a beállításokat próbáld megváltoztatni , a pover on timert bekapcsolhatnád...
Hát igen.
Az első tippem, nekem is más típus volt, csak ahhoz össze kellene drótoznom a próbapanelt. Megpróbálom 628-al az van itthon. A pover on timert megnézem, azt jelzek, hogy segít-e valamit.
Nézd meg a működő verzió beállításait .....
A működő verzió beállításai megegyeznek. A pover on bekapcsolása nem segít.
Megegyezik.
Kísérlet képpen kivettem a beállító nyomógombot is (elsőnél nincs), nem változik a helyzet. Elővettem a másik PICKIT-emet azzal is ugyanez a helyzet. A hozzászólás módosítva: Dec 7, 2013
Én mindkettőt kipróbáltam 877 re átállítva működik, tehát a programok jók . A hiba az ön készülékében van ...
No de hagyjuk, ezek tényleg az UFO-k. Majd megnézem másik proci típussal (de nem most).
Hello! Ó dehogy. Csak leírva tűnhet ez komplikáltnak, a valóságban egyszerűbb. (Persze én a táblázatot nem töltöttem ki. Egyel több elem a táblázatban pedig azért szükséges, mert a számláló törlésekor, egyel továbblép a számláló, míg törlődik.) üdv!
Köszönöm.
Ez jó ötlet, megnézem kitöltve a táblázatot és lefordítva, mit mutat.
A 3. lépés után hibát dob a parsic , valami nem tökéletes ebben a programban...
A hozzászólás módosítva: Dec 7, 2013
Tulcsordul a táblázat. Javítva, még nincs kész, de lefordulva működik.
Pl. egy működőképes verzió. A táblázat, igény szerint átírható.
Köszönöm.
Rájöttél hogy az előző két verzió miért nem működött nálad ??
Szia!
Csak a több táblázatos verzió nem ment, de most nincs kedvem egy másik típusú procival kipróbálni, pedig egyszerűbb és áttekinthetőbb lenne a vezérlésenkénti külön táblázat. Ha jutok valamire pl.: 628-al, jelzem. Igaz: A Proli féle megoldás kevesebb helyet igényel a prociban. A hozzászólás módosítva: Dec 7, 2013
Tessék egy 6 táblázatos futófény automatikusan váltja a táblázatokat , ötletadónak biztosan megfelel
Bocs, hogy beleszólok. Egy-két ötletet adnék a táblázatok kezeléséhez. Egy táblázatban kell megírni az összes variációt. A kivánt szakaszt kell kijelölni valamilyen módszerrel. Példák: számláló és MX variációval és adott esetben összeadással-vagy kivonással emelni az értéket a kívánt tartományhoz. Legpraktikusabb a limiter alsó és fölső határértékét egyszerre módosítani két MX modullal, egy számlálóval léptetve az adott programra. A limiter vezérelheti a lépés számlálót,..
Hasonló módon, az összeadás "tagjait" is MX-el léptetném. A limiteres megoldásra én is teszek fel egy példát.
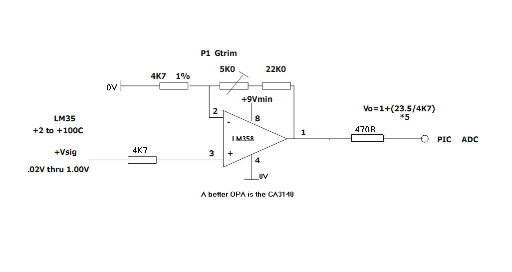
Üdv mindenkinek.Egy kis hardveres segítségre lenne szükségem,igazából egy kazánvezérlést építgetek amihez szükségem lenne valami hőmérő erősítőre,LM-35 vagy MCP vagy KTY érzékelőhöz. Mintha régebben láttam volna itt a fórumon , de most az istennek se akadok rá.
![]() Segítségeteket előre is köszönöm.
Ez a modulrendszerű PIC topic. Felerősítés után egy PIC-et akarsz használni? A Google keresőbe beírod LM35 amlifier (képeket keress) és tetszőlegesen válogathatsz...
Tudom ,16f873-ra menne,és Parsiccal készülget.Azért köszönöm
Tessék
A hozzászólás módosítva: Dec 8, 2013
Hát igen. a 3. variáció ráadásul 0°C alatt is jó (legjobb emlékeim szerint).
Ha tévednék javítsatok ki.
Kicsit bonyolultnak tűnik, de meggondolandó megoldás.
|
Bejelentkezés
Hirdetés |





Segítségeteket előre is köszönöm.








