Fórum témák
» Több friss téma |
Te tudod,én nem így gondolom,de nem vitázni szándékozom.Nézd meg a kapcsolási rajzukat.
Hát azt kell mondjam,hogy ez nem lesz egy egyszerű feladat,ugyanis ezek a multik kalibráltan születnek,vagyis gyártáskor egy adott szabvány szerint határozzák meg az ellenállások értékeit.Csak egy módon változtathatsz a pontosságon,ha a feszültségosztó minden egyes ellenállásának az értékeit megváltoztatod.Viszont ez felvet még egy problémát,mivel a kapcsolási rajz (ez nem épp DT,de a lényeg ugyanaz) alapján látni lehet,hogy egy feszültségosztót használnak fel három mérési fungcióhoz,vagyis a feszültség,áram,és ellenállás mérés hitelessége egy-ugyanazon ellenállások értékétől függ.Tehát ha például a feszültségen valamelyest javítasz,az ellenállás mérés annyival pontatlanabbá válik,és ugyanez fordítva is igaz...
Viszont ha mégis van kedved és elég türelmed ezzel foglalkozni,akkor megpróbálhatod úgy,hogy a feszosztó ellenállásait (R1,R2,R3,R5,R7,R10,R11,R15,R16,) kicseréled velük kompatibilis trimmerekre,amelyekkel majd egyenként módosíthatsz a méréshatár értékek pontosságán.Természetesen arra is figyelmet kell fordítani,hogy így túl nagy feszültség se kerüljön a mikrovezérlő bemenetére.Egyébként osztom az előttem szóló kolléga véleményét,viszonyításképp szerezz be valami pontosabb műszert,legalább 4, vagy 43/4 digitest,mert azzal amit te linkeltél kicsit olyan vak vezet világtalant feeling-je lesz az egésznek.
3,5 digitest 4,5 digiteshez szoktam beállítani. A 3,5 digites is lehet pontos, veszel bele egy 4e Ft-os gyári precíz ellenállásosztót
, vagy pontos műszerrel válogatsz feszosztó ellenállásokat.
Üdv!
Hát nem tudok jobb féle multiméter beszerezni így ez egy számomra bukott project. Köszi mindenkinek a segítséget.
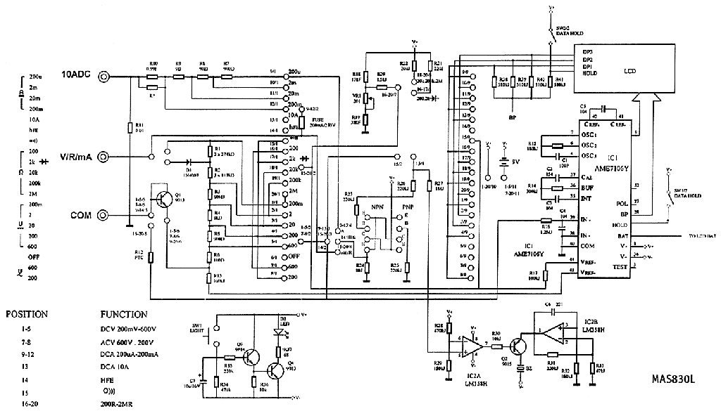
Tényleg nem a vita kedvéért,de mégis mekkora különbség van a két műszer közt?Ha tudnál szerezni kölcsön valakitől egy "jobb" műszert akkor megnézheted,megmérheted,hogy a tiéd valójában jól van e gyárilag beállítva.Először a referencia feszültséget kell beállítani,ellenőrizni az IC 37. lábán 100mV kell mérni,ha a műszer bemenetére (2V méréshatár) pontosan 1V egyenfeszültséget kapcsolsz,találsz ott egy trimmert az IC mellett közvetlen,ezt egy 1,5V elem és egy 10K lineáris potméterel kialakított feszültségosztóval tudod megvalósítani.Ha ez rendben találtatik akkor már csak a feszültségosztó lánc változtatásával lehet finomítani,ami eléggé macerás.Mellékelem a két műszer kapcs. rajzát,ha a gugli igazat mondott.
Üdv!
Átlagban a 1 egységgel mér többet a DT a MAS hoz képest, mind ellenállás, feszültség és amper mérésnél.
"Egység"? Utolsó digit talán? Pontosan írd le légyszives mit értesz egységen.
Például 6v helyett 6,9 v; 2,2K Ohm helyett 3,5 K Ohm.
Az már %-osan komoly eltérés ezért kellene egy pontosabb multit akár kölcsön kérned, és kiderülne melyik mér jól. Elemre mindkettő kényes azt tudod.
Elemek voltak cserélve többször is, a helyzet változatlan.
Csak egy ötlet.Műszer hiányában próbálj megmérni mindkét műszerrel 5 illetve 12V stabilizátorok kimenetét,általában + - 0,1V eltérésnél nem szokott több lenni a stabkockák kimenetén,de még ennyi eltérés sem,szerintem,azonnal kibukik melyik műszered csalhat többet.Ellenállás méréssel is lehet némiképp ellenőrizni,ha van valamilyen pontosabb (1-2-5%) ellenállásod.
Most nézem a MAS830L kapcsolási rajza,amit előzőleg mellékeltem,HIBÁS,nem stimmel az AME7106Y IC bekötése,ezt vedd figyelembe,ettől még a beállító trimmer ott van.A 35 és 36. lábakon mérj referenciát,rosszul írtam a 37. lábat múltkori hozzászólásomban.
A MAS 4.94 voltot míg a Dt 4,90 voltot mutat 7805-ös stabkocka kimenetén. Pontos ellenállással nem rendelkezem, 5 %-os nál pedig sok a különbség.
Hát ez nem látszik nagy eltérésnek.Magasabb értékeknél is nézted?Nekem van vagy fél tucat M830 alapra,de sok névvel,készült gyári "gagyi" műszerem,de azok is csak század voltokban térnek el egymástól,ettől a minőségtől nem is várható több.Van még két hasonló kategóriájú DT2905 műszerem is,ezek közül az egyiket kalibrálnom kellett újkorán,az valóban sokat csalt,de szerencsére belül minden mérésfunkcióhoz van trimmer.
Sziasztok! Van egy ilyen multiméterem, egy ideje félre volt rakva mert nem mért azután, hogy szétszedtem mert a csipogója kicsit 'köhögősen' szólt, egy két nekem nem tetsző forrasztást átforrasztottam benne, aztán összerakva nem igazán akart mérni semmit se, pedig óvatos voltam... Most megint elővettem az a gyanúm, hogy esetleg az üzemmódkapcsoló alján lévő V alakú aranyszínű érintkezők közül esetleg az egyiket elhagytam volna? Ugyanis 6 ilyen érintkezőnek van ott hely, de nekem csak 5 van, az egyik szélén lévő helyen nincs...
Esetleg valaki akinek van ilyen multimétere lefotózná nekem az üzemmódkapcsolóját belülről? Előre is köszönöm! Üdv!
Esetleg, ha valakinek lenne egy kapcsolási rajza a műszerhez annak is örülnék
Senkinek semmi rajza?
Amúgy próbálgattam kicsit, és feszültséget egyáltalán nem mér, érdekes módon túlcsordulást mutat minden állásban, próbáltam feszt ráadni, nem változott semmi... Akkor szakadásvizsgálónál érzékeli ha rövidre zárom akkor 0-t mutat rendesen, viszont diódát nem mér, ellenállás állásban pedig szintén érzékeli a rövidzárat amúgy valami nagy számokat írkál ott is ki, és mérni viszont nem mér semmit. Egyedül 10A-es állásban mér, és ott úgy tűnik nagyjából jól is mér eltérés van némi de az érték a helyeshez közeli (0-5A ig próbáltam szóval az úgy tűnik rendben van) A többi állásban meg ugye semmit nem mér... (mondjuk a multiban lévő trimpotikat próbálgattam mindenfelé tekerni, miután már nem működött, pontos multihoz úgyis be tudom majd állítani ha elállítódna és valami mástól jönne helyre, de ez se nagyon változtatott semmit, esetleg a potik állítása után ki kéne kapcsolni és újra vissza? mintha valami akkor változott volna amikor így próbáltam, de persze működni nem kezdett egyik korábban is hibás funkció se)
Na megoldódni látszik az ügy magától, egy ismerősömtől kaptam kölcsönbe egy ilyen multit az enyémbe áttéve az üzemmódkapcsoló hiányzó helyére egy érintkezőt abból, úgy tűnik a multiméter minden funkciója jó! Furcsálltam is, hogy attól, hogy átforrasztottam benne pár csúnyának tűnő forrasztást mi baja lett volna, szóval valószínű valahova elpattant ez az érintkező és nem vettem észre...
Viszont kapcsolási rajznak még mindig örülnék... vagy ha valaki tudja melyik trimpot mit állít az is jó lenne, ha megosztaná velem a pontosabb műszerhez képest előtte is eltérőt mért, most meg főleg hogy elállítgattam...
Sziasztok.
Lenne egy problémám a multimmal. Ez egy 25 302-es maxwell, viszonylag új is. Alig egy éve vettem. Ami azért nagyon dühítő, mert a tisztelt eladó csak 12 hónap garanciát vállalt rá . A problémám az, hogy ellenállásmérésnél mikor a 200M-ás állásban van a méréskapcsoló 1M-val többet mér mint kellene. Pl:2.2M helyett 3.2M jelez ki. Más méréshatároknál helyesen működik a műszer, csak ennél az egy funkciónál van probléma.Van valakinek valami ötlete, hogy mi lehet a gond, esetleg lehet orvosolni ezt a problémát? A segítséget előre is köszi Tsaba
Nem biztos,hogy orvosolni lehet egyszerű megoldással.A 2,2M ellenállást inkább a 20M méréshatárban mérjed,ott biztosan jobb eredményt kapsz.A 200M méréshatárt a 20M feletti ellenállások mérésére találták ki és ott már az eltérés százalékos aránya nem olyan nagy a mért alkatrészhez képest.Biztosan kaptál hozzá leírást,ott feltüntetik a mérés pontosságára vonatkozó százalékos értéket tájékoztatás képen.Ezekkel a műszerekkel a mérendő ellenállásokat a mért értéknek megfelelő legkisebb állásban kell elvégezni,így kapsz aránylag a legpontosabb adatot.Azt ne várd el a műszeredtől,hogy egy adott ellenállás értéket minden állásban pontosan mutasson.
Szia
Elolvastam a használati utasítást is, ott 5%-os pontosságot írnak 100k felbontással. Nem hiszem, hogy ez lenne a probléma. Megmérném én a 20M méréshatárral is ,de ennél a műszernél a 2M méréshatár után a 200M méréshatár következik :nemtudom: Néztem más értékekkel is, de az eredmény ugyan az. Tsaba
A ** em én sejtem a választ:
+/-(5,0%(rdg-10) + 20) Bővebben: Link - manual Azaz pont 10 digittel, ahogy te is írtad 1MOhm-mal többet mutat ebben a méréshatárban Bár erről a leírás ahogy nézem konkrétan nem ír, de lehet ez a vezérlő ic-ből ered, az én teljesen más gyártmányú multiméteremnél is van ilyen, csak ott a leírás beszél is róla: "At 200M? range , test lead is in short circuit , and it is normal to display1000 digits. During measurement, subtract the1000 digits from the reading." gondolom a tieddel is ez lehet a helyzet...idézet innen: 30.oldal ebben egy iclxxxx a/d átalakító van, ha jól emlékszek...
Egyébként ha már itt ez a téma, nekem is lenne kérdésem, amit már korábban feltettem az adott műszerhez tartozó témában, de ott nem érkezett rá válasz, hátha itt valaki tudja. Maxwell Mx-25112 multiméterben a 3 trimmerpoti közül melyik mit állít? Nekem sikerült az enyémet elállítani van műs műszer amihez be tudnám állítani, csak jó lenne tudni, melyik trimmer mit állít... köszi ha valaki segít
Igen, igazad lesz. Így már mindjárt világosabb a helyzet
.Köszi
Helló. Van egy DT-9205B multiméterem. A hibája az hogy váltófeszültség állásba néha minden mérés nélkül is végtelent mutat. Egyenfesz, ellenállás, dióda áram mérések jók csak a váltófesz. 20 és 200V méréshatárba csinálja ezt.
Szétszedtem de nem találtam így szemre semmi rosszat.
Koszosodás szokott ilyet tenni. A forgókapcsolót tisztogasd át.
Értem. Szétszedem kontakt spray-al átfujom majd megtöröm lehetséges hogy jó lesz?
Megtisztítottam ugy néz ki jó lesz. Köszi a segítséget.
|
Bejelentkezés
Hirdetés |




, vagy pontos műszerrel válogatsz feszosztó ellenállásokat. 

. A problémám az, hogy ellenállásmérésnél mikor a 200M-ás állásban van a méréskapcsoló 1M-val többet mér mint kellene. Pl:2.2M helyett 3.2M jelez ki. Más méréshatároknál helyesen működik a műszer, csak ennél az egy funkciónál van probléma.
.