Fórum témák
» Több friss téma |
Köszi szépen .
Hát akkor át lapozom ezt a topicot,hátha találok valamit.
Köszönöm szépen a segítséged, megfogadom a tanácsod. De sokkal nagyobb esélyem lenne eligazodni rajta, ha lenne rajzom erről az istenverte MX 25-201-ről. Bár az alkatrészekre így is rámérhetek. Most nem tudok képet felrakni a gépemre, mert nincs fényképezőm,csak egy mechanikus orosz, az meg nem ismeri az USB-t, a telefonom meg haldoklik.
Üdv mindenki.
Ma vettem egy MAXWELL MX 25 201-es multimétert csak nem kaptam hozzá használati útmutatót ha valaki tudna küldeni akkor nem mennék vissza az üzletbe. Előre is köszönöm.
Sziasztok, van egy Metex M-4650 típusú multiméterem és az a probléma áll fent, hogy nem 0.000-ról kezdi a mérést hanem 0.002-ről tulajdonképp nem tudom, hogy ez gyárilag így van-e vagy esetleg valami tönkre ment benne... illetve, hogy így csal-e valamit egyáltalán... Előre is köszönöm
Gondoltam megírom, azt hogy pár hónappal ezelőtt egy kinemsütött kondival elküldtem a műszerem az örök vadászmezőkre. De garisvolt, és gondoltam beviszem az elektonikai boltba ahol vettem, hátha elküldi javításra. 3 hét mulva visszais küldték, de nemaz enyémet, hanem egy teljesen ujjat, bontatlan csomagolásban. Örült is a szám. Szval aki ígyjár, jobbanteszi ha megprobalja, hátha szerencsével jár.
Sziasztok
Mennyi egy multiméter (konkrétan Maxwell MX 25-304) árammérőjének belső ellenállása? Én egyenáramon próválgattam, de 0,1 Ohmnak jött ki 200 mA-es (Fused) méréshatárnál. Másra most nem tudtam itthon kimérni, de ez nekem gyanús...
Szia!
Ha jól értem egy multiméterrel kimértél egy másik multimétert, amikor az egyenáramú méréshatárba volt kapcsolva. Jól mértél, a 0,1 ohm az teljesen normális, tulajdonképpen annyi kell hogy legyen....
Hasonló, egyszerűen összeraktam pár kapcsolást a műszerrel és különböző, pontosan ismert ellenállásokkal. A feszforrás kapcsolási kapocsfeszültségéből, valamint az ellenállásokból és a műszer által mért áramból kiszámoltam a belső ellenállást, majd ezt a többi kapcsoláson ellenőriztem.
Jó estét kivánok.
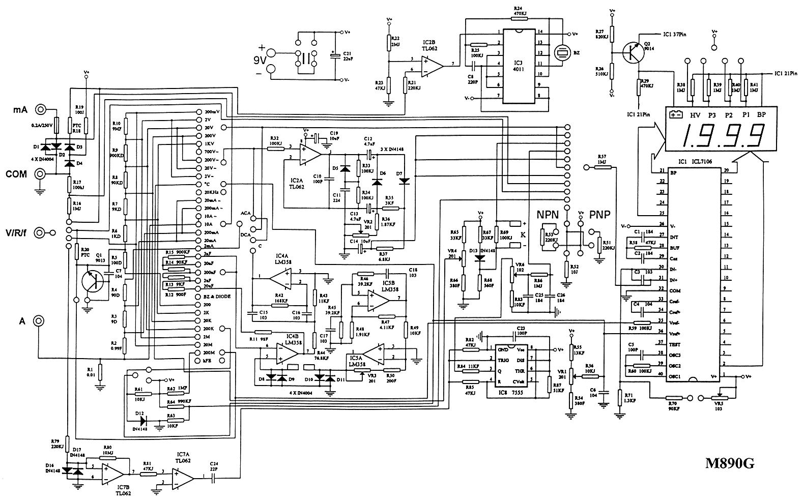
Van egy M890G tipusú multiméterem. Van ezzel egy problémám. Ellenállást nem mér, nem tudom mi lehet az oka.Alapállapotban 0,79et mutat 20K méréshatárnál, a többinél ugyanezt, persze a megfelelő tizedesekkel.Próbáltam mérni több ellenállást, továbbra is a 0,79et mutatja.Nem mér semmit.Mindent mér jól, csak ellenállást nem akar.Elemcsere volt. Esetleg valakinek lenne valami tapasztalata, ötlete? Köszönöm.
Szia!
Ellenőrizd a Q1 tranzisztort zárlatra-szakadásra, valahol annak a környékén lessz a hiba
Sziasztok.Van egy multiméterem amin van Farad mérés, ezzel tudom a kondenzátorok kapacitását megmérni? Jah és van egy CX jelű csatlakozás is( ha ide berakok egy kondit akkor mutat valami értéket de nem pontosan azt ami a kondenzátor kapacitása.?Köszönöm a választ.
Üdv. (#581355) pityu_18. Eléggé általánosságban irsz szerintem, de valószínű, úgy van, ahogy feltételezed. De mielőtt egy kondenzátor kapacitását megméred, ki kell sütni azt a kondenzátort, főleg ha nagy a kapacitása! A kondenzátorok tárolhatnak feszültséget, és ha úgy méred ki az értékét, hogy előtte nem sütötted ki(vagyis nem zártad rövidre a lábait), akkor a kondiban levő feszültség tönkreteheti a műszered. Bár a mai műszerek általában 250 Voltig hatásos védelemmel vannak gyártva, azért nem kell kísérteni at ördögöt.
A másik gondolatod: a feltüntetett érték a kondenzátoron csak névleges érték. Meg van, hogy +- hány % tűrésen belül számít jónak a kondenzátor. Tehát ha veszel két teljesen egyformát, és kiméred, azok se teljesen egyformák,de egy-két százalék eltérés általában nem okoz gondot, csak ha valami speciális, vagy mérőcuccba kell. Én úgy mértem, amíg nem halt meg az MX 25-201 típusú műszerem, hogy az adott kondit kisütöttem (az áramkör áramtalanítása után), kiforrasztottam az áramkörből,bekapcsoltam a műszert, olyan állásba állítottam, hogy biztosan ne lépjem át a méréshatárt,majd beledugtam a Cx jelű csatlakozóba a kondi lábait. Ha mindkét lába elég hosszú és érintkezik, akkor a tényleges (nem feltétlen a névleges) értéket kellene mutatni a műszernek. Bonyolultnak hangzik, de egy pillanat. Csak azért szövegeltem ennyit, mert úgy veszem ki a szavaidból, még csak ismerkedsz a kondenzátorokkal,meg a mérésekkel...meg én is, csak én a 80-as évek vége óta. Általában pici,10-20 nF-os kondi nem tud komoly energiát tárolni, a problémát a mikrofarados nagyságrendű, főleg a néhány ezer mikrofarados és komolyabb feszültségű okozhat szerintem.Ha valamit rosszul tudok, akkor javítson ki valaki.
Sziasztok. Karácsony előtt vettem 1 multimétert MLogic DT9205 És nem megy a feszültségmérője DC+AC az összes többi funkciója jó(amper,ellenállás,kapacitás,dióda teszt, tranzisztor). Akármit mérek pl. a multkor meg akartam mérni 9Vos elem feszültségét és "1" jelent meg a kijelzőn, a papirja szerint ez azt jelenti hogy a tul van a méréshatáron ami 1000V DC, az AC része szintugy nem megy ki akartam mérni a 12V 350mAes adapterem feszültségét és ott is "1"et mutatott a méréshatár 750V AC. A műszert feltekertem a max méréshatárra és ugy is csak "1" volt a kijelzőn. Mi lehet a probléma?
Szia!
A készülék rossz. Vissza kell vinni az üzletbe.
Ok. Köszi.
Hi Mesterek.
A kütyün "meghalt" a 2mA/20mA/200mA méréshatár, mindig túlcsordul. Még egy led mA mérésénél is. Szóval lehet evvel valamit csinálni vagy kuka? Válaszokat előre is köszönöm.
Hello!
Szerintem szétégett benne a sönt ellenállás, ez olyan 0,1 ohm körül lehet, bár ez multimétertől függően változik. Áramerősség méréskor az ezen az ellenálláson eső feszültséget méri le a műszer, de mivel ez valószínülegelégett, ezért túl nagy feszültség esik rajta, és ezért a multi nem tudja megmérni. Esetleg egy típusszám segítene!
Hi
A tipusa: DT-9205B-es. Már néztem a belsejét és nem láttam benne szétégve semmit, de hátha.
Nem muszály feketének lennie az alkatrésznek, elég, ha a belselyében a szén szétég és az ellenállásnak annyi. Megpróbálok adatlapot keríteni ehhez a multiméterhez. Még annyit, hogy ez az egy műszered van?
Üdv!
Ha 20A állásban helyesen mér, akkor nagy valőszinüséggel csak a 200 mA bizti ment ki belőle, azt ellenőrizted?
Sajnos nem sikerült megszereznem a kapcsoási rajzát, de ha van egy másik műszered, akkor mérj rá ellenállásmérővel a mA és a COM feliratú csatlakozókra, ha tényleg az ellenállás a baja akkor vagy szakadást fog mutatni, vagy nagyon nagy ellenállást. A biztosíték nem okozhat ilyen jellegű problmát, ha az ment volna ki akkor nem mutatna semmit sem, és mivel tud feszültséget mérni ezért azzala résszel sem lehet gond ami mér. Ha van garancia még a műszerre, akkor az a legegyszerűbb ha visszaviszed, de ha nincs akkor sem kell kidobni. Ha szétszeded, akkor a mA és a COM csatik ossze vannak kötve egy kicsi ellenállással, nagy valószínűséggel ez ment tönkre, ha szerencséd van akkor rajta van színkóddal az értéke, ha tudod az értéket vehetsz egy ugyan olyat, kicseréled és ha tényleg ez volt a baja akkor örülsz!
Üdv!
Ez a válasz azthiszem Baxi-nak szólt. Egyébként igazad van, ha a bizi ment volna ki akkor nem mutatna semmilyen értéket...azt hiszem egy kicsit elhamarkodottan válaszoltam az előbb
Van egy másik, de azt még nem használtam nem mai gyerek már , egy ezresért találtam a használt németesben
![]() A digis multiméter a többi állásban mér rendesen pl.: 20A állásban. A bizti jó néztem, és ezért is ment tönkre a műszer mert megpatkoltam benne. Pedig hajszálvékony vezetéket raktam bele. Itten van pár kép, így hátha betudjátok nekem azonosítani a hibás ellenállást.
A képen elég nehéz kivenni a vezetősávokat a vakutól, esetleg próbálj már meg egy olyan fényképet készíteni ahol más szögben tartod a gépet, az a lényeg, hogy a vaku ne tegye "láthatatlanná" a vezető sávot. Meg még az is jól jönne ha a NYÁK másik rétegéről is feltennél egy egész képet, úgy könnyebb lenne beazonosítani a kívánt alkatrészt. Kösz
Üdv!
Nekem is hasonló a problémám, mint Baxi-nak, csak nekem nem kiakad áramerősség mérésnél a műszer, hanem 0-t mutat. Ahogy hozzáérintem a mérni kívánt ponthoz, egy pillanatra felvillan valami érték, de aztán beáll nullára. Mintegyik méréshatáron, legyen az 20A vagy 20mA. A biztosítékot megnéztem, azzal nincs semmi baj. A műszer típusa: Metex M-3800. Köszi a válaszokat előre is!
Szia!
Van egy nyolclábú műverősítő valahol a bemeneti csatlakozók környékén, nekem anno ennek a cseréje segített egy M3800-nál. Igaz, az a műszer túlfesztől ment tönkre, viszont nem csak áramot nem mért, hanem semmi mást sem. Próba szerencse, veszteni nem veszthetsz vele ha kicseréled. Emlékeim szerint alapból sincs benne olyan nagyon sok aktív alkatrész, ami mondjuk nem hátrány hibakereséskor. Rajzod van hozzá? Ha szükséges, megkeresem neked, valahol megvan nekem a teljes leírása pdf-ben.
Sziasztok. Bocsi hogy csak úgy ide pofátlankodok...Csak annyit akartam írni, hogy ha a söntnek használt ellenállás megszakad, akkor szerintem nagyon nagy áramnak kellett folyni rajta. ami műszerekkel találkoztam, a leg gagyibb is meglehetősen vastag drótból volt meghajtva- mármint a Söntnek használt ellenállás. 10 A-t minden gond nélkül bírt.. szerintem inkább valami forrasztás, vagy valami egyéb alkatrész, ami áramkörileg közel van a sönthöz, de ha rosszul gondolom, javítson ki valaki...csak ide tévedtem, mert va egy Maxvell 25-201-es műszerem, amivel már régen beírtam, és akkor bejelöltem, hogy kérek értesítést ha üzenet érkezik. Értesítéseket kapok, a műszerrel nem bírok, kidobni még nem akarom,mert nagyon szerettem...Most egy My-64-es van használatban, csak annak meg a forgó kapcsolója kinlódik, kontakt-hiba. Az mx-25-201 forgó kapcsolója nekem soha nem volt kontakt-hibás. Na megyek,nem zavarok tovább. jók legyetek, sziasztok... Majd néha azért vissza nézek
A helyzet a következő, egy ilyen multiméterben a pontosság miatt nem csak az a sönt van, azon csak a 10A-es méréshatárt méri. Van benne még egy sönt ami egy kissebb méretű, általában 0,1 ohm-os ellenállás szokott lenni. Ezért is van az, hogy a mérőkábelt máshova kell csatlakoztatni, ha 10A-ig akarsz mérni, vagy ha csak 200mA-ig. A forgó kapcsokat meg próbáld meg finom dörzspapírral megcsiszolni, de csak óvatosan, esetleg egy kis tiszta szesszel lemosni. Én is használom még az én My-64-es műszerem, csak a kondi méréssel vannak problémái, de már beújjítottam egy jobb multimétert is.
Köszönöm a sönttel kapcsolatos infót. Ha belegondolok, tényleg csak a 10A, vagy MY-64-nél azt hiszem 20 A méréshatárra vonatkozik az a sönt amit valamelyik hsz-ban írtam. Ebben igazad van. De a csiszolóvásznas módszerrel fenntartásom van. Valahol azt olvastam, hogy a panelen a kapcsolónál levő részen az érintkező felületként használt réz fólia néhány ezred miliméter vastagságban be van vonva arannyal, legalábbis azoknál a műszereknél, amelyek nem nagyon gagyik. Egy sok éve műszerészként nem dolgozó emberke mondta valamikor, hogy eszembe ne jusson csiszolóvászonnal próbálkozni, mert lecsiszolom ezt a réteget. Azt mondta, hogy ez nem látszik minden esetben, mert annyira vékony, hogy ezért átlátszó. De a szeszt, alkoholt ő is javasolta. Márik fenntartásom, hogy ha felcsiszolom finom csiszoló papírral (pl.ezres finomságúval) akkor utána nem tudom kifújatni maradéktalanul a rézport- gondolom én.Régen volt egy másik MY-64-esem, annak a kapcsolója szétégett. Átütött két fólia között, és az az IC, vagy proci vagy mi vezérli az egészet... tönkre ment benne. Csak akkor még 18 ezer forint volt az MY-64-es. Néhány évvel ezelőtt meg 6 ezer forintért láttam. (ezek Veszprémi és Ajkai árak, Budapesten gondolom más az árfolyam).Ilyen problemám nem volt a Maxvell MX25-201-essel. Csak azt valahogy tönkretettem. Egy konkrét valamit mindig tönktetesz, és utána szakadás lesz a COM és a Volt/ohm/mA között. Valahol régebbi hsz-ban írtam, de már nem emlékszek pontosan, régen volt. Ez a valami minden ismerősöm szerint más, ezért nem tudom mi. Két lába van, olyan, mint a "lencse" kondenzátor, de sokkal vastagabb. A Com csatlakozóval van kapcsolatban az egyik lába, nélkülözhetetlen az MX 25-201 működéséhez. miután megszakad, minden feszültséget 0-nak mutat, minden ellenállást szakadtnak mutat. A panelen F betű jelöli. Megpróbáltam 250 mA-es biztosítékot belerakni, de ha csak egy ceruzaelemre mérek rá, akkor is kiveri. Nem akartam erős patkót rakni bele, hátha nagyobb bajt okozok vele
|
Bejelentkezés
Hirdetés |















