Fórum témák
» Több friss téma |
Fórum » NYÁK-rajzolat készítése kapcsolási rajz alapján
Témaindító: miklosch, idő: Jan 16, 2006
Témakörök:
Persze hogy lehet , tervezd meg a sprint layouttal
Lehet hogy ő azt szeretné hogy valaki megtervezné, és meg is építené, majd elküldené neki.
Maximum ha te készítesz, mert a fotók olyan élesek akár egy 20 éves borotvapenge.
Hello
Egy ujabb keresel alnek elo ha tudnatok segiteni(leci)! Ha megtudnatok nekem tervezni ez a kapcsolasi terv alapjan l* A hozzászólás módosítva: Márc 8, 2014
Miért nem írsz a "cikk szerzőjének " a bss-en??
nincs sehol se nemtallalom a nyak tervet sehol se!
A hozzászólás módosítva: Márc 8, 2014
Írtál neki? Akkor várd meg amíg válaszol ! Képzeld el a haverom 45 éves a múlt héten mutattam meg neki a sprint layoutot és szerdán kész nyáktervet küldött!Ő 3 nap alatt megtanulta ....
A hozzászólás módosítva: Márc 8, 2014
Bizony. Én is 40évesen tanultam meg használni. Előtte kockás papír meg ceruza volt. Az is jól működött. Pl. ha színes ceruzát is használtam, akkor már akár 2 oldalas nyákot is tudtam tervezni...
De tik nem tudnatok megtervezni???
A hozzászólás módosítva: Márc 8, 2014
"Mink" megtudnánk de nem akarjuk, már tizenötször leírtuk hogy ha nem tanulod meg a nyáktervezést mindig csak kuncsorogni fogsz. A sípoló és a pickit készen van már ??
A hozzászólás módosítva: Márc 8, 2014
Már egyszer betettem csak neked ! Meg sem köszönted, most már próbáld meg egyedül megkeresni.
De ez most az utolso keresem ebben a topikban jo???!!!
Ess neki, tervezd meg! Nem kell hozzá külön szaktudás! Itt van egy kis minta, hogy mennyire egyszerű. YouTube video
sziasztok
Valaki segitene megtevezni ezt a nyak-tervet fontos lenne mert nekem egy kicsit bonyolult!!! elore is koszi!!!
Üdvözletem mindenkinek.
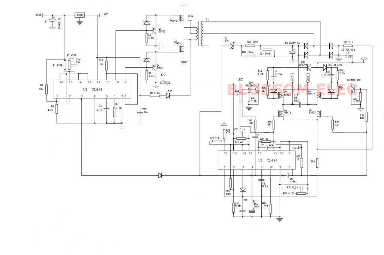
Segitséget szeretnék kérni ebben a nyák-rajzolat készítésében ,vagyis ha valaki megrajzolná nékem. Ime erről vóna szó : És ha lehetne a vég tranyokat a szélire tenni. Q1,Q2......Q5,Q6,Q7,Q8. + megadnám a méretet is, hogy milyen alakúra kéne. Előre is szépen megköszönöm.
Szia!
A mellékelt képen nem értem mi értelme lenne, ezenkívül annyira rossz a kép, hogy kivehetetlen némelyik alkatrész.
Köszi . Arra gondoltam hogy kicsit nehezzen látni.
Itt van a rajz a link-en :http://www.overunity.com/14378/akula0083-30-watt-self-running-gener...lND_Z4 És itt volna a méret kb :145x67mm. kéne ,tehát téglalap. Köszike. A hozzászólás módosítva: Aug 13, 2014
És a hibával amit bekarikáztam mi legyen?
Ha kérhetném ezeket a lábakat hagyd ki ,13,14,15,16. 1,2,3.
majd hozzá rajzolom ezeket, mert ezt a ic-t sok féle képen már raktam össze, azt fogom tudni. köszi tán több hiba nincs benne.
És a trafóról lehet tudni valamit, vagy ki lesz vezetve? Smd lehet benne?
A nyákon kell . Az egy PC tápp-ból volna. Egyik fele 6 láb,a másik 4 láb. A 6 láb lessz a 2 tranyos rész , a másik pedig lessz a 4 dioda része. Ahogy meg rajzolni ugy lessz be kötve.
Ilyen trafo lessz benne,csak kevesebb láb.
Köszi de azt megoldom mert még gondolkodom az erőség in, nagyságán,azt is hozzá rajzolom, csak eléglesz kb ra, kocka format kihagyni rajt.
köszi. csak a többit rajzolni meg.
Elvileg kész, de át kellene nézni, hogy tényleg jó e, mivel az alkatrész értékek és a tranzisztor típusok nem olvashatóak a lábkiosztást is meg kellene nézned.
KÖSZI szépen. Atnézem ha rendben van akkor megcsinálom. Ha kész irok,és lefényképezem és felteszem ide.
Jövök 1 gyel. Köszi. ![]()
Sziasztok!
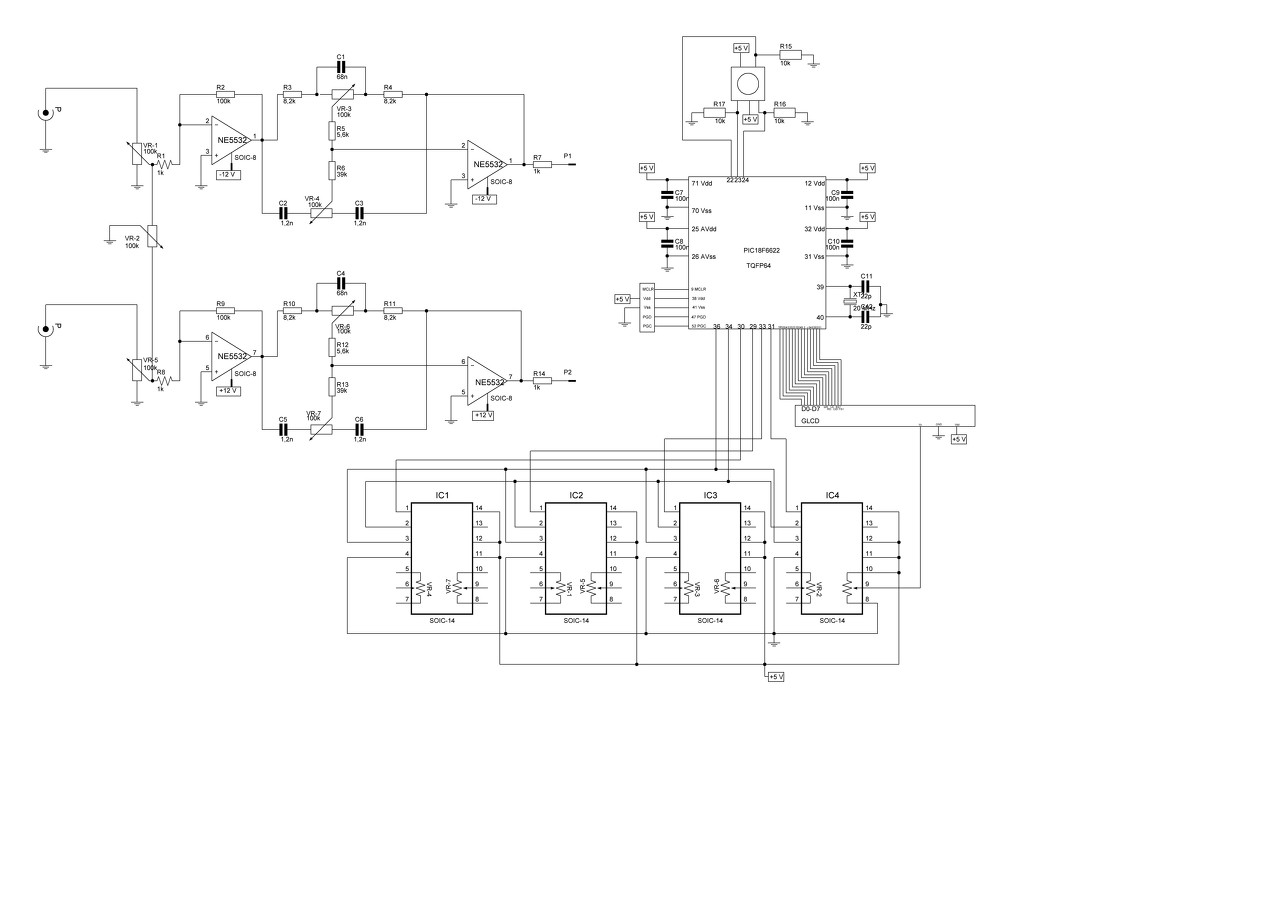
A tapasztaltabbaktól szeretnék tanácsot kérni. Adott a mellékelt kapcsolási rajz (az sincs még teljesen kész) amiből nyák tervet szeretnék készíteni, de fogalmam sincs hogyan kezdjek hozzá. Próbáltam az alkatrészeket feldobálni, "gumiszalaggal" összekötni és ezután valami normális vonalvezetést kihozni, nem sok sikerrel. Mit tanácsoltok? Milyen logika mentém haladjak? |
Bejelentkezés
Hirdetés |











