Fórum témák
» Több friss téma |
Fórum » NYÁK terv ellenőrzése
Jó szívvel ajánlom inkább ezt a kapcsolást.
Minden szempontból alkalmasabb a feladatra, és talán az is számít, hogy készítettem hozzá egy jó paneltervet is.
Köszi! Akkor módosítom
egyébként a 2n3055 To3 tokozású ezért úgy terveztem hogy panelon kívül helyezem el 1-1 meglehetősen nagy hűtőbordára,ezért is nem a to3-as helyet használtam a nyák tervnél , Szóval elvileg a kicsatoló kondinak nem kellene útban lennie. Bár azt nem tudom mennyire jó ötlet ez az elgondolás.
Üdv!
Még nem megy 100%-an a nyáktervezés sajnos! Sokszor elkészítem hibátlanul, sokszor viszont óriási hibákat találok/találtok! Erre a topicra csak most találtam rá, ha ezt előbb tudom nem pazaroltam volna annyi Nyákot... Megkérhetnélek titeket, hogy leellenőrzitek nekem a lent található tervet? Előre is köszönöm!
Szia!
Ha feladod, akkor van egy úgy nevezett DOZ végfok ami erre a kapcsolásra alpul ami nem nehéz, és működőképes ha érdekel.
Természetesen érdekel, ami fontos az az ár és a minőség, hogy ne legyen drága és szép hangja legyen!
Nekem kb 3000Ftból kijött, igaz hogy nem 2n3055el hanem mással de szép hangja van.
Sziasztok!
Javítottam a rajzon, de SMD kristályt egyenlőre nem találok ami 20Mhz, 22pF-al terhelhető! Járható út lehet, ha a sima kristályt melegragasztóval ragasztom fel a forr. oldalra és az ic-tok lábához forrasztom? Ezt a részt még nem javítottam! A hozzászólás módosítva: Márc 10, 2016
Ugyanaz a kettő. Ez is a DoZ végleges verziója.
Szia!
Szerintem a potik trimmerek, a 100 ohmos ellenállások nagyobb teljesítményűek, a nyák terv meg nem az igazi. Mutatok egy példát hogy kb milyennek kéne lennie.. De természetesen ez sincs leellenőrizve csak gyorsan összecsapva,tehát ez nem egy megépített verzió..
Köszönöm!
Próbálok nyitni a világra, ezért belefogtam első SMD-ket is tartalmazó panelom megtervezésébe. Nincs ebben semmilyen gyakorlatom, ezért számos problémát kellett megoldanom (kezdve az SMD makrók méretével), illetve több olyan kérdéskör is van, amit jobb híján "feltaláltam" magamnak. De a rutin az pótolhatatlan, nincs olyan lelkesedés ami képes lenne kiváltani.
Ezért kérem a rutinosabbakat (és mindenki mást is), mondja el mit oldottam meg rosszul, vagy mit lenne célszerű másképpen megoldani, illetve nagyon jól jönne egy magyar nyelvű irodalom, ami esetleg a témához kapcsolódva iránymutatásokat adna. Fontos részlet, hogy a makrók olyan szélsőségesen eltértek egymástól (azonos alkatrészek esetén is), hogy ezeket mind félretettem és önös érdekeim és logikám szerint kitaláltam milyen méret lenne a legideálisabb számomra. A terveken lévő fekete színű feliratok csak az ellenőrzést igyekeznek segíteni, ezek a gyártás során nem kerülne a rétegekre. A terven nem jelöltem, de a két panelen lévő csatlakozók egy rövid szalagkábellel kerülnek összekötésre, majd egymás fölé szerelhetőek.
Üdv!
Erősítő építésben vagyok, az erősítőbe kerülni fog egy olyan áramkör, hogy ha nem kap az erősítő jelet akkor egy "x" idő múlva kikapcsolja, ha pedig ki van kapcsolva és jelet kap akkor bekapcsolja. Ez az egy része van az erősítőnek amihez nem társult valamilyen nyákterv. Megterveztem szerintem jó is, de örülnék ha valaki megnézné, hogy ne pazaroljak anyagot! Hálás köszönetem előre is!
Szia!
Csak 1 észrevétel, ha 2 egyforma ellenállást párhuzamosan kötsz akkor nem fele akkora lesz az ellenállása? Mert a kapcsolási rajzon lévő összes 0R33-as 5W-os ellenállás nálad 2db 0R15ös párhuzamosan kötve, ami nálam 0R07-re jön ki, de lehet hogy én tudom rosszul. Sorosan kötve viszont jó lenne az értéke csak a teljesítménye nem.
Igen, javítom 0,68R-ra, hogy stimmeljen az érték.
Szia fet lábkiosztása így nem jó. Ha a legalsó 100k ellenállást elforgatnád és betennéd a 10k mellé sokkal szebb lenne meg nem kéne az ic lábai között bujkálni, és ha a legfelső 10k ellenállást balra eltolnád 1 centit ugyancsak szebb és jobb lenne.
Hello! Egyébként hiba is van az áramkörben. Az 5-ös és 7-es láb körül zűrzavar van. A 100µF és párhuzamos 10k nem az 5-ös lábra megy, hanem a 10k-k közös pontjára. Valamint a sárga 7-es láb átkötése olyan mint ha az 5-öshöz kapcsolódna.
Szia!
Terveztem már ilyen panelt, mellékelem a képét, hátha segíti a munkádat.
Ez ugyan az a kapcsolás? Esetleg ennek a tervnek a kapcsolását megkaphatnám?
Parancsolj. A tápot magam biggyesztettem hozzá.
A hozzászólás módosítva: Márc 18, 2016
Köszönöm!
Ez meg a tiéd átalakítva..
Köszönöm!
Pfuuu..., hát még van mit gyakorolnom!
A bal és jobb csatornához való csatlakozások nagyon közel vannak egymáshoz, és a GND-hez. Nagyobb távolság növelné a megbízhatóságot.
Egyébként mi alapján kezdesz el egy ilyent megtervezni? Mire kell odafigyelni?
Célszerű mindenre.
Elkezdeni én mindig a legbonyolultabb résszel szoktam, ami itt az ic és a környéke volt, a többi részt modul szerűen összerakom a lehető legkisebbre itt pl lehet ilyen a bemenet és a relé rész, a végén meg összeillesztem, és amit kell még elmozgatok a végleges helyére.
Köszönöm!
Majd próbálkozom!
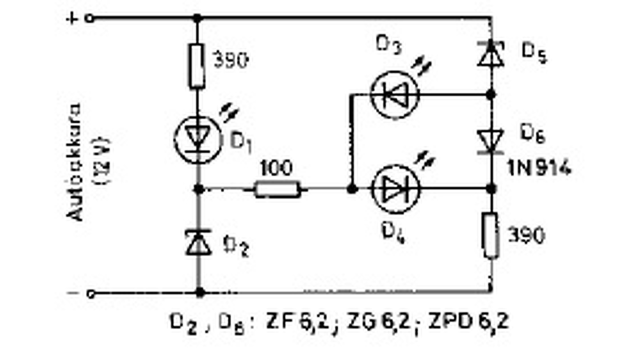
Sziasztok.
Szeretnék csinálni egy akkumulátor töltöttségfigyelőt autóba, egy régi hobbielektronikai újságból vett kapcsolás alapján. Nem tűnik bonyolultnak, de azért jó lenne, ha valaki aki hozzáértő, vetne rá egy pillantást. Előre is köszönöm.
Szia!
Az összes led fordítva van, a csapott fele a negatívabb.. Amúgy jó de lehetne sokkal kisebb is, bár nem tudom mennyi helyed van.
Szia.
Ennél tényleg nincs mit elkötni... az jó is, csak a ledek... A ledeknél viszont túl picik a forrszemek, és elég nagy lett az egész. A hozzászólás módosítva: Márc 28, 2016
|
Bejelentkezés
Hirdetés |




egyébként a 














