Fórum témák
» Több friss téma |
Fórum » NYÁK terv ellenőrzése
Árnyékolt sztereó kábelekkel sem megoldható a kábelezés? Mivel a panel tervezésben nagyon kezdő vagyok, nehézségekbe ütközik a panelre terveznem őket. Viszont ezek alapján akkor a csatlakozókat is a panelra kellene elhelyezni, ha jól gondolom.
A hozzászólás módosítva: Márc 6, 2016
Ha 10cm-en belüli árnyékolt vezetékeket használsz, akkor nincs vele probléma.
Ha nem akarod mindenáron az összes árnyékolást egymással mindenhol összekötni - jó megoldás. Egyre figyelj: Ha a panelen bekötötted az árnyékot az már jó. Ha a potin is - akkor a poti nem érintkezhet fémesen a sasszival - különben lesz brumm rendesen. Azaz árnyékolásnál a fa struktúra javallott. Mondjuk én inkább erenként árnyékolnék.
A hozzászólás módosítva: Márc 6, 2016
Akkor azt hiszem egyelőre ennél maradok, de azért próbálkozok a panel áttervezésével.
Köszi a jó tanácsokat, betartom őket. Ha erenként húzok árnyékolt kábelt minden poti lábhoz, és csak a panelon forrasztom az árnyékolást akkor lesz jobb, ha jól értettem. Biztos voltam benne, hogy akkor jó, ha minden árnyékolás összekötök. Nem egyszerű ez az audio elektronika.
A hozzászólás módosítva: Márc 6, 2016
Abban valaki segíteni, hogy a panel tervben található valami hiba?
A huzalozás az sok probléma forrása lehet. Sok mindent meg lehet oldani, de ugyanennyit el is lehet rontani.
Ha minden a panelon van (potik és tápegység), az még ugyanúgy lehet rosszul bekötve, hiszen a panel is egy huzalozás, csak annak kötött az elhelyezkedése. De ha jó a paneltervi "huzalozás", akkor azt már nehéz utána elrontani. Tapasztalatom szerint, 10 cm-es kötést még árnyékolatlanul is bátran beköthetsz. Az árnyékolásnak éppen az ettől hosszabb esetekben van jelentősége. A potik bekötését nem könnyű átlátni, főleg ha sok van belőlük.
Szia! Egyszerű, csak van pár dolog amire figyelni kell. Ha minden árnyékot összekötsz mindennel - te magad viszed be a zajt, földhurok formájában. Ha mindig a GND forráshoz árnyékolsz, akkor nagy valószínűséggel nem lesz földhurok. Mivel sok poti eleve fémházas, az úgyis rákerül a dobozra és a doboz földelésére Ha összekötnéd az árnyékolt kábellel is - kész a földhurok, mert más a vezetőképessége a doboznak és más a kábelnek. Láttam már gitárerősítőt így felépítve. Agyon volt árnyékolva - mégis brummogott. Pár ilyen átkötés átcsoportosítása után megszűnt a brumm.
A hozzászólás módosítva: Márc 6, 2016
Megpróbáltam átszerkeszteni a panelt potikkal. Megnéznéd milyen sikerrel?
10 mikrós elkó? Akkor azt teszek. Köszi.
A 2 mikrofon poti direkt van ilyen messzire rakva egymástól?
Sziasztok.
Valaki átnézni hogy jó-e minden rajta ?
Hát nem direkt, de a IC szimmetrikus elrendezése miatt így tűnt könnyebnek.
Szia.
Csak a rajzot látom, mert mobilról írok, a nyugalmi áramot állító kör nem jó ebben a formában. Később, idővel mikor kontakt hibás lesz majd a potméter, elég egy apró mozdítás és úgy megugrik a nyugalmi áram, hogy csak az áramkorlát fogja korlátozni, akár a végtranyók is tönkremehetnek miatta. A trimmert kösd be változtatható ellenállásnak (bal széle és a közepe összekötve), tedd így be a bázis -emitter közé, sorban egy 820 Ohm -os ellenállással, a bázis és a kollektor közé pedig tegyél be egy 3,3 kOhm -ot. A hozzászólás módosítva: Márc 6, 2016
Rajzot nem hinném rossz lenne mert innen a Cikkekből van
![]() Az valószínű hogy jó, meg a nyákterv is onnan van csak alkatrészeket rápakoltam. Meg volt amit méretbe kicsit átalakítottam. Csak hogy jól van e minden azé kéne ránézni.
Itt láttam a képen hogy a T3 BD139.
Kapcsolás ugyan az meg minden akkor oda rakhatok BD139 -et ? Jobb hővezetés miatt,jobban fel lehet fogatni. Biztos nem fog annyira melegedni mint a BC548-b.
Megnéztem a nyáktervet is.
Nagyon sok alkatrésznél van plusz egy forrszem valamelyik lába mellett, kicsivel arrébb téve, ami miatt dupla furat van azoknál a lábaknál. Pl: balra alul, 120R és 3k3 jobb oldali lába. Ha a T3 helyén PNP tranzisztort használnál (BC558B), akkor nem kellene ilyen kacifántosan vinni a lábaira a csatlakozásokat, mert azt fordítva kell az áramkörbe tenni, akkor a kollektora megy a T4 -re. Több vezetősávnál a mellette lévő forrszem túl közel van, pl. legalul, a GND csatlakozás feletti két vezetősávnál az alsó sáv és a felette lévő forrszem között csak 0,17mm a távolság. A kimeneten lévő Zobel-tag (R20, C9) vígan elférne állítva, a trimmer jobb oldalánál lévő üres helyen. A GND vezetősávja túl vékony, így nem sok értelme van a végtranyók melletti 100nF -os hidegítő kondiknak. A végtranyók lábainál kb. 1mm széles a forrszem, azokat ki lehet nyugodtan szélesíteni. Nézd meg egy népszerűbb végfok bevált topológiáját, pl. a VF2, vagy az ST151 -ét. A GND, tápfeszültség és kimeneti pontok helyét azokról kellene lemásolni. A kapcsolás sem a legszerencsésebb, én meggondolnám a helyedben a 4 Ohm -os használatot. Túl nagyok az emitter ellenállások, 4 Ohm esetén a kimenő feszültség (kb. 35V csúcsban) 1/5 -e rajtuk marad. Az 7V, ennyivel kevesebb a kivehető teljesítmény, ez csak az ellenállásokat fűti (csúcsban kb. 50W). A hozzászólás módosítva: Márc 6, 2016
Hiába, akkor sem korrekt a nyugalmi áram állító kör ebben a formában. Meg az előbb említett okok miatt én kerülném a 4 Ohm -os használatot.
Szia!
Én nem vagyok egy profi nyák tervező de, szerintem sok az átkötés, rengeteg a holttér amiket még lehetne optimalizálni..
Hát ha elnézem amit mellékeltél, akkor az amit állítasz magadról nem tűnik hihetőnek. A melléklet eléggé profin néz ki. Nagyon sokat kellene ezt még nekem tanulnom.
Akkor amit újra terveztem, mert kiderült, hogy az én potijaim sokkal nagyobbak, már meg sem mutatom.
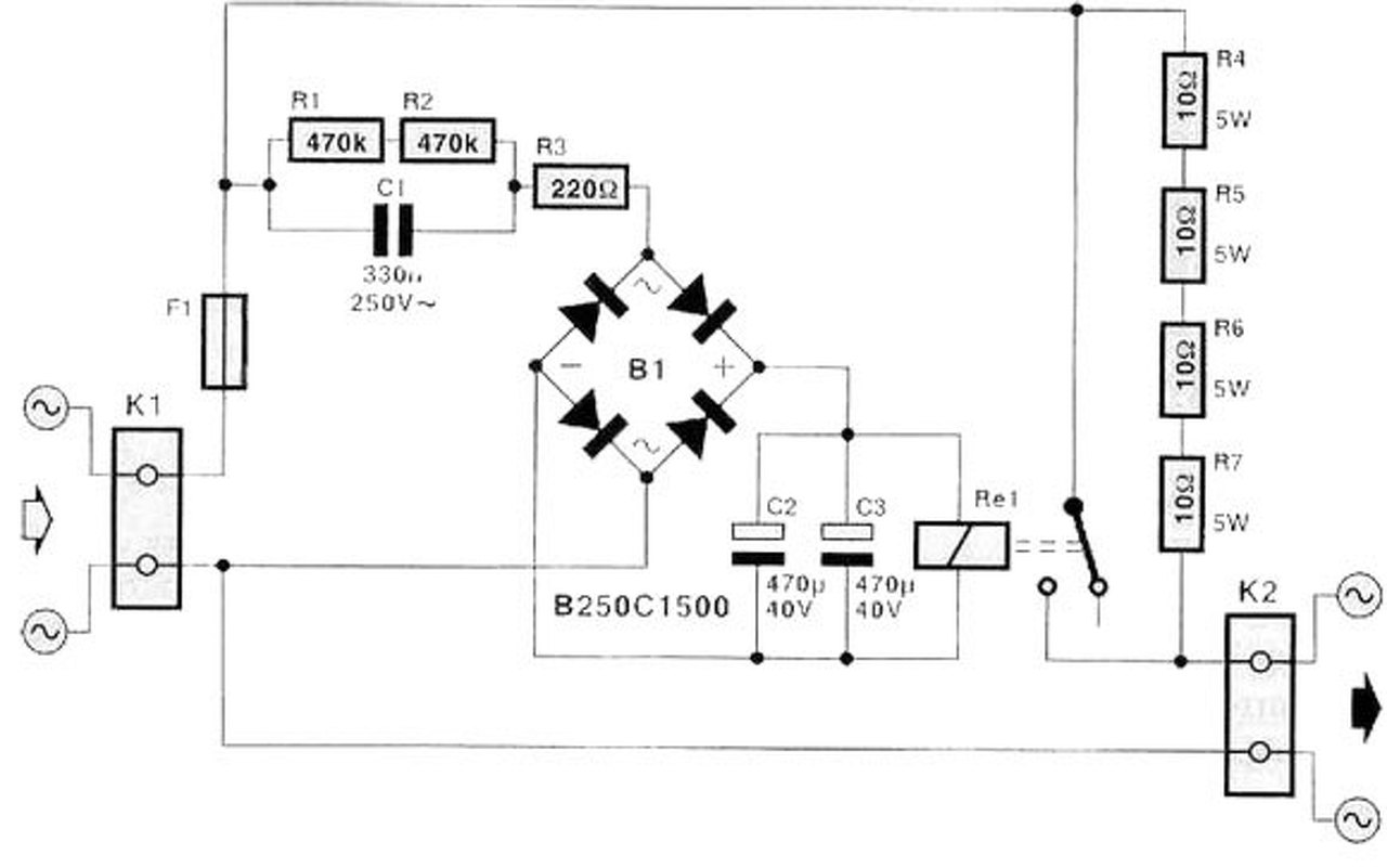
Sziasztok. Nem ez az első lágyinditó amit készitek, de ezt a verziót szeretném ha le ellenőriznétek nekem. Kicsit módositottam az eredeti tervhez képest, igy nem kommandózik a 230V körbe a panelen.
Hello! Ha kívül vezeted a sávot, nem kell átkötés. A 220ohm-nak nagyobb helyet hagytam volna. Oda egy 2W-os ellenállás dukál, mert annak igénybevétele a legnagyobb bekapcsoláskor, nem beszélve egy tranziens lökés alkalmával.
Még módosithatom. Nem szeretném kivül vezetni semmi féleképpen, inkább bevállalom az átkötést.
Nem tudom mi a különbség. A 470ohm-nál ugyanott megy..
Javitottam, igy jó lesz?
A 330nF-nak azért ellenőrizd a méretét. Annak egy X2 típusú 275Vac kondinak kell lenni.
Ezt szemeltem ki. , de most látom hogy ez nem is jó... Elnéztem a feszültséget...
A hozzászólás módosítva: Márc 8, 2016
Sziasztok!
Valaki megnézné nekem hogy működőképes-e?
Lenne pár észrevételem, ami szembetűnő, a bc182 nem ez a tranzisztor, ahogy a 2n3055 sem, a kimenetet meg a kicsatoló kondit nem tudod a tranzisztor után tenni, mivel a hosszanti elrendezés miatt oda fog kerülni a borda, de nem is muszály mögé tenni, teheted elé is.A bd139hez a sávot kicsit rendesebben próbáldd meg azért
egy kicsit lehet szűkebbre is venni, ha már megvan a kész terv nyersen. |
Bejelentkezés
Hirdetés |














egy kicsit lehet szűkebbre is venni, ha már megvan a kész terv nyersen. 


