Fórum témák
» Több friss téma |
Sziasztok
2003. evjaratu alfa 156 1.9jtd-hez melyik kapcsolast kellene megepitenem, illetve milyen programot tudnek hasznalni ahhoz, hogy a digitklima hofokkijelzeset fahrenheitrol, celsiusra at tudjam allitani? Kulfoldi forumon irtak, hogy csak szerviz sw-vel es kabellel lehet allitani benne, manualisan nem, csak a fokijelzo megjeleniteset. Esetleg tud ebben valaki segiteni? Elore is koszonom!
Szeva! Van egy rossz hírem! ...azthiszem ez csak a "gyári" Examiner (esetleg Launcs X-431; Bosch KTS; stb.) lehet a klima rendszerébe belépni. Legalább is én még nem találkoztam olyan "egyszerű" KL, KKL, v. egyéb interfacest. A másik oldala a dolognak a progi! ....esetleg a z Alfa Diag-al - de nem tudom pontosan, pedig ma is haszáltam -.
Ami szinte bíztosan kezelni tudja, az a Fiat-Alfa-Lancia Diag, de ezt sajnos még nem siker megszereznem, igy aztán nem tudom pontosan. A progihoz egyébként egy SDI Multiplexer kell. ...na ezt nem bíztos, hogy ithon megépíteném! (Alfa szervízem van. ) Alfaamore Cuore Sportivo
Sziasztok.Esetleg nem tudna valaki feltenni olyan diagnosztikai interface-ek nyák rajzait amik működőképesek?Nagyon megköszönném.Sok kapcsolás van itt az oldalon de nem egyértelmű melyik működik melyik nem.ELŐRE IS KÖSZI.
Szerintem a rajzok nagyrésze működík! ...csak nem mindegy, hogy milyen progival és milyen autóval!
Mihez keresel?! (Amit az elöző oldalon raktam fel az tuti, hogy működík!
Elsősorban 1997es gyártmányú Skoda Feliciához.Csak mint írtam az lenne a jó ha nyák rajzok lennének,sajnos a tervezés részéhez nagyon nem értek
Köszönöm a segítséget.
Húúú vaze! Skoda téren nem vagyok othon. ...de azt tudod, hogy milyen csatlakozoja van?! (EOBD? ) Egyébként a legegyszerűbb KL v. KKl interfaces tuti, hogy viszi! Progid van hozzá?!(Azt is raktam fel az elöző oldalon. Akár a lengyel progi is jó!)
Obd csati van rajta,elég sok programom van remélem valamelyik működni fog.Találtam párat amit megtudnék csinálni ebből az egyik KL interfész,szóval annak jónak kell lennie?Mutatok képet is.
Bocs amihez odavan írva hogy KL mégsem jó van egy bizonyos alkatrész amit (MC33290),úgy látom sehol nem lehet beszerezni.Mostmár csak azt nem tudom hogy a másik KL vagy KKL es interface?.
Az első 2. azt ismerem!
Az ua. amit én is felraktam , csak más a nyák. Ez nagyon jó, és nekem a mai napig is mukszik! A 3. (PDF) az talán a legegyszerűbb, és legbiztonságosabb opto csatolós faces.
Be lehet azt szerezni. A másik - az optó - KL faces.
Tudnál abban segíteni hogy honnan tudom beszerezni?
MC33290 ezt az alkatrészt honnan lehet beszerezni vagy esetleg mivel helyettesíthető?Köszönöm.
Szeva! Például innen !
A postaköltség kicsit borsos, de én pl. szettet rendeltm, megegy csomó kütyüt. A végén összejött 120 Eu + a posta + a bank deviza konvertálási díja. :eek2: , (Én a eOBD csatiba beépített, és a blus verziót rendeltem.)
Közben kaptam infót hogy beszerezhető itthonról annak helyettesítő alkatrésze SI9243AEY a neve.Csak más a lábkiosztása de remélem ez is megoldódik.
Köszönöm a címet.
Most nézem hogy maga a készülék kompletten 4000Ft .Mennyi kb a posta és a bank költsége?Csak nagyjából.
Egy barátomon keresztűl - aki kint él Németországban - intéződik az ügy. Levélként - légiposta - 6 Eu! A banki átutalás kb 4e Ft -omba került.
Egyébként sima KL illesztőt tudok neked 7-8 e Ftért ! (KKL)
Egyébként valahol mintha olvastam volna hogy az usb s interface-ek nem olyan jó.Ez igaz?És ha igen miért nem jó?
Egyszerű KKL interfaces EOBD csazlakozóba beleépítve, és RS232-es.
.....ja! Ez a soros portos szerintem is a legjobb megoldás! USB-n nem mindig jön létre a kapcsolat, vagy létrejön és röpke mp alatt huúúússs! - igy egyszerűen leirva! - ....még egy kis csemege.
...esetleg 97-es punto I fapad lelkivilágával is képben vagy??
jó lenne egy élöadat megjelenitésre alkalmas kütyü kapcsrajz,esetleg elögyujtás modositás ha lehetséges
Fogjuk rá!
........azért ez nagyon kevés adat! (Az alvázszámod 8 utolsó karakterére szükségem van. )Igy első nekifutásra: - ez a masina is KKl facest igényel. A legjobb talán az Uniscan - ifc., de bármilyen KKL- ifc. a megfelelő progival jó! Az előgyujtás modosítása. ...?!? ....ez jó kérdés! ...minek kéne ezt módosítani? - egyébként lehetséges! Az Examinerrel ripp-ropp, ...kész is! Azt hiszem az Uni is tudja, de nem vagyok benne bíztos. Persze nem minden modelen lehetséges! A másik megoldás amikor chiptuning interfaces-el egy módosított tartalmat rátöltünk. (DE ITT IS A PONTOS TIPUS ISMERETE KÖTELEZŐ!)
:vigyor2:
etanolhoz kellene belöni ez a diag elektronika utánépithetö? ...esetleg ez az examiner?? és pü megy
Ahhh! ....Igy már értem! ...mert normál esetben nem szokták álligatni!
.... nem hááááT! Vannak azért elvetemült FIAT-osok, - mint a kicsifiam is - állandoan tuningolnak. A gázos (LPG) mocikat is át kell állítani, de a modern gázvezérlők már ezt is tudják. Az EXAMINER a gyári diagnosztikai műszer. ....ezt nem lehet utánépíteni! (Nincs kapcs. rajz, meg nem egy két IC-s kütyi.) Az UNISCAN az simán utánépíthető - irány az UNISCAN topik!
Sziasztok.Valaki megnézné hogy ez működne e ?Azt akarom hogy ne kelljen 2 soros kábel hanem egyből mehessen az OBD csatiba.
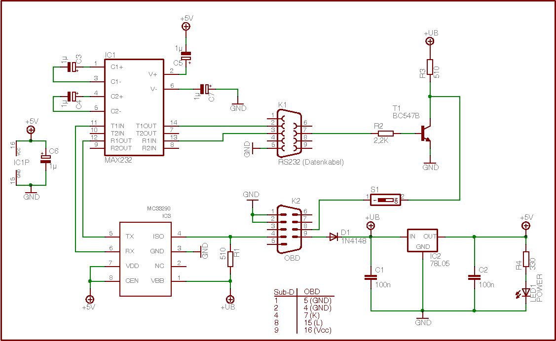
kw1281_sch-ez ami nekem megvan ser_if_sch-itt egybe van az obd csatival mc33290-első rajz átalakítása
Ezek a rajzok bíztos, hogy jók! .... de miért akartál két soros portost (UNISCAN) építeni?! A VW csoporthoz nagyon elég a KL (KKL) illesztő - igaz az is ua. - . ...de akkár azokból is választhatsz amiket "VAG interfaces.JPG" -n találsz.
Ha jól megnézed ezek ua. ....variációk egy témára. MC33... IC vagy LM393 ...mindegy! A lényegen nem változtat!
A két soros portos verzió azért volt mert annak fenn volt a kész nyákterve,és azt a rajzot alakítottam úgy hogy egyből obd-be menjen.Megoldódott az alkatrész helyettesítés is(MC33290) _JANI_ átalakította a nyákot az SI9243AEY-hoz.
Az SI-t nem ismerem - nem használtam - de az is nagyon jó erre a célra. LM árban nagyonjó!
Az UNIISCAN-t bele akartad pakolni az OBD csatiba? ....hmmm, fura ....de mért is ne! Na hajrá! ....a nyáktervet nem is mutatod meg?
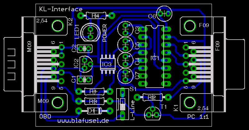
Megmutatom hogyan is néz ki.Szerintem _JANI_ nagyon szépen át variálta.
Bár kérdeznék 2 dolgot ami nem tiszta.
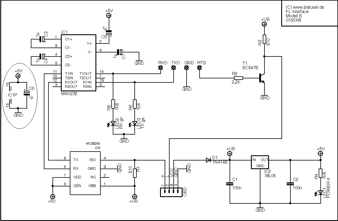
-LM az nem igazán tudom mi? -Én ezt akarom megépíteni http://blafusel.de/obd/obd2_kw-interf.html Ez az Uniscan?Bocs hogy értetlenkedem.
Bocsi!!! Én zavartalak össze!
- Az LM az egy kompatátor IC. (Az LM393 ugyan azt az illesztési feladatot látja el mint a MC33290) - A blafusel oldalán lévő kapcsolás az nem az UNISCAN , csak azzal kavartál meg, hogy két soros portról beszéltél. (Az meg az UNISCAN. Ami egy teljesen más kapcsolás, de az is működk KKL intefacesként, viszont egy DOS-os progija van.) |
Bejelentkezés
Hirdetés |






Az ua. amit én is felraktam , csak más a nyák. Ez nagyon jó, és nekem a mai napig is mukszik!
, (Én a eOBD csatiba beépített, és a blus verziót rendeltem.)
Köszönöm a címet. 
.... nem hááááT! Vannak azért elvetemült FIAT-osok, - mint a kicsifiam is - állandoan tuningolnak. 






