Fórum témák
» Több friss téma |
Fórum » Panasonic SB-WA885 - Házimozi 5.1 + DVD Player + Rádió + AUX - átalakítása PC hangfalnak
Témaindító: Furfang, idő: Márc 15, 2023
Témakörök:
Sziasztok!
Panasonic SB-WA885 házimozi erősítőm ami a DVD lejátszásánál tudja az 5.1 hangot, de AUX bemenete 2 csatorna csak. Rádiónál is szól a bass doboza és nagyon szép brummogos mélyeket tud. Azt hogyan lehetne megoldani h. a PC alaplapi 5.1 hangját is feltudja erösitteni minden hangszórójára? Persze lehet már annak is tudnék örülni ha a jobb + bal oldalt és a Bass csatornát helyesen kezelné. De van center hangfala is és 2 hátsó hangfala is. ha még azt is tudná az nagyon szép lenne. A Bass dobozban van a fő erősítő része de van 1 kábele ami 25 érintkezős és azon megy minden jel a DVD -ről a Bass dobozba. A DVD működése nem olyan fontos nekem. Mivel PC -ről nézek filmeket főleg. Rádió még jó ha működőképes marad. Milyen megoldás lehet a legegyszerűbb? 25 érintkezős csatlakozóból melyik lehet az audió hangcsatornák? Elég volna oda bekötni csak az audió jelet v. ha igazán jó mélyeket akarok akkor tuner rész után kell legyen valami elektronika ami tudja a mélyeket ki be kapcsolni h. plusz extra mélyeket is rá tudja keverni. Persze lehet még alap mély hangokkal is jó hangja van. Az is elég lehet nekem. Ez a 25 polusu csatlakozója Köszi a segítséget.
Az 5.1 nehéz lesz... Sztereód a legkönnyebben egy FM transzmitterrel lehet. Minden máshoz azért rendesen bele kell nyúlni.
Jobb és a Bal csatornát alapból tudja erösiteni arra van AUX bemenete. + TV bemenete is van + VCR is. de ezek mind csak Stereo bemenetek.
Persze ha úgy érted h. ha rádió Frekin menne át PC ről a hang úgy gondolom akkor a BASS mélyeket is tudja tuningolni. de szerintem kockázatos ilyen dolgokat belekeverni mert zajt is rá tehet meg torzitást is. Meg persze akkor ezek FM transmiterek is 2 csatornát tudnak csak erösiteni és akkor oda Bass + centert rakjam be? Jobb lenne vezetéken valahogy bejuttatni a jelet az erösitőbe.
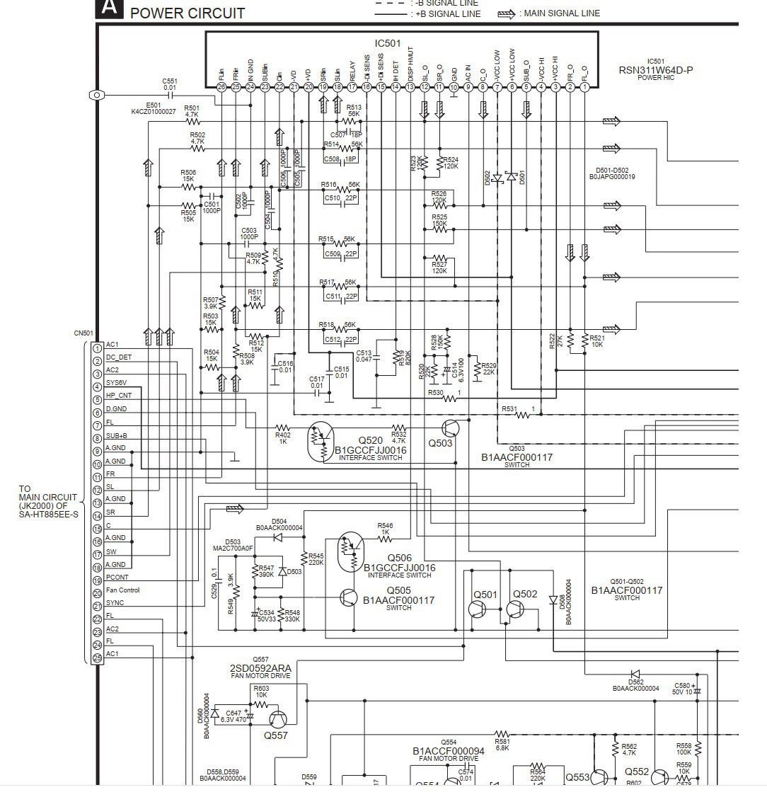
Elektrotanyán fenn van a szervíz kézikönyve amiben van kapcsolási rajz.
Úgy látom, analóg jellel be tudnál kapcsolódni a végfok IC re minden csatornával. Még ide is engedte feltölteni, fájlméret 1.9Mb. A hozzászólás módosítva: Márc 15, 2023
Igen most találtam hozzá én is képet.
De gondolom valahogy távirányitóval vezérelgetni kell h. mit akarok vele erösiteni.
Távirányítóval DVD -re kapcsol és elvileg akkor visz mindent.
A külső és DVD jel közt meg simán lehet váltani relével.
Gugli képkeresésből fórum ugyan erre: Bővebben: Link
Nem vettem észre az AUX-ot, bocs. Nagyon sok ilyen kompakt eszközön még AUX sem volt, DVD, rádió és kész. Nem, a rádió bemeneten sincs 5.1.
A szub csatornát a sztereó bemenetekhez is hozzá szokták rendelni, azzal nincs dolgod. Ahogy látom, mázlid van, van rajz hozzá és még meg is oldható a rácsatlakozás. Bár ez a rajz, csak a mélynyomóé, így a távirányítód a központi egységet vezérli, tehát ott kell majd kivezetni a 6 bemenetet, ha lehetséges, még a hangerőszabályzás előtt.. Azt már csak össze kell kötnöd a PC 5.1 audio kimenetével és elvileg dombon a tanya. |
Bejelentkezés
Hirdetés |





