Fórum témák
» Több friss téma |
Az nem egy 8 lábú IC? Valószínű hogy AP2003 a teljes típusa, ha valóban ez akkor igy már a google megtalálja neked az adatlapját
Az egy 18 lábú, és nagy valószínűséggel a 494-es helyett van, ugyanis csak ez az egy darab ic található a tápban. Valószínűleg nem is kompatibilis a TL494-el.
Én is találkoztam már "2003" feliratú vezérlővel, de ha jól emlékszem, nem találtam róla értelmeset. Mondjuk én rossz tápokat vásároltam össze, ami ilyen kideríthetetlen volt, az ment bontásba alkatrésznek, amit meg lehetett azonosítani, azok meg lettek javítva a lebontott alkatrészekből
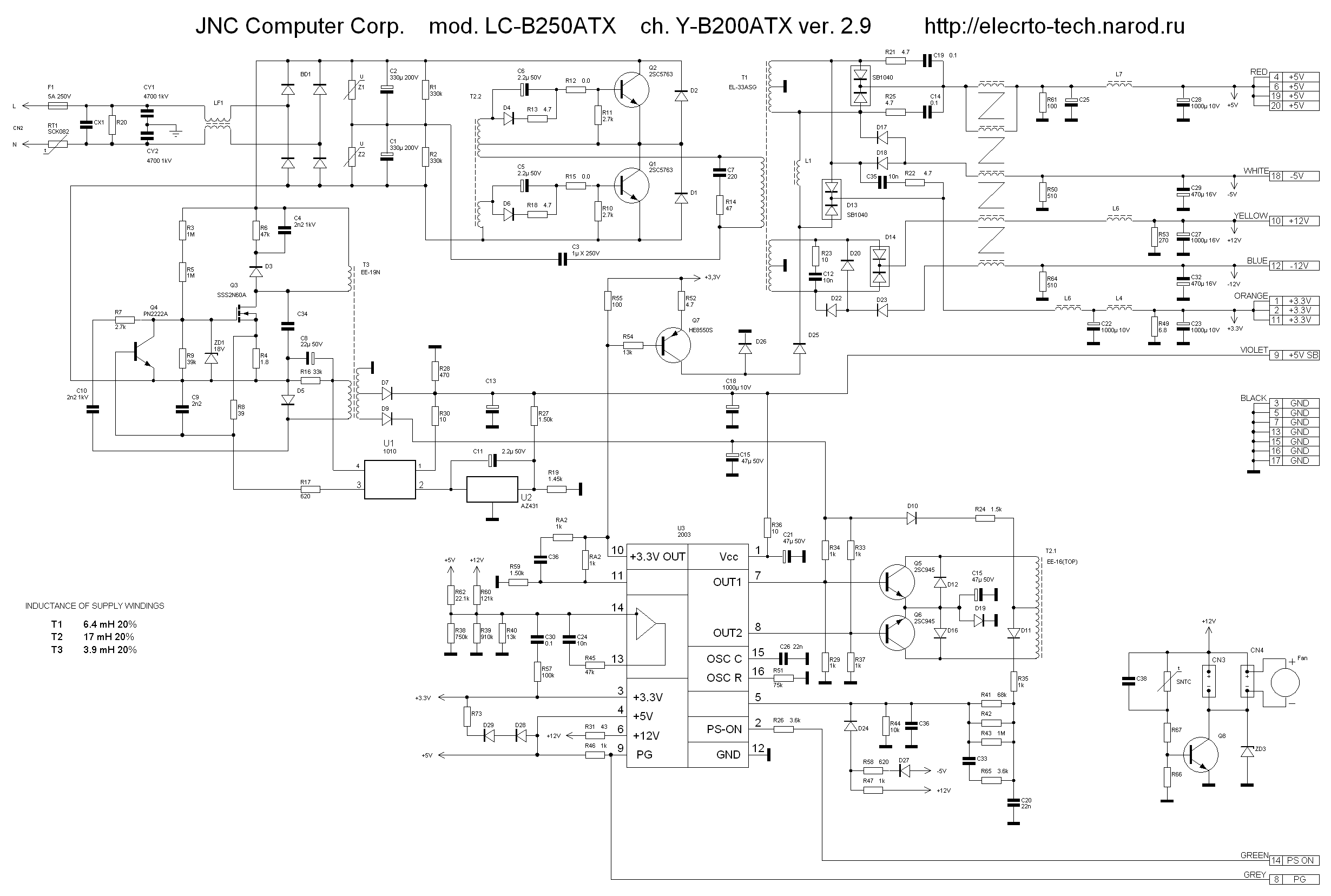
Lásd a fájlmellékletet.Én ennyit találtam róla, de ez sem 18 lábú hanem csak 16
Köszi a segítséget, ez lesz az, pár láb funkcióját beazonosítva. 2-vel elszámoltam magamat
Pont a tápom rajzát találtad meg Ezer hála érte!
Jobban meglesve a rajzot, itt már nem olyan egyszerű megemelni a feszt. Esetleg lenne erre valami ötletetek?
Milyen jó kis hőmérsékletfüggő ventiszabályzó van benne!
Pár hete keresgéltem a saját tápon rajzát akkor töltöttem le kb 60-70 rajzot és emlékeztem rá hogy láttam valamelyikben ezt a 2003-as IC-t.
Újratekertem a gyűrűmagon lévő tekercseket a +12 és a -12 ágakhoz eredménya az lett hogy beállt szépen a +12 oldal 12,12V-ra a -12 oldal pedig -12,55V-ra.Beraktam az álltalad javasolt ellenállásokat, 5W-ost sikerült venni de gondolom az nem okoz gondot.Sajnos nem mértem meg mennyire melegedtek de kb 40-50 fok lehetett.Mennyire szabad melegedniük?Nem volt rajta a táp teteje, a ventillátor ment.
Leterheltem 24V 60W-os izzóval, hosszabb ideig nem próbáltam csak kb 5 percig.Megmértem a feszültséget a +12 és a -12 ágak között 23.9 és 24.3 között változott, szerintem ennél jobb nem is kell.Van viszont egy apró probléma. Nem indul el elsőre a táp.Van úgy hogy másodjára van úgy hogy harmadjára.(PS-ON a GND-re) Valami ötlet?
Az 5W-os ellenállás tökéletes (2W lenne a minimum, de jobb, ha van tartalék), 12V-nál a 80 ohm-on 1.8W hő keletkezik, tehát a melegedés is normális. A szimmetria is kiválónak mondható, mivel csak a +12V van szabályozva, a negatív csak "megy utána", ez ennél jobb nemigen lesz, de nem is kell.
A nem indulásra hirtelen nincs ötletem. Korábban nem csinált ilyet? Amikor megpróbálod indítani, akkor a tápventi meg sem mozdul, vagy megrándul és leáll? Szerk: ha az a tápegységed rajza, ami itt korábban be volt téve, akkor ott a -5V még bekavarhat, ha az megvan. Azzal mia a helyzet jelenleg?
Korábban nem csinált olyat, hogy nem indul.Ha nem terhelem meg a 24V-os izzóval akkor mindig elindul. Amikor megpróbálom indítani, akkor a tápventi meggrándul és leáll.A -5V os ágat nem szedtem ki.Bontsam le azt is?
Ja, hogy izzóval van, hogy néha nem indul? Az valószínűleg az áramkorlát miatt lehet, az izzó hidegen kb 10x akkora áramot vesz fel, mint üzemben. Akkor viszont ez teljesen normális is lehet.
Ha gondolod, az áramkorlátba bele lehet nyúlni, de ha nem izzóval szeretnéd üzemeltetni, anélkül meg indul, akkor szerintem nem érdemes. A -5V is maradhat, tulajdonképpen nem zavar senkit.
Ha nem muszály az áram korlátot nem piszkálnám.A PIC-es páka szabályzódat és a pákát szeretném róla járatni.A nyák rajz kész van Sprint Layout-ban,most készül a nyákja.
Sziasztok!
Szeretnék egy kisebb műszer tápot csinálni több kivezetéssel: 5V, 12V, 24V Szeretném megkérdezni, hogy ha összekötnék két pc-s tápot, akkor a stabil 24V-ot elő tudom-e valahogy állítani? Nem nagyon értek az elektronikához, jól jönne kis segítség... Előre is köszi! Üdv
Elvileg megteheted, de a PC tápok földelve vannak, azaz valamelyiknek a földelését meg kell szüntetni, ha egymás "fölé" akarod rakni a két 12V-os ágat. Ezen kívül a kimenetek terheletlenül eléggé hülyén viselkednek, szóval nem a legjobb megoldás ilyen helyre PC táp.
Az mit jelent, hogy hülyén viselkednek?
Ha nem használok egy kimenetet, akkor úgy is mindegy mi van rajta, ha meg használom, akkor jó, nem?
A használat azt jelenti, hogy legalább 1A-rel terheled. De ha kevesebbel, akkor nem lesz stabil a kimenete, illetve ha megnézed szkóppal a kimenetét (megnéznéd) látnád, hogy nem tiszta DC van, hanem mindenféle zajok vannak a kimeneten. Ha túl kényes áramkört akasz próbálni róla (pl rezgőkör, vagy erősítő) akkor elképzelhető, hogy a táp zaja miatt nem, vagy hibásan működik az áramkör. Tápegységekben ezért nem célszerű a kapcsoló üzemű tápegység alkalmazása.
Pl. egy csomó táp a +5V-ot szabályozza, a +12V-ot csak úgy "mellékesen" figyeli. Ebből az adódik, ha az 5V-on nincs semmi terhelés, a 12-t meg elkezded terhelni, akkor a 12 szépen elkezd leesni. Ha a 12V van szabadon, és az 5V-ot megterheleled nagy árammal, akkor pedig jó eséllyel a 12 kúszik szépen föl, láttam olyat, ahol egészen 15V-ig ment. Szóval ezeket arra találták ki, hogy minden (pozitív) ágon legyen néhány A terhelés, akkor működnek helyesen.
A másik a kimeneti zaj, bár ez egyáltalán nem olyan vészes, mint ahogy azt mondani szokták. Én néztem szkóppal, a kicsit átalakított tápomon a +20V és -20V ágakon is 7-7A (!) terhelés mellett olyan 50-100mV csúcstól csúcsig háromszögjel volt, a kapcsolási frekvenciával.
A sok csöves erősítő és az elektromos trabant megépítése után végre maradt időm összedobni, az annó ígért 2x 50v, 600w-os kéttrafós lebutított, PC-táptrafóval épített szabályzatlan tápot!!!
Ha megtudom, hogy kell cikket írni, még publikálom is!!! Ím egy kép ízelítőnek: A lényeg, csatolókondin keresztül párhuzamba kötött trafók, 50-50%-os kitöltésű meghajtás a 494-ből(különtápos vezérlőmodulból), erős tranyók/600v15A/ Dupla tápkondi, trafószekunderek legvége sorbakötve középkivezettéssel 7A-s shottky-val egyenirányítva graetz-ben, 2000µF-nyi ELNA kondik a végén tekercs után!
Nekem tetszik! Majd ha megyek, megnézem!
![]() Üdv Inhouse
És miért jó az ha 2 trafós a táp?
Nemlenne egyszerübb szétbontani és tekerni 1 újat? Le is tesztelted azt a 600W ot, vagy tényleg elmennek a kimeneti egyenirányítók hűtés nélkül? Üresjáratban és terhelve mennyi a kimeneti feszkó? KImenetre érdemes lenne LOW ESR kondikat tenni, Sokkal kissebb lenne a táp kimeneti ellenálása, és jobban terhelhető nagy áramokkal. Ha a kimeneti fojtókat 1 magra teszed és helyesen kötöd be akkor jobban meg fok maradni a kimeneti szimmertia. Amúgy gratula
Rajzot tudnál mutatni? Hatásfoka milyen?
Fincsíí
Tetszik. Majd hasonlót akarok építeni én, is csak még vadászok 2db ugyanolyan tápot. Én megelégszek 300-400W-tal. Tetszik ez a duplatrafós kivitel, mert legalább nem kell trafót tekerni, és a trafón nem bukik el a dolog...
Sok kérdésre, sok válasz!
2 trafó, így nem csak 300w-al, hanem 600w-al terhelhető, és mivel gyári tekerés, biztosan jól viselkedik a rendszerben, és biztos szimmetrikus, és nem kell tekerni újat... Ez a kép még akkor készült, amikor nem kapták meg a BYX71-ek a hűtőbordájukat, és még a nagy borda is ki lesz egészítve oldalirányban alumíniun felülettel, és ventillátorokkal. Ha ezeket rászerelem, és utána fényképezem, nem látszana semmi, alumínium lemezt, meg gondolom láttál már, tehát nem vagy rá kíváncsi.. ![]() Próbaterhelésnek vetettem alá, amikor összeraktam.: Üresjárati teljesítményfelvétel:~10w, üresjárati szekunder feszkó:2x58v, 1 A-val terhelve a két vége között, akkor102v, még a hővédelem beépüléséig nem merek 16ohm 600w-os ellenállással terhelni, de ami késik nem múlik. A kondik ELNA gyártmányú 1000µF-osak, és ugyancsak kapcsüzemű monitor tápból valók, tehát jónak kell lenniük... De majd ha végigmérem, komplett leírást adok közre!! VÁRJÁTOK MÁR MEG!!
Szia!Nagyon szimpatikusnak tünik a konstrukciód!Türelmetlenül várom a végkifejletet! Hagyományos erölködőtápot én is építettem két trafóval/gyári/ ,egyformával, mivel csak azt tudtam elérhető áron beszerezni, azzal semmi probléma nincs. Mivel öregszem így nekem ilyen kapcsitáp lenne megfelelő mert a súj már fontos szempont! Üdv ! és sok időt a tápfejlesztéshez!
Háát nem váltotta be a hozzá fűzött reményeket!
Egyenirányítva 200-250w-ig /ellenállásos terheléssel/ még a 2x50v megmaradt, és a hatásfok is 90% körül mozgott, utána már rohamosan csökkent a kimenőfesz(2x40v), nem tudom miért, csak sejtem, hogy a vezérlőtrafón átvezetett kimeneti tekercs lehet az oka a határolásnak. Viszont az egyenirányítás előtt még egy 300-350w-ig el lehetett menni ellenállásos terheléssel, de az így max. látványhegesztőnek alkalmas, mert oly szépen húzza az ívet áramkör megszakításkor. De , ha erősítőtáplálásra impulzusszerű terhelésre akarom alkalmazni, akkor, egy 2x150w-os analóg erősítő biztos elketyeg róla, mert két ütem közt visszatölti azt a kis plusszot, meg még próbálkozhatok nagyobb, vagy több szekunder elkóval. Megjegyzés: lehet, hogy ezek a trafók csak papíron 200-300w-osak
És a kimeneti jelalak az milyen? Én is építettem már kapcsi tápot, rendesen működött is, szimmetriával sem volt baj, de a kimeneten 100mV-os tüskék voltak, és nem mertem erősítőt rákötni emiatt...
Az nem olyan nagy probléma ha tüskék vannak, az úgyis nagyfrekis zaj. Egy kétfokozatú LC szűrővel lelehet szedni a felesleget.
Heló
A kimeneti fojtók mekkora értékűek? Mekkora frekin jár a cucc? Meg kellene a kimeneti fojtókat 1 toroidra tekerni. Így amit az egyik tekercs levág, azt a másik tápágába viszapumpálódik.
Ha jól emlékszem, két PC-táp trafót alkalmazol a plusz és a mínusz ágak előállítására.
Ahogy én mértem a PC-táp trafókat, a 12V-os tekercseken csúcsban jelent meg rajtuk 25-30V közötti feszültség. Azaz ha egy tápág a 12V-os tekercs szimmetrikus egyenirányításával áll elő, akkor csúcsban lehet kivenni belőle 50-60V körül. Az meg kevés a szabályozási tartalékhoz, az lesz a baj, hogy a primer oldali pufferen már olyan mértékű 100Hz-es brumm lesz, aminek az alsó értékénél már nem elég a trafó feszültségátviteli aránya a kimeneti 50V-hoz. Esetleg ha a primer oldali puffereket 2-3x-osára növelnéd, akkor talán jobb lenne az eredmény. Én nemrég átalakítottam egy ATX tápot AT stílusúra: a készenléti táp trafója szakadt volt, azt a részt teljesen kihajítottam, önrezgő indulást alakítottam ki, a vezérlésnek a szekunder 12V-os ágából egy csúcsegyenirányítóval adtam tápot - a 230V rákapcsolásakor azonnal indul (persze a PSON fixen testelve van). A táp kimeneti oldalán a -12V-os ágat megerősítettem és teljesen szimmetrikussá tettem a +12V és -12V útját. A többi kimenet ki lett bontva teljesen, a TL494 szabályozása pedig megpiszkálva, de csak annyira, hogy egyedül a +12V-ból leosztott feszültség alapján szabályozzon. Ezzel az összeállítással kb. 240W terhelésnél a kimeneteket +/-20V körülre lehetett feltornászni, afölött már a szkópon látszott, hogy a hálózati brumm "beleharapott" a kimenetbe. A tartalék megtartása miatt +/-18.5V-ra lett beállítva a végén, ekkor 240W-ig teljesen mozdulatlan volt a kimenet, 100mV p-p értékű háromszögjel volt csak látható a szkópon. A kimeneti szimmetria is annyira jól sikerült ezzel az összeállítással, hogy teljesen aszimmetrikusan terhelve (egyik ág 0, a másik 7A) a -18.5V +/-1V-on belül mozgott csak, a +18,5V meg állt, mint a cövek. Szóval átalakítatlan trafókkal megcélozható a +/-20V környékén lévő kimenet, ami a Te általad kialakított elrendezésben 40V körül szolgáltat egy tápágon. Ezt fogja is tudni 250-300W környékéig, trafótól függ, hogy amit a teljes tartományban tartani tud, az 35V lesz vagy 40, esetleg még picivel több. Ha esetleg van kedved hozzá, próbáld meg azt, hogy visszaveszed a tápegységed kimenetét olyan 38V körülire, és úgy méred meg, hogy mekkora teljesítményig képes tartani a kimenetet, és hogy tartós nagy terhelésnél hogy viselkednek a tápban lévő alkatrészek (pl. nem főnek-e meg hosszabb idő alatt - nálam a 240W körül terheléssel az átalakított táp ment többtíz percig, a 11W-os ellenállásokból összerakott műterhelés fűtött, mint egy kályha, de a táp teljesen normálisan viselkedett, semmi nem melegedett irreálisan benne). |
Bejelentkezés
Hirdetés |





Ezer hála érte! 




