| Fórum témák 
 
 » Több friss téma | Fórum » PC táp átalakítás 
				Szeva! Nem akarok beleszólni de lehet nem tesz jót a laptopnak hogy lágyindítót alkalmazol:S De biztos működne egy darabig.Ez csak egy meglátás   
				Hali! Ha a csillag deltára gondolsz az csak egy hasonlat ,dehogy akarom félgőzön járatni.Mindössze arról van szó hogy a táp nem indul (legalább is a halogént nem indítja hidegen) nagy áramú fogyasztóval .Ezért kell rákötni induláskor egy pár wattos "üzem jelző lámpát" majd utána rögtön rálehet kapcsolni a "nagy fogyasztót".De az is lehet hogy semmi nem kell mert simán lehet rá kapcsolódni de ezt majd a próbák és a tesztek megmutatják.   
				Ja nemegészen értettem meg a válaszod,mert én úgy értelmeztem hogy mondjuk 0-19V-ig lassan emeled meg a feszt mondjuk egy tranzisztorral vagy valamivel és én erre értettem hogy nem tuti megoldás. De így már oké   
				Szia Uli! Hasonló gonddal küszködtem. Most jöttem rá, hogy az IC (az enyémben nevezetesen KA7500 van) tápfeszét biztosítani hivatott (az IC 12-s lába) segédtáp csak a +12 V-s kimenetről visszacsatolt valamiféle segédfesz. jelenlétével működik. Azért fulladozik, mert a táp a kimeneti fesz. csökkentésével leesik 12 V alá. Szerintem a 0-20 V közötti fesz. szabályozás csak úgy oldható meg ennél az eredeti segédtáp megoldásnál, ha valamilyen független segédtápot alkotsz, és elfelejted az eredetit (kiktatod). Az enyém küső 15 V-os tápról megy (egyenlőre egy régebbi "labortáp" 723-assal). A terhelés próbákat még nem csináltam meg. Üdv! btoti 
				Ha a KA7500 (ami a TL494-gyel kompatibilis) a +12V-ról kapja a tápfeszét, azon úgy lehet segíteni, hogy a trafó 12V-os tekercsének valamelyik (vagy mindkét) sarkáról csúcsegyenirányítással előállítasz neki egy külön tápfeszültséget. A csúcsegyenirányítás miatt egészen kis kitöltési tényezőnél is meglesz a kellő tápfeszültség (elméletileg minden kitöltési tényezőnél ugyanakkora kellene, hogy legyen). Először össze kell rakni a csúcsegyenirányítót (egy dióda + egy elkó), és megmérni, mekkora lesz a kialakuló tápfeszültség, aztán ha túl nagy, akkor valamivel célszerű az eredetileg a PWM IC-hez menő értékhez közelire csökkenteni (pl. stabkocka). Én ezt a módszert alkalmaztam egyszer egy olyan ATX tápban, amelyiknek tönkrement a segédtápfesz-trafója. A tápegységbe bekerült még a nagyfeszültségű tranzisztorok C-B kivezetései közé két nagy értékű ellenállás, így bekapcsoláskor úgy indult az egész, mint régen az AT-s tápegységek. 
				Jól hangzik. Meg is nézem, hogy át tudom-e variálni. Amit most vettem észre, hogy egy idő után (pl fél óra) megbolondul a táp. A feszültség 3 V-okat ugrál fel-le, amit kezdetben beállítottam 7,5V-ra felugrik 13 V-ra, és utána egyáltalán nem lehet szabályozni. Majdnem tönkretettem így egy akksit. De ez is szerintem terhelés-függő. Tehát ezt csak a szinte teljesen feltöltött akksival csinálja. Nem tudom mi lehet a baja. Azon gondolkodom, keresek inkább egy másik tápot, ami még működik és elkezdem újra az alakításokat, mert ezen már elég sok minden nem eredeti. Van is egy, abban valami 2003 típusú IC van és semmi más.(2003 BAY 05360332H) Visszarajzoltam, de még nem mertem hozzáfogni átalakítani. Azon kívül van még egy másik, abban nem is tudom milyen IC van, de az sem 494, de az már be van fogva a jövőbeli pákám tápjnak. Hamarosan felrakom a rajzot, hátha látott már valaki ilyet. köszi: uli 
				Az ötlet nem rossz, de az én tápom kimeneti fesz-e nulláig húzható le. Nulla V kim. fesz-hez pedig nulla kitöltési tényező tartozik. Ugyan elképzelhető ebben az esetben is egy diract-delta szerő impulzus, de annak az energia tartalma olyan kicsi, hogy nem igen tudja a 25 mA-s tápáram felvételt biztosítani. A másik összeszereléskor előtűnő gond, hogy a ventillátort is el kellene látni táppal. Az én gondom megoldott, mivel közös házba kerül a 0-20 V-s és egy fix 5 V-s táp. Az 5 V-s egységben van egy 22 V-s segédtáp. Ebből 7812-el előállítom a 0-20 V-s egység 12 V-s segédtápját, a két ventillátort pedig párhuzamosan kötöm az 5 V-s ventillátorával, és ketyeghet. (Kipróbálva, működik.) Az IC "azonosság" helytálló, de még legalább 20 féle típusjelű, azonos felépítésű létezik. Talán a legjobb adatlap itt található: http://www.alldatasheet.com/view.jsp?Searchword=TL494 . Ulinak szurkoljunk! 
				A 2003-as icvel megvalósítottra kérdezhetsz ha már megnézted a rajzát is itt...						 
				AT tápnál csak a leírt módszer alkalmazható, ATX-nél elvileg van segédtáp, amiről a vezérlés is elketyeghet. Ha nem akar az ember külön segédtápot építeni AT táp esetén, akkor még meg lehet próbálni a kimenettel sorba tenni mondjuk 2 diódát, így a nulla kimenetnél is van valamekkora minimális feszültség, amire a PWM rész dolgozik, nem lesz nulla a kitöltés.						 
				Járható megoldásnak tartom a diódás átverést abban az esetben, ha a tápot egy fix fesz. forrásként használjuk bármilyen berendezésben. "Labortápként" viszont számomra elvárás, hogy beállított nulla kim. fesznél ténylegesen nulla legyen. Semmilyen tüskék ne legyenek jelen. Részemről ez már csak a konstruktív elmélkedés kategóriája, az én segédfesz. gondom megoldódott. Szívesen olvasnék ötletet a túláram védelemre. Vázlat: A +/- kimeneten azonos értékű sönt, legalább a + oldalon fesz. figyelés, szabályozható erősítés, 4-s lábra 2,8 V (pontosabban 0-2,8 V) amikor korlátozni kell. Természetesen a kimeneti fesz. figyelést át kell kötni a sönt után a tényleges kimeneti pontra és a táp közös null pontjának galvanikusan is GND-nek kel maradnia. A hibajel erősítő tápellátása a rendelkezésre álló +12 V segédtápról. Egyszerűség (tranzisztor, műveleti erősítő) - PIC-s megoldás itt luxus. 
				Nekem az a véleményem, hogy ezek a kapcsolóüzemű PC tápok nem alkalmasak labortápnak. Én inkább úgy csinálnék labortápot, hogy a PC táp feszültségét megemelem, és egy korrekt, disszipatív áteresztőfokozatot építek a kiemet elé. Esetleg még azt meg lehet tenni, hogy a kívánt kimeneti feszültség felett 3-4 voltra előszabályozom a PC tápot, így a disszipatív fokozaton nem fog brutális teljesítmény hővé válni, ha kis kimeneti feszültségnél nagy áramot veszünk le. Ennek ellenére egy átalakított PC táp nagyon hasznos szolgálatot tehet a műhelyben barkácsoláskor, készülékek bemérésekor, beüzemelésekor. Az áramkorlátozásos vázlatoddal egyet tudok érteni, én is kb. hasonlóképp gondolkoztam róla már korábban. Igaz, meg még nem valósítottam. PIC ide nem kell, nem is alkalmas ilyen feladatra, esetleg ha magát az áramkorlátot digitálisan akarod beállítani, akkor lehet értelme a használatának. Én egyébként a következőn is gondolkoztam: a pozitív és a negatív ágba beépített söntökre olyan műveleti erősítős mérőfokozatokat építeni, amiknek a kimeneti feszültsége a GND-hez képest mondjuk 0-5V tartományba essen a kimeneti 0-max áramterhelés között. Ezután már egy földhöz képesti feszültségméréssel ki lehet jelezni az áramokat, sőt, 0-5V között állítható komparátorfokozattal az áramhatárolás is működtethető. A 0-5V tartományokat akár digitális áramkörökkel is fel lehet dolgozni (pl. PIC). Ha a táp szabályozókörét is úgy alakítja ki az ember, hogy 0-5V feszültséggel lehessen 0-max között változtatni a kimenetet, akkor az egész táp vezérelhető és mérhető/kijelezhető teljesen digitálisan. 
				Sziasztok! Van egy High Power SI-X200M3 tápegységem amit át szeretnék kicsit alakítani és ebben kérném a segítségeteket. Amit szeretnék az a feszültség szabályzás 0-tól ameddig lehet és ha egyszerűen megoldható akkor áramkorlátozót is beiktatnék. Elolvastam párszor az "AT-s PC táp átalakítása" cikket de a TL494 IC 1-es lába elég sok ellenálláshoz kapcsolódik, kimértem amit csak tudtam és megy 12 és 5 Volthoz is meg GND-hez is úgyhogy eléggé bizonytalan vagyok. Szerintetek megoldható amit szeretnék? 3 kép a tápról --> Kép1 Kép2 Kép3 
 
				Elkészítettem az AT tápom kapcsolási rajzát. Részben. Az alkatrészek értékeit még nem írtam oda, mert a régi színkód bizonyára nem jó hozzá. Ezt onnan gondolom, hogy kiégett egy 2,2 kohmos ellenállás és a színcsíkok piros,piros,piros helyett piros,piros,arany,arany volt. Mellékelem a rajzom, amelyik még fejlesztés alatt áll. Nagyon örülnék, ha átnéznétek és az esetleges botlásra felhívnátok a figyelmem, mert tápot akarok, nem füstgépet. Ez a kis táp megnyerte a tetszésem, mert nincs benne olyan sok alkatrész.						 
 
				Piros,piros,arany,arany az 2,2 Ohm és ilyen érték bizony szokott lenni az AT tápokban. Nem akartam korábban beleszólni, de nem értettem, hol van és mit művel az emlegetett 2,2 Kohmos. Vannak ill. lehetnek benne ilyenek a vezérlés oldalán, de a nagyfesz oldalon nem nagyon. Ha berajzolod a kapcsolásba vagy megírod a számát, meg tudom mondani, oda mekkora érték való. 
 
				Most szeget ütöttél a fejembe. Jelképesen. Holnap délelőtt utána nézek és azonnal megírom. Ha jól emlékszem, az egyik erőtranzisztor bázisára vitte a jelet, de holnap kiforrasztom és megmérem. Arra gondoltam, hogy egy másik táp után átírogatom az értékeket, de amikor láttam, hogy ott ohmosok voltak, azonnal letettem, még csak nem is gondolkodtam el rajta. Pedig kellett volna.						 
				Kísérleteztem a táppal és sikerült részben amit szerettem volna de van mit rajta javítani ezért továbbra is kérném segítségeteket. Próbáltam mindent a cikk szerint csinálni de meg se nyikkant a táp majd a figyelést visszakötöttem 5 voltra is és elindult. Elindult de úgy, hogy le sem áll hiába kapcsolgatom a PS-ON-t. A táp hangja egyébként változik, ha bekapcsolom vagyis összeérintem a GND-vel akkor simább a ciripelés viszont kikapcsolt állapotban darabosabb a hangja. A 22Kohm-os trimmert ha félig tekerem 14 Volt a feszültség viszont ha megpróbálom feljebb tekerni akkor elkezd rohamosan csökkenni kb 1 Voltig. Rákötöttem egy 400mA-res fogyasztót és fél Voltot csökkent vagyis nem stabil a fesz. Szerintem ez a figyelés miatt van de furcsa módon van megoldva ezért lerajzoltam hátha így érthetőbb. Az 5 Volthoz kapcsolódó ellenállást és kondit vettem ki mikor meg se nyikkant a táp. A sárga X-hez kötöttem a 22Kohm-os trimmert. Mi tévő legyek?						 
 
				Teljes mértékben igazad volt. Az ellenállás 2,2 ohm és nem 2,2 kohm. Amit tettem helyette, az is  2,2 ohm. Nem egy nullát, hanem hármat néztem el. Az ellenállás, amelyikbe annyira bele voltam akadva, a rajzomon R111,  a  Q102 tranzisztor bázisához vezet. A további teendőm az, hogy az értékeket beírom színek alapján, és egy másik táp rajzával összehasonlítom. Nagy eltérés esetén, kiforrasztom az egyik lábát és megmérem.						 
				Üdv! Ezt lehet hogy nem pont ebben a témában kéne megkérdeznem, de nem akartam ezért újat nyitni. Olyan dologban kéne a segítségetek, hogy 12-14 Voltról (autótápfesz) szeretnék üzemeltetni egy PII AT/ATX combo alaplapot és egy winchestert. Az alaplapban egy Intel Celeron 333MHz-s processzor van és 2db SD memória. Az alaplap megy úgy is, ha csak a +5V és a +12V-ot kapja meg és ugyanezzel a winyó is. Most én a tápot 2 stab. IC vel képzeltem el, a 12V-ig OK, de 5 volton már akkora az áram, hogy nem bírja egy sima stabkocka. 2 egyforma párhuzamosan kötött IC vel ment egy kis ideig, de eléggé melegedett, meg hát párhuzamosan kötni az ICket... Második ötletem az volt, hogy egy minusz 5voltos ICvel kéne meghajtani egy teljesítmény tranzisztort a +5Voltnak, pl.: így: L7905 ->ellenállás a kimenet és bázis közé-> BD250C. Kérdés: mekkora ellenállás kell közé és ha elkezdem terhelni ezt az egészet, akkor nem fog-e elmászni a bázisfesz+áram és így a kimeneti 5Volt is, ami a PC működésképtelenségét okozná   Válaszaitokat előre köszönöm! 
				Ez tényleg nem ide tartozik, de megpróbálok válaszolni a kérdésedre. Először is eléggé szkeptikus vagyok atekintetben, hogy az autó 12V-ja elég stabil-e egy számítógép számára, de tételezzük fel, hogy igen. Másodszor a földhöz képest pozitív tápfeszültségeknél fogalmam sincs, hogy mit keresne ott egy negatív stabilizátor. Talán ha lerajzolnád az elképzelésedet, akkor világosabb lenne, de szerintem nem oda való. A 7805-nek létezik nagy áramú, TO3 tokos változata is, az lehet, hogy elég lenne, de ha nem, akkor csinálhatsz korrekt patkolást is a stabilizátorra, pl. így. Bár én jobban szeretek ilyen esetben a 10 ohm helyére egy Si diódát és egy ellenállást (pl. 0.5 ohm), valamint a tranzisztor emitterébe is egy ellenállást betenni (pl. 0.1 ohm); így a stabilizátoron és a tranzisztoron az ellenállásokkal fordított arányban oszlik el az áram, a példákban említett értékekkel a stabilizátor 1A-es korlátozásához 5A tranzisztoráram, azaz összesen 6A kimenő áram tartozik. 
				Üdv újra! Mivel válasz még mindég nem érkezett ezért továbbra is kísérleteztem a táppal és szerencsére közelebb kerültem a végcélhoz. Az 5 Volthoz tartozó elkót visszatettem, ekkor egy olyan jelenség volt, hogy miközben a feszültséget állítottam sercegett a táp és ingadozott a feszültség. Majd a TL494 4-es lábát a GND-vel összekötő ellenállást kicseréltem egy vezetékkel. Most ott tartok, hogy 13 Voltig tudom biztonságosan állítani feszültséget és egy 1,4 Amperes fogyasztó 0,03 Volt feszültség esést eredményez vagyis a stabilitás kipipálva, viszont előjött egy jelenség. Mégpedig ha hirtelen rákapcsolom a fogyasztót a tápra akkor lefullad, viszont ha fokozatosan emelem az Ampert akkor nincs probléma. Már csak egy valami foglalkoztat az pedig a bekapcsolás, hogy miért nem reagál a PS-ON-ra. Ezzel szerintetek érdemes foglalkozni vagy kössem össze a GND-vel és kapcsoljam a tápot egy hálózati kapcsolóval? 
 
				Az egyik ismerősömnek is ez volt a gondja. Segitségem kérte és elküldte a következő linket. http://www.google.ro/imgres?imgurl=http://free.x3.hu/wolfkid/doc/Ep...=53&tb Ez a link már nem működik úgy mint régen. Itt ki volt dolgozva minden, pontosan úgy, ahogy téged érdekel. Elmentettem a memória kártyára, de a második használatnál már a képek és a leírás fele eltűnt. Semmi gond, elmentem még egyszer. Ismét, a második próba után az előző helyzet állott elő. A megépítés érdekében, még frissiben kinyomtattam, így papír adathordozón meg van. Elküldeni azonban nem merem, csak ha a fórum nagy nyilvánosságán megírják a hozzá értők, hogy szabad. Nem szeretném senkinek a szerzői jogát megsérteni. 
				Hello! Valaki meg tudná mondani, hogy mi célt szolgálnak PC tápban az alábbi vezetékek: PS, USE, S+, melyikkel lehet beindítani pc nélkül a tápot? 
 
				Hali! PS-ON+GND (zöld+fekete vezeték)össze kell kötni és indul a táp.						 
 
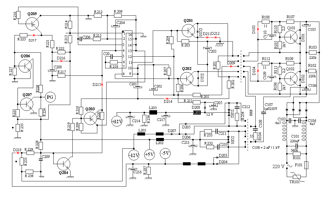
				Tisztelt uraim Az előzőkben sokat nyavalyogtam egy PC táppal. Először átalakítani szerettem volna, de nem kaptam hozzá eredeti rajzot, hogy tudjam, honnan indulok. Rengeteget keresgéltem, de nem találtam. Ezért hát elkészítettem, saját kezűleg a kapcsolási rajzot. Sokat dolgoztam rajta, amíg kész lett. Ha nem dolgoztam volna oly sokat rá, eszembe sem jutna, hogy közzé tegyem. Más, aki nem tudja, hogyan fogjon hozzá, hogy elkészítsen egy kapcsolási rajzot, talán használható lesz az én módszerem. Elég időigényes, de kényelmes. Leírom a lépéseket. 1.beszkenneltem a nyomtatott áramkört; 2.kitöröltem a sávok közötti festéket; 3.elkészítettem a nyák tükörképét és kinyomtattam; 4.a tükörképre berajzoltam az alkatrészeket; 5.elkészítettem a tényleges kapcsolási rajzot. Kérdezitek, hogy mi volt az értelme az egész munkálkodásnak? Hát az, hogy úgy megismerkedtem a kapcsolási rajzzal, hogy ha valaki megfizetné, már mernék vállalni akár összerakást is, csak készítsék el a nyákot. No meg biztosítsák az alkatrészeket. Az élesztés legyen az ő gondja. Ennyit rádolgoztam, mellékelek képeket is a munkafolyamatról, de nem lettem sokkal okosabb. Összegzem a tanulmányozásaim eredményét. A 494 – es IC 1 – es lábánál állitják a feszültséget, a 15 – nél az áramerősséget, 12 – es lábon van táplálva. Az én tápomnak nincs az a trafója és optocsatolója, amelyik adja a feszültséget a 12 – s lábra. Így hát nem merek lebontani és átalakítani semmit. Esetleg annyit, hogy a két potmétert beiktatom az 1 – es és 15 – ös lábhoz. Pár ötlet az átalakításhoz jól jönne. 
 
				És itt a munkám eredménye.						 
 
				Ennek a változatnak azért nincs optocsatolója, mert a szabályzás teljes mértékben a kisfeszültségű oldalon zajlik. A meghajtó tranzisztorokat a 494 +2 db tranzisztor trafó közbeiktatásával vezérli. Ráadásul ez egy nagyon egyszerű régi AT táp, amiben még a meghajtó tranzisztorok áramát figyelő áramváltó trafócska sincs benne. Ehelyett az áramot átvitték a meghajtó trafón. Érdekes megoldás, nem tudom, mennyire hatékony.						 
 
				Azért 14 voltra felemelhető-e a feszültsége? Akkutöltő lenne a rendeltetése.						 
 
				Persze. Erről a változatról is szerepel itt leírás.						 
 
				OK, kösz. Akkor még azt kérdezném meg, hogy mitől mentek "tönkre" az AT tápok, amikor egy izzóval terheltem csak a 12 és 5V-os ágakat (max. 5A-rel)? Hozzáteszem, hogy eddig egy táp bírta a többire rátettem és meg is adták magukat, leesik egyből a feszültségük terhelés alatt... | Bejelentkezés Hirdetés | 
















