Fórum témák
» Több friss téma |
Temérdek sok panaszt olvastam uccsó Mplab (8.92) és win8/10 témában. Én nem tudom pontosan, mi a gubanc vele, nem is különösebben fontos. Ami számít: ha valami nem stabil, nem plug & play minden esetben akkor is, ha háború van, lőnek mellette, és éppen rácsorog az agyvelő, meg bármi, akkor kezdőknek azt nem preferáljuk. Ahol van win7 - hála az égnek - oda nem kell X, és nem kell XC. A "régi" alatt azt értem, minden, ami még nem X.
Persze köszönöm a tippet 8.89-ről. Nekem éppen jó is lesz majd, ha rákényszerít az idő win10-re. Én ugyanis notepaddal írom a programot. Nem használok project állományt, helyette headereket térképezek fel, és include-olok. Az egész Mplab-ot csak azért telepítem, mert a C toolchain abból a környezetből veszi az asm fordítót (meg a pic-ekhez a header állományokat, regiszter cím def-ek). Az ide-t az életbe el nem indítom. Bánom is én, működik-e, vagy sem. De mindez én vagyok, és nem azok, akik frissen kezdik.
A legjobb, ha leszedsz mindent, amit telepítettél az X vonatkozásában. Az összes hozzátartozót mindenestül, cakk-pakk, mintha a géped a Microchip-ről sosem hallott volna.
De mielőtt az mplab-ot elkezded telepíteni, újra megemlíteném a fordítók kérdését. Az mplab alapból ismeri az asm-et. Ha más oldalról hozzá vagy szokva assembly-hez, akkor a fordító kérdését is megoldottad. Ha jobb szereted a kényelmet, van C fordító, de az már pic függő, hogy melyikhez kéred, mert 8, 16, 32 bit más fordítókat használ. A kérdést az tudja eldönteni, milyen pic-el raktál össze kezdeti teszt környezetet. Ha boardot vásárolsz egyben, akkor pedig kellene link róla (a schematic-ot megnézni). Ha bread boardra magad pakolásznád, akkor a pic típusát írd le. Jó lenne tudnunk rólad a legelső felírásomban adott check list első 3 pontját, hogy átlássuk, hogyan segíthetünk leghatékonyabban: -Szakmai angol mennyire megy? LEgalább írott szöveg elolvasása kellene. -Analóg elektronikai amatőr gyakorlati tapasztalat? -Digitális elektronikai amatőr gyakorlati tapasztalat? -Saját elektronikai "mini műhely"? (Alkatrészek, forrasztó páka, próba panelek)
Azt hiszem megvan a hiba.
Kicsomagoltam a firmware jar fájlját és a jam-ot kínáltam fel frissítésre. A 18F25K40-nél ez működik. Így a java körül van valami gond. A legújabbal is.
A többi PIC-el is minden rendben, ha szerepel a pk3.pk3 -ban.
Vagyis nem a netről tölti le ami kell, hanem a legutóbb telepített Pickit3.jar csomagból. A hozzászólás módosítva: Jan 24, 2018
Szia! Még az én időmben oroszul tanultunk. Azért az angol szöveget úgy-ahogy olvasom, ha kell, szótár segítségével. Autódiagnosztikát szoktam csinálni, s ott is előfordul angol szöveg. Tehát nem teljesen kínai ez a nyelv.
Régebben sok mindent után-építettem. Erősítők, fényorgona, tv-játék, labortáp stb... Aztán jó kis időt kihagytam, s most újra elővettem a pákát. Elköltöztem, s most kezdem felszerelni a kis sarkomat, ahol majd szeretnék forrasztgatni. Jó pár dolgot elhoztam magammal, de sok mindent még most szerzek be. Tavaly év végén rákaptam az e-bay-re s az aliexpressre. Onnan érkezik majd ez EzEzEZezezez s még más. Jópár dolog pedig már megérkezett. Egyelőre így állok.
Nalam az az alapelv, hogy amig megy a feladat, addig marad a regi (pl. en regi tango2-s nyaktervezot hasznalok, mert eddig meg nem futottam bele olyan kihivasba, ami nem ment volna vele. Ugyanigy assemblyzek mind a PIC mind a PC oldalon. Ha majd valami olyasmi kell (mondjuk weblap), ami csak c-ben van meg, akkor vagy megirom magamnak vagy valtok c-re.
De egyelore ilyesmi meg nem volt. A 8.89-es telepitot kaptam valakitol, de nemigen szeretem, csak a 16 bites PIC-ekhez hasznalom ha muszaj, illetve manapsag a 455x es 255x-es PIC-eket gyarilag kiutott LVP bittel hozzak forgalomba, igy ott torolni kell egyet vele, utana mehet a sajat programozo.
Dióhéjban:
-feltelepítesz fejlesztői környezetet, -felépítesz áramkört a boardon, -elkészíted a szoftver projectet mplab alatt, lefordítod a forrást -csatlakoztatod a pk3 programozót az áramkörhöz, -feltöltöd a pic-re a programot, -lecsatlakoztatod az áramkörről a programozót -áramkör reset után a program futni fog rajta Az mc oldalon ( Bővebben: Link ) regisztráció után tudsz letöltögetni (ingyenes). Amit letölteni javaslok: "MPLAB IDE v8.92", "HI-TECH C Archive", "PICkit 3 Stand Alone Programmer App v1.0", PIC16F628A termék weboldal, PIC16F628A adatlap, PIC16F628A errata (hibajegyzék), PIC16F886 termék weboldal, PIC16F886 adatlap, PIC16F886 errata, és még segíthet ez is: PICkit 3 Programmer/Debugger Users Guide A boardra az alapáramkört majd felépíted, abban már gyakorlott vagy, az áramköri kötelező környezet rigolyákkal együtt ott van az adatlapon szájbarágósan. A programozó csatlakoztatás is, de az részletezve van a pk3 user guide-ban is (még mplab setuphoz is van benne fejtágító). Mplab alatt projectet létrehozni weboldal példa videóval: Bővebben: Link. A videón van automata angol felirat, azt kapcsold be hozzá, úgy kicsit könnyebben fog csúszni. Valamennyit segít, ha előzetesen már használtál asztali gépen bármilyen programozási környezetet, legalább egy hello world-öt lefordítani / lefuttatni. Kezdetben lehetségesen kicsit emészteni kell a project létrehozás lépéseit. Gyorsan megy egyébként. Van ott azon az oldalon temérdek sok egyéb fejtágító, és a video-nak is vannak follow up-jai. Nem kevés cucc átrágni magad rajta, de úgysem kerget a tatár, csak lépésenként, kényelmesen, és ha bármivel elakadsz, itt jelezd.
Nagyon szépen köszönöm! Rengeteg információt kaptam tőled már.
![]() Hétvégén fogom mélyebben beleásni magam a témába, ilyenkor kevesebb az időm. De azt hiszem, jópár hétvégémet megszervezted. Köszi!
Sziasztok!
A mellékelt pic tartalom egy nixie csöves hő/páratartalom mérőé. A hőmérsékletet kb. 70 másodpercig, a páratartalmat kb. 8 másodpercig mutatja. Abban kérnék segítséget egy hozzáértőtől, hogy módosítsa a hőmérséklet kijelzési időt 60 másodpercre, a páratartalom kijelzést 25 másodpercre. Illetve még egy, hogy meg lehet e csinálni, hogy az összes csőben lévő karaktert végigfuttassa mondjuk 5 percenként? A hozzászólás módosítva: Jan 25, 2018
Amikor valaki nulláról kezd pic-ezni, de legalább az előzetes alapok erősek (van angol, elektronika, programozás, és mindenből a veterán minőségben), kb 3-4 hónap sétatempóban, mire leülepszenek a pic-ezés alapjai is. Ha az alapok gyengébbek, akkor több idő.
Sziasztok
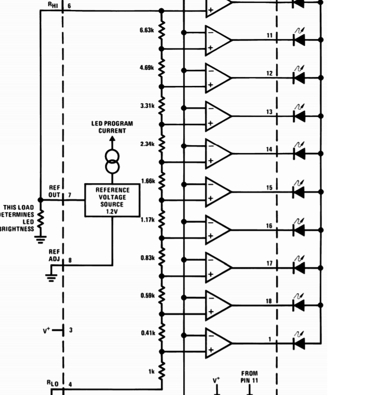
![]() Hogy lehetne leprogramozni c be az ellenállásokkal beállított felosztást 8 és 5 ledes kijelzésnél. Mi az ADC bitértékük kb ??? 0-4 volt lenne a referencia. Hogyan lehetne kiszámolni???
Ez az oldal segít kiszámolni a feszültségszinteket, abból meg már kiszámólható az A/D értéke.
Hello! Mellesleg az LM3915 adatlapjának 4. oldalán ott van "Threshold Voltage" címszó alatt egy táblázatban a 10V-ra normalizált osztás értékek.
Sziasztok!
Hang effekteket, dallamokat keresnék a Sound Library használatához. Karácsonyi dallamokat és pár hasonlót találtam eddig, de örülnék pl régebbi játékokban használt effektek (lézer, lövés, sziréna, ...), vagy rövid, könnyen felismerhető dallamok (star wars, magyar népmesék, ...) kódjainak. Esetleg olyan szoftvert ismertek-e, ami valamilyen hangfájlból le tudja generálni a sound_play-nak átadandó számsorokat...
Ha neten rákresel, hogy piezo music generator, akkor elég sokat kidob, én eddig máriót és star warst találtam, és ez az első 5 találatban volt.
Ha zenét akarsz, akkor rengeteg kottát találni a neten. Minen stílusban. Csak válogatnod kell .
Pl.: Kiskarácsony... A hozzászólás módosítva: Jan 28, 2018
Ha többszólamút szeretnél, akkor nézd meg ezt: Video Game for pic18f2550
Forráskód is van, átírhatod a dallamot. Mellékesen még VGA videojelet is generál.
Köszönöm mindhármótoknak!
Más keresőszavakat használtam, ill kottákra nem is gondoltam ![]() Klasszikus effektekre nemigen vannak kották, pedig élmény lenne a régi kvarcjátékok, tetrisz, fütyülős kulcstartó, játékgépek, DOS programok effektjeit előcsalni saját eszközön A hozzászólás módosítva: Jan 28, 2018
Van négyszólamú zenelejátszó is, szintén forráskóddal együtt, 16f628a-ra.
Sziasztok!
Megtudnátok mondani, hogy az alábbi üzenetet miért kapom az égetés során? mikroProg Suite programmal égettem, 12F617-es pic-et. Azt nem értem, hogy a mikroc kezeli ezt a pic-et, azonban az égetőnél nem szerepel ez a típus, és 12f508-nak ismeri fel. Köszi!
Van mikroelektronikás programozód?
Mert eszméletlenül drágán adják. Én nem vettem meg. Maradtam a Pickit -es égetésnél.
Mint a lenti fórum részletből is kiderül, csak a saját programozójával működik.
EasyPIC v7-em van
És a MikroC hez van licenszed vagy az ingyenes verziót használod?
Az ingyenes verzió tartalmaz egy 2k fordítási határt.
Teljes verzió, ami a gyári cd-n van rajta.
Akor sajnos nincs több tippem.
Jó sok pénzedbe krülhetett A hozzászólás módosítva: Jan 29, 2018
|
Bejelentkezés
Hirdetés |




Onnan érkezik majd










