Fórum témák
» Több friss téma |
Fórum » Propeller Clock
Csatolok 2 képet, remélem érthető a szitu...
Ha "ebben a formában" szereled fel a LED-et a tranyóhoz, akkor kiderül hogy működik-e az áramköröd! Nem biztos hogy CSAK BP103-mal működik, lehet hogy a kivitelezés a ludas! Nem?
A képről lemaradt egy "n" betű...
Érthető a "szitu" eddigis érthető volt.....Most hogy van benne bp103 meg a ir led is ottvan így nemvilágít eggyik led sem.Ez normális?És hogytudod azt elérni hogy kijelezzen vmit?
Most ha ráadod a tápot magától felpörög. Ekkor a távszabályzóval kapcsold ki. Aztán a távszabályzóval kapcsold be. 5-10mp-en belül megjelenik a kijelzés.
Tettem fel 1 kis videót: Bővebben: Link (26.6MB)
Üdv!
Új fényképezőmmel egy igen érdekeset sikerült fényképeznem, ezt most megosztom veletek. Nem ez volt a fő tárgy, csak feltűnt, és kivágtam a képből, azért ilyen a minősége. De érdekes, nem?
Hát nyomogatok mindent a távírányítón deh semmi
És van 1 pár hely a fórumba ahol leírja hogy mejik gomb mit csinál és asziszem a 12 vagy a 13 a motor ki deh nekem csak 0tól 9 ig van számozva a távírányító.....Csatoltam 1 képet
Jah meg még van egy TESCOS 300 ft-s távirányító ijen univerzális.......Tih mijen márkájú,tipusú távírányítót használtok?
Ha van univerzálisod, akkor taníts be neki philips kódot! Például legyen Philips videó. (gondolom kaptál hozzá egy kis könyvet, amiben benne van egy csomó készülék kódja)
Szia
Azthittem a cikk után csináltad. Abban benne van egy egyszerű távirányító is.
Rendesen írjál, meg ez így nem mehet tovább! Szedd össze magad, és teljes egész mondatokat produkálj, vagy inkább akkor ne írj semmit!
Azt hogyértitek hogy 13 mas gomb?Vki magyarázza el!Csak 9 gomb van a távírányítómon...
Sztem te sem gondolod komolyan h. bármilyen távirányítóval tökéletesen fog működni.
Van hozzá távirányító. Csatolom. Üdv!
Van olyan távirányító amivel minden funkciója elérhető, de nagy szerncse kell, hozzá, hogy megtalálja az ember. De az általad belinkelt távirányító tökéletes hozzá.
És erről a távírányítóról van vkinek nyákrjaza,alkatrészlistálya,és beültetési rajza???Ha igen linkelje már be...
Dehogynem láttam.....deh itt nincsen nyákrajz beültetési és alkatrészlista a távírányítóhoz...
Szia!
Ha jól emlékszem mélyentisztelt Vicsys barátunk már egyszer mellékelt itt a fórumban egy komplett alkatrészlistát. Menj a keresésbe és ebben a témában alkatrészlista címszóval keress a fájlmellékletekben. Szerintem komolyan el kellene gondolkoznod azon, hogy ez a propeller clock nem nagy falat-e neked. Gondolom nem lehetsz nagy spíler elektronikából (az írásaidból ítélve) ezért én a helyedben jóval egyszerűbb projektekkel kezdenék. Egy ilyen bonyolultságú óra elkészítéséhez több tapasztalat/ tudás kellene. Gondolom már tele lehet a *****-d az elektronikával órástól mindenestől, ezért lenne jobb, ha egyszerűbb áramköröket készítenél, és lenne sikerélményed is. Azt pedig te sem várhatod a fórumozóktól, hogy helyetted megcsináljanak mindent. Tessék megnézni a kapcsolási rajzot, kiírni az alkatrészeket, elmenni a boltba, megvenni, megtervezni a panelt. Én még abban is biztos vagyok, hogy az óra nyákrajzát át sem nézted, lehet, hogy az is hibás. Egy projekt elkészítésében nem az a jó, hogy ott a kész nyák, megépítem és működik. Hanem magam tervezem a nyákot, és ha nem működik, akkor napokig küzdök vele, mindent szisztematikusan végigondolva, hogy melyik rész mit csinálhat, és már amikor tényleg nem tudom, hogy mi lehet a gond, akkor segítséget kérek. De akkor sem azt írom be, hogy: Nem működik, segítsetek! Hanem pontosan leírod, hogy mi a problémád, meg miket mértél stb.
Kedves Tomi20!
Mivel elég jól ismerlek (az osztálytársi kapcsolat műve... ), azt kell mondjam:IGAZAD VAN! Bárki másnak is igazat adtam volna ebben a hozzászólásban... És hogy miért? Mert a saját bőrömön tapasztaltam nem egyszer a NYÁK készítés örömeit és problémáit! Viszont aki "vérig" szenved egy kapcsolás elkészítése során, arra nem mondhat senki, semmi rosszat! És mindamellé ott van az építés öröme! Nincs annál szebb, mikor van egy kész áramköröd, amibe minden tudásodat belefektetve működésre bírod! Oldalakat írhatnék arról, miért lenne jó ha tanulnál inkább egy keveset és addig csak "egyszerűbb" áramköröket építenél...De nincs helye az OFF-nak, szóval tanulj ifjú Padavan és ne zavarj másokat korán reggel!!!
PROPELLER CLOCK
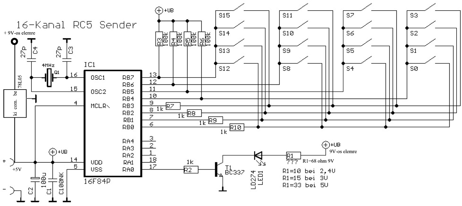
RC5 TÁVSZABÁLYZÓ ALKATRÉSZEK ELLENÁLLÁS 68 Ω 1 db 1 KΩ 5 db 100 KΩ 4 db KONDENZÁTOR 33 pF 2 db 100 nF 1 db 100 uF 6,3V 1 db FÉLVEZETŐ IR LED 1 db 78L05 stab IC 1 db BC 337 tranzisztor 1 db PIC 16F84P uC 1 db EGYÉB 4 MHz Rezgőkvarc (mini) 1 db IC foglalat 18 láb 1 db CuZ huzal 0,2-0,4 mm 20 m Mikrokapcsoló 3 raszter 16 db NYÁK 76x38mm 1 db ...és a program amivel tudsz nyákhoz nyomtatni: Bővebben: Link
Én amikor megvettem a cuccokat a távirányítóhoz,akkor csak 27pf-os kondi volt 33-as helyett.
Ugye ez nem lehet probléma? Elvégre 10^-12-enről van szó,tehát nagy különbség nem lehet,csak gondoltam megkérdezem. üdv!
Köszönöm szépen vicsys!Még egy beültetésit-it mellékelsz hogy kikövegeztessem hogy mekkora Mikrokapcsolók kellenek....Kedves Tomi20!Szerintem a fórum arra van hogy írjanak bele....Ha meg nemtudsz válaszolni arra amit kérdezek akkor ne oltogass le...Jó????
Bővebben: Link
(6x3,5) |
Bejelentkezés
Hirdetés |















