Fórum témák
» Több friss téma |
Ehhez gondolom kellene egy relé is...
Annyira nem egyszerű. Olvasd alaposan az adatlapot. Nézz körül, itt a fórumon az ezen témájú topikokban, és a cikkek között is.
Vagy enkóder/dekóder páros, vagy mikrovezérlő használata szükséges.
Sziasztok!
Amatőr vagyok az elektronikában ezért kérlek segítsetek. Remélem jó fórumban keresgélek mert lenne egy kérdésem. Van egy 433Mhz-es távirányítóm és az lenne a kérdésem ,hogy ezt lehet e állítani illetve ráhangolni egy szintén 433Mhz-es vevőre mert valamiért a kettő nem beszélget egymással. Természetesen a kettő nem egy pár gondolom azért sem működik de remélem meg lehet oldani ezt a dolgot.Ha esetleg van valakinek ötlete vagy tuja hogyan kell "ráhangolni" a vevőre légyszi segítsen. Előre is köszi a válaszokat. Az adó így néz ki.
A rahangolas nem egyszeruen pontosan azonos frekvenciat jelent.
Itt az ado es a vevo kodokkal (kodsorozatokkal) beszelget egymassal. Kepzelj el egy teremben sokfele nemzetisegu emberbol sokat. Mind kiabal, tehat hang hallatszik (azonos freki). Az, hogy 'Bela, gyere ide' csak a magyar nemzetisegu, Bela nevre hallgatonak szol. A kinai vagy a torok nem fogja erteni, pedig ugyanugy hallja ugyanazt a beszedet, mint a magyar. Roviden valaszolva a kerdesedre: ismerni kellene a taviranyito protocoljat. Altalaban mind az ado, mind a vevooldalon mikroprocik (is) vannak, amik elvegzik a kodolas es dekodolas feladatat. Lehet, hogy a te esetedben csak a megszolitas mas, tehat Gezanak hiaba kiabalunk magyarul, hogy "Istvan, figyelj ide", azt ugy erti, hogy nem neki szol. De valoszinubb, hogy mas rendszeru vevo eseten meg a nyelv (protocol) is mas.
Szia!
Mivel ezt én úgy sem tudom megoldani , kit kell keresnem aki ezt ki tudja deríteni? Úgy értem keressek egy rádió technikust vagy egy számítógépes programozót? Ez kinek lenne igazából a szakmája? Vagy mi kell ennek a dolognak a megfejtéséhez? ( persze csak elméletben ) mert ez nekem nem fog menni.
Ha van forrasztópákád, meg tudod oldani. Ebben az adóban vagy egy kódmező, az 1. képen látható [8...1 H L] amit összhangba kell hozni a hozzátartozó vevő hasonló felépítésű kódmezejével.
A vevőről miért nem raktál fel képet? A hozzászólás módosítva: Jan 17, 2014
Az érdekes az, hogy sajnos akkor sem lehet őket együttműködésre bírni.
Nekem is van több ilyen kis kulcstartós adóm, de mindegyiket párban vettem, azok a saját párukkal szépen működnek. Megjegyzem az összes 433MHz jelölésű. Az adót "hozzáhangolni semmiképp sem leht, azon egy fix értékű SAW rezonátor van. A kommunikátor IC mindegyiken a PT2262/2272 pár. Alapból gyárilag ezek mind azonos "0" kódon vannak, és ahogy írod, a kis bridgek összeforrasztásával lehet őket párba tenni, ha többet is használunk egy körzetben. Na de miért nem látja egymást két 433-as , ha egyforma a kód is ? ![]() Elvileg a vevőn van egy kis tekercs, ami a vevő freki környékére hangolna, de nem hinném hogy a sávszélessége ne lenne elég egy 433,92 meg egy 433,74 párban működéséhez. Bár hangolni még nem próbáltam. Az egész átviteli sávszélessége ezeknél 2-4 kHz ASK, nem hiszem hogy ne férne bele a vételi spektrumba.
Sziasztok!
köszi a válaszokat! Nedudgi kérésére teszek fel képet a vevőről hátha ez segít valamit. ennek a vevőnek a mérete : 5X10x35 mm. Ennek a vevőnek van adója is csak azzal az a bajom,hogy nem elég erős mert a vevő be van építve egy zárt dobozba és nagyon le van árnyékolva a körülmények miatt. Ezért gondoltam hogy egy adó aminek van kihúzható antennája javítana a dolgon csak hát az nem beszélget ezzel. Ha netán van valami javaslatotok hasonló méretben és olyan ami beszélget az adómmal légyszi osszátok meg velem is. A hozzászólás módosítva: Jan 18, 2014
Sziasztok! Ezt az AM adó vevő kapcsolást építettem meg, microkontrollerhez akarom használni rs232c továbbítására (elég az egyirányú kommunikáció.)
Szóval akkor mekkora kell legyen az anterna hossza? Olyan 50 Mhz körül működhet, akkor λ= c/f= 300000/50.000.000=0,006 És akkor az anterna hossza d=λ*0.25=0.0015(m)=0.15(cm) ? Valami nekem nem tetszik ebbe a számításba, és szeretném ha leellenőriznétek. Tegnap összeraktam a kapcsolásokat, rátettem labortápra 4,7Vdc-t kapott, de a vevő rész kimenetén nem mértem feszültséget, az adó, és a vevő anterna kimenetei és gnd-között megvolt a tápfeszültség, oszcilloszkópom nincs, hogy megnézzem a jelalakot.
Szia Balázs !Minap rendeltem és nemsokára meg is kaptam egy négycsatornás adót s vevőt.Az lenne a kérdésem,hogy kellene az égőket bekötnöm .Mellékelem a linket .kerestem leírást hozzá de azon nem igazodom ki.Sajnos kezdő vagyok az elektronikában ezért..http://www.ebay.com/itm/12V-10A-4-Channels-Wireless-Remote-Control-...efb170
A hozzászólás módosítva: Jan 18, 2014
Az utóbbi képen látható bekötésre gondoltam sajnos a cuccról leirást nem találtam
![]() Típusa :CDKZQ-4L-4PC.B Köszi a válaszod.
COMx= a kapcsoló (relé) mozgó érintkezője.
NCx= alapállotban zárt érintkező NOx= alapállapotban nyitott érintkező.
Akkor erre nem kell külön elemet kötni,hogy az égő világitson?
Dehogynem kell. A jelfogó érintkezői függetlenek a modul többi részétől.
A hozzászólás módosítva: Jan 18, 2014
én abbol a leirásbol nem jövök ra mit hova . a másik fajtánál a képen amit beillesztettem bezzeg jelölik,de ennél nem.Lehet eladom a francba nincs értelme kinlodni vele .kedvem lenne földbevágni.
mindegy azért köszi
Pedig az a rajz annyira egyértelmű, hogy fogalmam sincs mit nem értesz rajta.
Ott van a vezetékezés, az izzók, táp, minden szépen berajzolva. Ha ez se megy rajz alapján, nem is értem minek vágsz bele ilyesmibe ?
A számításodba nagyságrendi hiba csúszott. 30 MHz = 10 m, 100 MHz = 3 m. Az antenna hossza a hullámhossz negyede, a rövidúlési tényezővel szorozva. Levágod a hullámhossz negyedére, és csipkedéssel lehangolod.
Szkóp nem nagyon szükséges, viszont egy freki mérő nem ártana. A hozzászólás módosítva: Jan 18, 2014
Szia!A rajz nem azé a cuccé,hanem egy másiké.Hasonlot kerestem a mellékelten megadott tipushoz.
Szia!
Van-e 12V-os tapod? Ha igen, annak van ket szala, az egyik a + a masik a - vagy GND. A jelolt szal lesz a + vagy ha dugos kivitelu, akkor a kozepso er. Azert a tapon nezd meg a jelolest, biztos ami biztos. Aztan bekotod a vevohoz a +12V-ra a tapod + vezeteket a -12V-hoz a - vagy GND szalat. Innentol kezdve ha nyomod a taviranyitot, a megfelelo relenek kattannia kell. Ha eddig mukodik, innentol mar nem radios tema, hanem Kezdo kerdesek. Ha ez is keszen van, akkor bekotheted a lampakat. A lampaknak (hacsak nem ledesek) mindegy, hogy melyik fele megy a szoritoba. A lampak masik szalat ossze kell kotni a tobbi masik szallal es a tapod - (GND) pontjahoz kotni. Igy mar mukodni fog a dolog. Celszeru az elejen a probakhoz kis fenyereju lampakat hasznalni, pl. gepkocsi helyzetjelzo, belso vilagitas izzo, stb. Ha valamit nem ertesz, akkor egyszerubb volna a Kezdo kerdesek topicban kerdezni tovabb. A lampaid fajtaja csak attol fugg, hogy mekkora a tapod. Minel nagyobb az amperszam 12V eseten, annal erosebb lampakat kepes meghajtani.
Köszi szépen.
Az adóvevő megépítve próbapanelen, először működött, másnap mikor próbálom mindenféleképpen a vevőn +4,7-3,6v jött ki. Kiderült hogy az egyik vezetősáv rosz volt, kijavítottam. Most meg minden esetben 0V jön ki, mindegy neki hogy ki vagy be van kapcsolva az adó.
Hogyan lehetne ezt kiküszöbölni/ megtudni hogy hol keressem a hibát?
Szia!
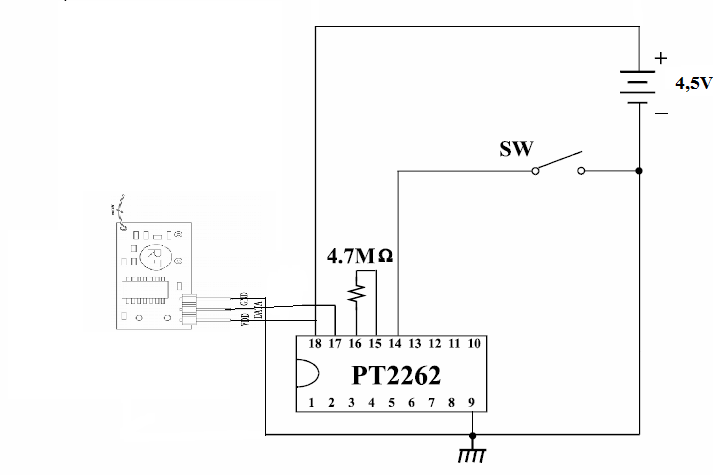
Gondolom mikrovezérlő nélkül akarod megoldani. Az általad linkelt modolukat szinte csak MCU-val lehet használni, esetleg a neten lehet hogy találsz hozzá kész projektet, de valószínűleg át kéne írni a programot. Ezeket viszont egy PT2262 - PT2272 párossal már életre lehet kelteni: HM-R868, HM-T868. A PT2262 egy enkóder IC, vagyis az RF adó bemenetére kell kötni a PT2262 kimenetét. A PT2272 egy dekóder IC, vagyis az RF vevő kimenetére kell kötni a PT2272 bemenetét. Ha átnézegeted az adatlapokat, világosabb lesz a téma.
Szia!
Ennyi elég? /Gondolom ez így kevés lesz./ Szabadban a hatótávolság kb mennyi? Köszönöm.
Nem ismerem a moduljaid teljesítményét, de nálam hasonlókkal 20 méteren belül még stabil szabad téren.
Arra viszont figyelj oda, hogy a rajzodon mindkét PT-nek 4,7M-ot rajzoltál, pedig ott 1:4 -1:5 az ellenállások értékének az aránya, nézd meg az adatlapokat! A hozzászólás módosítva: Jan 28, 2014
Üdv!
Szerintetek, egy Conrados 433MHz-es időjárásjelző állomásról le tudom venni a jelet egy mondjuk HE-storeban kapható 433MHz-es RF modullal? pl: Ennek a külső egységéről. Mondjuk egy ilyennel. A hozzászólás módosítva: Jan 29, 2014
Mány mA-ral terhelhető a kimenet és + vagy - kapcsol?
Üdv!
Mivel ezek logikai áramkörök, ezért a kimenetet csak 5-10mA-rel lehet terhelni, mondjuk ez elég egy kisebb tranzisztornak (pl BC547). A másik kérdésedre, meg a pozitívat kapcsolja. |
Bejelentkezés
Hirdetés |





















