Fórum témák
» Több friss téma |
Sziasztok!
Szeretnék egy rádiós távirányítót építeni, és ehhez keresek valami kapcsolást. Olyan kéne, mint pl a kapunyitók, vagy az autóriasztó kapcsolók. Ha egy mód van rá, kerülném az IC-k használatát. A segítséget előre is köszönöm!
Ha olyat keresel, amivel pl. ki-be tudsz kapcsolgatni valamit, akkor talán olcsóbban és egyszerűbben megoldható ha veszel egy vezeték nélküli kapucsengőt és átalakítod. IC nélkül meg elég bonyolult lehet a dolog.
Igazából egy kapunyitóhoz hasonló kütyüt szeretnék csinálni, 4 gombbal. A kapunyitó adó része megvan, az elég egyszerű kis kapcsolás pár ellenállással, kondival, induktivitással meg tranzisztorral, csak a vevő része nincs meg sajnos.
Amúgy IC is jó, csak nem tudom azok mennyibe kerülnek és melyiket érdemes használni.
tedd fel az adó kapcsolását, addig nem lesz vevőse , ha nem tudni mit add ki magából az adó.
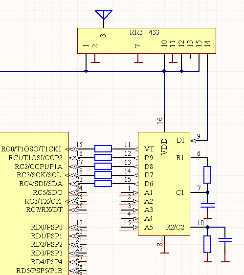
Ok. Itt a kapunyitó kapcsolása.
hmm
ez érdekes.. nem vágom ezt de egyálalán lehet kapni ilyen ic-t ?? ht-12e -t?? mert én nem találtam, adatlapotsem..
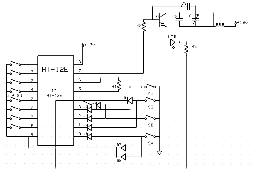
Az az ic nem RF adó, hanem egy a 4 bemenetet kódolja egy kimenetre, a mellette található 8 bit alapján pedig címezi a kapunyitót. az RF adó része az R2 és R3 ellenállásoknál kezdődik.
A túloldalon pedig egy RF vevő kell + egy HT-12D, ami értelemszerűen visszakódolja, hogy a négy gomb közül melyik lett lenyomva. Hogy miért akarok ilyet? mert megvan minden hozzá, a vevő kivételével. Amúgy ez egy, a PC soros portjára köthető távirányító lesz 15 gombbal.
Hát, sajnos nem nagyon.... valami kapcsolási rajz kellene inkább
Esetleg EZ ITT segíthet. Nem egy nagy összeg az ára. A dekódolás meg mehet szoftverből.
No úgy látom nem nagyon haladunk a témában
Viszont már régebben találtam egy ilyet: Mini FM vevő és "hozzá": Mini FM adó A kérdés az, hogy ezek alkalmasak-e vagy átalakíthatóak úgy, hogy alkalmasak legyenek az alábbi melléklet szerinti jelforma átvitelére?
Én a helyedben a www.chipcad.hu oldalon keresnék FSK adó-vevő IC-t... olcsó és jó, csak egy antenna kell a kimenetre, és igazából komplex. Bár ide túl nagy, de ha valami komolyabbat akarsz csinálni RF-en akkor ezzel csinálnám...
A http://www.chipcad.hu-n lehet válogatni a Telecontrolli RF modulokból. Én ezekből állítottam össze távirányítót.
HI!
Én is ezeket a Telekontrolli modulokat ajánlottam neki, de az nem volt jó
végre(már érzem a változást
), nem csak azt mondod, hogy ott a modul azt használd...ok ott van, addig nem érdemes megvenni még nem tudod, hogyan használd, végre vmi plussz, nem csak az, h ott van azzal old meg. ha akkad és van még ilyened ezekről ne dugd el előlünk.. létszi oszd meg. köszi :worship:
Valami nagy hatótávolságú (1Km) RF adó-vevő modult nem tudtok?
Soros 9600Baud-s adat átvitelre kéne.
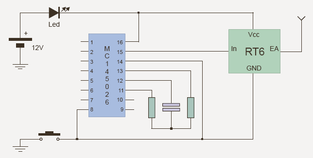
Nos igazándiból autó indításgátló készült belőle és adónak egy kulcstartós változat kellett. Itt találtam adó ill. vevő egységeket, de egy kicsit drágáltam, igaz ezek ugrókódos távirányítók. Tehát megépítettem az adót illetve a vevőt + bonyolításnak egy pic-et is a vevőbe. Mikor már működött a rendszer akkor a http://www.sini.hu/-n vettem egy tanítható távirányítót (LRC-400).
Így lett okos indításgátlóm. Nem mintha ettől nem lehetne elvinni a járgányt!
Ado-vevo (RTFQ-1 illetve RRFQ): http://www.wireless-products.dk/RF-Solutions/WP-RF-FM-RXFQ.htm /www.chipcad.hu/
Hozza valo kodolo-dekodolo ic (MC145026 illetve MC145027): http://www.ortodoxism.ro/datasheets/motorola/MC145026.pdf /www.lomex.hu/ Kapcsolasi rajz adott... Szerintem egy ilyen jó lenne minden célra...En egy ilyennel nyertem TDK-t...
Turtam itthon, és szerintem nagy segítséget találtam nektek.Modul, és vevő készítés .tanítás.
Üdv!
Szeretnék építeni egy egyszerű rádiós kapcsolást. Néhány méter hatótávolság elegendő és a lényege csupán annyi, hogy ha az adó oldalon folyamatosan lenyomva tartk egy gombot, akkor a vevő oldalon folyamatosan világítson egy led. Elolvastam Topi cikkét, de én nem modullal szeretném ezt megvalósítani, csak egy néhány alkatrészes kapcsolással. Megoldható ez? Tud valaki segíteni?
Vezeték nélküli csengő.
Csupán néhány méterre nem elég az infra?
Sziasztok!
Keresnék olyan RF távirányítót mint a mi a képen van, vagy olyat ami jó helyette és tudja vezérelni az elektronikámat! Ez olyan univerzális 12 voltos ki-be kapcsolós kész panel, csak nem tudok szerezni hozzá mégegy távirányítót! Aki tud iylet vagy amit hozzá lehet programozni, álítani akkor segítsen! Elöre is köszi!
Lehet hogy nem mindenki a vezetek nelkuli csengot szeretne
En peldaul szeretnek egy egyszeru radio adot es vevot. Szokasos felallas: adon pl gombot nyomok vevon meg vilagit a led. igazabol a radiovezerles erdekelne hogy meik alkatresz miert van ott es miert mit csinal...szoval a mindennek a miertje erdekel de maradjunk a radios vezerlesnel kerdes feltetele kozben is keresek valami kis fm ado vevot..
Hello,
Csatlakozom sk3tch hozzaszolasahoz. En is egy megnyomom a gombot, mashol meg vilagit a led, amig el nem engedem tipusu problemat szeretnek ugy megoldani, hogy aranylag egyszeru legyen, es ertsem, mit csinalok... Valahol esetleg vmi irodalom fellelheto? Kerestem a neten hasonlokat, de semmit nem leltem... Udv: VGereben
Sziasztok! Én segitek nektek..... Tehát van az adó és megnyomod a gombot, a led felvillan és kialszik... Ez vajon mért van....... Azért mert a vezérlő jelnek folyamatosan változnia kell!!! Tegyél egy oszcit pl NE555-sel vagy CD40106-al az ado bemenetére! (vagyis ahol a gomb van, és összezár.)
És az oszcit kapcsolgasd ki/be a nyomógombbal!!! Tuti nem marad el a siker!!! Elmondom mi történik... : Az oszci kimenetén vagy H vagy L szint van... Ez azt jelenti hogy frekvencia fügvényébe pl 50Hz-nél 50-szer fogja be 50-szer fogja ki kapcsolgatni az adódat amit a vevő úgy érzékel mint ha a gombot nyomogatnád ilyen gyorsan!!! De ez olyan gyors hogy a leden észre sem veszed ezt a másodpercenkénti 50X be/ki kapcsolást!!! Röviden ennyi.... Sok sikert nade mester mikoze a rRF nek a ledhez? nem infras taviranyitot akarunk epiteni hanem radiost.
sk3tc haverom én a rádiósról beszéltem heee!!! nem infrázgatok
Próbáld ki tényleg vazzeee!
"De ez olyan gyors hogy a leden észre sem veszed ezt a másodpercenkénti 50X be/ki kapcsolást!!!
" na en innen vettem hogy infrarol beszelsz, vagy van radios led? |
Bejelentkezés
Hirdetés |





van benne vmi




), nem csak azt mondod, hogy ott a modul azt használd...

En peldaul szeretnek egy egyszeru radio adot es vevot. Szokasos felallas: adon pl gombot nyomok vevon meg vilagit a led. igazabol a radiovezerles erdekelne hogy meik alkatresz miert van ott es miert mit csinal...szoval a mindennek a miertje erdekel





