Fórum témák
» Több friss téma |
Fórum » Riasztószerelés tapasztalatok, ötletek (kizárólag haladóknak)
Témaindító: Syn7h37ic, idő: Márc 15, 2010
Szia!
Rágoogliztam, pedig ez nagyon jó lenne nekem Csak azt nem tudom, hogy mit reagál egy nagy égszakadásra, esőre, viharra, vagy ha a kutya ugrik a drótra.. Gondolom a kutya ugyan úgy rossz pont.. Jól sejtem?Hol lehet ilyet kapni idehaza? Van kisker elérhetőséged, ahol meg tudom nézni, meg rendes ára is van, nem csak webshop? Köszönöm!
Szia!
Én nem kötném a sziréna töltőáramkörét az [AUX+ AUX -]-ra, mivel az 700mA-es áramkorlátozással rendelkezik és esetlegesen előfordulhat, hogy túlterhelődik és lekapcsol. Nem lenne szerencsés, ha egy esetleges sziréna hiba miatt nem tudnád használni pl. a kezelőt, mert az AUX kimenet lekapcsolt. A legújabb E65 programozói leírásában (ami a trióda vagy a paradox oldalán van fent) már nem szerepel az a kis rajzocska, amit belinkeltél. Ha jobban megnézed akkor az van rajta, hogy a GND-t az [AUX -]-ról vedd, a +12V töltőfeszültséget a [BELL +]-ról. A sziréna indítása a [BELL -]-ról történjen. E65-öt még nem szereltem, E55-nél, SP4000-nél a BELL- az mindig kint van, és a BELL+ billen riasztáskor. Ott az a kis rajzocska nem járható út. Lehetséges hogy az E65-nél hasonlóan az EVOkhoz, és nagyobb szériás Spectrákhoz a BELL- aktiválódik riasztáskor. (open collectoros kimenet)
Szia!
Magyarországi kereskedelm kirendeltség UTC Fire & Security Hungary Kft. 1106 Budapest, Jászberényi út 24-36. Tel.: (1) 433 0100 Fax: (1) 263 0569
Szia
Az UTC-nél láttam én is. Ennek a terméknek az elődjét raktam úgy 5-6 éve. Engem lenyűgözött. Azt még 5-6 potméterrel lehetett kalibrálni. Nem emlékszem pontosan, hogy hogyan de nagyon hozzá lehetett állítani a körülményekhez. Én könnyűszerkezetes épület falára raktam. Be lehetett állítani úgy, hogy 300m-re megpöccintettem a kábelt és bejelzett. (Persze nem maradt úgy.) Ott be lehetett úgy lőni, hogy a jégeső nem zavarta meg. Szerintem az újabb verzió még jobb lehet.Ha a kutya nekiugrik valószínűleg be fog jelezni, de a kutya csak akkor fog nekiugrani ha valaki bóklászik a kerítés mellett. Véleményem szerint tökéletes, téves riasztás mentes kültéri védelmet nem lehet csinálni. Üdv
Szerintem villanypásztor, nagyfesz érzékelővel. Azt csak úgy tudja kikerülni, ha létrával átmászik felette. Ha elvágja, vagy leföldeli, azt meg lehet érzékelni, és riasztani.
Sziasztok!
Ugyan én sem vagyok profi a témában, de pont most raktam össze egy E55-öt egy Crow BS-1 Kültérivel. Ez egy 1.01-es központ, és a programozóiban lévő kis ábra, amit ti is csatoltatok, tényleg hibás. Pont fordítva kellett kötni, mivel a Bell- mindig kint van, a Bell+ húz riasztáskor. Szóval az eredmény: Bell+ -> Go+ Bell- -> GND AUX+ -> +14V Mivel a központ Bell kimenetet lehet 3A-ig terhelni, riasztáskor nem fogja megfektetni a rendszert a hang-fény, az AUX-on "csak" a normál üzemi tápot kapja. Ugyan így is előfordulhat túlterhelés, de azt hiszem, ahhoz, hogy ezt megkerüljük, teljesen saját tápot kéne adni a kültérinek. Kérlek, javítsatok ki, ha tévednék, valamint ha valaki tud válaszolni a köv kérdésemre: A K363 kezelőhöz kötött nyitásérzékelőre szabotázst jelez nyitott állapotban. Hol szúrhattam el a programozást, ha a bekötés és az 1k-s EOL ellenállás jó? Köszi!
Szia!
Én a sziréna tápellátását az akku töltöáramköréről szoktam megoldani. Ha a BELL--ra és az AUX+-ra kötsz, az ugyanaz, mintha az AUX+ AUX--t választanád, vagyis szintén lekapcsolhat az aus kimenet. Sajnos nem tudtam módosítani a hozzászólásomat valamilyen okból, ezért itt teszem meg: Én a sziréna tápellátását az akku töltőáramköréről szoktam megoldani. Ha a [BELL-]-ra és az [AUX+]-ra kötsz, az ugyanaz, mintha az [AUX+]-t [AUX-]-t választanád, mivel [AUX-] = [BELL-], vagyis szintén lekapcsolhat az aux kimenet. (ezt lehet, hogy többször el kell olvasni) A 3A-es áramkorlát a [GND/AUX-/BELL-] és a [BELL+] között értendő! K363-mat írtál, de valószínűleg K636-ot szerettél volna. A kezelő zónáját úgy kell kötni, mint a központ zónáit, azzal a különbséggel, hogy nem duplázható (ATZ). Ha EOL van a központ zónáin akkor a kezelőhöz is kell tenni. Külön viszont nem kell programozni, követi a "globálisan" megadott vezetékezést.
Szia! Én is ilyen központtal rendelkezem, és egy ideje szemezek ezzel a szoftveres beállítással, csak sajnálom a vonalszimulátorra azt a pofátlanul sok pénzt. Tudnál nekem kapcsolási rajzot küldeni róla alkatrészlistával?
Bővebben: GSM GATEWAY
Talán nem annyira sok az a ~12eFt. VDMP3 hangmodullal pedig akár le is kérdezheted a rendszer állapotát. (call-center jellegű) Ha esetleg elfelejted élesíteni a rendszert, akkor telefonhívás segítségével azt is megteheted. Riasztás esetén bemondja, hogy melyik partíciót és zónát sértették meg, ezután pedig a telefon gombjai segítségével beütheted a felhasználói kódod, hogy hatástalanítsd a rendszert. Nem is igazán értem, hogy miért ragaszkodnak sokan ahhoz, hogy egy GSM modul SMS-t küldjön. Véleményem szerint ennek nem sok értelme, pláne ha valami rövid kis dallamot játszik a telefon sms esetén. A mai GSM modul árak mellett szerintem egy ilyen vonalpótló+VDMP3 "kombináció" teljesen jó alternatíva a hagyományos, kontaktusokkal vezérelt GSM modulok helyett, az egyéb kényelmi szolgáltatásokról nem is beszélve....
Szia!
Köszi a válaszokat! Tiszta sor, én is ezt írtam. Mivel az [AUX+]-t használom a sziréna normál tápellátására, egy szirénahiba esetén gond lehet. Megfontolom ezt az akku töltőáramkörre való kötést, jól hangzik. Riasztás esetén azonban a [Bell+/-] -t használja, így akkor nem fog leválni úgy, mint az eredeti rajzocska alapján tehetné. A kezelővel igazad van, K636 természetesen. EOL-t mindenhova tettem, a kezelőhöz is, mégis szabotázst jelez nyitás helyett.
Szia!
Nem lehetséges, hogy a kezelő zóna típusa nem jól van megadva?
Köszi az ötletet, hétvégén leelenőrzöm, aztán meglássuk. Beszámolok majd róla, hol rontottam el!
Köszönöm az ötletet, de a mobilos ki-be kapcsolást már megoldottam egy egyszerű gsm riasztóval. Ha összehasonlítod az általad említett gsm gateway-t ~12eFt-ért, és az általam említett vonalszimulátort 5eFt-ért, akkor érted min csesztem fel az agyam...
Üdv!
Paradox SP6000-el kapcsolatban szeretnék segítségért folyamodni. Mi okozhatja azt a problémát, hogy partícionálva van a rendszer (2 K32es LED kezelőt tartalamz). Be tudom kapcsolni mindkét partíciót és ez esetben hatástalaníthatom is. Viszont ha csak a 2. van bekapcsolva, akkor az egyik kezelővel nem tudom kikapcsolni, csak a másikkal. Találkozott már ilyennel valaki?
Sziasztok!
Lehet hogy nem teljesen vág a témába, de valaki meg tudná mondani hogy a Paradox központok soros programozóján 5V-os a tápfeszültség vagy esetleg 12V-os? Építettem egy programozót, hogy ne kelljen vagyonért megvenni, csak ez a kérdéses. Lassan de biztosan elkezdenék pár darab telepítést, és ha nem muszáj nem installálnék kezelőről. Nyilván nem méregetitek a port feszültségeit, de ha esetleg meg tudnátok nézni megköszönném. Hátha van éppen előttetek kiterítve néhány központ. A 4 pines csatlakozó két széle a táp, a kettő közepe a TX-RX. Nekem van itthon egy régi 728+, de annak a soros csatija csak bővítésre szolgál programozásra nem, így azon 5V van. Köszönöm a segítséget!
Hello!
A 307USB-n felülről: +; gnd; RxTx, és mivel USB portról működik, gondolom +5V a tápfesz. Ha gondolod meg tudom majd mérni.
Szia!
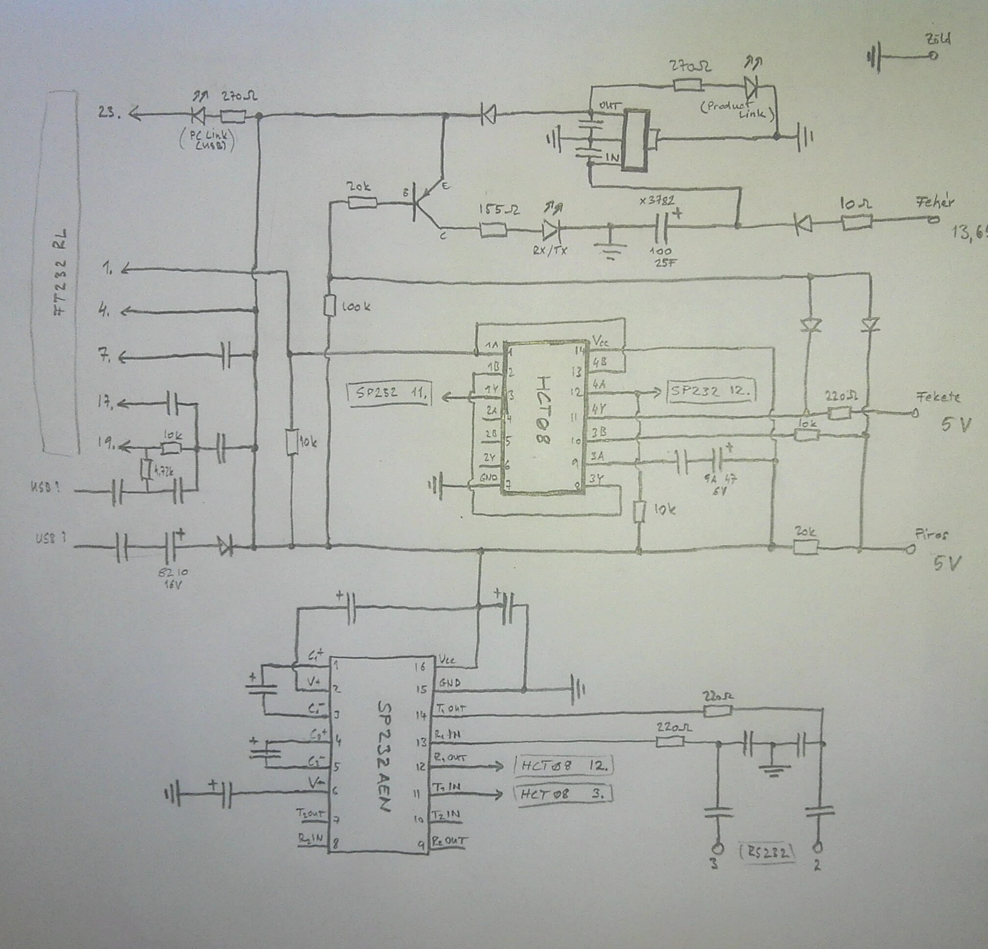
Én szinte a 306-os programozót építettem meg, ugye ezen csak soros port van. Simán lehet a csatin 12V is, mert a kis dobozban bőven elfér egy 78L05-ös stabilizátor. Sajnos csak egyszer láttam belülről egy 306-ost, így nem emlékszem pontosan a belsejére. A mellékelt kép alapján raktam össze a sajátomat, persze némiképpen leegyszerűsítve. Ahogy a saját központomat mértem, ott a kettő széle a tápfeszültség. Nem gondolnám hogy megvariálják ezt a szabványos bekötést, de lehetséges. Nem tudom pontosan hogyan működik a soros kommunikáció, de lehet hogy a TX-en vagy az RX-en kint van a táp. Lehet hogy egyszerűbb lenne a programozóban ellenőrizni, hogy melyik vezetékek mennek a tápra és melyikek a kommunikációhoz. A 306-ban egy MAX232-es ic dolgozik, gondolom az USB-s verzióban ezt megfejelték egy soros-usb átalakítással és kész. Ha így van, akkor a MAX232-es ic bekötése a képen látható, az alapján visszakereshető minden. A gyári programozó képét nézve a csati színkiosztása is félrevezető lehet. 1-fehér, 2-zöld, 3-fekete, 4-piros. De a mérések majd kiderítik. Ha jut rá időd mérd már meg kérlek, mind a központon mind a programozóban. Esetleg tudsz a programozó belsejéről mindenfelől képeket mellékelni? Köszönöm!
Megmértem, és a mellékelt képen jelöltem. 4,5V van balról az 1-es és a 3-as lábon. Azt kellene még szerintem megmérni, hogy a központ mennyit és hol ad ki. Mert ha csatlakoztatom a központhoz akkor a Product Link világít rajta, ha csak a géphez van csatlakoztatva akkor pedig a PC Link (USB) világít. Amennyiben PC+307USB+központ, abban az esetben pedig mindkét LED világít. A 307 panelen nem látok feszültség stabilizátort.
Szia!
Azt meg tudod esetleg mérni a panelen, hogy a csatlakozó melyik lába hová megy a panelen? Úgy értem, hogy adott az SP232AEN-es IC, ami tulajdonképpen a MAX232-es ic-vel megegyezik. Az IC a tápot a 15-16-os lábon kapja, amiből is a 16 a +5V a 15 a GND. A TX-RX lábak vagy a 10-12, vagy a 9-11. A PC felé a soros csati a 2-3-as lábára a 232-es IC 7-13-as vagy a 8-14-es lába kell menjen. A képen ha jól látom ellenállások is vannak az adat útjában, ha tudod kövesd vissza a nyákon melyik hová megy. Akkor az adat rész már kiderül. A táp tekintetében, a jobb felső sarokban a kis SOT23-as tokozású alkatrész simán lehet stabilizátor IC. Elég gyanúsan van körbevéve diódával, kondival, és ott egy kis puffer elko is. Az szerintem stab ic lesz. Annak a lábkiosztását nem tudom, mert a típus az kitalált. Elvileg a bemenete és a kimenete 1-1 kondival a GND-re megy. A kis elko, lévén hogy 25V-os, lehet hogy a bemenet és a GND közé megy. A 4pines csatin meg tudod nézni a gnd-t, az "fütyül" elvileg a soros csati 5-ös lábával, a 232-es ic 15-ös lábával, és lehet hogy az usb csati házával. A + az meg lehet hogy a kis stab. IC-nek tűnő alkatrésznek a bemenetére. A központból adat szempontjából lehet hogy TTL szintű feszültség van, ami ugye 5V. Ugye a 232-es IC, elvileg egy soros-TTL konverter. Ha esetleg megvannak a tápfeszültség lábak a csatin, akkor következne a központ, hogy ugyanazon lábakon mekkora feszültséget ad ki. Ha ezeket meg tudod mérni, megköszönöm! Szerintem többen vagyunk akik meg szeretnénk építeni a programozót, mert amennyiért adják az kicsit lehúzás, még ha egyszer is kell csak megvenni.
Megoldjuk, csak jelenleg nincs nálam az eszköz. Hétvégén megyek haza és akkor nekiesek, ha még úgy jó lesz. Én voltam olyan szerencsés helyzetben, hogy a cég vette meg.
Természetesen jó, nem vetem be élesben addig amíg nem tudom biztosra hogy melyik láb micsoda. Nem rugatnám ki a processzor programozó bemenetét ha nem muszáj.
Mindenképpen megvárom a méréseid eredményét. Ha tudnék szerezni egy olyan központot ami már winload-dal programozható, de valami más része megdöglött, azzal próbálgatnám, de sajnos nem tudok szerezni, meg hát azért elég jól el vannak látva védelemmel a bemenetek, nem olyan egyszerű tönkretenni. Ami jelenleg itthon van 728+ az már őskövület, meg úgy néz ki hogy nem is akar dolgozni. Van egy másik, egy bontott DSC. Az meg DSC... Várom az eredményeket!
Szia!
Kimértem egy Esprit E55-ön a soros portját: Fehér - 13.65V Zöld - GND Fekete - 5V Piros - 5V Kicsit meglepődtem, úgyhogy szétszedtem egy 307USB-t, és megpróbáltam lerajzolni. Hát, a 3 rétegű nyákot amúgy is körülményes kicsengetni, meg sok időm sem volt, úgyhogy az USB-s részt már hanyagoltam, de csatolom a rajzot, amire jutottam. Igazság szerint ez már olyan, amihez az én szerény tudásom kevés, hiba is lehet benne, bár többször megpróbáltam visszaellenőrizni. Remélem segít azért...Üdv, HoLt
Szia!
Köszi a rajzot, úgy nézem hogy használható, sokat segít! Köszönöm a fáradozásod! Jól sejtettem hogy van benne stabilizátor. Ennél jobban nem is szükséges lerajzolni, mert a soros rész könnyen lekövethető belőle, ahhoz hogy valaki USB-t is akarjon, meg kell venni a gyárit. Azt ugyanabban a méretben házilag kivitelezni szinte lehetetlen. Meg ha a nyákot gyártatod, már nem éri meg. Nekem az volt a lényeges első körben, hogy a 4pines csatlakozó melyik lábán mi van. A HCT08 szerintem csak azért van benne, hogy a soros és az USB rész kommunikációja ne akadjon össze. De ez csak az én ötletem. Amit én találtam rajzot, a célnak megfelel, csak a bekötés más. Esetleg még az a kérdés merül fel bennem, hogy a 232-es IC-n a kondik milyen értékűek. Mert én láttam már 100nF-ost is, de 5µF-ost is. Azokra a kondikra gondolok, amik az 1-3, 4-5, VCC-2, GND-6 lábak között vannak. A kondikat esetleg meg tudod mérni egy ráérős 10 percedben? Nem tudom ezek kondik szerepét, de valami pufferelés is lehet. Az IC adatlapja 1µF-ot ír, de ettől eltérőket is láttam már. Nem tudom hogy a paradox melyiket alkalmazza. Lehet hogy egy rosszul megválasztott kondi miatt nem megy a kommunikáció. Esetleg még a 232-es IC 13-14-es lábain a kondik értékei. Azok amik a 220R után vannak a GND-re kötve, illetve amik a 2-3-as lábakkal sorban vannak. Ezek szerintem védelmi célt szolgálhatnak, mert ugye sok esetben elég makacs környezetben programozza az ember a központot, és ez az IC igen érzékeny. Lehet hogy mind a 4db 100nF. De ez talán majd kiderül. Üdv!
Szia!
Most nincs nálam a kütyü sajnos, de hétvégén lehet, hogy lesz lehetőségem lemérni. Ha sikerült, jelentkezem!
Sziasztok .
Kéne egy kis segítség Pyronix-hoz kellene letöltőkábel rajz . Ha valaki tudna segíteni nagyon köszönném.
Sziasztok!
Egy kis segítséget szeretnék kérni Micron tipusú riasztóval kapcsolatban. Pontosabban a vonal szimulátor érdekelne, ami csupán 6db ellenállásból és 3db árva kondiból áll. Neten fellelhető a panel fényképe beültetési oldalról, de sajna elég rossz minőségben. Emiatt sem az ellenállások pontos színkódja, sem a kondik feszültség és kapacitás értéke nem látható jól. A vezetősávok egy része is elég rejtélyes. Ezért, ha valaki rendelkezne ezen "bonyolult" kapcsolással, akkor ha nem túl nagy kérés, megoszthatná a kapcsolást itt a fórumon. Nem szívesen fizetnék ezreket egy olyan áramkörért, ami max 50Ft-ból házilag is megépíthető. Előre is köszönöm a segítséget!
Te a DD6 panelre gondolsz.
Felejtsd el. Mikrokontrollerrell van kivitelezve, aminek nem ismert a programja Jobban jársz, ha megveszed, mivel szerintem nem drága 5000 Ft körül van. Nem lesz sokkal olcsóbb, ha mikrokontrollerrel építed meg. A belső programok titkosak, így eleve halott ügy utánépíteni. Nem magát az alkatrészeket kell kifizetni ezeknél a cuccoknál, hanem a szellemi terméket. Amúgy sem 6 ellenállásból és 3 kondiból áll, a jó része SMD alkatrész.
Nem a kapcsolás bonyolultsága itt a fő probléma, hanem maga a kommunikációs átvitel. A bemenetektől függően különböző CID kódokat (vagy Ademco Express kódokat)
kell generálnia az eszköznek. Ehhez kell egy DTMF enkóder, kell hozzá egy vezérlő egység, amit tudsz programozni, egyrészt a beállítandó telefonszámok miatt, másrészt az elküldendő CID, vagy ADEX kódok miatt. A feladat elég összetett, így házi körülmények között csak egy uC jöhet szóba. Ráadásul a biztonságos leválasztást is meg kell oldani a uC és a telefonvonal között. Nem lehetetlen megépíteni egyet házilag, de a probléma maga a szoftver. |
Bejelentkezés
Hirdetés |




Csak azt nem tudom, hogy mit reagál egy nagy égszakadásra, esőre, viharra, vagy ha a kutya ugrik a drótra.. Gondolom a kutya ugyan úgy rossz pont.. Jól sejtem?








