Fórum témák
» Több friss téma |
Sziasztok!
Semmilyen tapasztalatom nincsen automatika/vezérlések terén. Szükségem lenne egy olyan vezérlésre, ahol szelep mozgató motornak kiküldünk egy 230V/250mA-es jelet. Erre a jelre kellene " rácsatlakozni" egy relével vagy más eszközzel és továbbítani vezeték nélkül egy on/off vezérlésű szivattyúnak. A szivattyút csak a betáppal tudjon vezérelni ( vagy kap áramot vagy nem). Valakinek esetleg van ötlete, hogyan és milyen eszközökkel tudnám ezt megvalósítani? Sajnos az eszközök neveivel is bajban vagyok, nem tudom mit keressek.
Kicsit több konkrétum kellene.
Pl. Milyen távol van a szeleptől a kérdéses szivattyú? Rádiófrekvencia szempontjából milyen a "rálátás" Szabad tér? Vagy föld alatt vasbeton aknában? Te akarod megépíteni, vagy gyári megoldást keresel? Mert a jelet levenni nem ördöngősség. Lehet 230V-os behúzótekercsű kisrelé, vagy előtétellenállás és optocsatoló. Folyamatos kapcsolat kell, vagy lehet x másodpercenként tartójelet küldeni? Utóbbi esetén, ha a hatótáv elég, lehet valamilyen 1-2 gombos kaputávirányító is, némi elektronikával megfejelve.
Keress rá a google-ban
Vezeték nélküli KINETIC kapcsoló vezérlőegység - 110 - 230 V AC
Sziasztok!
Köszi a felvetéseket. A távolság kb. 5 méter családi házról van szó álmennyezetbe vannak a szelepek és ezek mozgatói és a hőszivattyúm pedig kb 5 méterre van ezektől. Azért nem akarom kábelezni, mert a szelepeknél van szerviz ajtó, amúgy meg máshol nincs és monolit álmennyezet van. Tehát a jeladó és a jel vevő között fizikai akadály némi gipszkarton és egy 10-es tégla fal. Ha van gyári megoldás annak örülnék, de akár meg is tudom építeni vagy legalábbis megpróbálkoznék vele. Az egész folyamat úgy néz ki, hogy megnyomom a fan-coil távirányítót, akkor az kiküld egy 230V/250mA-es áramot a szelepmozgatónak (nem tudom meddig tartja fent ezt az áramot kb. 1-2 másodpercig. Van 4 db fan-coil, tehát ha bármelyiket megnyomom, akkor a szivattyúnak indulnia kell. A nehézség amire még nem ötöltem ki semmit, hogy ugyan ezt az áramot küldi az FC akkor is, ha kikapcsolom, tehát ha bármelyiket kikapcsolom jó eséllyel leállítom a szivattyút, ami nem lenne jó. De ezt majd megoldom, ha már a bekapcsolásra tudom a megoldást
Lehetne használni 433Mhz Remote. Távirányító "A" gombjára egy relét párhuzamosan rákötve megoldja a bekapcsolást. Mivel a kikapcsolást a "B" gomb működteti nem fog történni semmi ha ismét megnyomják az "A" gombot.
A hozzászólás módosítva: Máj 13, 2023
Szia!
Ha a fan-coilokat mind kikapcsolod, az összes szelep lezár? Azaz a szivattyú ilyenkor nem tud keringetni? Mert ha így van, akkor a szivattyú elé vagy mögé építs be egy áramlásérzékelőt, és akkor csak indítani kell a szivattyút. Az áramlásérzékelő majd leállítja.
Szia!
Aha mind lezár. Egyébként lehet tényleg a szivattyú irányából kéne megfogni ezt az egész kérdést. Olyan megoldás is jó lenne, ami "érzi", hogy már tudna keringgetni a szivattyú és ezért újra indítja. Esetleg valami ötlet?
Azt legfeljebb úgy tudnád, ha az áramlásérzékelő 5 percenként ráindítana a szivattyúra.
10 másodperc múlva pedig, ha nincs áramlás, újabb 5 percre leáll. Csak ez azzal jár, hogy esetleg te indítanád a cuccot, az pedig csak percek múlva indul el. Az asszinkron motoros keringetőszivattyú ezt elviselné, csak nullátmenetes szilárdtest rellével kell kapcsoltatni, mert a relé, vagy mágneskapcsoló hamar megunná.
De ehhez is kellene valamilyen vezérlő, ami 5 percenként újra próbálja indítani nem?
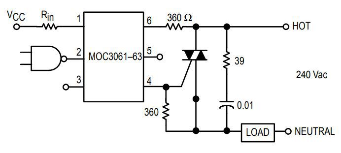
Ha tudsz PIC-et programozi, vagy legalább a hex-et feltölteni, akkor a következők kellenek hozzá,
amik pillanatnyilag beszerezhetőek: PIC12F1840 (elég lenne egy PIC10F322 is, csak azt most nemigen lehet beszerezni.) Pl. ez az optotriak Pl. ez a triak Valamilyen 5V-os táp, pár ellenállás, kondi. A mellékelt kép a triak bekötését mutatja. Meg persze egy a szivattyúhoz méretezett áramlásérzékelő. A hozzászólás módosítva: Máj 13, 2023
A FC mennyire zár le? Ha rendesen lezár, akkor a szivattyú után egy visszacsapó szelep, utána meg egy nyomásmérő, és egy áramlásmérő kombinációja.
Ha nincs nyomás indul a szivattyú, mindaddig megy, míg van áramlás. Leáll az áramlás ( lezárt a radiátor) a nyomás megnő a szivattyú leáll. Ez akárhány utólagos szeleppel működik, nem fog a sorrendbe belekavarodni, nem fogja feleslegesen indítgatni a szivattyút. Hátrány a szivattyú után kell egy visszacsapó szelep, és jó ha a tágulási tartály is ott van.
van visszacsapó, a tágtartály a visszatérőben van, a szelepek meg az előremenőben zárnak le.
Teljesen lezár a szelep nincs rajta átfolyás egyáltalán. Hogy tudna ez menni? A szivattyú honnan tudja, hogy megnőtt a nyomás? Feltételezem ezt a nyomásmérőből tudja, de akkor ide is kell valamilyen vezérlő nem? Milyen vezérlő kell?
Létezik ez a több csatornásban is 433Mhz 4 Chanel itt még programozás-ról is van videó. Kapható dobozolt, felprogramozott verzíóban is. Persze nem egy ipari cucc, lehet hogy zavarni fogja a nagy teljesítményű motor, viszont nem drága. Talán egy próbát megérhet.
Ha minden fan-coil-ba beépítesz egy adót, a vevő oldalon pedig párhuzamosítod a reléket, akkor már az első fan-coil bekapcsolására bekapcsol a szivattyú, de csak akkor kapcsol ki ha az utolsó fan-coil is kikapcsol. A hozzászólás módosítva: Máj 13, 2023
Ezért fárasztó dolog olyan helyen utólag dolgozni vagy javítani, ahol nem összehangoltan dolgoztak a tervezők és a szakágak szerelői. Hatalmas irodateremben egybe van gipszkartonozva a mennyezet. A kötődobozok mint a kartonozás fölé kerültek. Nincsenek szerelőajtók. Annak idején a számítógép hálózat koax-szal készült. Előre behúzták a segédmunkások, csak rá kellett rakni az aljzatokat.
Bővítés. Egy hurokkal több a földön. Átállás TP-re? ![]() No de mit kezdenek majd a villanyszerelők, ha komoly átszerelés kell? |
Bejelentkezés
Hirdetés |











