Fórum témák

» Több friss téma
Fórum » Sharp lc40lx812e AV in kábel
Lapozás: OK   1 / 1
(#) Vikihun hozzászólása Dec 25, 2024 /
 
Sziasztok!
Egy Sharp lc40lx812e lcd tv AV bemeneti kábel bekötés kiosztás kellene nekem, mert több féle bekötési módú kábelt találtam hozzá és nemtudom melyiket rendeljem meg.
Van amelyik a 3,5 jack hegyére köti a videó jelet, van amelyik a test mellettire.
Melyik lehet a jó?
Köszi ha tudja valaki a választ.
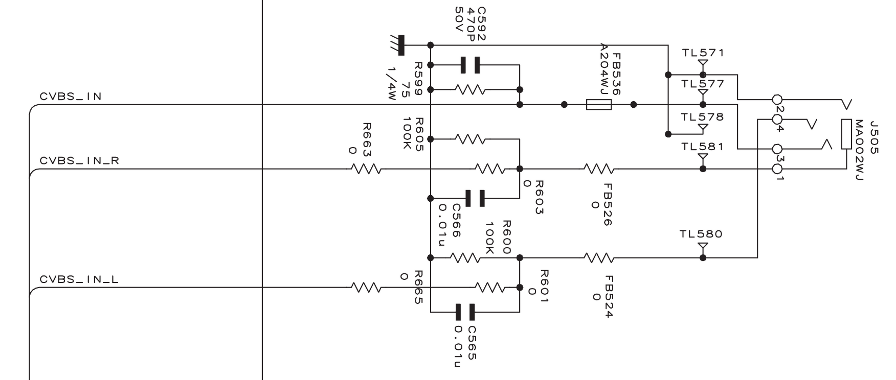
(#) gg630504 válasza Vikihun hozzászólására (») Dec 25, 2024 /
 
Rajz:

av in.png
    
Következő: »»   1 / 1
Bejelentkezés

Belépés

Hirdetés
XDT.hu
Az oldalon sütiket használunk a helyes működéshez. Bővebb információt az adatvédelmi szabályzatban olvashatsz. Megértettem