Fórum témák
» Több friss téma |
A gyújtásból már valamit cseréltél utángyártottra?
Vagy cirka 8 éve a jeladót de eddig tökéletes volt most pedig szétszedtem és kimértem 16 ohm 8-8 ujra is forasztotam de nem volt gondja csak biztos ami biztos! Egy villanyász barátomnak mutatam a nagyfesz dobozt és a rajzát, amit itt találtam! Lemodellezte a dolgokat egy dióda és egy kondi segitségével,egy 12 V akurol feltöltöte a kondit és utána mutata hogy tartja a feszültséget! Az én 14 es érintkezőmet is megtáplálta 12 Voltal és a 14-15 érintkezön mérte a feszültséget,ami 3V se volt és csökkent 0 ra! Szerinte a kondi nemtöltödik fel és ezért nemtudja leadni a 400 voltot a trafónak így gyenge a szikra ezért ázik el a gyertyám! Bocsi ha a dolgokat nemjol írtam de sajna nemértek az elektronikához és a magyart se értem nagyon!
Utángyártott tiristort (nagyfesz dobozt) ne vegyél inkább építtess valakivel...
Az utángyártott egyrészt drága másrészt nem megbízható...
Ettöl féltem én is! Ezért kellene támpont hogy tudom megnézni hogy jó e a használt!!!? De nem ugy hogy eltolom a mocit odáig és kiprobálom!
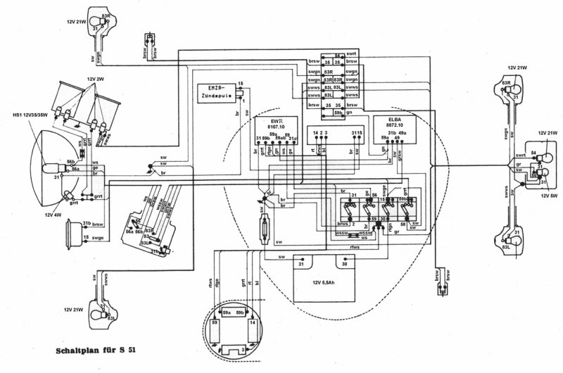
Amugy a motor 87 töl van nálam és egy picit értek azért hozzá, tehát a gyertyahézag és a karbi 1158.szétszedésén már túl vagyok és szimeringet is cseréltem már 2456 szor! Esetleg egy kapcsolási rajz mit érdemes megépíteni helyette?
Talán ezek jók lesznek valamire.
Üdv.:VIM
A sort kiegészíteném még az ebben a hozzászólásban található tirisztoros egység kapcsolási rajzokkal. 630V-os WIMA kondit használva elpusztíthatatlan az áramkör (feltételezve, hogy a gerjesztőtekercs nem abból a kisipari változatból került ki, amiből hiányzik a rövidrezárt kört, ami megakadályozza a túlfeszt).
Sziasztok! Megépítetem ma a nagyfeszt! És müködik is!
Most eljutotam oda hogy ha beindul a moci akkor teljes gázon duran egyet,és füstöl kegyetlenül leállni nem áll le néha még alapjárat is van! a jeladót méregetem igaz csak hidegen az rendbe volt szerintem! Teljes a tanácstalanság kontakt nemlehet mert már Anyiszor huzgáltam le a vezetékeket hohy magátol visszatalálnak! Közel egy honapja sz....pok vele!
Rendbevannak a szimeringek? (kuplung oldali)
Mikor lettek cserélve?
Igen! Ugy egy hete lett áttömitve minden! Biztos hogy gyujtás gond lesz mert durog is ronygázon! Lö egy nagyott teljes fordulaton! Még mindig csurog a gyertya a benzintöl ha inditom! A mult héten volt 3 napja mikor tökéletes volt indult pöcre,ment mint álat! Utána a jelenség ismét visszatért! csináltam már mindent vele!
Olyan a dolog mintha utógyujtása lenne de az alaplapott is tekergetem már! Kizárásos alapon a trafóra tippelek/Bár már cserélgetem/vagy a jeladóra bár azt kimértem meg átnéztem ahogy írtátok és azmeg jónak tünik! Főtengely szimering miatt meg nemkéne hogy durrogjon!
tipikusan hasonlít arra az esetre amikor a lendkerék nincs rendesen felhúzva a kúpra, kinyírja az éket utána már "szabadon" mászkál a gyújtással együtt.
Nemnyert! Az ék jó mert inditáskor visszarugott és elnyírta így már azt is ki kellet cserélnem! Ha valaki megmondja a jó megoldást és a mocim feltámad azt szívesen meghívom egy sörözésre ha eljön Nyíregyházára!
Ha egyszer elvágta, akkor most is lehet halott.
Nem az éknek kell fogni hanem a kúpnak, ezért visszarúgáskor sem, és máskor semnyírhatná el!!! Érdemes megnézni, ennyit megér.
"csurog a gyertya a benzintöl ha inditom"
Valamiért ömlik bele a benzin!!! Állítsd be a karbit! 1. Ellenőrizd a tűszelepet elzár-e! Fújj bele, úgy, hogy a fúvóka felfele nézzen, engedni kell, fordítsd fejjel lefele fújj bele, most nem szabad eresztenie a levegőt. Ha nem így van cseréld ki (rutinosabbak vízpapirral vagy cigarettahamuval becsiszolhatják). 2. úszószint beállítás. Először tolómérvel. lásd simson.hu Az úszóházban van 1 "oszlop" annak a teteje fölé ne érjen a benzin, ha kiveszed az úszót. 3. Az összes fúvókát tisztítsd ki, tedd vissza a helyére, a MELLÉKLEVEGŐ CSAVART TEKERD BE TÖKIG, MAJD 3*360 FOKOT TEKERJ KIFELE. Gyertya kivesz, berugókarral a forgattyúsházból kinyomatjuk a fölösleges anyagot. Mindent visszaszerelsz és indulnia kell, HA A GYÚJTÁS JÓ. [i][u] Persze ez nem a tuti karbi beállítás, csak az indulásig segít. A finombeállításhoz pöfögnie kell a mocinak (az 1 másik történet). Indítás normál esetben (hideg motornál) szivatóval, az első pöffenésig, utánna szivató nélkül rugdosni gáz nélkül. A tirisztoros gyújtás beállítását ha jól emlékszem szintén megtalálod a simson.hu oldalon. Sok sikert!
Ha tutira akarsz menni, kérj kölcsön egy komplett megszakítós gyújtást lendkerékkel együtt.
A megszakító S51 50ccm-nél felső holtpont előtt 1,8mm-rel nyit. Ezzel állítsd be a karbit a fent leírt módon. Ha szépen megy, akkor a karbi tuti hogy jó, Már csak a tirisztoros gyújtásra kell koncentrálni. Az elnyírt "ék" nem ék, hanem íves retesz. csigafúró szárából fűrészelsz 1 szeletet, 1/2 be vágod. megreszeled. Vagy veszel a boltban. A lendkereket a MI megfelelő pozicióba szoktuk álítani, feltesszük a kúpra és kalapáccsal rá is koppintjuk. Így nem nyírja el, csak extrém esetben.
AKKOR MÉGEGYSZER! A KARBI JÓÓÓ! Az éket/reteszt/+nem érdemes tákolni 8ft-s alkatrész!
A hiba 100% hogy gyujtásbol eredő! Acsigafúró anyaga meg nem is jó mert az ékeket reteszeket reteszanyagbol kell csinálni,érdemesebb egy nagyobbol reszelni! Bocsi az off-ért de nemtudtam kihagyni!
"nem érdemes tákolni 8 Ft-s alkatrész"
Úgy értem ha nincs! Idézet: „feltesszük a kúpra és kalapáccsal rá is koppintjuk” A többiek érdekében ezt inkább ne hirdesd! Valaki idejön, elolvassa, megjegyzi, mert ez le van írva, ez jó, majd nekiesik a samuval a lendkeréknek, mert az Istenért sem akar a helyén maradni. Mégegyszer mondom, ne kalapáljuk a lendkereket, és ezáltal a főtengelyt, mert utóbbi alkatrész sérülhet, deformálódhat! Finoman kézzel meg kell ütni, és akkor a helyénmarad, aztán az anyacsavar majd rendesen a helyérehúzza. Ha elfordul a lendkerék, akkor a kúpos felületekkel van a baj, esetleg túl magas az ívesretesz.
Gépész szemmel nézve az ives retesz csak a lendkerék helyzetét kell, hogy biztositsa a dugattyúhoz képest,nyomatékot nem kell átvinnie.
A nyomaték átvitelét a kúpos felületek közt ébredő súrlódás biztositja (gondos méretezés és megmunkálás alapján). Ha a felületeket otthoni barkácsmódszerekkel, kitartó szivós munkával tönkretesszük,bizony megesik hogy az önzárás nem jön létre,a lendkerék megforog, mégjobban eldurvitva az eredetileg köszörült felületeket. Innentől jut szóhoz a nagykalapács, hosszabbitott szárú kulcs,nameg a különféle csodaragacsok. Amig az öcsém aktivan javitotta a nagyteljesitményű motorokat,rendszerint a főtengelyt hűtve, a lendkerékagyat kismértékben melegitve illesztette össze, nem is volt gond, nem lazult le.
Üdv mindenki! Eljutotam odáig hogy már csak a jeladó lehet már mindent kicseréltem! Jeladó mérésileg jó! Kérdésem tekercselni lehet ezt próbálta már valaki? Ha esetleg valakinek van tapasztalata az jó lenne ha megírná! Huzal mérete és tekercs szám érdekell! ja igen az animációt már látam!! Előre is köszi!
Hello!
A jeladó javítása kimerül abban, hogy a panelján a forrasztásokat ellenőrzöd, újraforrasztod. Mást nagyon nem tudsz vele csinálni. Még annyit megpróbálhatsz vele, hogy megméred hidegen az ellenállását, majd egy hőlégfúvóval óvatosan felmelegíted, és újra megméred. Pár Ohm-ot leszámítva nem lehet nagy az eltérés. Ja és ne csak a két vége között mérd az ellenállását, hanem a közepéhez is (a panel kilátszik a jeladó burkolatának sarkánál). A középhez képest a két szélének ugyanakkora ellenállásúnak kell lennie. Én azt mondom, ne szenvedj vele, vegyél másikat! Én is így tettem, a Mofakeres piros színű bevált. Másfél-két év alatt rá sem kellett nézni, beszerelés után beállítottam, azóta még a deklit sem vettem le.
simson elektronikus gyujtást keresek,mindennel együtt.lendkerék alaplap stb...ha tud valaki segitsen.
Helosztok nekem van egy simsonom tirisztoros gyújtásal de nem igazán értek ehhez a gy részéhez na mind1 nem is ez a problémám hanem mikor megyek vele és mikor a hőfokmérő felmegy 75 fokra akkor leáll ez a probléma mitől lehet?
És gyengébb a szikra is a segítséget és tippeket megköszönném
Hello!
Az, hogy leáll a motor azt jelenti, hogy elmegy a szikra? Aztán ha visszahűl, akkor mintha semmi baja sem volna? Ez gyanúsan jeladó hiba. Meg lehet próbálkozni a javításával (a burkolat oldalát kell lebontani, és a benne lévő kis panelen a forrasztásokat megerősíteni), ez általában meg is szokta oldani a problémát. Ha mégsem (ahogy nálam sem oldotta meg), akkor venni kell egy új alaplapot (mert ez ugye a jeladóval egy egységet képez). Szerk: Itt egy írás a jeladó javításáról.
Nem a szikra az nem megy el hanem elgyengül és a motor áll le de ha lehűlt akkor mint ha semmi baja se lenne de az alaplap az zsír új benne. A gyújtás nem melegedhet fel?
Ha nem megy el vagy nem gyengül el a szikra, akkor a gyújtással semmi gond. Tehát akkor ez megintcsak egy nem elektronikai fórumra való kérdés volt. Karburálási baja lehet, valószínűleg sokat kap (nem zár a szívató, nagy a főfúfóka, eltömődött légszűrő, stb). Hidegen hogyan indul, hogyan megy? Kell neki hidegen szívató?
Egy ilyen leállás után meg kellene nézni a gyertyaképet, az sokat elárulna.
Használd a Válasz linket!
kell neki. de figyelj most indítottam be mentem vele két kört és azt vettem észre h magas gázzal lehörög
Mondom mutass egy gyertyaképet, vagy írd le, mit látsz, mert az sokat elárul!
|
Bejelentkezés
Hirdetés |




Amugy a motor 87 töl van nálam és egy picit értek azért hozzá, tehát a gyertyahézag és a karbi 1158.szétszedésén már túl vagyok és szimeringet is cseréltem már 2456 szor! Esetleg egy kapcsolási rajz mit érdemes megépíteni helyette? 



Acsigafúró anyaga meg nem is jó mert az ékeket reteszeket reteszanyagbol kell csinálni,érdemesebb egy nagyobbol reszelni! Bocsi az off-ért de nemtudtam kihagyni!
És gyengébb a szikra is 