Fórum témák
» Több friss téma |
Fórum » Sprint-Layout NYÁK-tervező
Alkotó fórumtárs Sprint Layout 6 leírása: sp6_alkoto.pdf
Szia PCB!
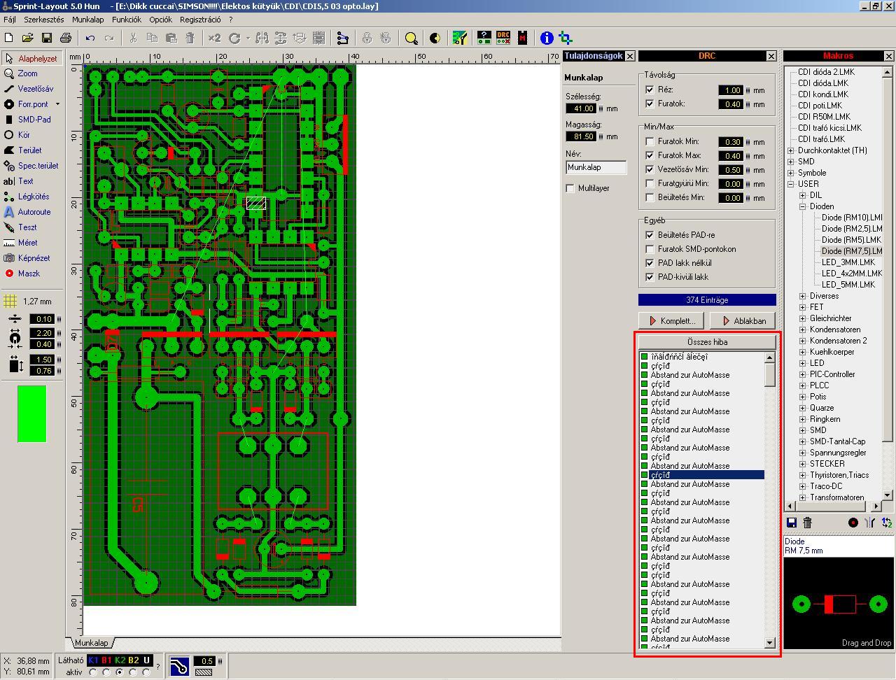
találtam egy új hibát a pad tulajdonságaiban kép mellékelve
A 4.0 verzióval csináltam nyáktervet, átkonvertálgattam a kimeneti fájlokat. A furatok helyzete és a gerber nem volt teljesen "szinkronban" . 120mm-en kb kb 0,5-0,8mm-t
elcsúszott. A mintázat volt a nagyobb. A panel készregyártója így is megcsinálta, középre csalta az elcsúszást, de nem a legjobb ez így. Tudja-e valaki ez miért van, mit rontottam el ?... A panel gyártója jelezte, én nem vettem észre.
Hello!
Nekem olyat szokott csinálni hogy néha (minden 3.alkalommal)amikor makrókat keresem bedob 1 hibajelet és kis ablakba kérdőjeleket, de a következő próbánál jó.......
Szia PCB!
Találtam még egy hibát a tulajdonságok név után kép. mell.
Szia !
Kijavítottam pár hibát, azokat is amiket írtál. A változtatások új jelszót hozott magával, ezt emailben kérje aki letölti. Üdv!
Halihó
Tud valaki tippet a nemrég feltett kérdésemre? #129253 alatt.
Szia !
Csúszásnak sok magyarázata nem hiszem hogy van, mert mind a kettő koordinátákat ír le. Nem kizárt viszont, hogy a mértékegységek keresztezése nem okozhat-e problémát. De ezek csak tippek, mert sosem használtam a munkafájlokat. Üdv!
Szia!
Én ugy vettem észre, hogy lefelé vagyis 5-ös verzioból a 4-es be sok mindent nem tud fogadni pl. a makró könyvtárban egy egész nyákot mentettem el az 5- ös ben és a négyes nem nyitotta meg mikor belemásoltam.Ezt el tudom felfelé is képzelni. Ez csak egy tapasztalat Üdv.
Szia !
Programok mindig lefele kompatibilisek, (tisztelet a kivételnek ami se le, se fel) Üdv!
Szia!
PCB jovoltából a javítások után igen. Vagy te mire gondolsz (eredeti helyről?) Üdv.
Igen az Abacom honlapjáról. Elég sokat javítgatnak a programon , nem árt az aktuális frissítéseket letölteni.
hy
most akartam leszedni a magyarítást, de azt írja hogy CRC sérült a rar ! többször is leszedtem, beírtam neki a jelszót, de... nálam van a hiba? ![]() elküldené valaki nekem a kitömörített zipet mailba?? PLZ előre is kösz csá
pontosítanék
nem eszi meg a jelszót..megváltozott??
szeva PCB találtam mégegy hibát.... csatolva
egyébként pöpec lett a magyarítás THX
Sziasztok! Az lenne a kérdésem, hogyan lehet sprintben a GND-fóliát használni, tehát töltsön ki minden felesleges teret. Addig oké, hogy alul bekapcsolom, de alapból nagyon közel teszi a vezetékekhez, és a csuszkát nem engedi huzogazni, azaz akármekkora értéket állítok be, nem változik. Valamit nem jól csinálok?
Ki kell jelölni azokat az elemeket, amelyeknél adott távolságot akarsz tartani. (Rózsaszín legyenek a vonalak/pontok)
Miután ki van jelölve tudod állítani a távolságot
Megelőzött Blint ,de úgy kell ahogy írja. Bal egérgomb az alkatrész forrszemre , vagy a huzalra és állítani a távolságot a distance funkcióval.
Szia !
Igen, tudok erről a hibáról, csak ez relative elég hosszú időt vesz igénybe, hogy minden lehetséges hibát generáljak. Ráadásul még nem is álltam neki ![]() Üdv!
Szia !
Ma viszont megcsináltam a javítást, kód a régi. DRC - Egyéb 1. 3. 4. pontokat nem tudtam generálni, igy azok nem lettek javítva. Üdv!
Hello! Az összes létező fájlt a "Sprint-Layout50" könyvtárba kell tenni? A "Macro"-t is ezen belülre vagy annak mindegy?
OK! Rendben a magyar is....... , ha valamit nem tudok majd kérdezek, de ha úgy működik, mint a 4.0-s verzió akkor nem lesz gond asszem.
Mindjárt elsőre : Nagyon szépen köszönöm a magyarositást magam - és azt hiszem mondhatom,hogy mindnyájunk - nevében. Nem kevés munkádba kerülhetett.
Moderátoroktól kérdezném : Mivel nemigen tudjuk neki ezt honorálni semmivel de ha ezért nyitottunk volna egy új topicot azt hiszem mindnyájunktól megkapta volna, legalább a pontot. Böven megérdemelné. Kérném tegyétek ezt lehetővé. |
Bejelentkezés
Hirdetés |







nem eszi meg a jelszót..


