Fórum témák
» Több friss téma |
Fórum » ST151 végerősítő
Nekem semmi baja. Mindkettő "bejön".
Még tavaly nyúltam hozzá utoljára, azóta semmi gond nem volt... Most volt egy pici változtatás, most eszek pár falatot és befejezem, de azért nézd meg!
Egyszerűen nem tudom elhinni, de negatív.
Nem tapasztaltam még ilyet, hogy innen nem jön be valami. Próbáltam már mind három böngészővel, sőt még szobatársammal is próbáltattam. Miskolci Egyetem egyik kollégiumából vagyok különben fix IP-vel. IP-m: 193.225.63.6 (NAT-6.KOLI.UNI-MISKOLC.HU) De hagyjuk, majd megszerzem máshonnan az infókat.
Így pedig mennie kéne, IE7, 8, MF 3.0.7 -esböngészőkkel működik...
Sajna nem tudok mit mondani. Kérnélek titeket ha másnál is ilyen van kérem szóljon. Amúgy ez az ST topikja, kérdezz és leírom
Hamár ilyen sanyarú a sorsom, akkor legalább nyugtass meg, hogy neked se nyitja meg a castone.hu-t
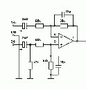
Hát rendben. Múlt nyáron abba maradt az építés mikor elkezdtem járni az egyetemre. Most még a "lazább időszakban" tervezem befejezni pár hétvége alatt. Nos: Hangosításra szeretném elkészíteni, TIP 35-36 tranyo párral és EZZEL a védelemmel. Itt ez a Castone FL-7 keverő amiről fogja kapni a jelet, viszont az adatlapja szerint "szimmetrikus JACK 6.3" kimeneti csatival rendelkezik. Első kérdésem lenne, hogy az ST151-nek asszimetrikus bemenete van és nemtudom, hogy lenne-e értelme egy ilyen szimmetrizáló IC-t eléje tenni és ezzel esetleg rontani az átvitelen? (Mellékeltem a képet, amit az eredeti VF2 rajzából ollóztam.)
Hát el kell hogy szomorítsalak, nekem bejön a castone_hu is.
Az erősítőről kérdésedre pedig majd valaki okosabb ember válaszol.
Ajj, hát akkor blokkolnak itt minket.
Akkor majd más megmondja
Szevasztok, Örömmel, szólok, mindenkinek, hpgy vére elkészuült az st151-esem.
Tökéletes. Már ami a hangokat illeti. Mondjuk az egyik oldalt tip el a másikat pedig bd vel csináltam, mert elsőre elcsattintottam a bd-ket az egyik oldalon.., Egy régi fischer videómagnó dobozába szereltem. Ez volt kéznél.
Ja és kellett építenekm, hozzá előfokot, ugyanis, nem jatotta ki rendesen a véget az alap jel.
Lm 1036 ic-vel és 50k-s 4 potival szuper előfokot, készítettem, nem volt több ez egész ára 1400Ftba. És most szól rendesen az st151 em.
Grati hozzá, nagyon szuper lett.
Ha gondolod tegyél fel képet az ST oldalára is.
Sziasztok!
Épp bennevagyok egy st151 erősítő építésében és most tartok a táp tervezésénél. Szeretnék a +-40V mellett 12voltot a tépba a hangzínszabályzónak és a koppanásgátlónak. Először egy 7812es ICre gondoltam de katalógusba utanánéztem hogy az Ube max 35V. Nem ismertek valami feszstabot ami működik 40Von is vagy esetleg valami más ötlet?
SZia!
Ellenállás sorba, 12V zener párhuzamosan...
Én mindíg kis külön trafót szoktam használni ilyen célra.
üdv
Szia!
Én ezt használom majd tápnak, 15V-os zénerrel és +/- 12V stabbal.
Heló és esetleg nyákterv, beültetési rajzod is van hozzá? közzétehetnéd! Heló
Üdv!
Ezt az erősítőt átlehet valahogy tervezni,hogy +-51V-ról is működjön? Ha igen akkor hogyan kellene?
Húúú
Nagyon szépen köszi, ezer hála.Akkor ez lesz úgy érzem. ![]() Még lehet lesz kérdésem ha nem baj.
Még sajnos nincs kész, elkezdtem már, de az elkövetkező 1-2 hónapba nemigazán lesz rá időm.
Heló
Mindegy ha kész lesz, és meg leszel vele elégedve feltehetnéd, jónak tűnik .) heló
Hali!
T10 és T14 védelmet valósítanak meg. Kimeneti rövidzár esetén a tápágankénti áramot átlagosan 2A-re (félperiódusonként 4A-re) korlátozzák. C11 és C12 a védőáramkör begerjedését akadályozzák meg. D5 és D6 diódák z esetleges kimeneti feszültségcsúcsokat oltják ki. Jól veszem ki a szövegből,hogy ha a kimenetet rövidre zárom akkor nem megy tönkre az erősítő? Ha azok a tranyók lesznek benne amit mutattál nekem akkor is megmarad a védelem? Gondolom ehhez is kell koppanásgátló ugye? Hány amperes biztosítékok kellenek majd a +- tápágba?(4 ohmról szeretném hajtani) Hány amperes greetz kell bele? 2×10000µF puffer jó lesz neki? Mekkorára kell majd a nyugalmi áramot állítani? A képen látható trafóval mennyit fog szólni?(Ez egy 4×90W-os Technics SU-V60-as erősítőbe van még benne csak az erősítő már nem javítható.Egyébként a dobozára 560W-van írva)
- 5A-es gyors biztik kellenek
- 25A-es graetz - 2×10.000µF tökéletes - nyug. áram 30mA/végtranyó, mint eredetileg - mekkorát fog szólni? az függ a hangdobozod érzékenységétől, az akusztikai környezettől, és a zene dinamikájától. A trafó elég gyengus, úgy helyezd el hogy tudjon majd hűlni.
Sziasztok!
Nincs meg esetleg valakinek a st151 nyákrajza sprint layout vagy gerber formátumba?nagyon megköszönném
Az ST oldalán megtalálod.
A leírás menüpont alatt, a "Rajzok, fájlok, letöltések" linkre kattintva...
Isten azért nem vagyok
, nem is akarok , de nagyon szívesen .
Hali! Ha a tápnál 10000µF helyett 15000µF-ost teszek az baj? Vagy abból elég 2db ?
Nem, nem baj... Minél nagyobb a puffer, annál jobb, ez már csak pénztárca kérdése. Jobb ha több kisebb párhuzamos kondiból van összerakva a kapacitás.
Akkor 4700µF vagy 2200µF-osból is ki lehet hozni?
|
Bejelentkezés
Hirdetés |















, nem is akarok
, de nagyon szívesen 