Fórum témák
» Több friss téma |
sync out:master-slave vezérléshez használt párhuzamos kimeneti csatlakozó.ugyanaz a jel van rajt,mint ami a bemeneten.Sorba tudsz kötni ezen módon akár 4 darab strobit is hogy egyszerre villogjanak.A maximális sorbafűzhető eszközök számát a vezérlőberendezés terhelhetősége adja meg,amit a gyári adatok,leirás tartalmaz.
Ajánlani nem tudok,csak konkrét megvalósitást.Az optocsatoló galvanikusan(érintésvédelmi szempontból) elszigeteli a stroboszkóp vagy egyéb berendezés minden egyes alkatrészét,beleértve a készülék fémházát is az optocsatolót meghajtó/vezérlő cucctól(PC,gyári vezérlés,a keverő kimenete...)Tehát ezt ne nagyon berheld,még saját felelősségre se,mert életveszélyes lehet. fogalmam nincs miért hal meg a LED az O/C-ben,tegyél egy 4,7k ohm vagy picit nagyobb ellenállást,ugy ahogy azt én is "lerajzoltam".Ha meg van előtte és igy is megszalad akkor csökkentsd a rájutó feszültséget.Valószinű hogy vmi keverőről van hajtva és annak jóval nagyobb a kimeneti feszültsége mint amennyit a LED elbirna.Szal hiába teszel elé egy aluláteresztőt,a jel akkoris ugyanakkora lesz,csak épp a mélyhangok jutnak az optocsatira.De ez csak az én elképzelésem a miértre. Van itt egy egyszerű cucc,remélem a "szerzője"-Skip-megengedi hogy csatoljam.próbáld ki EZT
250Wos csőhöz melyik kapcsolást ajánlanátok, ami jól működik, olvastam hogy aki ilyennel épített strobit, motorkondikat kell betenni, de konkrétan melyik kapcsolás vált be? A képét csatolom.
A csatolt rajzot tudom ajánlani.A villantó 12µF-os kondit növelheted is(40µF fölé nem nagyon mennék élettartam szempontjából),de ez esetben a bemeneten levő áramkorlátozó ellenállás értékét csökkentsd,viszont a disszipálható teljesitményét növeld(legalább 20-30W)Sokan fénycsőfojtót tesznek ide,én még nem próbáltam,de szerintem azzal sosem fog max feszültségre tölteni a kondenzátor és gyorsabb villogásoknál,átlag 2-4/sec(már ha "diszkóstrobit" szeretnél)nagyon le fog csökkenni a fényerő.
Nemárt azért a villanócső egyirányitó diódáit kicserélni nagyobb áramúra.pl BY299(800V/2A),vagy BY399(800V/3A)
Köszi, diszkóstrobi lenne, igen, mi lenne a 250W-os csőhöz az ideális kapacitása a kondenzátornak és az ellenállásérték? mindkét kondenzátort meg kell növelni, vagy csak az egyiket? Diódák közül csak kettőt érdemes kicserélni nagyobb áramúra, vagy mind a 4et? Van ehhez nyákrajza esetleg valakinek?
Szia!
Én építettem már ilyen 250W-os strobit és nagyon jó! Csatolok egy bevált kapcsolásrajzot és nyákrajzot! Sikeres utánépítést kívánok! Üdv.: DMZ
Na meg a többi kép!
De itt megtalálsz mindent!Bővebben: Link
Lehet hogy velem van a gond de a csatolt kép full fekete...
nekem is fekete, de a linken megvan:
nyakterv:nyakterv
Megnyugodtam, hogy nem én vagyok ilyen sötét, hogy nem látom
Ideális értékek?Ez sok mindentől függhet.De ha folyamatos terhelésnek teszed ki a csövet,akkor érdemesebb kisebb kapacitású villantókondit használni,ezt meghálálja majd cső.(20-24µF már kellőkép megdolgozza a csövet...)
A bemeneten levő ellenállás az áramlökést csökkenti a hálózat felől,amikor a kisütött kondenzátorok újratöltődnek(ill. amikor a cső elsül).Ez nagyban befolyásolja hogy milyen gyorsan töltsék újra fel öket.Minél nagyobb ez az érték,annál lassabban töltődnek fel teljes kapacitásukra,de persze ez függ a villanás sebességétől is...(ez elsősorban a villantó kondira vonatkozik,ez határozza meg a villanási energiát a feszültség függvényében)Lényeges szempont még ennek az előtétnek a terhelhetősége.Minél nagyobb a töltendő kapacitás,minél gyorsabban dolgozik a Xenoncső,annál nagyobb áramok folynak keresztül ezen.(de ha engem kérdezel,én nem tennék ide semmilyen ellenállás sem,mert csak fűt és a bajok vannak vele ,az utána levő 12µF kondi is lekorlátozza az áramlökést)A feszültségkétszerező körben cseréld csak a diódákat,a módosított schémán minden látszik. Sikeres épitést!
Szia DjGeorge
Igazad van a csatolt kép fúll fekete,bárcsak tudnám mért? Pedig nálam látható a kép!
Sziasztok!
Nem tudja valaki véletlenül, hogy az Xop 15-ös villanócsőnek melyik a + és a - oldala? Mert adatot nem nagyon találok róla! Segítségeteket előre köszönöm!!
amelyiket gondolod
de általában a gyujtáshoz közelebbi a minusz, bár nekem mindkét variációval kivállóan villan.
ugy tudom az XOP** csöveknek nincs azonositható pólusuk,mert alapvetően nem is DC-re vannak tervezve.Sok profi eszközben simán csak lóg a 230V-on és azt szaggatják rá.Persze a gyújtásához kell egy minimális 5-600V egyenfeszültség is,de ez nem játszik sok szerepet a teljesitményben.Nekem pl. felizzott az egyik elektróda,amelyik a negativ kapocsra volt kötve.Hatalmas teljesitményeknél szó szerint megeszi az elektródákat az egyenfeszültség.
Szia DjGeorge!
Köszi az infót,gondolhattam volna hogy teljesen mindegy hogy hogy kötöm rá,csak akkor tudnám hogy mért nem működik a 1500W-os bika strobi nyákom!!!
Az egyszerűbb megoldást választottam, beszereztem a kész panelt és az alkatrészeket. Az R5 ellenállást rövidre kellett zárni, addig nem gyújtotta be a csövet. Egyébként frankón működik, a trimmert kell még kicserélni, köszi a tippet.
Szia!Hogy félre ne érts,lerajzoltam hogy "lóg" a cső a hálózaton.Feszkókétszerezéssel megkapja a gyújtáshoz szükséges 600V egyenfeszejt,a teljesitményt pedig magáról a hálózatról veszi fel közvetlen,ekkor kezd rajta komolyabb áram folyni. Attól függően, hogy a nullátmenethez képest mikor kapcsoltad be(adod rá a gyújtóimpulzust) a csövet,a hálózati szinuszhullám kisebb vagy nagyobb "területei" alatt fog világítani a cső.Ezt mutatja a rajz is.
A fázishasitás rajzát egy kollégától kaptam,utólagos engedélyével továbbitom neked is.
Köszi epyn!
Így minden tiszta és köszönöm az infót,nem rég építettem egy bika turbó strobit,sajna nem működik a impulzusgenerátor benne, viszont a gyujtás működik! Meg kell találnom a hibáját,de nem tudom hol kezdjem! Magnusz!! Örülök hogy az egyszerübb megoldást választottad! Üdv.: DMZ
vagyis külső vezérlőimpulzussal begyújt a cső és fényerőszabályozható is?Ismerem,vagyis láttam már ezt a kapcsirajzot,de még nem próbálkoztam vele,és hogy őszinte legyek nem is találkoztam olyannal akinek sikerült volna életre keltenie...Próbálkozz meg simán egy külső multivibrit rákötni és ne foglalkozz a belsővel.
Térképezd fel az áramkört kapuról-kapura,rajzold le,csak igy fogod tudni hol lehet a hiba,mert lehet hogy aki a rajzot készitette az hibázott vhol....
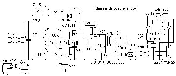
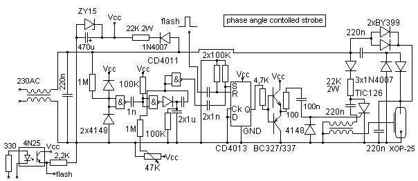
van itt egy rajz,talán már találkoztál vele.Fázisszög vezérléssel hasogatja a 230V-ot,amivel szinkronizálva van.Kipróbáltam,működik és iszonyat megrántja a hálózatot,de a fényereje lelök a székről
hello mindenkinek!
Úgy nem lehetne megoldani hogy (ezt csak láttam) hogy az égőre neonbegyújtót kötünk?
de ha 20századi diszkófényt akarsz, az csak villogni fog
Szia epyn!
Gondoltam én is hogy meghajtom egy multivibrivel a gyújtóáramkört,de jobban örűlnék neki ha működne az impulzusgenerátor is! Ezt a kapcsolást már megcsinálta valaki, voltak nála is gondok és most a mai napig pöpecül működik! Erről a kapcsolás rajzról nincs nyákrajz meg beültetési rajzod?Ahogy elnézem erre a kapcsolásra xop 25 cső kell,gondolom még ráfér az xop 15-ös is? Biztos brutál fénye lehet tőle!
sajnos nincs se nyák se beültetési rajzom.PRóbálkoztam a Tina-val és az Eagle-vel,de feladtam,kézzel csináltam hozzá egy kisérleti panelt.XOP15 csövet kötöttem rá,és ipari áramről próbáltam ki(400V-ről szedtem hozzá áramot).
Ha valakinek sikerült működésre birnia azt a "bika" kapcsolást,kérhetnél tőle is segitséget,bár nekem akkor is gyanús ahogy le van rajzolva.Sok sikert!
Anno a suliba kielemeztük a rajzot ez csak azért van hogy legyen (bika kapcsolás), szóval működésképtelen
amugy is ugy érzem kár lenne megsütni ezzel a kapcsolással egy XOP csövet. Én a dragon 1700at építettem meg bár a beépített időzítő nem működik, igy nekem külön vezérlője van azaz kihagytam belőle a 4093as részt, a gép adja az ütemet a tirisztornak, igen csak itt van a gond a fázishatás, bár nekem bejön az hogy néha pislákol a cső néha őrült nagyot villan, és a legjobb bele építettem a sokkoló funkciót is, bár a cső elektródái vörösen izzanak, és a cső élettartama is erősen csökken, de megéri nagyon vad amikor folyamatosan húzza az ívet a cső
Én is kipróbáltam a sokkoló funkciót egy 100Hz-es fűrészjelgen.-nel,na bazz,az tényleg lesokkol...Az elektóda nekem is beizzott és 5sec után az üveg is narancsszinűre váltott!Még 5sec és elcsöppenik az üveg XD képzelem hány száz amperecske futkoshat ilyenkor a csőben...
nekem ez a sokkolás a Tiesto koncerten tetszett meg csak ott ha jól tudom 2500wattos cső volt és 8 strobi, azért az nagyon feelinges ha a 8 strobi véletlen szeűen villog, vagy éppen sokkol. Most 6000Wattos csőre vadászok
|
Bejelentkezés
Hirdetés |










de általában a gyujtáshoz közelebbi a minusz, bár nekem mindkét variációval kivállóan villan.












