Fórum témák
» Több friss téma |
A képen lévő értékek jók oda is. 360R lehet mind a kettő csak figyelj hogy 0,6W-os legyen ne 0,25W.
A BTA16 600CW-nek 35mA kell arra figyelj de ezekkel az értékekkel jó lesz. Mi történt vele? Nem volt elég a 16A ?
Adott egy melléképületben, AC 230V-ról üzemelő házi vízmű. Különböző (nem elektronikai) okokból időnként megszalad (nem kapcsol le) a nyomást létrehozó szivattyú, ezért a működésének visszajelzésére egy jelzőlámpát szeretnék beépíteni a nappaliba. Az első gondolat, hogy mivel a vízmű és a cirkó egymás mellett van és a cirkót nem használjuk fűtésre, ezért a cirkó termosztátjának vezetéke segítségével a motoron megjelenő fázis/nulla párost felviszem a nappaliba. Tehát a nappaliban megvan a "kapcsolt" AC 230V. Ez lenne a táp. A termosztát dobozába kellene beleférni egy pici, de feltűnő jelzőfénynek (piros LED?), ami a szivattyú működése esetén folyamatosan világít és egy berregőnek, ami egy bizonyos idő (15-30perc?) után megszólal, figyelmeztetve arra, hogy valami rendellenesség történt, így akadályozandó meg, hogy leégjen a pumpa pl. Egyszerűség előnyben! Figyelem! Nincs DC 12V a rendszerben!
Szia!
Egy ilyennel megoldhatod direktben a jelzőfényt. Az időzítő áramkörre nincs konkrét ötletem, de ha fogsz egy 230V relét amit a szivattyú bekapcsoláskor behúz akkor azzal elindíthatod az időzítő áramkört.
Köszi. A lámpának jó a jelzőfény, mert az megy 230V-ról, alkatrészeket forrasztani sem kell.
Berregőnek gondoltam egy olyat, hogy kellene egy 230V-os pici berregő/speaker/csengő, amit egy hőérzékelő kapcsolna. A lámpa világít->hőt fejleszt->ha sokáig, berregő indul. A glimmlámpa gondolom nem melegszik túlzottan, nem biztos, hogy elég lesz triggernek. Nem kell pontos szabályozás, 15-30 perc, akár 40 is jó, csak egy idő után azért riasszon.
Sziasztok.
Egy Káma 10-es szivattyú szimering cseréjére (plusz talán szénkefe generál is benne van) 10 ezer forintot adott meg egy szerelő. Nagyon szerettem használni ezt az öreg jószágot. Szerintetek ennyiért megéri megjavítani? A hozzászólás módosítva: Júl 25, 2016
Azt mi honnan tudjuk neked mi éri meg? Miért nem te javítod meg? Nem egy ördöglakat és akkor nem volna ilyen drága a művelet.
Egykor az Agigyel szivattyút (a Káma aszinkron testvére) 400.-Ft-ért vettem Sármelléken. Most 1-1 szimering került annyiba. Kettő kell bele. Méltatlankodjak a boltban, hogy nem éri meg javítani?
![]() Akcióban hasonló képességű kerti szivattyút kapsz ennyiért. Adatlap szerint. Hogy az mennyire bírja a 30 évet, kérdéses.
Sziasztok !
A problémám a következő: szennyvizszivattyú visszajelzőt szeretnék csinálni. A lényeg, hogy adva van a szivattyú az úszókapcsolóval földelt villásdugóval, illetve a kialakitott konektorral a /szivattyú garanciális megbontani nem szabad/. Tehát a konnektorból kell a jelet kicsatolni a 12 V-os elektronika számára. A jeladóval van gondom:az ötletem az, hogy a vízbe lemenő fázist egy vastag sorosan bekötött tekercsel látom el, erről egy csatolásban levő tekercsel veszem le a jelet. Innen már graetz híd egyenirányítás, darlington kapcsoló fokozat, majd az üzemjelző led következik. A problémám a kis transzformátorral van. Ha bekapcsol a szivattyú a pármenetes tekercsen áram folyik és a kis tekercsben feszültséget indukálna. Sajnos a be és ki kapcsolásnál történik ez meg. / impulzus/ Toroid- ra tekertem, lehet hogy a menetszámokkal van baj ? Vagy maga az elgondolás rossz! Nem értem. Szívesen venném a tanácsokat, ötleteket. Azon is godolkodtam, hogy honnan lehetne kész tekercset felhasználni. Ha tudtok másfajta megoldást is - szóljatok
Ilyenkor kell megnézni oszcilloszkóppal a kapott jelalakot és onnan továbblépni. Nagy valószínűséggel a jel olyan kicsi, hogy előbb erősíteni kellene.
Köszönöm, az opto-kapcsolást kipróbálom. Nem tudom, hogy szuperál, mindenesetre a tekercsekből
elég volt.
Megépítettem egy másik kapcsolást, mely alkalmas lehet, ez alapján:
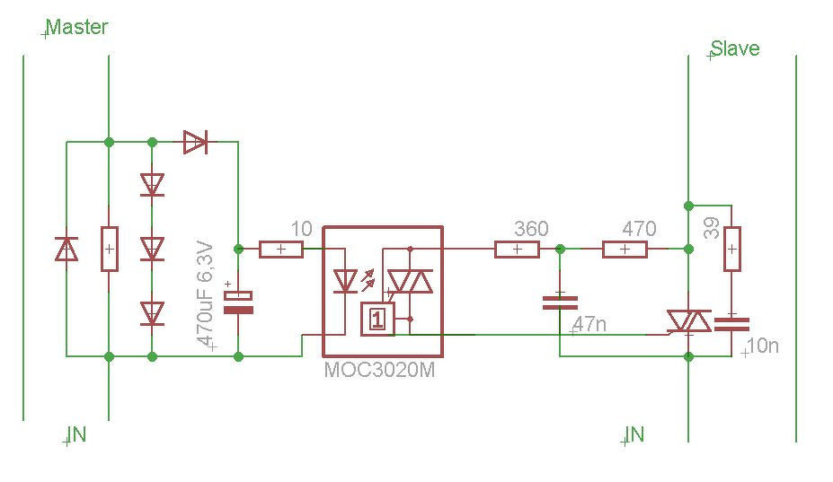
Master/slave elosztó Nem működik, hogy őszinte legyek nem értem teljesen az elgondolást. Ellenállásnak 56 ohm 5 watt használtam. Úgy gondoltam, hogy az optocsatoló helyett egy kis ledet kötök be - csak próbaképpen. Kísérletképpen nem a szivattyút, hanem egy ventilátort használtam. A helyzet a következő: a be és kikapcsolásnál villant be a kis led amúgy nem. A led ágból hiányzik az egyenáramú soros ellenállás és a másik periódusra áthidaló szűrőkondi. Nem tudom, hogy helyes a bekötés.... Legyetek szíves elmagyarázni a működést. Lehetséges, hogy az optocsatolóval működik, a kis leddel nem illetve az 56 ohmos ellenállás nem megfelelő ? vagy a rajz nem jó, hiányos? Hova kössem a szűrőkondit, mekkora az értéke. Segítsetek, mert nem vagyok jártas a témában. A hozzászólás módosítva: Jún 3, 2018
Hello! Lehetne segíteni, ha volna miben..
Nem lehet hogy a kis venti áramfelvétele kevés, és azért nem működik?
Ez így eleve nem lehet jó megoldás. Mert hiába van a MOC-ban triac, mikor a Led diódája csak félperiódusban kap vezérlést. A terhelést is tisztázni kell, és annak fázistolása sem mindegy mekkora. Mert attól függően fog időpontban begyújtani..
A terhelés 700-800 wattos szivattyú, ami az úszókapcsolóval működik./ kb. 2 méter mélyen /
Amikor bekapcsol, kéne, hogy egy led jelezze a házban. / a szivattyú garanciális megbontani nem lehet / Ennyi a probléma.
A legegyszerűbben és legolcsóbban úgy úszod meg, ha egy 12V/50W-os spot izzót sorbakötsz a szivattyúval. Mert ha belegondolsz, az áram kb. 3,5A A Led-hez kb. 2V szükséges, így 7W-ot kell eldisszipálni, bármit is teszel. Vagy marad az áramváltó tekergetése. De az sem mellékes, honnan van táplálva a szivattyú, és hol lesz a helye a jelzésnek. Mert ha sorba teszel bármit, akkor oda kell vezetni a szivattyú áramát, vagy a szivattyúhoz a Led áramát. Ekkor ha nincs galvanikus elválasztás, ott a 230V a Led-nél. Ezek is megfontolandó kérdések, mi a célszerű kialakítás.
Esetleg így is megoldható. Két 0.33Ohm/10W és egy 47Ohm/0.6W, valamint két piros Led segítségével.
Hát azt a képet utólag elnézve szégyellem. Talán ez jobb egy fokkal. De visszajelentésnek tényleg feleslegesen bonyolult.
A hozzászólás módosítva: Jún 4, 2018
A szivattyú a kertben van, oda van kivezetve a 220 Volt egy földelt konnektorban. Ebbe van a szivattyú gyári villásdugója csatlakoztatva. A visszajelzést a házban- kb. 20 méterre szeretném megoldani. Egyértelmű, hogy a jelzést a konnektorból lehet levenni.
Ezért írtam, hogy meg kell gondolni a fizikai elhelyezés célszerűségét. Ha a kertben a konnektorba csak a szivattyú van csatlakoztatva és a betáplálás a házból jön, akkor felesleges visszavezetni 20 méterről a jelzést. Ha bármelyik nem teljesül, akkor "muszáj". De, ezt csak Te tudod eldönteni, hogy mi a célszerű, a hely ismeretében.
Visszajelzésnek teljesen korrekt ha az optót és a tőle jobbra lévő dolgokat elhagyod , majd az optó ledje (bemenete)helyett egy ledet teszel a kapcsolásba . Amikor áramfelvétel van a led világít .
Értem, a házból a szivattyúhoz kimenő kábelt kell felhasználni /egyébként nincs rákötve más/.
Így a jelet csak házon belül kell vezetni. Valóban egyszerűbb. Köszönöm !
Javaslom megfontolni az árammérőt. Ezen látod ha üresen forog, látod ha normál szállítás van, és ha felkap valami sűrűbbet, akkor azt is jelzi az árammérő.
Egy nagy mutatós műszer a legjobb, ahol a skálára rárajzolod az "üresen forog" és a "szállít" vonalakat. Minek, és hová szivattyúzod a szennyvizet? Ez a kérdés felvet több másikat is sajnos. A hozzászólás módosítva: Jún 4, 2018
Egyébként a csatornába, mert sajnos átemelő kell! / de ez nem tartozik ide/
Köszönöm a hozzászólásokat.
Korábbi hozzászólásomat szeretném kiegészíteni egy általános kérdéssel. Jelent-e gondot egy normál kerti szivattyúnak ha szűkítem a nyomó oldalt. (Pl.: a Káma 10-es nyomó oldalán egy 1/2"-os tömlő van, ha pedig szórófejet is felrakok a tömlő végére akkor igencsak fogni kell a nyomás miatt)
Sziasztok! Ezzel a vezérlővel lehet indítani ezt a vízszivattyút ? Elbírja ? (BerQ BQ8579 Orosz BC Káma Szivattyú 725W )
https://www.ebay.com/itm/AC220V-10A-1CH-RF-433MHz-Wireless-Remote-C...7:pf:0
Simán.
köszi
Ezt írják az egyik oldalon róla . Ez mit jelent? max I: 10A (rezisztív fogyasztó, induktív terhelés/motoroknál kisebb, ált. 60% ill 40% az általános ajánlás relékhez)
|
Bejelentkezés
Hirdetés |




A








