Fórum témák
» Több friss téma |
Szeretnék egy megbízható és tarós, egyszerű esetleg kicsit bonyolult (IC), vízszint vezérlést szívattyúra: azaz lenne egy kis 300 l/h akváriumi szívattyú, s ez látná el a balkon és más virágokat tartájból vízzel, csepegtetős módszerrel. a Balkonláda alján 3 cm víztározás van ezt kéne nézni ha elfogy beindúl az öntözés, persze fentről csepegtetve és egy közvetlenül a láda víztárózója beöntőjébe ( esetleg ide lehet rakni az érzékelőket).
Néztem a hasonló forumot de bíztosan elektróda vesztés nélkülit nem találtam, ezért gondoltam akár valamillyen, mágneses, vagy pl.: HRH_2 műkődési elve is megfelene, de az drága. a szívattyú táp230V~, és megfelelő kapcsolási rajzok, és alkatrész lista alapján megépítem, (Budapesti beszerzés). Köszönettel a segítségért. Gabriel
Ha egy elég egyszerű megoldást akarsz akkor egy folyadékszint kapcsolót alkalmazol, hozzá egy relés elektronikát ami kapcsoja a szivattyút. Ha kell küldök hozzá egy kapcsolási rajzot.
Nézd meg : www.Conrad.hu Rend. sz.: 701629 Ára:1990Ft
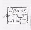
itt 1 rajz.
1 könyvből koppintottam ezért biztos müxik de még nem próbáltam. a két pont helyére tegyél 2 kábelt és azt lógasd bele a vízbe , az 1ik led helyére tegyél 1 relét ami a szívattyút kaopcsolja. szerintem ezzel megoldható a problémád! jó építést!
Nem lehet csak úgy belerakni egy relét. Kell neki egy dióda is. /pl.:1n4148/
Egy http:// elég.
Linket javítottam!
Üdv : Köszi a rajzot, de az 1ik led: az a zöld lenne vagy a piros, s a dióda bekötése hogyan? ( ez egy zárlat kapcsoló lenne), s megbízható esetleg?, de hogy menne s kapcsolna ki és be a szivattyú ebben a rajzban? van erre egy kapcsolási rajz, ahol az elképzelés papíron lenne, rellém az van, s trafók is 9 és 12 v.
Köszönöm.
Ez lehet az amit gondoltam, de a rajz kusza, ha valaki átültetné normálisra, esetleg bekötésire azt megköszönöm, mert igaz a müküdése fordítva van mert ez itt talajvíz elszívás automatikusan szerintem, de az 1 és 2 véget fordítva használva töltésre is lehet használni ( ja it mivel a föld állandó, nem lesz elektrolit vesztés, mert 12V= a rendszer, de úgy tényleg működő képesnek néz ki, de az 10 led mit jelez ki? rellé ami van nem fiatalok, de még nem lett használva: evig KR 11s (110DC 12V=, és 4A kapcsolhat, 120R), KR 8s (220V AC 50Hz, 4A kapcsolhat, 4.5KR), s mivel a alamra nem hang kell hanem egy biztonsági kikapcs, mivel ha tovább nyomja a szivattyú, kb 50 l vízet nyom ki, az nem jó. Ötlet, s Köszönöm.
Nemrég csináltam egy ilyesmit. A procinak adja a jelet, a lényeg az elektródák váltakozóáramú táplálása az erózió elkerülése végett.
Egyébként, ha a környezeti hőmérséklet mindig magasabb az öntözővíz hőmérsékleténél, akkor termisztorral is lehet vízszintet érzékelni.(a hidegebb víz ha eléri, akkor kapcsol.)
ez tényleg egyszerű, de ilynben én is gondolkodtam, egy úszót, s a tetején érintkezőkkel, ami zárja a szivattyú vezérlő rellét, de ez elég megbizhatatlan, mert volt hasonló, s ha beég az érintkező, hát gazdagabb vagyok 50l vízzel, sajna erre a megoldásra gondoltam a valahogy mágneses érintkezőset, olyat mint az ajtó nyitás érzékelő? javaslat? Köszönöm.
Csak halkan jegyzem meg, hogy én vízszint érzékelést iőzítő nélkül sosem építek. (ha egy adott idő eltelte után sincs szintjelzés akkor is lezár a töltés) A klozet-tartályom 20 éve így megy...
Nem tudom, hogy egy tálcában mennyi helyed van a mágneses megoldásra, hiszen ott valamilyen - pl hungarocell - úszóra ragasztott kis mágnest kell emelnie a víznek.
üdvi, esetleg ez: Rend. sz.: 156523
ismeri valaki? Conrad oldalról. az a gond az uszóssal, hogy a balkonláda töltőjébe kell tenni, aminek a tetején ott a csepegtető, és a hely is kb 4cm átmérőben, mindennek. hát ez van.
Üdvi, biztos jó lehet, de mi hova kerül ebben a kapcsolásban, s hogy adok neki 3 v 50Hz-et?, illetve a + ra lehetne kötn valami rellét, vagy máskép?
Ez jó kiegészítő lehet a (#81875) ra , amúgy ez áll legközelebb az elképzelésemhez, vagy esetleg (#81859), de ennek nincs biztonsági rendszere, vagy van?
neked van valami kapcsolási rajzod és mükődési elve? Köszi előre is.
Köszi a rajzot, ( előző kérdésedre, a víz hőmérséglete ua , mivel a balkonládák és víz tartály ugyan ott van.
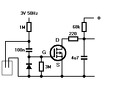
A rajhoz, akkor ez hogy is működik, úgy látom két végpont van, s jók a leírt valamelyik rellé ehez a kapcsoláshoz? a végső kettő tranyó mi legyen, illetve elején a GDS is milyen legyen, illetve ha a 4093-hez a lábak számát is hozzá írnád, az még jobb lenne, és hogy is működik? Köszönöm.
4093-hoz lábszám itt:
http://www.hobbielektronika.hu/katalogus/alkatresz_88.html Kinézed magadnak valamelyik kaput, és a kapu IC tápfesz lábát...
Szia !
Kicsit módosítva a (#81875) rajz. Ebben az álapotban szintérzékelő 1K (ilyen ha minden igaz kapható is) 20%-ig Piros LED 20% - 80% közt Piros/Zöld LED 80% -tól Zöld led világít Üdv!
Hogyan működik...
Az elhelyezett 3 érzékelő - ahogy a képen látszik - úgy van elhelyezve, hogy a test és az alsó kb egy magasságban, míg a felső a megkívánt felső határszinten. A kiinduláshoz tételezzük fel, hogy a szint megfelelő, tehát mindkét szint-elektróda vezetést észlel. Telik az idő, fogy a víz, elhagyja a felső elektródát = nem történik semmi észlelhető. Ha a vízszint az alsó érzékelőt is elhagyja, a kimeneten a relé meghúz, egyben elindul egy időzítés - amit méréssel meghatározva (mennyi idő kell a feltöltéshez) kell belőni az érték nélküli kondival. Ha a vízszint ezidő alatt eléri a felső elektródot, a szivattyú leáll, úgyszintén leáll, ha az idő letelt. Tápegységhez csak kéttekercses trafó alkalmas (szinte minden nyáktrafó ilyen), mert így egyszerűen előállítható egy stabil - majdnem négyszög alakú - 50Hz az elektród-erózió megelőzése végett. Szabadon álló elektród esetén az 50Hz a 100nF-os kondin keresztül nyitogatja a FET-et (pl BF244), ami 220ohmmal sütögeti a 4,7µF-os kondit, így az nem tud feltöltődni. A víz viszonylag kis ellenállása a talaj felé vezeti a váltót, így ekkor nincs ami nyitogassa a FET-et, a 4,7µF feltöltődik tápfeszre. A "keresztkapcsolt" két NAND- kapu R-S flip-flopot alkot, az alsó érzékelő FET-je utáni pedig invertál. A negyedik kapu az időzítő, hasonló kapcsolásban, mint a FET-es sütögető áramkör. Amikor a flip-flop bebillen és a relé meghúz, a felső kimenet nullába megy, a 10k-s soros ellenállás közel talajra kerül, a tranzisztor lezár. Az 1megás ellenálláson keresztül elkezd töltődni az érték nélküli (bemérendő) kondi, majd mikor elérte a schmitt-trigger billenési szintjét, lezárja a relével soros alsó tranzisztort = relé elejt. Az áramkörben alkalmazott kapacitások és a schmitt-triggeres NAND, nagyfokú zavarérzéketlenséget biztosít. A tranzisztorok pl a BC... sorozat tagjaiból szabadon választhatók, gondolom a reléd nem vesz fel 50mA-nél többet 12V-ról.
Köszönöm a részletes magyarázást, ez pontosan megfelel, összevetem a rajzzal, s értelmezem. ez olyan nagyon biztonságosnak tünik.
,remélem megépíthetőre, s működőre kreálok ezen a héten a sok küzül. mindenki örömére. ha lenne még pontosítás nyugodtan, beszerzés pl.:Lamexnél, vagy van olcsóbb is ott elvben lehet nagykerben vásárolni 2000Ft-tól.Üdv.
ezt is megnézem, vélemény a tönniről, szerintetek, melyik megoldás lenne a legjobb, olyan lehetetlen feltételekkel, mint, stabil, és megbízható legyen. Köszönöm , ezt is értelmezem, remélem ezzel is boldogulok.
üdv! néztem a rajzokat és filózok, mind jónak tünik, vélemény mert az 555 olyan ki be kapcsolós a tiéd olyan bonyolult de biztonságos, illetve volt más, melyik legyen?
Köszönettel a javaslatra vonatkozó észrevételekt. ,
Ezek az áramkörök kiválóan működhetnek, bemutatásra, szemléltetésre különösen alkalmasak. A 27k-s ellenállás a vízen fél mA-t hajt át (DC). Így az elektródák 2 hónapnál többet nem hiszem hogy kibírnak. (az én első klozettartály töltőmben a DC elektróda táplálás miatt a végén már laposelemből kihúzott szénrudat tettem, de ez is jégcsapszerűen lerohadt) Szóval ezeknek az áramköröknek a bemenetére is felakaszthatod az AC-táplált FET-eket, ha tartósságra törekszel. Én 3V váltót 1megás ellenállással küldök a vízbe...
Sziasztok! Szettem szét gyári szint kapcsolót, ami nem váltóval müxik (nivelco krk-402) Lm324 van benne vagyhát
akár 741-el is meglehetne csinálni szerintem. Nemtom sajna lekopintani mert smd meg többrétegü a nyák, de nekem is nagyon kéne. :rinya:
Szia , Fentiekben nagyon sok jó lehetőség van leírva.
Úgy érdekes lehet, a gyárid amit darabban néztél, ha van kedved küld el a fotókat, kiváncsiságból. Üdv. Amúgy a fentieknek: :nevetes2: MŰKŐDIK :
Sok helyen raktam be ilyet és tökéletes csak tizenezer a pontos ára, ja és a párára kicsit alergiás.
Ha tudnátok segíteni...Olyan problémám lenne hogy egy /vizes/ tartálynak a vízszintjét LED sorral /10-16 db/ kéne kijeleztetni.Ehhez valószínű,hogy egy kapacitív elvű szenzor kéne.Annak idején mintha láttam volna UAA170 IC-vel ilyen megoldást /trabant üzemanyagszintjelző/ .Ha valaki tud rajzzal vagy hiperhivatkozással legyen szíves segítsen
Ezek a kapcsolások évek óta működnek ipari környezetben egy vízbázisú vegyi trutyit szabályozok vele.
Rozsdamentes heggesztő elektródárol le kell verntük revét |
Bejelentkezés
Hirdetés |








,remélem megépíthetőre, s működőre kreálok ezen a héten a sok küzül. mindenki örömére. ha lenne még pontosítás nyugodtan, beszerzés pl.:Lamexnél, vagy van olcsóbb is ott elvben lehet nagykerben vásárolni 2000Ft-tól.
,










