Fórum témák
» Több friss téma |
Fórum » Táp elvétel érzékelés
Sziasztok!
Adott egy mikrokontrolleres áramköröm (tervezés alatt). Azt szeretném hogy érzékeljem a táp kihúzását, magyarul az áram elvételét. Lenne egy goldcap a nyák táp része előtt, a táp 5Vot és 3.3Vot állít elő. A goldcap előtt ha eltűnik a feszültség akkor történjen valami, pl a mikrovezérlő megszakítás lábán ha leesik L szintre akkor goto SaveData. Arra gondoltam hogy reed relével vagy optokapuval ügyeskedni. Bemenő fesz 7-20V amiből a nyák tápja állít elő 5 és 3.3 V-ot. Mivel megvalósítható a feszültségesés figyelése?
Így elsőre elég nehéznek látszik, mert ha 7V-ról még mennie kell, akkor nagyon kis tartomány marad az érzékelésre. Ha mondhatnánk min 10-12V-ot, akkor egy sima 9V-os zener, soros ellenállás és egy NPN tranyó kell, ami a táp pufferéről tart nyitva, lehúzva a proci bemenetét. Így, ha 8-9V alá esik a puffer - még működő tápnál - H-ba mehet a bemenet és puffermérettől függő időd van menteni.
Ha a táplálás váltóról megy, akkor azzal kellene a tranyót nyitogatni, és a procival az 50Hz elmúlását figyelni. Ez menne 7V-nál is....
Lehet nem értem a kérdést, de mérd egy A/D-vel a feszültséget (persze osztón keresztül) és ha 7V alá csökken, mert kezd ürülni a goldcap kezd el a mentést. Csak arra figyelj, hogy úgy lődd be a goldcap értékét, hogy még legyen elég idő a mentésre. Ráadásul a mentés megkezdésének feszültség szintjét szoftverből tudod állítani.
a goldcap előtt mérném a feszt és ha nincs áram akkor a goldcapból ürül a cucc.. persze a godcap visszafelé védve lenne diódával, így a figyelő áramkört nem táplálná a goldcap..
valami skicc vagy link rajzra sokat segítene kezdő vagyok így vizuálisan még jobban értem
Szerintem még a dióda sem kell. Ha azt mondod a tápfesz legalább 7V, akkor mondjuk 6,8V nál indítod a mentést, mert ugye ha elmegy a táp a goldcap feszültsége elkezd csökkenni.
jól hangzik.. le tudod skiccelni mit hova kössek?
Szia!
A legtöbb mikrovezérlőben van komparátor periféria, mely megszakítást tud generálni. Szerintem ez sokkal előnyösebb, mint folyamatosan A/D konvertálni és figyelni annak értékét. Ez tipikusan komparátor feladat és így nem kell erőforrást pazarolni az A/D konvertálásra sem.
ha jól tudom komparátor módban összehasonlít értékeket.. viszont ehhez a tápfeszt kell az aref lábra kötni? 20V on nem sül meg a mikrokontroller?
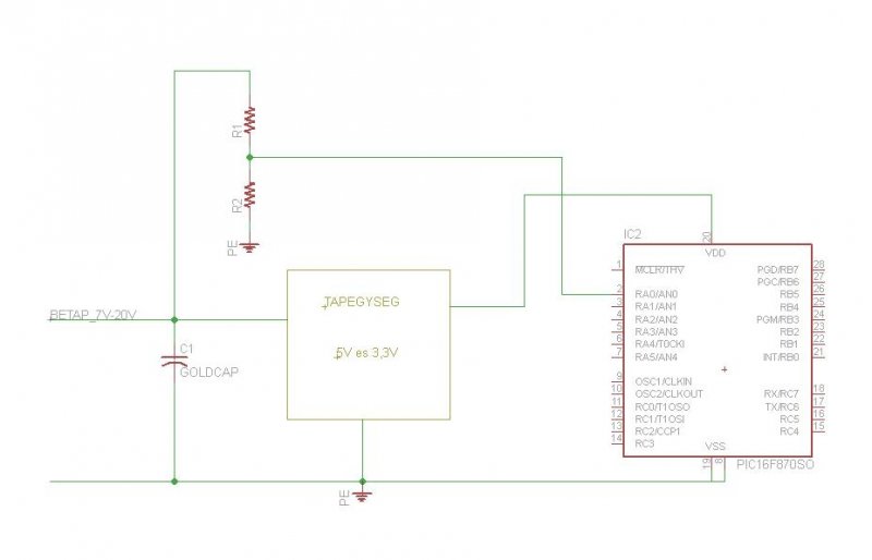
Összedobtam gyorsan egy skiccet. Én így gondoltam. A két ellenállás értékét úgy kell beállítanod, hogy a leosztott feszültség az adott MCU A/D maximális feszültségénél ne legyen nagyobb, még 20V-os tápfeszültség esetén sem. Illetve megfelelően nagyoknak kell lenniük, hogy ne "merítsék" a goldcap-et.
Ez a kapcsolás nem biztos, hogy jó! A nagy értékű ellenállások miatt az eredő impedancia nagyobb lehet, mint a maximálisan alkalmazható (mikrokontroller függő, pl. PIC- nél 10k), ezért ki kell egészíteni a kapcsolást vagy egy kondenzátorral, vagy egy feszültségkövetőként alkalmazott műveleti erősítős meghajtó fokozattal.
Ha meghajtunk egy analóg lábat, akkor a meghajtó fokozat kimenő impedanciája nem lehet nagyobb 10k- nál, különben elkezd nőni az az idő ami ahhoz szükséges, hogy a Sample-Hold kapacitás feltöltődjön. Ha nem várjuk meg amíg az S/H kapacitás feltöltődik, nem a valós feszültséget konvertáljuk, hanem annál kisebb értéket. Adatlap: AD Acquisition requirements, vastag betűkkel szedve.
Szerk: Látom törölted a hozzászólásodat, nem baj, ha már leírtam akkor így hagyom, hátha van akinek jól jön.
És az én szempontomból van ennek nagy jelentősége?
Jó lenne a legegyszerűbb megoldás, és az sem utolsó szempont hogy ne egyen sok prociidőt a figyelés.
Igen boccs, mert közben én is olvastam!
És jogos!
Igen van jelentősége a szempontodból és mivel mondod, hogy kritikus a proci idő, és figyelembe véve El_Pinyo hozzászólását, neked jobb lenne az ő megoldása.
Idézet: „ne egyen sok prociidőt a figyelés” Pontosan ezért javasoltam a komparátoros megoldást. A komparátort felkonfigurálod, majd teszi a dolgát automatikusan. Amikor meg billen a komparátor, akkor interruptból már lehet is menteni az adatokat. Az AD konverternél nem ilyen egyszerű a dolog, mert bizonyos időközönként el kell indítani konverziót, figyelni a konvertált értéket, stb. Általános érvényű szabály a mikrokontrolleres fejlesztéseknél, hogy amit a hardver el tud végezni, azt végezze csak el, feleslegesen ne kelljen processzoridőt áldozni olyan feladatokra, melyet hardverből el lehet végezni.
Látom nem egyszerű amit akarok
![]() El_Pinyo megoldásáról láthatok skiccet?
GoldCap helyett 3300µF kondi lesz, mert GoldCap max5.5V-os lehet... ha jól tudom...
Ügyes Vicsys mester, de itt zabálja a procit a számlálás.. nekem meg olyan megoldás lenne jó ami nem eszi a procit, mert van más dolga is
ez csak egy olyan védelem lenne hogy ne kelljen minden bekapcsoláskor újra konfigolni...
megoldás az is de nálam az egyenáram miatt jó ez is..
kérdés az R2 és R5 értéke
max. 20Vnál
R2=7,5k szerk: ohm az nem k ![]() R5=2,5k szerk: ohm az nem k
Ha csak a kihúzást akarod érzékelni akkor szerintem AD sem kell A dióda előtt kihúzás után 0V lesz úgy is.(esetleg egy ellenállással ez még segíthető -bár ez állandó fogyasztást okoz) Ezt podig egy portra kötve (szintvágás után) akár megszakítást is okozhatsz .
A Táp elvétel (kikapcsolás érzékelés) kérdése nálam is aktuális téma. Van egy alkalmas léptetőmotorral (VID29) működő (PIC-es) gépjármű-műszerem(fordulatszámmérő). A táp kikapcsolásakor a műszer mutatóját (a léptetőmotor pozicióját) alaphelyzetbe kell hoznom. Én a Goldcap kondenzátort a stabilizátor (7805) +5V-os oldalára tettem. A kontroller érzékeli a +12V meszűnését. Ekkor a program az alaphelyzet-rutinba ugrik, és a Goldcap (0,1F/5,5V) energiájából táplálkozva visszatekeri a léptetőmotort alaphelyzetbe. A probléma az, hogy a Goldcap minden kikapcsoláskor teljesen kisül, és minden bekapcsoláskor újratöltődik. Nem tudom, hogy ez mennyire üzemszerű állapot. Mennyi a Goldcap élettartama a napi többszöri feltöltés, és teljes kisütés következtében???
|
Bejelentkezés
Hirdetés |




kezdő vagyok így vizuálisan még jobban értem 
És jogos!






