Fórum témák
» Több friss téma |
Fórum » TDA1558Q
Témaindító: Vassjozsef01, idő: Ápr 2, 2008
Témakörök:
Szia!
Tettem rá 4700uf-ost, 2200uf-ost, 1000uf-ost (persze külön-külön) és mind a 3nál 20-20,5V -ot írt a multi. Ezt egyáltalán nem értem, ráadásul a végfokon 1000uf-os kondi van, tehát akkor az is 20V-ot kapna? Szerintem ez így hülyeség. Ötlet esetleg?
Nem bírtam ki, hogy ne próbáljam ki a kondi lábainak felcserélését
tettem rá egy 100uf-os kondit (pozitív pozitívra...) maradt a 20,5V, utána lábcsere (pozitív a negatívra...) kaptam 16-16,5V -ot és rájöttem, hogy a kondenzátor füsttel működik
Hali!
Ha ekkora fesz van egyenirányítás után, akkor ne kösd rá a végfokot! Illetve ha már megtetted, akkor valószínű elszállt... Elektrolit kondit pedig fordított polaritással nem kötünk!
Szasztok! ha egy TDA 1554-es IC-t kicserélek egy TDA 1558-ra akkor nagy bűnt követek el? illetve működni fogy az erősítő?
Szia!
Szerintem jó! Nekem ugyan az a nyákterv volt mind a 2 IC-hez (TDA1554Q, TDA1558Q)
És hogyhaadott egy 20 W-os erősítő de nekm mittom én 4-5-W-os hangszóróim vannak és nincs pénzem hangszóróra akkor lehet ezel valamit kezdeni?
Ha önuralmat tudsz gyakorolni, és csak nagyon kis hangerőn hallgatod az erősítőt, akkor igen.
Hallgasd a hangszórót, és mikor torzít, vedd lejjebb a hangerőt. Ennyi dolgod lesz.
Sziasztok!
Fel tudna rakni valaki ide egy nyáktervet tda1516BQ BTL-hez? Csatoltam a katalógus kapcsolási tervét! Előre is köszönöm! Valamint nem értem, hogy mit jelent az "internal 1/2 Vp", ide nem a tápfesz. fele kellene, hogy bemenjen
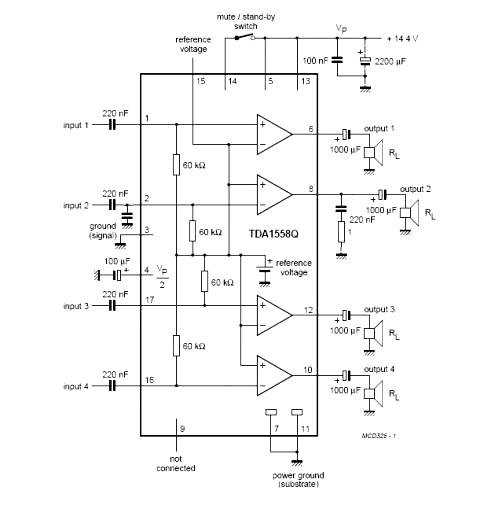
Sziasztok ugye belevágtam az erősítőépítésbe de gorsan meg is rekedtem de nem nagy a baj az IC TDA 1558-as lábkiosztására lennék kíváncsi számokkal ha így lehetségel?
Vagy hogyan tudom megállapítani, hogy melyik az 1-es láb és hogy megy tovább a számozás?
Szia!
Ha szemből nézed (tehát ahol látod rajt ezt:"TDA1558") akkor balról jobbra haladva. A páratlan lábak vannak így hozzád közelebb (tehát elöl) a párosak meg hátul. De ha van nyákterved akkor arról is meg lehet állapítani Remélem érthető voltam! Sok sikert
megépítettem az erősítőt mindkét változatot, egy kérdésem lene normáis hogy nyugalomban is 1-2A az áramfelvétele és iszonyúan mekegszik? Ezenkívül rendesen szóll
Szia!
Kivezérlés nélkül kb. 100mA az áramfelvétele. Ha ennél sokkal több, valami gond van vele, pl. gerjed.
A gerjedést hogy tudom megszüntetni, mindent a leírás szerint csináltam?
Melyik kapcsolást építetted meg?
Egy-két fotó sem ártana, ha lehet.
http://www.hobbielektronika.hu/kapcsolasok/4_csatornas_erosito_tda1...l.html
ezt. Fotót sajna nemtudok készíteni.. :S számítógép tápról táplállom.
Először rakni kell a kimenetre egy soros R-C tagot, esetleg a bemenetet hidegíteni kell egy 1nF-es kondival.
Az egyik csatornára berajzoltam. A panelon ugye rajta van a puffer, meg egy párszáz nF-es kondi a tápfeszültségen?
Hali!
Az amit linkeltél, a gyári ajánlott rajz, viszont a következő oldalon ott van az általam javasolt. Ha aszerint csináltál mindent, akkor jónak kell lennie, vagyis akkor nálad van a hiba. Saját nyáktervet használtál, vagy azt, ami a cikkben van?
akkor rosszulk linkeltem, én az álltaladjavasoltat építetem meg. azt használtam ami a cikkben van, AT tápról táplállom.
heló mindenkinek van nekem is egy tervrajzom ami 3 kimenetű de van külön bass és egyben a közép és a mély ha érdekel vkit szóljon
-_-
Pedig jó lenne kép róla...
Milyen vezetékeket használtál a bemenetnél? Forrasztások jók? Én is AT tápot használok.
Szia!
Szerintem fel teheted, hátha valakit érdekel! Mert ha jól értelmezem amit írtál akkor rögtön van egy 2.1es végfokja ![]()
Sziasztok nekem már kész van egy hasonló erősítőm TDA1519- ből egész jól szól. Na már most ezt a számítógépre szeretném kötni mégpedig 2.1-es ként. Ezért egy olyan szabályzó IC vagyvalmi kis kapcsolás kellene amivel egyszerre lehet szabályozni mind a három hangszoró hangerejét.
Aki tud kérem segítsen!
Szia! Ez az IC csak 2x6W tehát ebből max 2.0 lehetne (szerintem). No de majd az okosabbak
De két darabból építettem és az egyiket hídba kötöttem!
Ha már úgy is gépre kötöd, akkor nem miért nem vezérled onnan (pl: winamp...)??
Van úgy, hogy a gyerekek játék közben talán egy kicsit túl hangosra állítják a hangerőt, és én ilyenkor könnyen megtaláljam a hangerő szabályzót. Eddig egy mini"hi-fi" volt az erősítő de a lányom lenyúlta a szobájába.Ezért kell egy ilyen kis motyót építenem.
Gondoltam én a TDA7495-re is de ezt nem lehet hídba kötni pedig ezen van feszültség vezérelt hangerő szabályzója. De ha valaki tud ennek az IC-nek egy valamivel nagyobb testvérét ajánlani meg köszönném.
Igazad van, ott a pont!
Van olyan potméter, amin 3 "sor" van, tehát olyan mintha 1 sztereó és 1 mono potit raknának egymás mögé. (Most láttam én is a gyári 5.1ben). Biztos lehet kapni boltban is, és akkor 1 ilyennel meg lehet oldani. Szerintem egy 10K-s poti elég. |
Bejelentkezés
Hirdetés |




tettem rá egy 100uf-os kondit (pozitív pozitívra...) maradt a 20,5V, utána lábcsere (pozitív a negatívra...) kaptam 16-16,5V -ot és rájöttem, hogy a kondenzátor füsttel működik


-_-
