Fórum témák
» Több friss téma |
Sziasztok
Találtam a neten egy nagyon pofás gyertya imitáló kapcsolást. Pic-el van vezérelve. Össze is dobtam dugdosós panelon, tökéletesen működik Ez így rendben is van. A kérdásem az lenne, hogy tudna-e nekem valaki abban segíteni, hogy ezt a hexet átírni egy nagyobb Pic-hez mondjuk 16F628 aminek ugye több kimenete is van... Annyit szeretnék megvalósítani, hogy 7 db ledet hajtson meg a PIC külön kölön, úgy mint eredetileg is, de eltérve "eltolva" egymástól tehát ne ugyanúgy villogjon az összes led egy időben, hanem össze vissza. Biztos ismeritek a 7 égős ablakdíszt, nagyon sok helyen lehet látni ilyeneket az ablakokban karácsonykor. Nos egy ilyennek az izzói helyére szeretnék ledeket rakni és azokat szeretném ezzel az áramkörrel meghajtani, de hogy ne ugyanúgy vibráljon az összes led ezért kéne megoldani hogy 7 ledet kölön tudjon hajtani, ugyanazzal a programmal. Az eredetit kipróbáltam de eléggé hü**én néz ki hogy mind a 7 led ugyanúgy villog. Tudna nekem valaki segíteni? Itt van az oldal ahol találtam. Az eredeti program is ott van C-ben. Előre is köszönöm mindenkinek a segítséget
Szia! Szerencsére ott van C-ben ( _ Link_ ) a forrásprogram. Aki ért hozzá az át tudná szerkeszteni a futási mintát ( valamelyik PIC-es témában ) , hogy ne legyenek azonosak. Szerintem ez egyszerűbb, mint újra kitalálni a programot.
A hozzászólás módosítva: Márc 26, 2014
Sziasztok! A segítségeteket kérem. Keresek egy lobogó tüzet imitáló kapcsolást, hagyományos, izzószálas 230V-os izzóhoz. A "barátunk" most nem volt segítő kész és az idő is kicsit szorít. Valamelyik RT vagy HE-ban is van kis egyszerű áramkör. Ha lesz időm meg fogom keresni. ( Tudom, hogy ezt egy glim lámpás gyertya izzóval egyszerűen meg lehet oldani. De annak kicsi a fényereje. )
Előre is köszönöm! Remélem valaki hamarabb ráakad a kérdéses áramkörre. PIC-es megoldás is érdekel ha van beégethető működőképes program hozzá. ( Az ördög a program részleteiben lakozik. ) A hozzászólás módosítva: Márc 26, 2014
Egy lehetséges PIC-es :_Link_ jelölt. Már ha a karácsonyi program effektje megfelel...
Természetesen várom a segítőkész javaslatokat! Köszönöm!
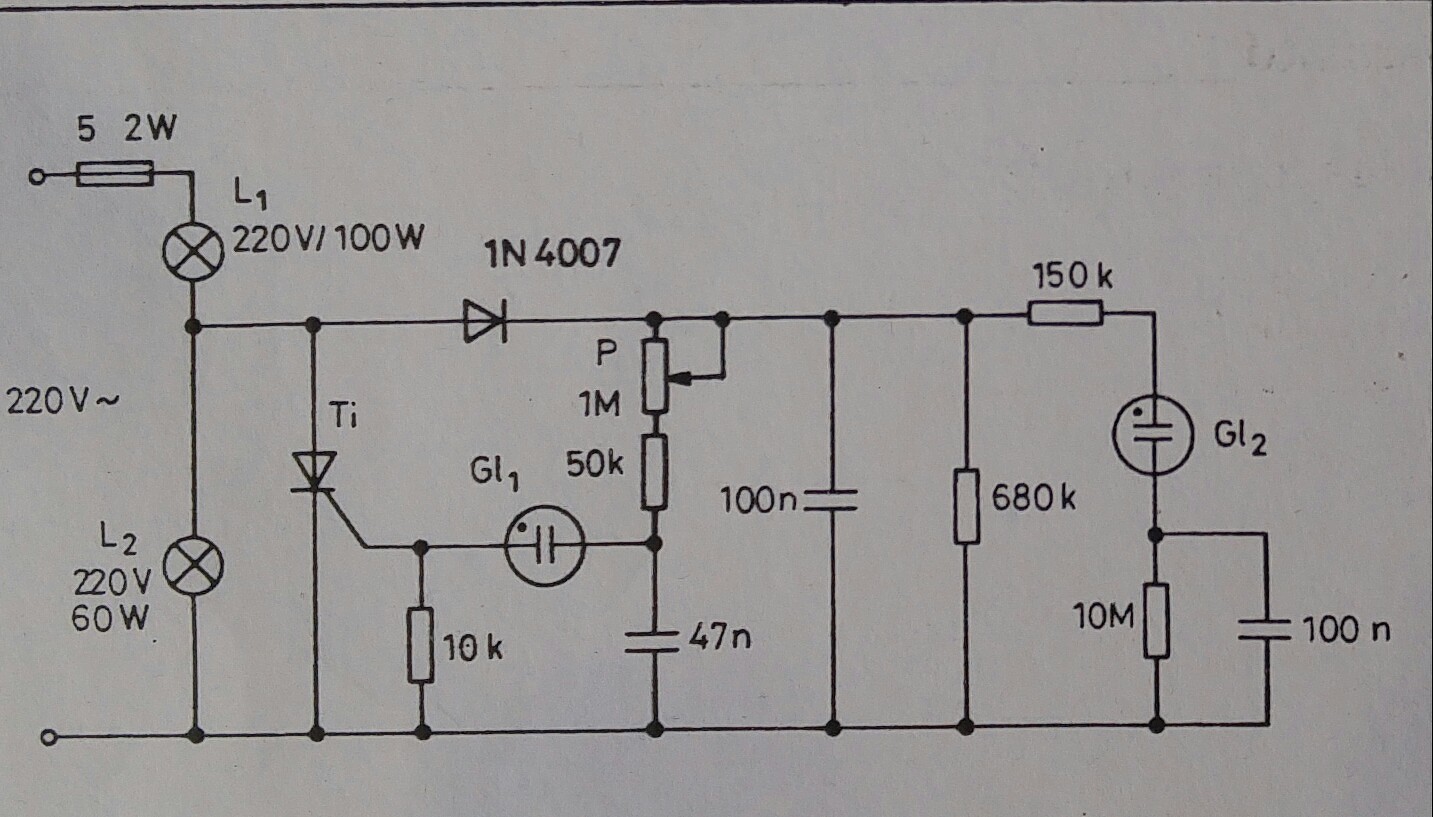
Sziasztok!
Gondoltam frissítek a topicon így 6 év után, hátha építene valaki ilyesmit... Egy régi Hobby Elektronika újságból van, kicsit ósdi, 100W-os izzóval operál, de jópofa megoldás. |
Bejelentkezés
Hirdetés |




) 

