Fórum témák
» Több friss téma |
Fórum » LCD kijelző vezérlés - PIC
Témaindító: Net_Boy_debr, idő: Aug 23, 2008
Témakörök:
Sziasztok.
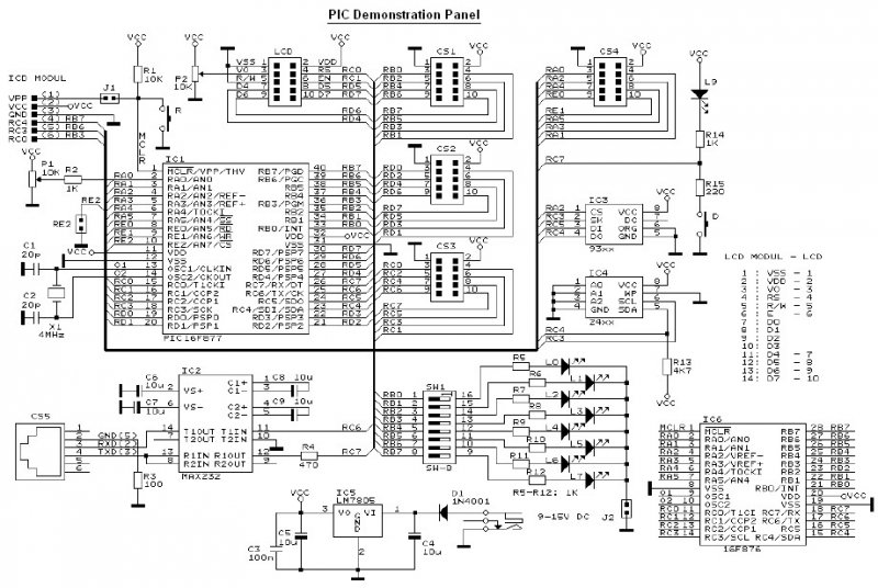
Nem rég vásároltam egy PIC Demonstration Panelt és ehhez adtak egy DISPLAYTECH-204B 4x20 soros kijelzőt. A panelben egy 16F877-es PIC van. A problémám az vele, hogy nem tudok rá írni programot, mert nem találok róla egyetlen egy leírást sem, amelyben le lenne írva, hogy kell elkezdeni a programozást. A rajz szerint az LCD csatira kell kötni az LCD-t, ez meg is történt! A kérdésem az, hogy valaki tudna abban segíteni, hogyan kezdjem el programozni, esetleg tudna mutatni nekem egy mintaprogramot magyarázatokkal együtt? Az is könnyebb lenne, ha megérteném a működését! Segítségeteket előre is köszönöm!
OK. Ezt értem, de programban ezt hogy kivitelezem?
Topi olvastam a két cikkedet, de ebből nem derül ki, hogy tudom ezt megvalósítani a PIC-ben.
Kezdő PIC-es vagyok, tudok LED-eket kapcsolni, de nem tudom hogy kezeljem a programban. Esetleg kaphatnék egy mintaprogramot? Nekem fontos lenne, hogy a panelre írjam a programot, mert más áramköröm nincs! Köszi a segítséget!
Akkor neked nem az lcd-vel van gondod, hanem a pic-el önmagában. Az LCD adatlapjában le vannak rajzolva, hogy mikor hol milyen jelszintnek kell megjelennie a vezetékeken ahhoz, hogy valami megjelenjen a kijelzőn. Azt próbáld leutánozni a programból. Ahogy egy ledet ki vagy bekapcsolsz, ugyanúgy kapcsolgasd a vezetékeket. Ha valaki ad egy kész programot, abból nem tanulsz. Próbálkozz, kisérletezz, tönkremenni nem fog semmi.
Ha a cikkbol nem sok derult ki, akkor meg varni kellene az LCD meghajtassal. Elobb ismerkedj meg a PICel, a demo panellal es valamilyen programozasi nyelvvel. Majd lassan osszeall a kep.
Korai neked ez a téma! Először próbálj meg egyszerűbb dolgokat leprogramozni!
Melleseleg van egy PIC-es kiemelt téma....
Szerintem nem korai! Sőt!
Szeretek minél bonyolultabb dolgokat csinálni, de most nem elakadtam és egy kis segítséget kértem volna! Nincs itt olyan személy aki tudna nekem segíteni ez ügyben? Ha egy felkommentezett mintaprogramot (vagy egy részletet) látnék, akkor biztos minden világos lenne! Köszi
OFF
Nem bírtam megállni, hogy ne írjak ide, mint ahogy írták, neked nem az LCD-vezérléssel van gondod, hanem a PIC programozással, ezt nem "fogja" senki elmagyarázni, mert ez nem olyan egyszerű mint hiszed. Lehet venni könyveket kezdőknek, ahol elmagyarázzák az alapokat ( pl.: HE füzetek egyik száma, PIC mikrovezélrők alkalmazástechnikája, stb) ,ezután már az itt található LCD-és cikkeket elolvasod mégegyszer, már remélhetőleg menni fog. ui.: elég sok PIC-es karakteres LCD-és project van a neten, de kérésedre http://home.iae.nl/users/pouweha/lcd/lcd2.shtml#PIC_example a válasz. (mellesleg gugli első találta.......) ui.: NEM lehurrogás végett írtuk azokat amiket írtunk. üdv ON
Egy felkommentezett program nem segítség, hanem helyetted való munka!
Ha nicnsenek kérdéseid, akkor nem tudom mit keresel itt!? Az nem kérdés, hogy írjatok nekem egy mintaprogramot! Én bármikor meg tudom írni, de biztosíthatlak, hogy nem fogom helyetted! Ha viszont normális kérdést teszel fel, ami mutatná, hogy bizonyos részeknek már nekiálltál csak elakadtál, akkor arról is biztosíthatlak, hogy lenne segítség!
hd44780 alapú lcd szimulátor: http://www.geocities.com/dinceraydin/djlcdsim/djlcdsim.html
Ha nagyon gyorsan akarsz működő programot írni, akkor töltsd le a mikroc fordító demóját: http://www.mikroe.com/en/compilers/mikroc/pic/download.htm Ebben vannak előre megírt könyvtári függvények lcd-re, lásd mikroc manual 236. oldal, és ha feltelepítetted, akkor a help-ben, az lcd-bekötésétől kezdve a példaprogramig 8 és 4 bites modban egyaránt megtalálható. De van basic fordítója is a mikroe-nek, nem tudom milyen magas szintű nyelvet ismersz.
Hello, itt van hát egy mintaprogram, induláskor 2x felvillant egy LED-et, majd a potméter állását kiírja az LCD-re,ha jól látom ASCII-ban, a SZAM.asm viszont decimálisan...a lényegek az LCDszubrutinok...
Hello! Letöltöttem és mplab-bal megnyitottam a POTI.ASM fájlt. A Build Node hibaüzenet nélkül le is forditotta. Viszont én ezeket a sorokat nem értem:
LCD_RS equ 5 ; 0= parancs, 1= adat reg. LCD_RW equ 6 ; R/W=0 LCD írás, R/W=1 LCD_EN equ 7 ; 0= LCD tiltás, 1= Nekem az lcd-nek ezek a vezérlő lábai a portd-re vannak kötve. Ezek a sorok viszont ugy látom egy-egy külön regisztert határoznak meg, és nem egy regiszter egy-egy bitjét.
rosszul látod ezek bizony a portd adott bitjei,
pl: PORTD,LCD_RW = portd bit6, ezeket nyilván át kell írnod a saját kiosztásod szerint, de vigyázz a progiban más is van a portd-n pl led. ha a 4*20-as kijelzőn két EN láb van, azt is külön kell kezelned
Látogass el a modulrendszerű grafikus pic programozás oldalra ezen a főrumon belül...olvasd el figyelmesen ott találsz magadnak sok mindent amivel bosszuságok nélkül
el tudsz indulni. A kijelzőre azt íratsz ki amit akarsz, és általában elsőre müködik minden...Ezenkivül sok mindent villámgyorsan megoldhatsz, perceken belül.csak "rajzolni" kell...
udv, nemtudom a megfelelo LCd-s topikba irom-e, de az a problemam, hogy a laptop LCD hattervilagitas vezerlo kabele megtort, de ez nem az a fajta hattervilagitas kabel am, ami csak a tap, hanem egy vezerloegyseg van az LCd ala epitve ami kapja a hotkey-ek jeleit es tobb kabel megy ra.
Csinaltam rola kepet, eppen le van huzva a mellekletben talalhato kepen baloldalt szines kabelek. A jelenseg az, hogy pl. amikor nem erintkezik jol akkor vagy egyaltalan nem ad hattervilagitast vagy leszabajozza a minimalisra, ilyenkor a funkciogombbal feltudom szabalyozni de egybol villogva visszaszabalyoz, szoval tobb vezetek is meglehet purcanva. Ebbol a kis TDK vezerlovalamibol egy feher es egy rozsaszin vezetek megy a hattervilagitasra (szerintem) ami mar a tenyleges aramot adja neki. A kerdesem az lenne, hogylehet valahogy meghekkelni ezt a vezerlot, hogy ne erdekeljek a kotkey-ek hanem folyton adja ra a full fenyerot, azaz ahonnan lehuzta a szines kabelt mert kontakthibas annaka csatinak melyik pinjere mit kene kotni, hogy fullosan hajtsa a hattervilagitast? Valami ilyesmire gondoltam es a sokszinu kabelt kicserelni csak a legszuksegesebbre amin csak az aram megy neki. Segitseget elore is koszi, na csatolom is a kepet a cuccrol! (Nem tudom miert volt jo a tervezoknek 6 vezeteket rakni a forgatos reszbe 2 helyett, biztos az a ki nyak mar nem fert el allul, na kotve hiszem.....) Termeszetesen nagyobb felbontasban is megvan nekem a kep, csak aforum folyton emeretezi ![]() Egyebkent latszodnanak a chipek szami meg ami a nyakra van irva stb. aki megnezne annak szivesen elkuldom nagyban.
Lehet.
A vezerlonek nevezett dolog az inverter. Eleve 4 vezetek kell ra, +12V tap GND fold enable engedelyezes brightness fenyero Altalaban a hatos csatin legalabb van ket fold es nem ritkan ket tap is, szoval azok nem feleslegesek, de ki tudod merni egyszeru csipogos multimeterrel, mely labak vannak direktbe kotve. A tapon mindjart van egy F1-el jelzett biztositek kozvetlenul a csati utan. A fold a szamitogep femreszeivel ossze van kotve, az enable egy tranyo bazisara szokott menni egy ellenallason at, a brightness pedig meg egy kondival is foldre megy es ujabban rogton megy a chipbe. Az enable is mehet kozvetlenul a chipbe... Valoszinuleg 3.3V-os a vezerles, szoval ennel tobbet ne adj nekik. Egyszeruen vagd el a nem tap/fold labakat es kivulrol egy potin keresztul adj neki 3.3V-okat. Elkezded lecsavarni, ha hirtelen eltunik, akkor az volt az enable, ahol meg szepen halvanyul, ott meg a fenyero. A fenyerolabat esetleg uresen is lehet hagyni... Nehany notebooknal forditva van, tehat a max fenyero a 0V kozeli, masoknal meg feltapfesznel van a max es felfele/lefele csokken. De az enable az mindig ki/be kapcsol. Meg annyit, hogy tanujj mek hejesirni mer mekbux! :yes:
Nehergudj, de egy kis segítséget kérnék:
"( pl.: HE füzetek egyik száma, PIC mikrovezélrők alkalmazástechnikája, stb)" Hol találhatóak ezek a füzetek? Néztem a kereső minden opciójában a fenti legördülő menüből, és nem találtam. Habár a cikkek között sok hasznosat fedeztem fel csak simán PIC kulcsszavas kereséssel. Mire gondoltál HE füzetek alatt? Előre is köszönöm!
Gondolom, a HobbyElektronika roviditese.
Nem az a kérdés
![]() Hanem hogy a füzet az mi és hol és mennyi? Na, ez a kérdés
Hello.
A PIC mikrovezélrők alkalmazástechnikája egy könyv, Dr. Kónya László féle könyv. Ezt nem tudod letölteni, viszont megvásárolhatod a ChipCAD Kft-nél! Üdv.
Köszi szépen! Utána fogok nézni.
de, ha valakinek van válasza arra, hogy mik is azok a HE füzetek, továbbra is várom a megfejtéseket ![]() Köszi: W
The W
Nézd csak meg a "PIC - Miértek, hogyanok..." fórumban a 278608 -as hozzászólást.
Sziasztok,
Van egy PIC16-os developer board-om http://cgi.ebay.com/ws/eBayISAPI.dll?ViewItem&item=300273915521&ssP...S:1123 meg egy EW13B36BMW típusú LCD-m. A board és a board-höz szükséges LCD sheet-jei csatolva. Amit csatolnék az nyilván nem ilyen , de gondoltam nem lesz nagy probléma az átírással, mert már nem az első illesztőm lenne. Sajnos nem így lett . A neten azt néztem, hogy az LCD vezérlője egy Hitachi HD61202. Talaltam egy valaki mas altal kitalalt library-t. Ez elméletileg pont ehhez íródott, de kipróbáltam és semmi hatás. Ezután gondoltam előveszem a saját kis eszemet, de egyszerűen meg sem mozdul!!! A library címe :http://en.radzio.dxp.pl/ks0108/ Bármilyen segítséget szívesen fogadok! Előre is köszönöm mindenkinek! Üdv, Soma
Sziasztok! Remélem olvassa még valaki ezt a témát...
A problémám: van egy kapcoslásom egy bontott 2x24-es LCD-vel, a pontos tipusát ezért nem tudom. Már lassan 3 éve működik kifogástalanul, de egy ideje az LCD elkezdett kontakt hibás lenni, és egyre több vonal nem látszott rajta, ezért vettem a chipcadnél egy EW24210GR tipusút és kicseréltem. Az inic lefut, mert elindul az LCD, de csak fut rajta mindenféle kusza felirat, kivehetetlen sebességgel, javarészt $ jelekkel, pedig azt nem is használok. Mire tippeltek, mi lehet a gond? A régi LCD is a szabványos hitachi kommunikációt használja, és elvileg az új is. Csak a szabványos angol ASCII karktereket használok. Nekem nincs ötletem Köszönöm előre is: Tzl
Masik, ugyanolyan ew-s kijelzovel is azt csinalja?
Ha te irtad a programot, akkor probald novelni a keslelteteseket vagy ha hasznalta a READY bitet, akkor ird at sima kesleltetosre, hatha. Ha nem te irtad, akkor probalj bontokbol/vaterarol/ebayrol szerezni masikat vagy ha lehetseges, akkor csokkentsd a PIC orajelet, ameddig kulso alkatresszel lehet a tipuson belul. Esetleg pici kondival probalkozhatsz a labakon, illetoleg tapszures is talan hasznos lenne, ha eddig meg nem volt.
Köszönöm a választ!
Az a baj, nincs másik ugyanolyan kijelzőm. A kiiratást egy chipcades példaprogram alapján írtam meg. Nincs semmi bitfigyelés, csak időzítés az EN bit lefutása, és az adatok kihelyezése között. De az 100usec, így bőven felette van a néhány100 nanoseces gyári időknek. Meg ha gond lenne az írás rutinal, akkor gondolom az inicializálás sem futna le, és sötét maradna a kijelző fele. a PIC tápja meg van szűrve rendesen, az LCD szalagkábelen lóg a nyákon, külön szűrése nincsen. Érdemes? Köszi: Tzl |
Bejelentkezés
Hirdetés |







. A neten azt néztem, hogy az LCD vezérlője egy Hitachi HD61202. Talaltam egy valaki mas altal kitalalt library-t. Ez elméletileg pont ehhez íródott, de kipróbáltam és semmi hatás. Ezután gondoltam előveszem a saját kis eszemet, de egyszerűen meg sem mozdul!!!
A library címe :




