Fórum témák
» Több friss téma |
Fórum » Különleges villogó
Témaindító: kutibotond, idő: Okt 11, 2008
Témakörök:
Sziasztok ! Egy olyan áramkört keresek amelyben az áramforrás 3V vagy 9V , 4 leddel ami 1. kapcsoláson folyamatosan ég 2. kapcsoláson egyik 2 villog egyszerre 2 nem és akkor ez felváltva , 3. kapcsoláson kilegyen kapcsolva .
Tudna valaki segíteni egy kapcsolási rajzal esetleg ? Tudom nem egyszerű .
A legegyszerűbben PIC-el.
Pár kondi, ellenállás, 1mHz-es kvarc és egy nyomógomb, kb.:800 huf
Ebben talán a kapcsoló a "legnehezebb". Háromállású, 2 morzés tipust javaslok. Egyik áramkör a tápot kapcsolja, a másik üzemmódot vált. A felváltott villogtatáshoz pedíg astabil multivibrátort.
:OFF ( Nem bántás képpen mondom, de ez a kérdés elfért volna bármelyik ledes, multivibrátoros vagy biciklilámpás topicban, sőt akár a kezdő kérdések között is.) :ON
Szia Zoli!
Már megint megelőztél. Négy ledet akar kettesével felváltva villogtatni, vagy folyamatosan üzemeltetni egy kapcsolóval. Ha emlékeim nem csalnak, valamelyik biciklilámpás témában nem is olyan régen pont ilyenről volt szó.
Két tranzisztor, kondi, ellenállás ( esetleg potméter ) a fiók aljából, ingyért. A kapcsoló akár 200-ba is belekerülhet. De 500-ba már a nyáklap is belefér. A tiéd is olcsóbb lehetne legalább a kvarc árával (belső oszcillátor). Nem atomórát építünk. Viszont a PIC-hez kellene stabkocka is, nameg program, amit bele is kellene írni. Persze nézőpont kérdése, hogy kinek mi a legegyszerűbb.
Zoli - én próbáltam nyersen elmondani hogy mi kéne , ez nem egy hétköznapi villogó áramkör amit akarok elkészíteni és nem ! nem találtam ilyet és nyitottam topicot miért olyan nagy gond ez ??
látom van olyan aki megértette hogy mit szeretnék akkor most másoljam át oda a kérdésem ? egy kész kapcsolási rajz legalább valami hasonló érdekelne a legjobban
Az az igazság, valóban nehéz megtalálni a megfelelő témát. Pont ezért, mert az ilyen ok nélkül nyitogatott témák között elvész az érték. Én még egyet sem nyitottam - bár volt már pár kérdésem - mindíg megleltem, hova való. Megdícsérlek, szépen megrajzoltad, mint ha a tankönyvben lenne, erre tessék: még majdnem le is cse..nek.
Én kérek elnézést, hogy segítettél. Ja, és köszönöm a témaindító helyett is.
Szia Botond!
Tudjuk, hogy mindenkinek a saját gondja a legnagyobb és ha full kezdő vagy, - szinte biztosan - akkor azzal sem vagy tisztában, mennyire különleges ez a feladat. Semennyire. Igazából az teszi számodra különlegessé, hogy valószínűleg ez lesz az első saját áramköröd. Szerintem építsd meg Zoli villogóját, még a sebességét is tudud állítani egy potival. Ez idáig volt elektronika. Ha ezzel megvagy, próbáld önerőből kiizzadni, hogyan kell összekombinálni a kapcsolóval. Így lesz a SAJÁT áramköröd. Abban egyetértek Zolival, hogy a téma címe totálkáros, és nekem is többször át kellett olvasnom, mire megértettem. Milyen lámpa lesz különben?
engem akkor az tévesztett meg , hogy beírtam a keresőbe hogy villogó és láttam hogy annyi van ... de amilyent én szeretnék egyik cím alatt se leltem ... amilyet Zoli mutatott olyat igen ... és mást is ... de reménykedtem hátha létezik nekem való ... szóval gondoltam így megy hogy akkor nekem is nyitnom kéne egy külön témát ... akkor bocs
a címért is bocs csak így hírtelen fogalmaztam meg mindent , lehet túl bonyolultan a kapcsolós dolgot nehéz megoldani , folyamatos világításról villogóra váltani ... de gondolkodtam ezen és valahogy csak kilehet okoskodni ... de tényleg annyi tapasztalatom azért nincs úgy hogy mégis csak jobban örvendenék egy már biztos bevált kapcsolásnak
Kérésre a cím megváltoztatva.
Üdvözlök mindenkit a fórumon!
Újrakezdő vagyok a témában, talán 10 éve építettem utolsó kapcsolásomat. Szükségem lenne, egy kapcsolási rajzra, tudnátok-e segíteni ebben? 555-ös és 4017-es Ic-vel szeretnék egy olyan kapcsolást építeni, (a nyáktervet már megcsinálom csak a méretezésben és kapcsolási rajzban segítsetek) amelyben a 4017-es IC ami ha jól tudom az 555 ic órajele alapján 1-10-ig számol. Az első kimeneti jelre villantson fel 6 x 4 db ledet, a másodikat hagyja ki majd harmadik jelre újra ezt a ledcsoportot villantsa fel, utána kihagy, majd a következő jelre villantson másik 6 x 4 ledet, majd kihagy majd újra felvillant, utána szünet. Ha jól számolom a kilencedik kimeneti jelet visszalehetne csatolni a 4017 reset bemenetére. És ekkor újra kezdené. Az órajelet pedig állíthatóra szeretném, a lassú 2 mp-ig tartó felvillanástól egészen stroboszkóp szerű villogási sebességig. Gyakorlatilag kétszer villant egy csoport ledet, majd újra kétszer egy másik csoport ledet, és újra előröl. Az egészet 8-16 V közötti tápfeszültségen szeretném működtetni. Csak egy kapcsolási rajzra lenne szükségem, a többit már megoldom. A ledcsoportok a lehető legnagyobb fényerejű ledek lennének, de nem hűthető led, csak a normál átlátszó tokozású 5 mm-es led. Akinek van tervező programja 2 perc alatt elkészíti, nekem napokig tartana, és nem biztos hogy működne. Kezdő a kérdés tudom, de sajnos a 10 év kiesés miatt, nem egyszerű feladat lenne nekem. Megköszönném, ha alkatrész típusokkal ellenállás értékekkel együtt valaki megtervezné nekem ezt a kapcsolást. A segítségeteket előre is köszönöm. Még egy kérdés! Pár éve építettem már 10 ledes futófényt 4017-el, akkor az volt a bajom, hogy a tápfeszültségre kapcsoláskor nem mindig sorban villantotta fel a ledeket hanem néha egyszerre kettőt és volt hogy valamelyiket kihagyta. Többször kellett a tápra tennem, mire normálisan csinálta a dolgát. Teljesen random módon találta ki ezt a működést. Ha szarul indult el a futófény akkor amíg tápon volt ugyanúgy hibásan számolt a 4017. Cseréltem többször ic-t a kapcsolásban de a hiba nem oldódott meg tőle. A 4017 ic még mai nap is hajlamos ilyenre vagy már biztosabban működik?
Kis segítséget kérnék.
Egy bonyolult áramkörnek (melyet elsősorban a 555- topicban taglalunk) a futófény részét úgy szeretném megcsinálni, hogy maga a futófény kétszínű ledekkel menjen, gyors periódusnál vörösen fusson, lassú periódusnál zölden, közte pedig a sárga valamilyen árnyalatával. De elakadtam valahogy nem látom át a megoldást. Merre induljak tovább vagy hol értek valamit félre?
Hello mindenkinek. Egy kis segítségre lenne szükségem.
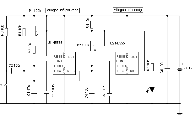
Egy olyan villogót szeretnék megépíteni, amin be tudnám állítani hogy mennyit villogjon egy adott időn belül. Például ha akarom 2 másodperc alatt villogjon 4-et, de át is tudjam állítani ezeket az értékeket. A másik hogy mikor megvolt a 4 villogás a két másodperc alatt, akkor ki kéne kapcsolnia és csak ha újra megnyomok egy gombot akkor kapcsoljon be újra. Nem találtam hasonló topicot úgyhogy gondoltam elmegy különlegesnek A válaszokat előre köszönöm!
Hello! Ha az időhöz választod a villogások számát, akkor a szükséges ütemidőhöz csak osztással jutsz hozzá. Vagy is mikrokontroller.. ASM-PARSIC-FLOW a megoldás. üdv!
Fuu :S Az a baj hogy én nem nagyon értek a mikrokontrollerekhez...
Gondolom akkor más megoldás nem lehetséges ugye?
Dehogy kell ide mikrovezérlő. Ezt két darab 555 megoldja, az első monostabil módban, itt beállítani pl. 2 másodpercre az időzítését, utána pedig egy második 555 astabil módban, a gyakoriságától fog függeni hány villanás fér bele a 2 másodpercbe.
Az alkatrész értékek számításához (és kapcsolási rajzok is) ott van a segédprogramok fül alatt.
Hello! Abban az esetben igaza van Balázsnak, ha az eredeti működési kritériumtól eltekintünk. Vagy is külön tudod állítani az időt, ami alatt villog a Led. És a villogás sebességével külön állítod be, hogy ezen idő alatt az pont 4 legyen. (Aztán lehet ezt szeretted volna, csak másképp fogalmaztál, vagy én értettem másképp.) üdv!
A hozzászólás módosítva: Márc 26, 2014
Nekem erre a CD 4060 jutott eszembe. A Q4 kimenet lehetne a led az oszcillátort egy dióda hálózattal binárisan beállíthatóan leállítva. Az RC taggal lehetne állítani az időt, az indítás pedig egy sima reset.
A hozzászólás módosítva: Márc 26, 2014
Hello! Igen, ez jobban hangzik. Bár nem tudjuk a kérdezőnek mi is a tényleges szándéka valójában.. üdv!
Sziasztok!
Elöször is szeretnek elnezest kerni hogy nem hasznalok ekezetett de Nemetorszagbol irok es sajnos nincs magyar billentyüzetem. Szeretnem a segitsegeteket kerni meghozza adott egy körhinta ami 24 valtofeszültseggel latja el a rajta levö autokat motorokat stb. Minden ilyen autoban van egy aramkör ami a rajta levö lampakat villogtatja sajnos mar több ilyen aramkör tönkre ment igy szüksegem lenne hasonlo müködö aramkörre. Ezen a mostanin van kettö darab tirisztor ami a valtofeszültseget kapcsolgatja hol ide hol oda ezeket egy NE555 Ic egy masik 16 Labu IC-en keresztül hajta meg amit viszont a kedves gyarto kicsiszolt igy fogalmam sincs, hogy ez milyen IC. Nagyon szepen megköszönnem ha valaki tudna segitteni egy ötlettel esetleg tudna nekem keszitteni ilyen aramkört termeszetesen nem ingyen. Rakok fel par kepet az ic mar nincs benne mert valaki mire hozzam került ki szedte igy en is csak foton lattam de ott sem sokat a kicsiszolas miatt. A hozzászólás módosítva: Júl 8, 2019
Szia.
Sokat segítene kép a panel másik oldaláról. Mert akkor látható lenne az áramkör bekötése. A hiányzó 16 lábú IC jó eséllyel akár ULN2003 is lehet.
Szia!
Köszönöm szepen a gyors valaszt. Csinaltam kepet a masik oldalrol.
Én inkább egy számláló ic re tippelnék (4017) a bemeneti impulzusokat váltja a két tirisztor közt ...
Idézet: „... mar több ilyen aramkör tönkre ment ...” Nem csoda, hiszen a panel alján látható szegény 78xx-re (talán 7805?) csak simítatlan váltakozó feszültség jut. Gondolom a panel 24V váltakozó feszültséget kap. Hiányzik a puffer kondenzátor és a szükséges min. 100 nF -os zavarszűrő kondenzátorok is a feszültség konverter IC be és kimenetére is.
Szia.
Igen ebben igazad van de 20 ev utan most kezdik feladni a harcot. A hianyzo ic is meg lett egy masik panelon meg megvan HEF4027BT
Tehát akkor összefoglalva:
- 24 V váltóáramról táplálod. - Két (vagy több izzót, úgy összekapcsolva, hogy 24 V legyen belőle) felváltva villogatni. - Nyák terv nem kell, elég "összemókolni". - Semmi sallang, csak úgy nagyjából másodpercenként felváltva villogjon? - A sín egyik pontja és az izzók közös pontja ugyanott van, vagy másutt? Mekkorák az izzók? A hozzászólás módosítva: Júl 9, 2019
Igen ezek 24V izzok kb 20 Darab összes kb 8-9A vesz fel. az izzok egyik pontja közös es ket tirisztor kapcsolgatna a masik 2 pont között a feszkot
|
Bejelentkezés
Hirdetés |




.
Én kérek elnézést, hogy segítettél. Ja, és köszönöm a témaindító helyett is. 










