Fórum témák
» Több friss téma |
Sziasztok!
Van egy yaesu ftl-2011 es URH-m és nem szeretnék 5-6 ezreket programozó kábelre költeni..... programozni a mikrofon csatlakozóján lehet ami úgy néz ki mint az internet csatlakozó..... lehetséges hogy USB csatlakozót szétvágok és össze forrasztom?
Szia!
Ezt az internetcsatlakozót nem értem. Ez valami új szabvány szerinti csatlakozó? Mert ha nem akkor egy kicsit keress, hogy tudd miről írsz. Ha nem vagy tisztában a csatlakozó típusával sem, nagyon keserves lesz megépíteni egy kábelt, mert a csatlakozóknál kicsit bonyolultabbak az áramkörök. Ahhoz, hogy megfelelő választ kapj, bizony meg kell tanulni kérdezni!!! Ha már kérdezni tudsz, könnyebb lesz a válaszok alapján megtalálni a Neked megfelelő megoldást! A google a yaesu ftl-2011 kereső szavakra ezt dobta: Bővebben: Link Szinte az első találat volt! Szerintem ezt a rajzot keresed: Bővebben: Link Az oldalon a Yaesu részen megvan minden szükséges dokumentum és program ahhoz amit szeretnél. Remélem segítettem!
segítettél. a mikrofon csatlakozója olyan mint az interneté .. Bővebben: Link ilyen .. ezen keresztül szokták programozni
Ha jó a sejtésem, ez egy zárt láncú hálózatban használatos rádió. Piszkálása csúnya dolog, és szabálytalan.
Ha tévedtem volna, elnézést.
Ha ennyire nem értesz hozzá, jobb ha békén hagyod.
Ha amatőr lennél, használhatnád az amatőrsávban, akkor viszont tudnád hogy mit kezdjél vele. És ezért nem kellett volna új topikot nyitnod
A csatlakozó RJ-45, a LAN kábeleken van ilyen, a Motorola GM-300 mikrofoncsatija is ilyen.
Ebből lejön gondolom, hogy nem usb csatlakozó... Mint előttem irták, a Neten minden fellelhető,SW, HW épitési leirás, csak egy páka és pár alkatrész kell hozzá. Egy egyszerű szintillesztő kell a rádió,és a PC soros portja közé.(MAX232 stb.)
Egyébként pucukának igaza van ez a készülék már az a kategória aminek üzemeltetéséhez rádióamatőr engedély kell.
Egyébként nem nehéz programozót gyártani, mint a fotókon is látszik.(Ezeket pár éve készítettem) A sw használatához is kell némi tudás, egyrész angol nyelvű, másrészt jó tudni hogy mit állitasz be, és milyen frekin Sok sikert.
Sziasztok!
Én 1-2 éve nagyon egyszerű módon készítettem el egy ilyen kábelt.Volt egy régi SAGEM mobilhoz való adatkábel MAX232-vel.Ezt kötötttem a rádióhoz csatoló kondikon keresztül.Csak megkellett nézzem az adatkábel kapcsrajzát és csatlakozó lábkiosztását.GND-RX-TX ez legtöbbön van,az újjabb NOKIA-s adatkábelek még komolyabbak.A rádióhoz való adatkábel kapcsrajza is kell,hogy a mikrofon csatlakozón mit hova kell kötni.Nállam eddig ez 3 kézirádión is müködött.Természetesen nem minden típusnál müködik,de egy probát megér szerintem ha van ilyen adatkábeled amit már nem használsz! Ja,és HAM vagyok!
Nekem ugyanilyen rádióm van a kocsiba. De nekem valami soktranzisztoros programozóm van hozzá, mert a max232-es megoldás nem működött. Ha jól emlékszem 3ér kell hozzá. De szerintem csak azért mert nem külső tápos, és a miki csatiból veszi azt is. Ha megtalálom valahol csinálok róla egy képet
Sziasztok laci vagyok és segítség kellene egy yaesus fth 7010 zes rádióhoz hol kapok vagy hogyan kel össze szerelni egy programozó kábelt előre is köszönöm!
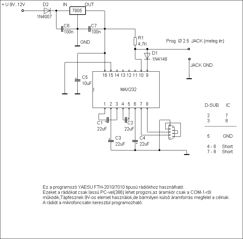
hello És kötési rajzot esetleg tudnál küldeni, hogy a sorosport és a2.5 jack dúgóval lehesen megoldani.
MAX232 szintillesztőre ha szükségvan akkor a képanlátható egységel meg oldható?
A max232-őt nem tudod kikerülni, esetleg tranyós illesztéssel megoldható, de az nem olyan stabil.
A csatlakoztatáshoz itt egy segítség.
Üdv mindenkinek!
Motorola JEDI Series ribless programozó kábel és a RIB programozó között milyen bekötésbeli különbségek vannak a soros port és a rádió oldalon. RLN 4008-as RIB-re gondolok. Köszönettel :Á
Sziasztok!
Feltennék egy újabb kérdést, ha a rádióprogramozó, RLN4008 működik CPS programozó software alatt, de dos-os RSS programozó alatt nem, TX errror-ra hivatkozik.Esetlek másik programozó rib-re lenne szükség? Köszönettel.
Akkor most megválaszolom a saját kérdésemet, aminek nem volt túl sok értelme!
A windows alatt futtatott "dos" nem jó, csak "valódi" dosos felületről működtethető eredményesen az RSS, pl. win98 indítólemez és arról bootoltatni a gépet stb. Egyszóval az RLN4008 egy remekül működő programozó.
Sziasztok!
Egy amatőr barátom megkért, hogy programozzam át neki régi motorola gp900-as rádióját. Mondtam neki nem probléma, mert már egy régebben megépített programozót kell csak kiegészítenem. (http://www.g1ivg.com/motgp300.htm itt található a programozó. gp300-at szépen programoz) A már meglévő MBUS-os programozót egy BUSY negált csatlakozással kellett kiegészíteni amit meg is tettem ebből a rajzból koppintva: http://www.batlabs.com/images/rib.gif (Q3,Q5 körök lettek megépítve, Q4 ki lett váltva max232-vel) A megépített cucc szépen működik ha kapcsolgatom rá a megfelelő jeleket, viszont a rádióval nem birkózik meg. Kipróbáltam másik rádióval is, de azzal se ment. Ez a BUSY/BUSY NEGÁLT dolog nem akar menni. Esetleg lenne valakinek ötlete mi lehet a gond? Tranyóknak bc547-et használtam, majd kicseréltem őket kapcsoló üzemű tápokban is fellelhető kis kapcsolós tranyókra, de ugyan az a helyzet.
Üdv!
Nem szerettem volna új topikot nyitni a kérdésemnek, így itt teszem fel. Van egy Motorola GM300-as rádióm, amihez az itt ismertetett kapcsolást építettem meg programozás céljából. Más ismerős is használja ezt az áramkört sikeresen a rádió programozásához, tehát a kapcsolás biztosan jó. Én megépítettem, megtápoltam, rádugtam a rádióra de mégsem tudom kiolvasni a rádió memóriáját. A tápfeszt visszajelző LED(piros) világít, a stabil 5 voltom megvan. Az adatforgalmat jelző (zöld) LED felvillan amikor ráolvasok a rádióra, de a program mégis azt írja, hogy nincs összeköttetés. Szoftvernek egy GM300 radio doktor nevű (szerintem visual basic-ben elkövetettt) programot használom. AZért pont ezt, mert az ismerős is ezt használja, akinek működik ez a kapcsolás. Tehát a szoftver is kizárható, mindenképp HW hibáról beszélünk. Várnék tippeket, hogy merre fele kezdjek el keresgélni, szerintetek hol lehet a hiba, mert én már teljesen tanácstalan vagyok. Amit megnéztem már többször is és biztos, hogy jók, de ha kell megnézem újra és újra: RS-232 lábkiosztás, helyes bekötés; tápfesz megvan, az RJ45-ben végződő kábel is tuti jó GND a 4-es lábon, BUS+ a 7-esen; kondik helyes polaritással vannak bekötve, IC-k szintén a kapcsolásnak megfelelően vannak beültetve. Köszönöm a tippeket előre is!
Ok, megoldva... Mégis rosszul volt az RJ45 bekötve... Bocs..
Sziasztok! Van egy usb- s elektronikát tartalmazó telefonkábelem. Többen írtátok, hogy lehetne ebből yaesu fth7010-eshez progizó kábelt készíteni, hogyan? Nálam ez a bekötés nem teljesen így néz ki, persze nem is ehhez a modellhez való a kábel, hanem egy későbbi multimédiáshoz, ami így néz ki most: 1:fehér 2: narancs 3:zöld 4: üres 5: kék, a gnd az adott a töltéscsatlakozásánál . Ha jól sejtem, akkor így kéne bekötni hogy: RX: zöld, TX: kék.(még kéne egy Móricka rajz is a jack bekötéséről is, hogy mit hova kössek) A másik probléma az szoftveres, ha ezt a kábelt rádugom a win 98-as gépemre, akkor egyből keresi a hozzávaló szoftvert, persze, amit nem talál, honnan lehetne hozzá leszedni, gondolom,hogy a telefoné meg a dos-os program nem jó hozzá. Kérlek segítsetek, köszi:Laci!
Végül is nem tudni, milyen kábeled van. Amit csatoltál, az egy régebbi mobiltelefon soros porti illesztője, az USB csatlakozó csak a tápfeszültséget biztosítja Egy RS232 illesztő IC nek, ez illeszti a telefon belső busz rendszerét soros portra. Ehhez gyárilag jár egy CD, (vagy floppi lemez) amin egy progi van amivel elérheted a telefon némely memóriaterületét, pl. telefonkönyv, SMS kezelés. Ezt néha le lehetett tölteni, de az eléggé telefon specifikus volt.
Biztos lehet belőle gyártani amatőr készülékekhez programozó kábelt, mert ott is az alapvető feladat a soros porti illesztés.
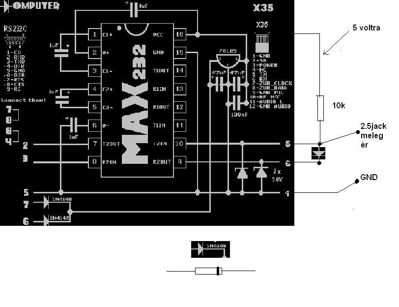
Szia! Jó, hogy itt vagy, fényképet sajnos nem tudok készíteni, mert vacakol a digi gépem. Nos, a lényeg, hogy, a kábelen van soros elektronika mégpedig smd pl-2303, és mc 34063, a képet csak a telefoncsati bekötése miatt dobtam fel, hátha valakinek dereng valami. Nem válaszolt senki, ezért, elkezdtem agyalni a soros tranyós megoldáson. Az egér beöntött csatija nem volt jó, elkezdtem kutakodni, és találtam, egy siemens c35?- ös soros adatkábelt, csipogtatom, senki semmivel, csak a gnd, aha, vegyük csak szemügyre, jó vaskos csati, nehéz is, tuti, hogy van benne elektronika! Kábelra guglis keresés, de megint a max-os megoldás jött ki, ebben is valami lyesminek kell lennie. Kibogarászva csati rajz alapján a TX- RX, dióda, ahova kell, lemezről bootolva, 486-os laptop, ce2-futtatva, semmi, próbáltam dióda nélkül, csak tx, csak rx, semmi, aztán w98-as laptop, lemezről, win-ből semmi. Olyan írjon már, aki progizta ezt a tipust, mert a jack bekötése sem tiszta, vannak baromságok a neten.
Szia.
Amit ebben a hozzászólásodban betettél kábel képet ennek jónak kell lennie, annyi kiegészítéssel, hogy egy dióda és egy 10kohm -os ellenállás beépítésével működnie kell. Usb-ről nem fog menni, kell a valódi com port. A diódával kell közösítened a tx-rx vonalat úgy, hogy a dióda katódja a rajzon lévő 6-os pont felé nézzen. De az anódjáról vagyis az 5-ös pontról viszed a jelet a rádió mikrofon csatijára, és ez a pont van felhúzva a 10kohm al 5 voltra. Ha ez így nem működik, akkor a hiba a rádiónál is lehet, nézzd meg, hogy a 2.5 mikrofon csati testgyűrűje vezet-e a rádió fémházával. Ha nem vezet, akkor egy belső kis fojtó elfüstölt a rádióban, vagy megpatkolod vagy máshova testeled az adatkábeled a rádión, pld. a másik csatira. Próbáld ki.
Köszi, egy Móricka rajzot készítenél, a tx, rx vonaltól a csatiig a gyengébbek kedvéért (én), mert csak sztereo jack-em van. Egyenlőre, csak a kiolvasással foglalkoznék, ha az oké, akkor írás (közösítés nélkül). Még arra gondoltam (olvastam valahol) , hogy ha soros dugóban nincsennek meg az átkötések, akkor a progi nem "látja" a kábelt és a rádiót. (mindjárt kicsipogom)
Az említett átkötések nincsennek, meg, és a test sem (azt megoldom), hogyan tovább?
Nincs mit, gondoltam, hogy ilyesmi a helyzet, csak jobb lenne ezt látni fotón vagy valahogy...
Mert az utoljára csatolt képen az általam írt kiegészítések kivételével minden rendbennlévőnek tűnik. Ha nem úgy vannak a dolgok, ahogy a képen van, akkor látatlanban nehéz lesz kiigazítani a eszközt. Keresek egy általam használt megoldást, olyat, melyet írtam, és belinkelem, de lehet hogy a topik képei között is fenn van. Az szerint kell eljárni. Ami talán félreérthető volt az írásomban, az az, hogy a dióda katódja az a üvegtokos diódákon a színgyűrű felőli végnek felel meg. A számozás meg a kábeled telefon-felőli végének irányából értendő.
Nos már nem fért bele az időmbe, hogy a képet is betallózzam. Ezzel a képen lévő áramkörrel kiválóan lehet progizni az összes öregebb yaesut. Ez szerint kellene átbogarászni a nálad lévő áramkört/kábelt...
Mellékelek egy leírást is, melyet kaptam rég.
Móriczka rajz sem maradhat le: Elnézést, tényleg az lett.
Köszi mindent, ma már nincs kedvem ,foglalkozni vele, mer úgy felb.. az agyam. Ezeket a leírásokat ismertem, gugli a barátunk. Sajnos ez a gyári kábel beöntött, nem látni bele, gondolod, szívnék vele, ha belelátnék, egyszerűen visszafejteném, és kész! Lehet, hogy csak a rádió csatija cumiztatott meg, én nekem a büdös életben eszembe nem jutott volna rámérni. Holnap újra játszok vele, és leírom a fejleményeket. Még annyit kérdeznék, hogy, ha a kábel csatlakoztatva van, de a rádió nem, és a program nem fut, akkor milyen feszültségek mérhetök( a dióda nincs bekötve, nincs közösítés) a gnd-hez képest, ki akarom zárni az áramkör hibáját. És még annyit, hogy majd stabilban akarom használni, hogyan kell bekötni a mikit meg a ptt-t? Üdv:Laci!
|
Bejelentkezés
Hirdetés |




















