Fórum témák
» Több friss téma |
Nem az a gond, hogy nem akarom megvenni, hanem az, hogy hestore-ban nincsenek meg ezek az alkatrészek, és valószín. nem lehet mo.-n beszerezni.
Köszönöm a megértést !
Üdv mindenkinek!
Új vagyok ebben a témában és ezért egy kis segítséget szeretnék kérni. Azt szeretném meg tudni,hogy ha MPLAB-al létre hozok egy projectet az *.asm mellé miért nem tudom hozzá adni a pic include filát? PICKIT2 Debus expresszt használok. Köszi
Az include file-t nem kell kulon felvenni -- azt csak be kell inkludalni az #include -al az asm file-ban...
Ha felveszed, akkor a headers könyvtárba tudod felvenni(.h kiterjesztések). Attól hogy oda felvetted, még nem fog beinkludálódni a forrásodba, ahhoz azt kell tenni, amit trudnai mester írt. Azért szoktuk felvenni mégis, hogy bele tudjunk nézni, szerkeszteni, ha kell...
Sziasztok Köszi a választ.És hogyan tudom beindukálni?
watt hozzaszolasa elott kozvetlen mar leirtam
szia
Akkor pl.az *.asm file ba első sorába ezt kell írnom? #include kacsacsör p16F887.inc kacsacsőr
Köszi a segítséget.
Azt szeretném meg kérdezni,hogy ki milyen fordított használ, milyet ajánlotok? Én most MPLAB lévőt használok hogyan tudok gyorsan hex filet létre hozni az *.asm kódból?
Hali!
Automatikusan létrejön sikeres fordításkor. A project könyvtárába.
A MPLAB-ban letre kell hozni egy projectet, majd hozzaadni az ASM filet hozzaadni. Utana a forditaskor letrehozza a hex filet. MPLAB leiras.
Hali!
Építettem egy watt féle WLPT_Vpp_mini programozót,egy pic16f628 at programoztam vele. Elsőnek felprogramoztam egy led villogtató programot bele ez még működött is,de utánna beleakartam rakni azt ami a mellékletben van. felprogramozta ellenőríztem hibát talált,én meg rámentem a pic törlésére. Na ettől kezdve már felsem ismeri az égető,semmi életjelet nem ad :no: Megöltem volna a pic et? Pic-ben még tök kezdő vagyok. Ja és watt saját készítésü programját használtam.
Sziasztok!
Csak egy olyan buta kerdesre szeretnek valaszt kapni toletek, hogy egy PIC egetovel (PICALL) lehet-e AVR-t programozni? [egetni] /Illetve forditva lehetseges-e a folyamat. AVR egetovel -- PIC-et/ Tovabbi szep napot kivanok nektek, mikozben varom megtisztelo valaszotok.
10k ellenállás a Vpp-n ott van?
Ha egyszer égetted és jó volt, akkor a legritkább esetben szokott a PIC tönkremenni. Én a PICKit2-vel programoztam egy 18F4620-at, amit csak egyszer tudtam én is felprogramozni, de nehéz lenne elhinni, hogy ez sokszor előfordul. Szóval ha a védő ellenállás rajta van az áramkörödön és más oka nem volt még is tönkrement a PIC, az elég szerencsétlen véletlen.
Arra gondolsz amelyik a VPP röl megy a GND re? én ott 1k -t látok a kapcsolási rajzon az természetesen ott van.
Ebben a témában olvastam valami olyasmit hogy a config word be elírt valaki valamit és bekapcsolt a pic vagy valami ilyesmi, nem lehet valami ilyen hiba? Most nem ismeri fel a pic et és ha kiolvasom akkor csak 3fff értékek vannak a config word ben meg csak 1 esek,mintha ott se lenne a pic Most jól beszívtam,egy vfd-s órát akartam készíteni megis vettem minden alkatrészt erre vehetek új pic et ráadásul itt Debrecenben 2x annyiba került mint a webshopokban.
Szia! Nem lehet, teljesen kulonbozo kontrollerek (raadasul vetelytarsak is).
Szia
A 16F nagyon kényes a megfelelő 5V-ra, az Usb kábel + Pk2-n tud több tized volt esni, ha kell a PC 5V-járol külsőleg tápláld meg a pic-t. Üdv
Szia.
Nem pickit 2 -m van hanem a watt féle egyszerü lpt-s égető. Egy pc tápról kapja az 5v,12v ot. Az gond lehet hogy 5,2-5,3v körül kapott?
Elnézést.
Az LPT mini nekem csak 18F-t vitte, a 16F-t nem. Sajnos szálltak is el PIc-jeim (16F628), isten tudja miért. Lehet, azóta watt módosított a kapcsoláson, nem tudom, ennek már 2 éve. Nálam a megoldás a PK2 volt Üdv
szia trudnai!
Nagyon koszonom a valaszod. En nem ertek a PIC-hez , se programpozasban, se sehogy.Igy az AVR-es kapcsolasok kiesnek erdeklodesi korombol majd. egyelore Tovabbi szep napot es sikeres epitgetest kivanok.
Attól, hogy az égetőben van egy 1k-s lehúzó, még a PIC-en is kell lenni, hogy a lecsatlakozáskor(ICSP kábel lehúzásakor), ne lebeghessen az MCLR/Vpp láb. Az a 10k nem az égető része, hanem a PIC áramköré.
Amikor hosszú vezetékeket, vagy más áramkört(pl. égető) csatlakoztatunk a Vpp lábra, fenáll a veszély, ha nem vezetjük el róla a töltést.
Szia Hp41C!
Megtisztelsz azzal, hogy kiegeszitetted az informaciot. Koszonom. Hatha lesz valaki aki ugyszinten gondolkodott ezen kerdes felvetesen. Igy mar itt a valasz.
Értem.
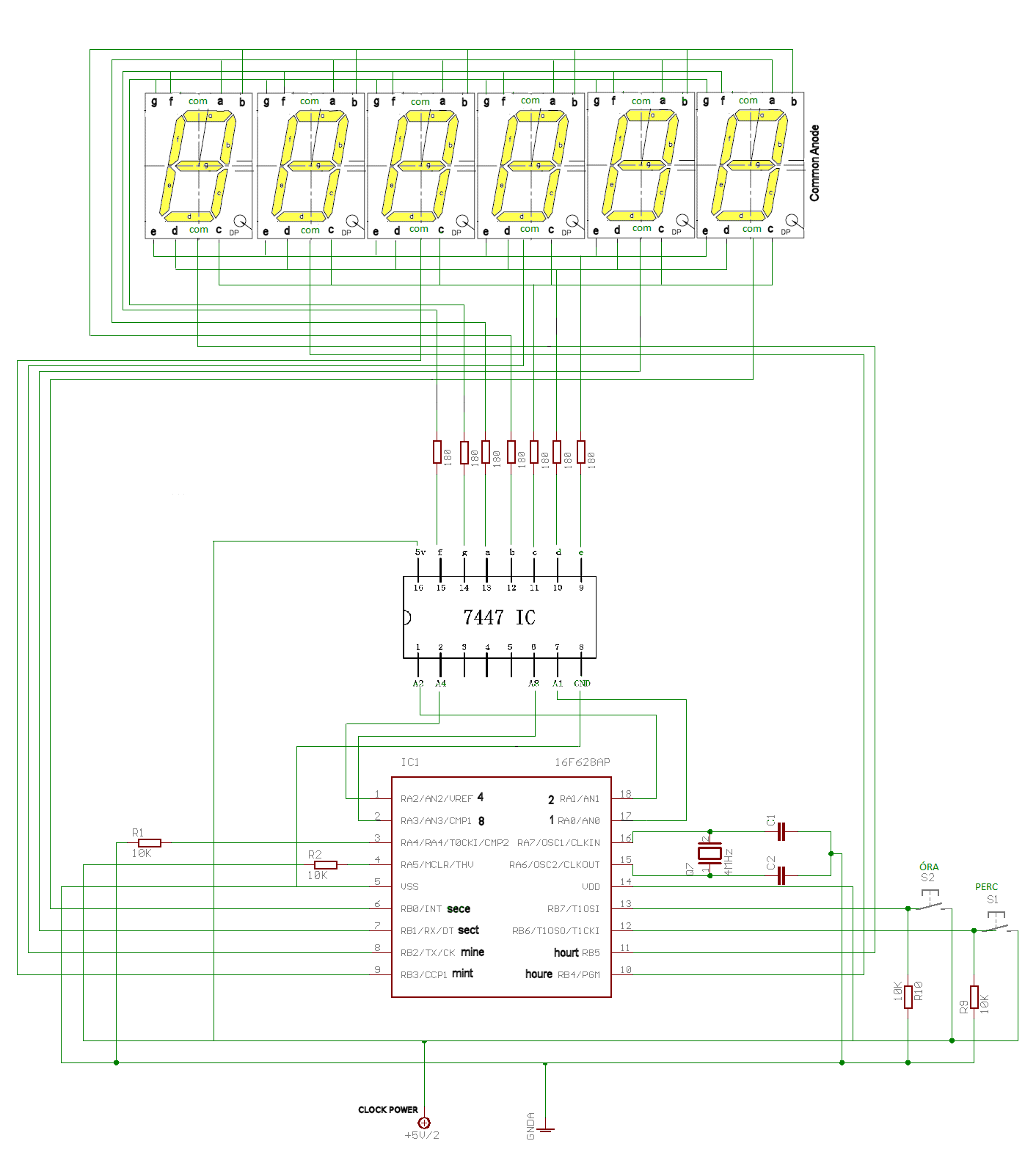
Én az égetőt egy próbapanelra készítettem el és azon van egy foglalat a pic nek,azon a panelon van az 1k -s. Meg van egy másik panel 2 gombal 4MHz es oszcilátorral a lehúzó ellenálásokal meg 2 tüskesorral a kivezetéseknek. A mellékletben lévő kapcsolást csináltam meg,csak a 7447 ic-t egy másik panelen helyezem el.
Meg egy olyan kiegeszitest, illetve infot kaphatok, hogy csak az eredeti PICKit2-vel vagy az utanepitett PICKit2 klonokkal is?
A leírásodból nekem úgy tűnik, hogy ha az az 1k a test felé van bekötve, akkor a program csak akkor indulhat el, ha az MCLR funkció le van tiltva benne. A csatolt áramkör ezt feltételezi is, viszont a gomb nem működhet, mert az 1k lehúzza a bemenetet állandóan.
Perszer a programozás ettől még meg kellett volna történjen.
Az utánépítettek, kivéve a szilva félét, teljesen egyenértékű ilyen szempontból, de bizonyos esetben a szilva féle is működhet AVR-el, ha 5V-ot elvisel. De szerintem hagyjuk az AVR-eket itt!
WAtt mester!
![]() Koszonom, igy mar teljes az informaciom. |
Bejelentkezés
Hirdetés |




, se programpozasban, se sehogy.





