Fórum témák
» Több friss téma |
Fórum » Labortápegység készítése
Sziasztok!
Úgy néz ki,hogy a jövőben komolyabban fogok foglalkozni elektronikával,ezért szükségem lenne egy labortápra. Ha lúd,legyen kövér alapon,egy komolyabbra gondoltam,mert ha minden jól megy,nem csak hobbi szintre lesz használva. Szóval amire gondoltam az 0-50V fesz és max 5A áram. Felmerült bennem,hogy lehetne dupla is,de nem tudom,hogy ez mennyire szükségszerű.
Az én első komolyabb tápom is dupla volt és 50v-4A-t tudott oldalanként, nem bántam meg, így szerintem te sem fogod, viszont ma már nem azt a tápot építeném, mert labilis. Neked az RT-s tápot javaslom, amihez Alkoto csinált egy nagyon jó paneltervet, leírást, dokumentációt, mindent ami csak kellhet, itt ebben a topicban megtalálod.
Ő lenne az?
Ő bizony. Ennél komplexebben dokumentált kapcsolást szerintem ilyen paraméterekkel nem nagyon találsz itt, jó nyákterve van, jók a műszeki paraméterei, megfelel a kivánalmaidnak, szerintem ez egy jó választás.
Köszi a segítséget!
Gondolom,ha duplát akarok csinálni akkor két panelt kell elkészíteni. Viszont trafóból mindegyik feszre dupla teljesítmény fog kelleni?
Ha kettőt csinálsz akkor vagy saját trafóik legyenek, vagy a közös (dupla teljesítményű) trafón legyen minden szekunderből egy-egy saját a két tápnak. Így a kettő független lesz egymástól. Pl sorba kötheted és megduplázhatod a max kimenő feszültséget. Ha belül össze lenne kötve valahol, akkor az nem látszik, elfelejted, éppen más használja aki nem tud róla, és kész a baj.
Én is ezt a változatot szeretném megcsinálni,csak a nyák kirajzolásával vagyok egy kisbajban,mert kézzel nem érdemes,vasalást meg még nem próbáltam sajnos,de úgy látszik itt van az ideje.
Semmire nem akarlak rábeszélni, de nézd meg a csatolt képet (felteszem majd a videót is valahova ha kell). Ha a 25V elég akkor párszáz Ft az átalakítás, ha 50V kell akkor + 4db dióda. Egy ismerős kérésére csináltam, az eredmény jobb lett mint vártam. A gyári 10A-es dióda miatt állítottam be csak max. 7A-t, különben tudna 10A felett is.
Analóg labortápot 1A felett nagyon gazdaságtalan csinálni (méret, súly, disszipáció), de te tudod.
A feszültséget gondolom be lehet állítani, de az áramkorlát is állítható? Mert ha nem, akkor ennek semmi köze a labortápokhoz.
Labortápnál a "gazdaságos üzemelés" nem lényeges szempont, hiszen erről nem megy folyamatosan semmi.
Viszont a kimeneti feszültség "minősége" nagyon is lényeges, és ezt elég macerás kapcsolóüzemmel elérni. Illetve valóban nélkülözhetetlen az áramkorlát és a feszültség beállíthatósága. (Vannak olyan "előszabályzó" vagy előválasztó megoldások, amikkel csökkenteni lehet a disszipációt.)
Szia!
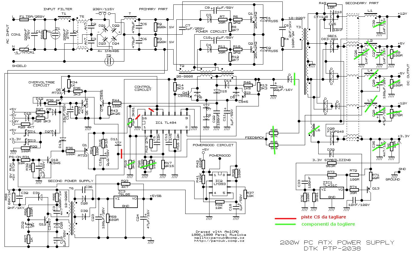
Engem érdekelne a videó is mert nemrég gyüjtöttem be egy 500 W pc tápot (ATX) és szeretnék egy labortápot belőle.
Mivel ez a PC táp minimális költségből (2db poti + 2db 2W-os ellenállás) lett átalakítva, ezért csak 1,2 és 25V közötti kimenőfeszültséget és kb. 40mA és 7A közti kimenő áramot tud (ez növelhető kb. 50V-6A-ig táptól függően). A feszültség szabályozásához kell kb. 20% tartalék (kitöltési tényező), ami azt jeleni hogy a max. 25V-ot már nem fogja tudni "kiszabályozni" mert nincs miből, de kb. 21V-ig nagyon stabil feszültséget és áramot produkál (a nagyobb verzió kb. 42V-ig). Nekem volt analóg labortápom is nagyon régen, ez sokkal jobb attól.
Nem csak azért mert kb. 1500Ft-ból kész lett ((a rossz táp ingyen volt), ennyiből egy analóghoz a hűtőbordát sem kapod meg), hanem mert jóval kisebb, könnyebb, nem termel rengeteg hőt és nem utolsó sorban nekem a szabályozása is gyorsabbnak tűnik (ha az analógra rátettem egy jónagy terhelést szépet szikrázott mielőtt visszaszabályozta az áramot ez viszont rövidzárban is alig). A kimeneti feszültség "minősége" miatt kétkedőknek pedig a szkópkép magáért beszél. Ekkora zavarfeszültsége (amin lehetne javítani de minek) egy analóg tápnak is van, csak abba benne van sok ezer µF kondi, ebbe meg csak 470uF.
Megszerkesztem majd és felteszem valahova, de szerintem ne offoljunk tovább.
Ellenérzés ide vagy oda, abban egyetértek veled, hogy addig nem szabad a kimeneti feszültség minőségéről nyilatkozni, amíg ki nem próbálja az ember. Persze nem fúrógépre gondolok (ezt olvastam tőled valahol), hanem valamilyen nagyobb erősítésű előfokozatra, vagy mikrofonerősítőre, esetleg olyan gitár előerősítőre, amit egy "pick-up" hajt meg.
De sehol sem találom az átalakításról szóló leírást, rajzot, vagy bármi nemű dokumentációt. Több fórumban is mesélsz az átalakításról, de hol találom meg azt az útmutatást, ami alapján esetleg még én is át tudnék alakítani egy PC tápot. (Most gyorsan utánanéztem, és egy 500W-os PC táp több mint 7000 Ft újonnan.)
Üdv!
A dokumentáció engem is érdekelne. Amarton írása a cikkek között szintén Pc-táp átalakításról szól de az 1500 ft környékén mozog. Ge Lee viszont megalkotta pár száz forintból.
Nos. Van neki külön topikja azért nem szórtam ezt tele mindenfélével. Abban minden megtalálható ami az átalakításhoz kell. Egy teljesen átfogó leírás azért nincs sehol, mert ahány táp annyi féle, véletlenül sincs két egyforma. Ennek ellenére a vezérlésük és a meghajtás szinte ugyanolyan, így 1-2 rajzból már el lehet indulni. A siker attól függ hogy ki mennyire van otthon a témában, ismerek olyat aki rajz nélkül is megcsinálja.
Egy átalakításhoz teljesen felesleges új tápot venni (ez is rossz volt amiből csináltam), egyszer bementem az egyik PC szervízbe és adtak egy kartondoboznyi rossz tápot ingyen, de lehet venni működő használtat is 1-2 ezerért. Ha érdekel én a csatolt rajzok alapján indultam el azzal a különbséggel hogy nem tettem bele graetz-et mert elég volt a 25V is.
"bementem az egyik PC szervízbe és adtak egy kartondoboznyi rossz tápot ingyen"
ejjha te aztán jól kifogtad, miért nincsenek ilyen szervízek az én közelemben.....
Köszönöm, de ez messze nem az a kidolgozottság, ami alapján szerintem érdemes foglalkozni vele. Nekem a "vagy sikerül vagy nem", túl ködös.
Hali!
Vagy 2 hónapja kezdtem neki az edison álltal közzétett labortápegységnek. Egy darabig jól is működött, de pár napja megadta magát az egyik tábegység (szimmetrikusan kettőt építettem belőle). A kimeneten 35V és a potik csavargatására nem reagált. Elkezdtem szétszedni és mivel az egyik teljesen jól működik összemértem a kettőt úgy, hogy kivettem az ic-ket (az alkatrészeken eső feszültséget mértem). Összeméréskor semmi eltérés nem volt, viszont véletlenül rövidrezártam mérés közben valamit és a q3-as tranzisztor távozott. Másnap kicseréltem egy újra és próbaként beraktam az ic-ket, hátha. Ekkor jó lett a táp egy kis időre míg elkezdtem csavargatni a feszültség szabályozó potit 20V felett valahol felugrott 35V-ra ismét (nem tudom pontosan, mert rossz méréstartományban volt a multiméter). Ekkor kivettem az ic-ket és leteszteltem az opateszterrel, amit még anno linkelt egy kedves fórumtárs. Az ic-k tökéletesen működtek. Ekkor visszaraktam őket, hogy lemérjem az ic1 6os lábán a 11,2V-ot, ahogy az az élesztésben írva van, de megint működött és tudtam szabályozni a feszültséget. Lassan több a paranormális jelenség a szobámban, mint a mozivásznokon összeségében valaha. Nem tudom most mi lehet a gond, mit kéne csináljak. Ha összerakom, gondol egyet és megint beadja az unalmast akkor nem ér az egész semmit. Tudnátok valami tanácsot adni?
Próbáld meg a potit cserélni másikra. Valamilyen kontakt hiba okozhatja ezt a jelenséget, szerintem.
Esetleg gerjedhet is. Szkóppal nézzél rá, amikor dilizik.
Az a baj olyanom nincs, de még a környezetemben se, keret meg nincs rá. A potit meg néztem (vagyis rángattam, nyomkodtam), de mintha nem ennek a függvénye lenne. Az a baj cserélni se nagyon tudom jelenleg, mert pont ilyen megfontolásból csak alpha-t használok és rendelem.
Igen, erről is beszéltem. A "kidolgozottságnak" benned kell lenni, nem a papíron vagy a monitoron. Ha ez nincs, ne is kezdj bele.
Egyik ismerősöm egy ilyen átalakítást fejből megcsinál, a másiknak akkor sem sikerülne ha napokig írogatna kérdéseket a fórumra, pedig mindkettőnek ugyanúgy műszerész a végzettsége.
Hello!
"Összeméréskor semmi eltérés nem volt," Ez azért elég nehezen hihető, mivel a kimenő feszültség már is más volt. - De ha a kimeneti feszültség "elszáll", akkor elsősorban az IC2 visszacsatolás körében kell a hibát keresni, vagy is az R12 körében szakadást. - Másodsorban az Poti-R8-R9 körében is lehet szakadás, mert ekkor az IC bemenőáramától annak kimenete magas szintre kerül. - Az IC2 feszültségszabályzó akkor működik a szabályozási tartományában, ha a 2-es és 3-as láb feszültsége azonos értékű. - Ha a Q3 tranyó "leköszön", attól a táp mág rendesen működni fog, legfeljebb a Led vagy állandóan világít, vagy éppen sötété marad. üdv! proli007
Hali!
Az összemérést az ic-k nélkül tettem. Ekkor télleg nem volt eltérés, persze sok helyen nem mértem semmit, mert emiatt kiestek az áramkarikából. Viszont a leírtakat fontolóra veszem, köszönöm. Jelenleg megy, nem tudom miért, nem tudom meddig és össze is raktam, ha rosszalkodik az lesz az első amit leírtál.
Az analóg labortápodban mekkora volt a kimeneti puffer?
Gondolom azért szikrázott, mert a nagy kapacitás hirtelen kisült. (Pc tápban ugye ahogy írtad is, csak 470µF van)
Sziasztok.
Már rég nem titkolt vágyam egy a mostanitól jobb labortáp. Amit megépítek, mindent egy kicsit vagy nagyon át szoktam tervezni a saját igényeim szerint. Ez van. Most egy kis segítséget szeretnék abban, hogy az egyik labortáp kapcsolást egy kicsit átalakítsam. Atilla86 kapcsolóüzemű labortápjának egy részéről lenne szó. (Remélem Attila86 nem haragszik meg érte) Az áteresztőfokozatot kellene megoldanom, hogy ne a pozitív ágban mérje a terhelést. Ha jól értelmezem, akkor az R1 R52 ellenállásokat ha átrakom a negatív oldalba, akkor a IC4D +/- bemeneteit felcserélve a kapcsoás működőképes marad. Jól gondolom? Persze még így nem működne, csak az elv érdekel, hogy elindulhassak valamerre. Nagyából rajzoltam egy rajzot, a minőségért elnézést, itt a munkahelyen nincs csak paint. Előre is köszönöm a segítséget.
Szia!
Gondolom van valami elképzelésed a negatív ágban lévő terhelés mérésével. Ha megosztod, talán "össze lehet gyúrni" a kettőt .
Mint ahogyan a rajzon is látszik, annyit akarok csupán, hogy a negatív ágban legyen az a 2db ellenállás(R1,R52), amin mérhető a felvett áram. Ehhez szeretnék egy kis segítséget, hogy az IC4D komparátor bekötése hogyan is alakul az új helyzetben.
Szia!
Jól látom, hogy akkor a kimeneti negatív pont lenne a GND? Így hogyan fogják az OPA-k vezérelni az áteresztő FET-et? (Persze van még más probléma is, de ez ugrott be először.) |
Bejelentkezés
Hirdetés |











.
